Подключение источника питания к электронному прибору в обратной полярности опасно как для самого прибора, так и источника питания. В предлагаемой статье рассмотрены варианты автоматического коммутатора, обеспечивающего правильную полярность напряжения питания при произвольной полярности его источника.
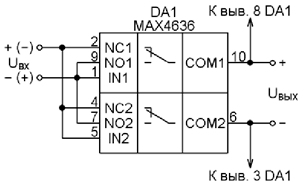
В [1] описан такой коммутатор на микросхеме MAX4636 [2]. Его схема изображена на рис. 1. Выходное напряжение Uвых имеет правильную полярность независимо от полярности входного напряжения Uвх.

Рис. 1. Схема коммутатора на микросхеме MAX4636
Микросхема МАХ4636 состоит из двух независимых электронных аналоговых переключателей на полевых транзисторах. Каждый переключатель имеет "контакты" NC1 (NC2) - нормально замкнутый, NO1 (NO2) - нормально разомкнутый, COM1 (COM2) - переключающийся, а также вход управления IN1 (IN2). При наличии на входе IN1 (IN2) напряжения низкого логического уровня замкнута цепь NC1-COM1 (NC2-COM2), а при его высоком логическом уровне замкнута цепь NO1-COM1 (NO2-COM2).
Если полярность напряжения ивх соответствует той, что указана на схеме без скобок, то на входе IN1, который соединён с минусовым зажимом источника напряжения Uвх, уровень напряжения низкий, поэтому цепь NC1-COM1 замкнута. Напряжение с плюсового зажима источника поступает на плюсовой выходной зажим. Вход IN2 соединён с плюсовым зажимом источника, поэтому замкнута цепь NO2-COM2, по которой минусовый выходной зажим соединён с минусовым зажимом источника.
Когда источник напряжения ивх подключён в противоположной полярности (указанной на схеме в скобках), логические уровни управляющих сигналов также сменяются противоположными. Поэтому цепи NC1-COM1 и NO2-COM2 становятся разомкнутыми, а NO1-COM1 и NC2-COM2 - замкнутыми. Полярность выходного напряжения при этом остаётся прежней.
Следует заметить, что в первый после подачи входного напряжения момент правильную полярность выходного напряжения и напряжения питания микросхемы обеспечивают встроенные в неё защитные диоды, образующие "паразитный" диодный мост Однако на этих диодах падает заметная часть входного напряжения. Это продолжается лишь около 20 нс, требующихся для активизации полевых транзисторов микросхемы. После этого диоды оказываются зашунтированными открывшимися транзисторами, падение напряжения на которых значительно меньше.
Описанное устройство имеет существенные недостатки, значительно ограничивающие сферу его применения. Это довольно узкий интервал входного напряжения (1,8...5,5 В) и большое проходное сопротивление (11 Ом - при Uвх=3 В и 8 Ом - при Uвх=5 В). Кроме того, ток нагрузки не должен превышать допустимых для ив микросхемы 30 мА.
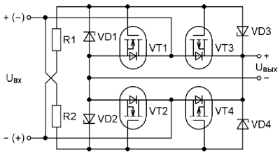
Эти проблемы можно решить, построив коммутатор на мощных полевых транзисторах с изолированным затвором. Использование таких транзисторов для защиты нагрузки от неправильной полярности источника питания было рассмотрено, например, в [3]. Однако там нагрузка подключена к источнику питания только при его правильной полярности, но отключена от него при неправильной полярности. Если необходимо, чтобы она работала при любой полярности питающего напряжения, можно использовать коммутатор, собранный по схеме, изображённой на рис. 2.

Рис. 2. Схема коммутатора (при любой полярности напряжения)
Здесь, в первый после подачи напряжения ивх в любой полярности момент, правильную полярность напряжения ивых обеспечивает мост, образованный защитными диодами транзисторов VT1 -VT4. Затем, если полярность входного напряжения соответствует указанной без скобок, открываются n-канальный транзистор VT2, напряжение на затворе которого положительно относительно истока, и p-канальный транзистор VT3, напряжение на затворе которого отрицательно относительно истока. Транзисторы VT1 и VT4 остаются закрытыми. При обратной полярности напряжения ивх закрытыми остаются транзисторы VT2 и VT3, а n-канальный транзистор VT1 и p-канальный VT4 открываются. В любом случае полярность напряжения ивых остаётся правильной.
Это устройство можно использовать при напряжении ивх, большем порогового напряжения затвор-исток применённых транзисторов, но не превышающем их допустимого напряжения затвор-исток. Сравнивать нужно абсолютные значения напряжения.
Обычно максимальное значение ивх - 15...20 В, но для p-канальных транзисторов IRF7702, IRF7410 и некоторых других [4] может быть и меньше, вплоть до 8 В. Если этого недостаточно, можно, как показано на рис. 3, добавить в устройство стабилитроны VD1 - VD4. Их напряжение стабилизации должно быть близко к допустимому для применённых транзисторов абсолютному значению напряжения затвор-исток, но не превышать его.

Рис. 3. Схема с изменениями
Резисторы R1 и R2 ограничивают ток, текущий через стабилитроны. Их сопротивление в килоомах можно рассчитать по формуле
R1 = R2 = ( l Uвх mах l - Uст ) / Iст ,
где Uвх mах - максимальное входное напряжение, В; Uст - напряжение стабилизации стабилитрона, В; Iст - заданный максимальный ток через стабилитрон, мА.
Автором было испытано устройство, собранное по схеме, изображённой на рис. 2. В нём были применены p-канальные транзисторы IRF5305 с сопротивлением открытого канала 60 мОм и n-канальные транзисторы STP80NF03L-04 с сопротивлением открытого канала 4 мОм. При напряжении Uвх=12 В и токе нагрузки 1 А падение напряжения на коммутаторе не превышало 45...48 мВ. На выпрямительном мосте из диодов Шоттки 1N5821 падение напряжения в тех же условиях достигало 540...550 мВ - более чем в 10 раз больше, чем на транзисторном коммутаторе.
Литература
1. Guy J. Circuit provides reverse-battery protection. - EDN, Dec 21, 2000, p. 96. - URL: https://www. edn.com/design/analog/ 4361502/Circuit-provides-reverse-battery-protection (01.12.18).
2. MAX 4636 Fast Low-Voltage Dual 4 Ohm SPDT CMOS Analog Switches. - URL: https://datasheets.maximintegrated.com/ en/ds/MAX4635-MAX4636.pdf (01.12.18).
3. Нечаев И. Полевой транзистор в качестве защитного диода. - Радио, 2016, № 5, с. 50.
4. P-канальные транзисторы. - URL: http://irf.ru/cgibin/groups.pl?group=p_ channel (29.11.2018).
Автор: В. Олейник, г. Королёв Московской обл.
