Теперь перейдем к рассмотрению реальной схемы LED-драйвера. В настоящее время LED-драйверы и DC/DC-преобразователи напряжения светодиодов физически размещаются на управляющей плате ЖК панели. Существуют и другие варианты, например, когда LED-драйвер расположен на основной плате монитора (рис. 7). Но такое решение не носит массового характера, поэтому остановимся на традиционных подходах.

Рис. 7. Варианты размещения элементов LED-подсветки
Сегодня производители микросхем предлагают различные LED-драйверы в количестве, достаточном для выпуска справочника по ним на многие сотни страниц. В матрице, которая попала к автору на ремонт, для управления задней подсветкой используется контролер ADD5201, выпускаемый компанией Analog Devices. Сама же панель типа LP173WD1(TL) (N2) производится компанией LG. ИМС LED-драйвера находится недалеко от микросхемы TCON и рядом с разъемом, к которому подключается модуль задней подсветки (рис. 8).

Рис. 8. Фрагмент платы TCON c ИМС LED-драйвера ADD5201
На ЖК панель поступают цифровые данные о цвете в формате LVDS через внешний 40-контактный однорядный разъем CN1. Кроме сигналов LVDS через контакты 31-40 разъема CN1 на матрицу подаются сигналы управления LED-подсветкой.
Разъем для подключения светодиодных линеек CN2 является 9-контактным, однако два из них не задействованы. В данной модели матрицы все светодиоды объединены в пять цепочек (рис. 9).

Рис. 9. Фрагмент структурной схемы платы матрицы LP173WD1(TL) (N2) с узлом LED-подсветки

Рис. 10. Принципиальная электрическая схема LED-драйвера ЖК панели LP173WD1
Принципиальная электрическая схема LED-драйвера ЖК панели LP173WD1 на основе ИМС ADD5201 приведена на рис. 10. Количество внешних элементов ИМС минимально. Пояснения к принципиальной схеме представлено в виде описания назначения выводов ADD5201, приведенного в таблице. ИМС ADD5201 предназначена для управления восемью LED-линейками, в то время как в рассматриваемой схеме она управляет пятью LED-линейками. Остальные выводы, соответствующие управлению светодиодами (выв. 13-15) подключены к "земле", и неясно, то ли эти контакты не используются, то ли они могут быть задействованы для управления светодиодами, но выключены только в данной схеме.
Таблица. Назначение выводов ИМС ADD5201
№ | Обозначение | Описание |
| 1 | PWMI | Вход ШИМ импульсов цифрового димминга. Скважность этих импульсов управляет током LED, а значит яркостью их свечения |
2 | SEL1 | Входные сигналы выбора метода димминга (постоянным током, непосредственный ШИМ, ШИМ с фиксированной задержкой, ШИМ без задержки и т.п.). Для выбора того или иного метода димминга необходимо на эти контакт подать низкий или высокий уровень или оставить контакты открытыми. В представленной схеме оба контакта "открыты", но какому режиму управления это соответствует - неизвестно |
3 | SEL2 | |
4 | VDDIO | Выход внутреннего линейного регулятора напряжения 3,3 В. Этим напряжением питаются все внутренние узлы микросхемы ADD5201 |
5 | SDA | Линия данных внешнего последовательного интерфейса SMBUS. С помощью этого интерфейса могут программироваться внутренние регистры ADD5201. В частности, программированием регистров также можно регулировать и ток светодиодов. Однако в приведенной схеме шина SMBUS не используется, а поэтому данный контакт подключен к "земле" |
6 | SCL | Линия синхронизации последовательного интерфейса SMBUS. Так как в данной схеме интерфейс не используется, контакт "посажен на землю" |
7-10 | FB1-FB4 | Выходы 1-4 для подключения LED-линеек. Токи на выводах являются втекающими, и величина тока регулируется |
11 | AGND | Аналоговая "земля" |
12-15 | FB5- FB8 | Выходы 5-8 для подключения LED-линеек. Выходы 6-8 не используются, подключены к "земле" |
16 | NC | Не используется |
17 | ISET | Вывод для подключения резистора (вторым выводом к "земле"), задающего максимальный ток всех LED-линеек. С помощью этого резистора можно регулировать ток в диапазоне от 0 до 30 мА. Чем больше номинал резистора, тем меньше ток светодиодов |
18 | R_FPWM | Вывод для подключения частотозадающего резистора внутреннего ШИМ генератора (предназначен для управления яркостью светодиодов, диапазон рабочих частот 200 Гц...10 кГц). Сопротивление резистора должно находиться в диапазоне 13...110 кОм |
19 | C_FPWM | Вывод для подключения частотозадающего конденсатора внутреннего ШИМ генератора. Емкость конденсатора должна находиться в диапазоне 20...390 пФ |
20, 21 | PGND | "Силовая" земля |
22 | OVP | Вход защиты от превышения порогового уровня напряжения на выходе повышающего BOOST-регулятора. Если порог превышен, ИМС выключается. Последующее включение происходит только тогда, когда напряжение OVP становится ниже нижнего порога (гистерезис составляет 7,5%). Величина верхнего порогового уровня на выходе BOOST- регулятора для приведенной схемы рассчитывается по следующей формуле: VBoostoyp= (1.2/R607) х (R606+R607). В результате расчетов получаем 34,53 В |
23, 24 | SW | Сток внутреннего MOSFET-транзистора, который является силовым ключом BOOST-регулятора |
25 | SHDN | Входной сигнал включения/выключения ИМС (включает или выключает заднюю подсветку) |
26 | VIN | Входное питающее напряжение. Должно находиться в диапазоне 6...21 В. Имеется защита от низкого входного напряжения |
27 | FSLCT | Вывод для подключения частотозадающего резистора BOOST-регулятора (работает на высокой частоте 350 кГц...1 МГц). Чем меньше сопротивление резистора, тем выше частота BOOST-преобразователя. Рекомендуется делать частоту как можно выше, т.к. это улучшает энергетические характеристики преобразователя и уменьшает габариты дросселя |
28 | COMP | Вывод для подключения компенсационной RC-цепи BOOST-преобразователя. Для обеспечения стабильности работы BOOST-регулятора на высокой частоте. RC-цепь рассчитывается с учетом рабочей частоты BOOST-регулятора |
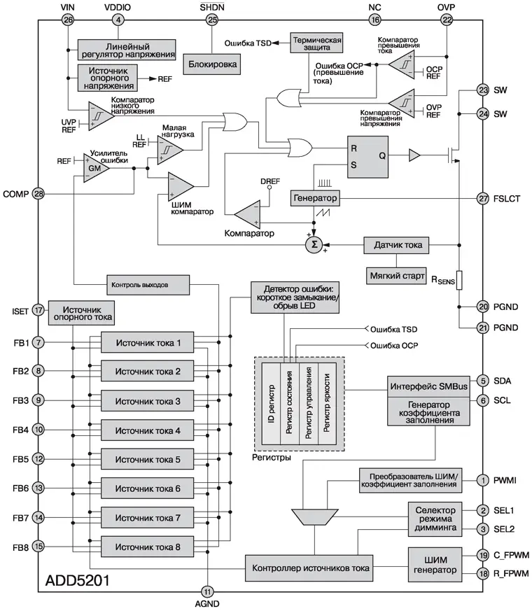
Лучшее понимание того, как функционирует ADD5201, дает ее блок-схема, она приведена на рис. 11.

Рис. 11. Блок-схема ИМС ADD5201
Типовые неисправности LED-подсветки на основе ИМС ADD5201
Хочется отметить, что микросхема ADD5201 достаточно часто применяется для построения драйверов, управляющих LED-подсветкой ЖК панелей. Ее можно встретить на панелях самых разных производителей и самых разных размеров. Также следует упомянуть, что из-за большой популярности этой микросхемы и ее широкого применения, количество упоминаний ADD5201 при описании неисправностей LED-подсветки достаточно велико.
При неработающей LED-подсветке, в первую очередь, необходимо обратить внимание на токовый предохранитель, установленный в цепи питания LED-драйвера (F2 на рис. 10). Сгоревший предохранитель - далеко не редкость в подобных схемах.
Если предохранитель в обрыве, то в обязательном порядке следует убедиться в исправности силового транзистора BOOST-регулятора, интегрированного в ADD5201. Типовой проблемой этого транзистора является его пробой. Убедиться в отсутствии пробоя транзистора можно измерением сопротивления между выводами 23, 24 микросхемы ADD5201 и "землей". Наличие низкого сопротивления (единицы Ом) указывает на неисправность транзистора и на необходимость замены микросхемы.
Если предохранитель цел, но LED-подсветка при этом не работает, а на светодиоды подается напряже-ние около 12 В (равно входному напряжению VLED), то можно говорить о неисправности микросхемы ADD5201.
Интернет-ресурсы
1.http://www.analog.com/static/imported-files/datasheets/ADD5201.pdf
Автор: Алексей Конягин (г. Пенза)
Источник: Ремонт и сервис
