Традиционно под видеокамерами подразумевают приборы для записи изображения и звука на различные носители, а под цифровыми фотоаппаратами - приборы для регистрации неподвижных изображений. Однако многие современные модели видеокамер могут выполнять функции фотоаппаратов и, наоборот, цифровые фотоаппараты могут записывать движущееся изображение со звуком. К характерным признакам современных видеокамер можно отнести:
- наличие объективов с большим увеличением (10х и более), в отдельных моделях применяются объективы с оптическим увеличением более 30х, например, в модели Sony-DCR-SR67Е (см. рис. 1) установлен объектив Carl Zeis Vario Tessar с оптическим увеличением 60х;
- значительное время записи движущихся изображений с высоким разрешением на сменные или встроенные носители (кассеты, оптические и жесткие диски, блоки и карты памяти);
- высокое качество записи звука (в том числе многоканального) со встроенных или внешних микрофонов.

Рис. 1. Sony-DCR-SR67Е
В качестве датчиков изображения в видеокамерах (Movie camera, camcorder) до последнего времени применялись преимущественно приборы с зарядовой связью (ПЗС-сенсоры), в последнее время находят применение и КМОП-сенсоры. В цифровых фотоаппаратах (DSC) используются и те, и другие типы сенсоров. В результате анализа применяемости ПЗС-сенсоров в нескольких десятках моделей видеокамер основных производителей выяснилось, что наибольшее распространение получили сенсоры SONY (отделение Semiconductor & Component).
Во многих моделях применены приборы PANASONIC. Ряд микросхем классифицировать не удалось, так как в сервисной документации на них типы микросхем не указаны - только Part No узлов ПЗС. В табл. 1 на основе результатов проведенного анализа приведены данные о применяемости ПЗС-сенсоров SONY (ICXxx) и PANASONIC (MNxx) в видеокамерах PAL основных производителей. В таблице также приведено общее число элементов матриц и число эффективных элементов, используемых в режиме видеосъемки (Movie).
Таблица 1. Применяемость ПЗС матриц SONY и PANASONIC в видеокамерах
Тип | Размер, дюйм | Разрешение, пикс. (общ./эфф.) | Модели, в которых применяется |
ICX071AK-9 | 1/4 | - | "Samsung-VP-A55/A57" |
ICXQ79AK-6 | 1/4 | - | "Samsung VP-A17/A18/A50/A52" |
ICXQ81AK-12 | 1/3 | 810K/740K | "Sony DCR-PC10E" (miniDV), технология HAD |
ICXQ87AK-9 | 1/4 | 32QK/29QK | "Samsung VP-A12/A14/A15" (V8), "Hitachi VM-E23QE/E338E/E438E" (V8), технология HAD |
ICX089AK | 1/4 | 460K/420К | "Canon DM-MV400/410/430/450E/Ei", "Samsung-VP-D7Q/D7Qi" (miniDV), технология Super HAD CCD |
ICX2Q7AK-43 | 1/4 | 320K/290К | "Sony CCD-TRV3E/13E/15E/23E" (V8), "Sony CCD-TRV16E/26E/27E" (V8), "Sony CCD-TRV36E" (Hi8), "Sony CCD-TR315E/415E/425E" (V8), "Sony CCD-TR515E/516E" (Hi8), "Sony CCD- TR311E/411E/511E/512E" (V8), технология Super HAD CCD |
ICX2Q7AK-L | 1/4 | 320К/290К | "Samsung VP-L3QQ/L32Q/L35Q" (V8), "Samsung VP-A3Q/A31/A33/A34" |
ICX2Q9GK-43 | 1/4 | 470K/440К | "Sony-CCD-TRV3QQE/TR32QQE" (Hi8), технология Super HAD CCD |
ICX211AK-43 | 1/4 | 57QK/36QK | "Sony CCD-TRV35E", "Sony CCD-TRV45E/55E/65E/69E" (Hi8), "Sony CCD-TRV89E/95E/99E" (Hi8), "Sony CCD-TRV66E/77E" (Hi8), "Sony CCD-TR640E/730E" (V8), "Sony CCD-TR84QE/845E" (Hi8) |
ICX217AL-13 | 1/4 | 45QK/44QK | "Sony DCR-TRV738E/74QE", "Sony DCR-TRV89QE/9QQE" (ч/б три матрицы, miniDV) |
ICX221AK-13 | 1/4 | 8QQK/4QQK | "Sony DCR-PC1E" (miniDV), "Samsung-VP-D5Q" (miniDV), "Sony DCR-410E/510E" (D8), "Sony DCR- TRV11QE/21QE/31QE/7QQQE/71QQE" (D8), "Sony DCR-TRV9E" (miniDV) |
ICX221BKC-13 | 1/4 | 8QQK/4QQK | "Sony DCR-TRV6E/11E/12E/14E/19E" (miniDV), "Sony DCR-PC2E/3E/6E/PC9E" (miniDV) |
ICX223CKA | 1/6 | 54QK/36QК | "Sony-DCR-TRV460E/461E" (D8), "Sony TRV147E/25QE" |
ICX237AKF-13 | 1/4 | 1Q7QK/69QK | "Sony DCR-TRV2QE" (miniDV) |
ICX243AK-43 | 1/4 | 380K (общ) | "Sony CCD-TR713E/TRV46E" (Hi8) |
ICX247AL-13 | 1/3 | 45QK/4QQK | "Sony DCR-VX2000E/VX2100E" (mini DV, ч/б 3 матрицы) |
ICX281 | 1/6 | 8QQК/4QQK | "Samsung VP-D80/D101/D351/D353/D354/D355" (miniDV) |
ICX281AKA-13 | 1/6 | 8QQK/4QQK | "Sony DCR-TRV230E/235E/325E/330E/340E/530E" (D8) |
ICX281JKA-V | 1/6 | 8QQK (общ) | "JVC GR-D23/33/53/73EK/EX/EY/EZ" (miniDV) |
ICX281HKM-V | 1/6 | 8QQK/4QQK | "JVC DX27/28/37/48/57EK/EX/EY/EZ" (miniDV), в моделях "JVC-GR-D270/280/290EK/EX/EY" (miniDV) используется матрица ICX281HKM-K |
ICX293AKA | 1/6 | 45QK/38QK | "Panasonic-NV-VZ14/75EM/EN", "Panasonic RZ-15EG/EN/B", "Panasonic VZ-57EN" (VHS-C) |
ICX297AK | 1/4 | 32QK (общ) | "Samsung-VP-L9QQ/9Q6/9Q7" (V8) |
ICX427AK-13 | 1/4,7 | 1070K/690K | "Sony DCR-TRV33E" (miniDV), "Sony DVD-2QQE" (DVD), "Sony DCR-738E/740E" (D8) |
ICX433AKA-13 | 1/4 | 38QK/23QK | "Sony CCD-TRV128E/228E/428E/438E" (Hi8) |
ICX441AKA-13 | 1/6 | 800К/400К | "Sony DCR-TRV345E/355E/356E/385E" (D8) |
ICX441NKF-13 | 1/6 | 8QQK/4QQК | "Sony DCR-DVD92E//602E/653E" (DVD), "Sony DCR-HC3QE" (miniDV) |
ICX441UKM-K | 1/6 | 8QQK (эфф) | "JVC GZ-MG2Q/3Q/33EK/EX/EY/EZ" (HDD), "JVC GR-DF42Q/43Q/46Q/47QEK/EX/EY/EZ" (miniDV) |
ICX441UKM-V | 1/5 | 1,33M/Q,8M | "JVC GZ-MG57US" (HDD), "JVC GR-DF420/425/430/470/EK/EY/EX/EZ" (miniDV) |
ICX457AKF-13 | 1/5 | 1Q7QK/69QK | "Sony DCR-HC4QE" (miniDV) |
ICX497AQF-13 | 1/3 | 3,31М/2,Q48M | "Sony DCR-PC350E" (miniDV, Advanced HAD CCD) |
ICX657AKF-H | 1/6 | 1070K/690K | "Sony DCR-SR77E/87E" (Advanced HAD CCD) |
MN37112E | 1/4 | - | "Hitachi VM-7380E/8300ES" (VHS) |
MN37210FE | 1/4 | - | "Hitachi VM-298QE/39QQE" (VHS) |
MN37242FT-SY | 1/4 | 57QK (общ.) | "Sony CCD-TR913E/95QE" (Hi8), "Samsung VP-A800/A850" (Hi8) |
MN39236 | 1/6 | 54QK/34QK | "Panasonic NV-MD1QQQQGC/GK", "Panasonic NV-GS120SER" (miniDV, ч/б, три матрицы) |
MN39265FD | 1/6 | 8QQK/4QQK | "Panasonic NV-GS6E/17E/18E/35E" (miniDV) |
MN39265FD-V | 1/6 | 8QQK/4QQK | "Panasonic NV-GS10EG/30EG/40EG/50EG" (miniDV) |
MN39265F | 1/6 | 8QQK/4QQK | "SHARP VL-Z4QQ/5QQE/H/S" (miniDV) |
MN39292FJ | 1/3,6 | 2,12M/1,23M | "JVC GZ-MC200EK/EX/EY/EZ" (DVD) |
MN39292FHJ | 1/4 | 1.33М (общ.) | "JVC GR-D22Q/23Q/231EK/EX/EY/EZ" (miniDV) |
Как SONY так и PANASONIC выпускают ПЗС сенсоры, техническая документация (Data sheets) на которые имеется на сайтах фирм и в других открытых источниках, условно назовем такие приборы микросхемами "широкого" применения. Другая и весьма обширная категория микросхем предназначена для собственной аппаратуры и аппаратуры сторонних производителей видеокамер, а также для поставки в сервисные центры. Техническая документация на такие приборы "специального" назначения практически отсутствует в открытом доступе. Определить возможность применения микросхем "широкого" применения для замены вышедших из строя специализированных в некоторых случаях можно на основе анализа параметров ПЗС-сенсоров, приведенных в Data sheets и сервисной документации конкретных видеокамер. Однако такие задачи, как модернизация камерных каналов видеокамер, или использование для различных применений камерных головок устаревших моделей видеокамер, имеющих оптику высокого класса, невозможно решить без достаточно подробного изучения устройства и функционирования ПЗС сенсоров.
Существует несколько разновидностей ПЗС-сенсоров:
- линейные, с кадровым, строчно-кадровым и межстрочным переносом заряда;
- с чересстрочным и прогрессивным сканированием, с кадровым считыванием и т.д.
Приборы с кадровым переносом заряда (КП) характеризуются высокой чувствительностью и в то же время существенным недостатком, называемым "смазом" (Smear) - вертикальным следом от ярких участков изображения размером во весь кадр. "Смаз" появляется из-за сравнительно большого времени переноса заряда (доли мс), в течение которого сенсор остается освещенным, в результате яркие участки изображения успевают дать "вклад" в чужой зарядовый пакет даже за такое короткое время. "Смаз" в ПЗС-сенсорах с КП затрудняет их использование для видеосъемки со скоростями 25-30 кадров/с и более. Радикально проблема "смаза" решается в ПЗС-сенсорах с межстрочным переносом заряда (МП), упрощенно устройство такого прибора показано на рис. 2. Функции накопления заряда и его переноса в сенсорах с МП разделены, заряды из светочувствительных элементов накопления, в качестве которых обычно используются фотодиоды, передаются в закрытые от света ПЗС вертикальные регистры переноса на интервалах строчных гасящих импульсов. В результате перенос всего зарядового рельефа сенсора происходит за один такт управляющих сигналов, а уровень "смаза", вызванный переносом зарядов, снижается до минимальных величин [1].

Рис. 2. Устройство межстрочного переноса заряда
Основная масса ПЗС-сенсоров, попавших в обзор, является приборами с межстрочным переносом заряда (Interline transfer) и чересстрочным сканированием (Interlace scan). В ряде моделей высокого класса используются сенсоры с МП и прогрессивным сканированием (Progressive scan), например, ICX497AQF-13 (см. табл. 1). ПЗС сенсоры с прогрессивным сканированием широко используются и в цифровых фотоаппаратах. Рассмотрим особенности некоторых ПЗС сенсоров SONY с МП и чересстрочным сканированием из категории микросхем "широкого" применения, имеющихся в каталоге фирмы 2010 г. [2].
Микросхемы семейства ICX643BKA, ICX227AZ, ICX227AK, ICX207AK, ICX087AK (цветные) и ICX227AL, ICX207AL, ICX087AL (ч/б) являются функционально совместимыми (цветные с цветными, ч/б с ч/б), у них одинаковые конструкции, назначение выводов и ряд других параметров. По мере совершенствования технологии наиболее важные параметры микросхем улучшались:
- ICX087AK/AL (разработка 1996 г.) - технология HAD CCD;
- ICX207AK/AL (1998 г), ICX227AK/AL (2000 г.), ICX227AZ (2002 г) - технологии Super HAD CCD;
- ICX643BKA (2009 г) - Super HAD CCD II.
Рассмотрим особенности этих и других перспективных технологий.
HAD (Hole Accumulated Diode) - диодный накопитель дырок. Этот технологический прием, позволяющий увеличить число пикселей в горизонтальных строках, разработан фирмой SONY Метод заключается в использовании двухслойной подложки ПЗС-матрицы, состоящей из слоя n-типа и эпитаксиального слоя р-типа. Это позволило отказаться от горизонтальных отводящих стоков и повысить плотность размещения ячеек вдоль строки.
В 1990 году Sony разработала матрицу Hyper HAD, в которой над каждым светочувствительным элементом размещена миниатюрная прецизионная собирательная линза, что позволило сконцентрировать световой поток без лишнего рассеяния. В результате чувствительность сенсора увеличилась примерно в два раза (см. подробности в [3]). Впоследствии технология Hyper HAD начала использоваться практически всеми ведущими производителями ПЗС-матриц.
Super HAD CCDTM - зарегистрированная торговая марка SONY является усовершенствованной версией матрицы Hyper HAD. Основное отличие заключаются в существенном уменьшении зазоров между микролинзами, расположенными над светочувствительными элементами матрицы (см. рис. 3).

Рис. 3. Светочувствительные элементы матрицы
В результате увеличивается световой поток, падающий на каждый элемент и общая чувствительность матрицы. В рамках технологии Super HAD CCD производились и другие усовершенствования, например, в микросхемах ICX227AK в структуру матрицы введен дополнительный внутренний слой микролинз (Internal lens) и уменьшена толщина изолирующей подложки (см. рис. 4). В результате одновременно с увеличением чувствительности на 3 дБ, потребляемая мощность снижена на 30%, а уровень "смаза" на 10-15 дБ.

Рис. 4. Дополнительный внутренний слой микролинз (Internal lens)
Super HAD CCD IITM - зарегистрированная торговая марка SONY Данная технология направлена на получение оптимальных характеристик видеокамер наблюдения (CCTV). ПЗС сенсоры, выполненные по этой технологии, сочетают высокую чувствительность с большой перегрузочной способностью (при высокой яркости). Максимум чувствительности в голубой области спектра смещен в область более коротких длин волн (400-450 нм), а в красной области спектра увеличена чувствительность. Такая коррекция позволяет улучшить различимость наблюдаемых объектов в различных условиях. На рис. 5 показаны отличия сенсоров Super HAD и Super HAD II:
- уменьшено расстояние от светочувствительных датчиков до микролинз и оптимизирована их форма;
- увеличена апертура и площадь светочувствительной поверхности элементов матрицы;
- улучшен цветовой баланс массива светофильтров матрицы.
Эффективность (чувствительность) микросхем ICX642AKA/643AKA/ВКА в сравнении с ICX226AK/227AK улучшена на 6 дБ (см. рис. 6).

Рис. 5. Отличия сенсоров Super HAD и Super HAD II

Рис. 6. Эффективность (чувствительность) микросхем ICX642AKA/643AKA/ВКА
Микросхемы для видеокамер повышенной четкости семейств ICX649AKA/BKA (2008 г., Super HAD CCD II), ICX279AK (2000 г, EXview HAD CCD), ICX229AK/AZ (1999 г., Super HAD CCD), ICX209AK (1997 г., Super HAD CCD), ICX069AK (1994 г., HAD) - цветные и ICX279AL (2000 г.), ICX229AL (2000 г.), ICX209AL (1998 г.), ICX069AL (1996 г.) - ч/б также являются функционально совместимыми.
EXview HAD CCDTM - зарегистрированная торговая марка SONY В ПЗС-сенсорах, выполненных по этой технологии, используются дополнительные слои микролинз SIL (Single Inner Lens) или DIL (Double Inner Lens), расположенные между основными (верхними) микролинзами и светочувствительными элементами.
Сенсоры предназначены для видеокамер наблюдения, способных работать в условиях низкой освещенности. Для реализации таких требований увеличена чувствительность матриц EXview HAD CCD в видимой и ближней инфракрасной областях спектра (7601000 нм).

Рис. 7. Видеокамера CCTV VS31

Рис. 8. Спектральная характеристика ч/б матрицы EXview HAD CCD ICX248AL в сравнении с HAD-микросхемой ICX038AL
Видеокамеры с ПЗС-сенсорами EXview HAD CCD могут работать при освещенностях порядка 0,015 лк (видеокамера CCTV VS31, см. ее внешний вид на рис. 7). Спектральная характеристика ч/б матрицы EXview HAD CCD ICX248AL в сравнении с HAD-микросхемой ICX038AL приведена на рис. 8. На рис. 9 показаны изображения, снятые видеокамерой VS31 при низких освещенностях в сравнении с образцовыми снимками. На рис. 10 показаны возможные области применения видеокамер с сенсорами EXview HAD CCD. Микросхемы ICX649BKA, ICX279AK можно использовать для модернизации видеокамер высокого класса "Sony CCD-TR3200E" и "Sony TRV-300E" (объектив х21, Ø=52 мм), Принципиальная электрическая схема платы ПЗС-сенсора этих видеокамер приведена на рис. 11.

Рис. 9. Изображения, снятые видеокамерой VS31 при низких освещенностях в сравнении с образцовыми снимками

Рис. 10. Области применения видеокамер с сенсорами EXview HAD CCD
Рис. 11. Принципиальная электрическая схема платы ПЗС-сенсора видеокамер
Возможность различения цветов ПЗС-сенсорами обеспечивается за счет использования мозаичных фильтров CFA (Color Filter Array - массив цветных фильтров) и последующей математической обработки сигналов изображения в цифровых сигнальных процессорах. Над каждым светочувствительным элементом ПЗС-матрицы под микролинзой размещены мозаичные фильтры, каждый из которых может пропускать только определенные цвета. В видеокамерах применяются два типа мозаичных фильтров: комплементарные (Complementary color mosaic) и первичных цветов RGB или шаблоны Байера (Primary color mosaic).
В ПЗС-сенсорах SONY с МП обычно используются комплементарные фильтры (в окончаниях наименований микросхем как правило есть буква К - ...АК, ВКА, GK...). В сенсорах SONY с прогрессивным сканированием преимущественно применяются фильтры RGB (буква Q в окончаниях наименований микросхем - ....AQ, AQF..).
Ячейки комплементарных фильтров могут пропускать следующие цвета: Ye - желтый фильтр (пропускает красный и зеленый цвета, синий подавляет); Cy - сине-зеленый фильтр (пропускает синий и зеленый цвета, красный подавляет); G - зеленый фильтр (пропускает зеленый цвет, красный и синий подавляет); Mg - пурпурный фильтр (пропускает красный и синий цвета, а зеленый подавляет).

Рис. 12. Ячейки мозаичного фильтра
Ячейки мозаичного фильтра расположены группами по 16 элементов, как показано на рис. 12. Сдвиг зарядов в горизонтальный регистр ПЗС-сенсора (Hreg) в нечетных строках производится парами А1 и А2 (строки 1, 3, 5...311) и В - в четных (строки 2, 4...312). В результате на выходе горизонтального регистра последовательно во времени чередуются электрические отклики, вызванные световым излучением различных цветов. В строках группы А1 цвета следуют в порядке: (G+Cy), (Mg+Ye), (G+Cy) ... Полученные суммы сигналов в дальнейшем используются для формирования яркостного Y и цветоразностного R-Y путем преобразования сигналов следующим образом:
Y=[(G+Cy)+(Mg+Ye)] х 1/2= = 1/2 (2B+3G+2R);
R-Y=[(Mg+Ye)-(G+Cy)]=2R-G.
Такой же алгоритм обработки сигналов используется и для сигналов строк А2 и В. Все операции производятся в цифровом сигнальном процессоре после преобразования выходного сигнала ПЗС-сенсора в АЦП.
Перейдем к рассмотрению особенностей и характеристик конкретных микросхем.
Семейство ICX643... (через дробь - данные для семейства ICX649xx):
- размер 4,5 мм;
- число эффективных пикселов 500 х 582 (290 К)/752 х 582 (440 К);
- общее число пикселов 537 х 597 (320 К)/795 х 596 (470 К);
- размер чипа 4,34 х 3, 69 мм;
- размер пиксела 7,3 х 4,7/4,85 х 4,65 мкм;
- границы затемнения в пикселах - см. рис. 13/ рис. 14;

Рис. 13. Границы затемнения

Рис. 14. Границы затемнения
Основные параметры микросхем ICX643ВКА (через дробь - 227AK/207AK/087AK) и ICX649ВКА (279АК/229АК/209АК/069АК) приведены в табл. 2.
Таблица 2. Основные параметры микросхем ICX643ВКА/227AK/207AK/087AK и ICX649ВКА/279АК/229АК/209АК/069АК
Параметр | ICX643ВКА/227AK/207AK/087AK | 1СХ649ВКА/279АК/229АК/209АК/069АК |
Напряжение питания, В | 12 /15 (для версий 207AK/087AK) | 12 /15 /12 /15 /15 |
Размах управляющих импульсов, В | 3,3 /3,3-5 (для версий 207AK/087AK) | 3,3/3,3-5/3,3/3,3-5/ 3,3-5 |
Чувствительность (тип.), мВ | 1850/880/880/450 | 950/800/440/440/280 |

Рис. 15. Упрощенная структура микросхем
Упрощенная структура рассматриваемых микросхем одинакова и приведена на рис.15. В состав микросхем входят:
- светочувствительные элементы;
- вертикальные регистры, число которых равно числу элементов матриц по горизонтали (537 или 795);
- горизонтальный регистр с соответствующим числом входов;
- выходной усилитель;
- ключевой биполярный транзистор для подачи сигналов смещения подложки;
- полевой транзистор сброса выходного сигнала и защитный диод.
Назначение выводов микросхем ICX643ВКА и ICX649ВКА приведено в табл. 3.
Таблица 3. Назначение выводов микросхем 1СХ643ВКА и 1СХ649ВКА
Номер вывода | Обозначение | Назначение |
1-4 | V04-V01 | Входы управления вертикальными регистрами, частота следования импульсов управления равна частоте строк (15625 Гц) |
5 | NC | Не используется |
6, 9 | GND | Общий |
7 | Vout | Аналоговый выход |
8 | Vdd | Питающее напряжение |
10 | SUB | Тактовый сигнал смещения подложки (Substrate cock) |
11 | VL | Смещение транзистора защиты (Protective transistor bias) |
12 | RG | Тактовый сигнал сброса (Reset gate clock) |
13, 14 | H01, H02 | Входы управления горизонтальным регистром, частота следования импульсов зависит от числа элементов в горизонтальных строках (9,458 МГц/Т=105,73 нс для серии ICX643BKA или 14,2857 МГц/Т=70 нс - для ICX649BKA) |
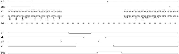
Временные диаграммы тактовых сигналов, подаваемых на входы ПЗС-сенсоров серии ICX643BKA в масштабе кадров, приведены на рис. 16, в масштабе строк - на рис. 17.

Рис. 16. Временные диаграммы тактовых сигналов, подаваемых на входы ПЗС-сенсоров серии ICX643BKA в масштабе кадров

Рис. 17. Временные диаграммы тактовых сигналов, подаваемых на входы ПЗС-сенсоров серии ICX643BKA в масштабе строк
На диаграммах обозначены следующие сигналы:
- Н1, Н2 - противофазные тактовые импульсы горизонтального переноса (Horizontal Transfer clock). Типовая длительность импульсов на интервалах изображения равна 46 нс, а для серии ICX649BKA - 28,5 нс. На рис.17 под диаграммой Н2 показаны номера ячеек в горизонтальной строке матрицы, для серии ICX649BKA число ячеек равно 752.
- RG - сигналы сброса (Reset gate clock) - типовая длительность импульсов равна 14 нс, а для серии ICX649BKA - 13 нс.
- V1-V4 - тактовые импульсы вертикального переноса (Vertical transfer clock), отличаются различным фазовым сдвигом, полярностью и длительностью, длительность импульсов находится в пределах 1829 периодов сигналов Н1, Н2.
- SUB - тактовые импульсы смещения подложки (Substrate clock), типовая длительность импульсов при разряде ячеек ПЗС-сенсора равна 1,65-1,8 мкс. При увеличении длительности импульсов время экспозиции уменьшается (на этом принципе реализован электронный затвор видеокамер с МП).
- CCD OUT - выходной аналоговый сигнал ПЗС-сенсора, не содержит импульсов синхронизации и гашения, на диаграмме отмечены номера четных и нечетных горизонтальных строк ПЗС сенсора, для серии ICX649BKA такое же число строк.
- HD, VD, BLK, FLD - строчные и кадровые синхроимпульсы, импульсы гашения, импульсы переключения полей (меандр 25 Гц) показаны для справки.
Электронный затвор - алгоритм управления ПЗС-сенсорами. Он используется для получения переменного времени экспозиции в ПЗС сенсорах для съемки быстро движущихся объектов или при большой освещенности. В ПЗС сенсорах с МП электронноый затвор реализуется путем подачи на подложку (SUB) импульсов изменяемой длительности, обеспечивающих быстрый разряд всех ячеек накопления матриц.
Порядок действий при проведении работ с ПЗС сенсорами определяется поставленными задачами, например, ремонт видеокамер, улучшение их параметров, модернизация (доработка) устаревших моделей для выполнения различных задач (системы наблюдения, идентификации объектов, прикладные научно-технические приложения, ввод изображений в компьютеры и т.п.). Подобрать аналоги для замены неисправных ПЗС сенсоров имеет смысл, если необходимая микросхема удовлетворяет следующим условиям:
- диагонали матрицы 1/3, 1/4, 1/6 дюйма;
- корпус DIP-14;
- в видеокамере не предусмотрена коммутация режимов 16:9, электронной стабилизации изображения, прогрессивного сканирования и других, требующих дополнительных ресурсов ПЗС сенсоров (большого числа пикселей).
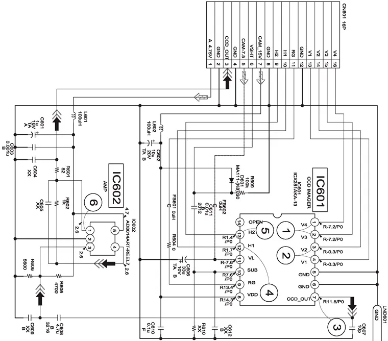
Примером такого многофункционального ПЗС сенсора является микросхема ICX081AK (используется в видеокамере "Sony DCR-PC10E"), фрагмент принципиальной электрической схемы узла ПЗС сенсора этой камеры приведен на рис.18. Число эффективных пикселов сенсора равно 962х774, в формате 4 : 3 - 702х575 пикс, в формате 16 : 9 - 936х575 (fтакт=18 МГц), 16 : 9 - 922х575 (fтакт=36 МГц).

Рис. 18. Фрагмент принципиальной электрической схемы узла ПЗС сенсора камеры

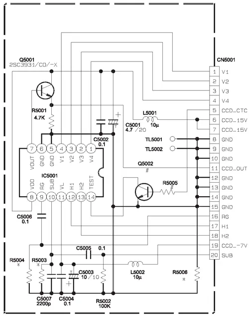
Рис. 19. Принципиальная электрическая схема узла ПЗС сенсора видеокамер "Sony DCR-TRV230/235/325/330/430/530E"
В качестве примера рассмотрим функционально совместимые микросхемы ICX281 и MN39256. На рис. 19 приведена принципиальная электрическая схема узла ПЗС сенсора видеокамер "Sony DCR-TRV230/235/325/330/430/530E". На рис. 20 показаны временные диаграммы основных сигналов на выводах микросхемы ICX281AKA-13. На рис. 21 приведена схема узла ПЗС сенсора видеокамер "JVC GR-D23/33/53/73E" на микросхеме ICX281JKA-V. на рис. 22 - аналогичного узла видеокамер "Panasonic NV-GS6/17/18/35E" на микросхеме MN39265FD. Все микросхемы выполнены в корпусах DIP-14, назначение выводов в основном совпадает, но есть различия в аббревиатурах:
- РТ - P-well for protection circuit (Panasonic) соответствует VL - Protective transistor bias - напряжение смещения защитного транзистора (-7/-7,5 В).
- SBSW - GND - общий.
Вывод 14 - вход переключения режимов видео/фото - open (холостой ход)/0 (корпус). На рис. 21 показано, что управление обеспечивает ключ на транзисторе Q5002 2SC4081 (в моделях без фоторежима не устанавливается).

Рис. 20. Временные диаграммы основных сигналов на выводах микросхемы ICX281AKA-13

Рис. 21. Схема узла ПЗС сенсора видеокамер "JVC GR-D23/33/53/73E" на микросхеме ICX281JKA-V

Рис. 22. Схема узла ПЗС сенсора видеокамер "Panasonic NV-GS6/17/18/35E" на микросхеме MN39265FD
Сигналы управления Н1, Н2, V1-V4 соответствуют показанным на рис. 17 для ПЗС-сенсоров с межстрочным переносом и чересстрочным сканированием (другие количественные характеристики сигналов). Важный параметр - частота тактовых сигналов горизонтального переноса на выводах Н1, Н2, измерить ее частотомером не представляется возможным, поскольку в сигналах имеются интервалы с пропуском (рис. 17). Однако можно измерить период следования импульсов цифровым осциллографом, на рис. 20 (диаграммы 4, 5) Тслед≈56 нс. Точно определить число ячеек в строках ПЗС сенсора затруднительно, поэтому воспользуемся пропорцией с параметрами вышерассмотренных микросхем серий ICX643 (500 пикс, Тслед=105,73 нс), ICX649 (752 пикс, Тслед=70 нс), пропорции (500х105,73)/70≈755 и (752х70)/105,73≈498 подтверждают правомерность подхода. Таким образом, искомое число ячеек сенсоров в горизонтальных строках матрицы Н=(500х107,73)/56≈960 или Н=(752х70)/56≈940, число ячеек сенсоров в вертикальных строках 800К : (960-940)≈833-851. Это ориентировочно соответствует ПЗС сенсорам структуры 960 (Н) х 840 (V), fтакт ≈18 МГц. В видеокамерах SONY (рис.19) частота кварцевого резонатора Х1501 (Part No 1-767-400-11) тактового генератора CXD2444-R равна 36 МГц (fтактх2). В видеокамерах JVC (рис. 21) частота образцового резонатора равна 54 МГц (fтактх3), а тактовая частота по цепи CLK18 составляет 18 МГц (fтакт). В видеокамерах PANASONIC (рис. 22) частота образцового резонатора (Х301) равна 36 МГц (fтактх2).

Рис. 23. Одно из исполнений микросхемы ICX282
Таким образом, рассматриваемые микросхемы функционально совместимы, при взаимной замене ICX281 и MN39265 следует соответственно изменять напряжения питания 12/15 В, -7,5/7 В. При доработке видеокамер конструктивные особенности различных исполнений микросхем принципиального значения не имеют. Конструктивные отличия аналогов могут препятствовать проведению ремонта видеокамер, на рис. 23 показано одно из исполнений микросхемы ICX282. Приведенный пример анализа не претендует на универсальность, а только дает направление поиска решений задач по подбору аналогов микросхем ПЗС сенсоров с МП.
Литература и интернет-источники
1. Лазовский Д, "Приборы с зарядовой связью: прецизионный взгляд на мир"
http://www.autex.spb.ru/download/sensors/ccd.pdf
2. http://www.sony.net/Products/SC-HP/pro/image_senser/index.html
3. Чирков Л. "Матрицы CCD - еще одна революция в телевидении" http://rus.625-net.ru/625/1995/06/the-ory_6.htm
Автор: Юрий Петропавловский (г. Таганрог)
Источник: Ремонт и сервис

