Datasheets
Datasheets search archive of electronic components
For search electronic components datasheets (documentation) use the search form or sortcuts for quick datasheet search. Our base has over 1 000 000 downloadable pdf datasheets. If you don't find necessary datasheet, please send feedback to project administrator. We hope, what our electronic components datasheets and documentation archive help you find necessary documentation.
More 1 000 000 datasheetsexample: LM317
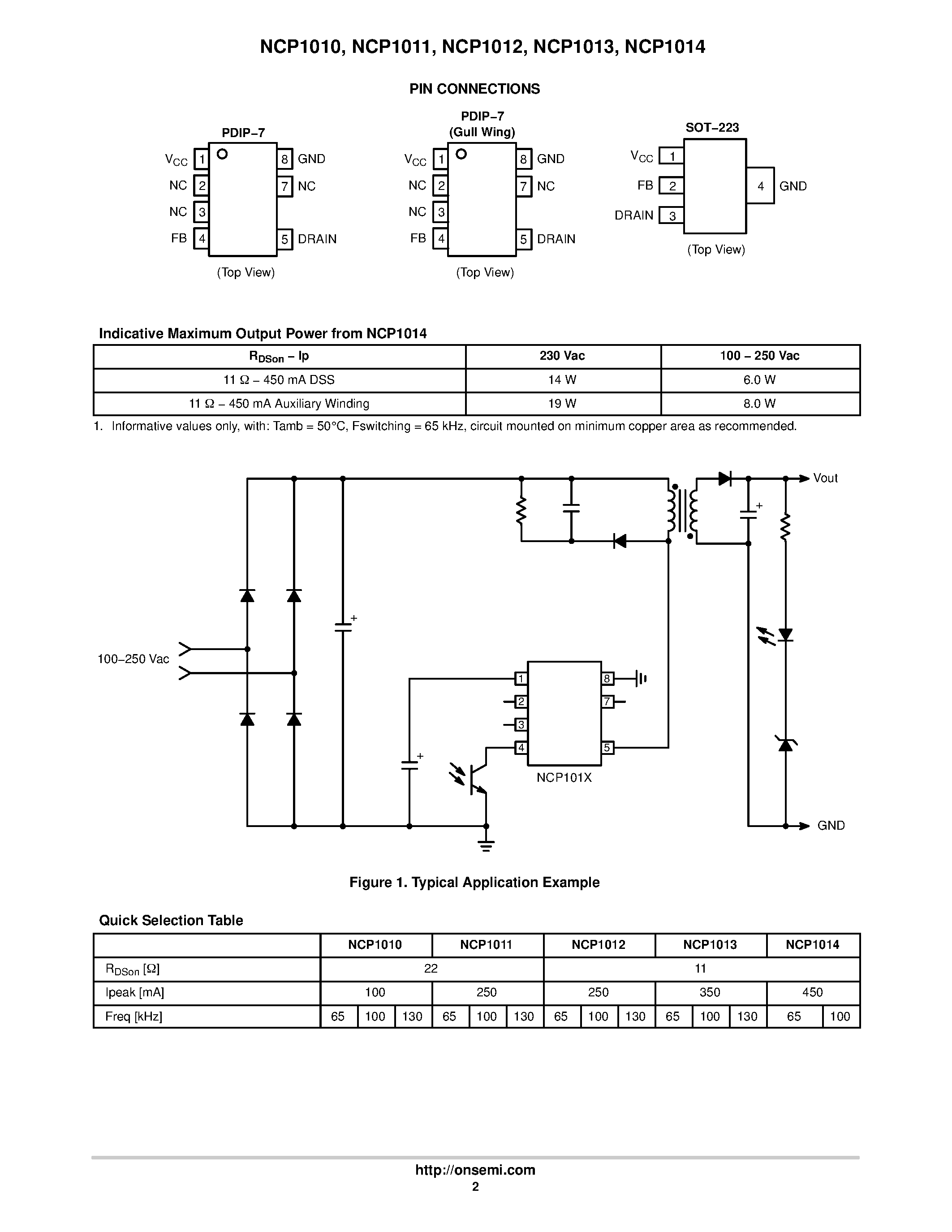
NCP1014AP065-Self-Supplied Monolithic Switcher for Low Standby- Power Offline SMPS


