RadioRadar - Datasheets, service manuals, circuits, electronics, components, CAD
Sitemap
Russian version
You read:

Datasheet search engine for Electronic Components and Semiconductors.

 
Datasheets

Datasheets search archive of electronic components

For search electronic components datasheets (documentation) use the search form or sortcuts for quick datasheet search. Our base has over 1 000 000 downloadable pdf datasheets. If you don't find necessary datasheet, please send feedback to project administrator. We hope, what our electronic components datasheets and documentation archive help you find necessary documentation.
More 1 000 000 datasheetsexample: LM317

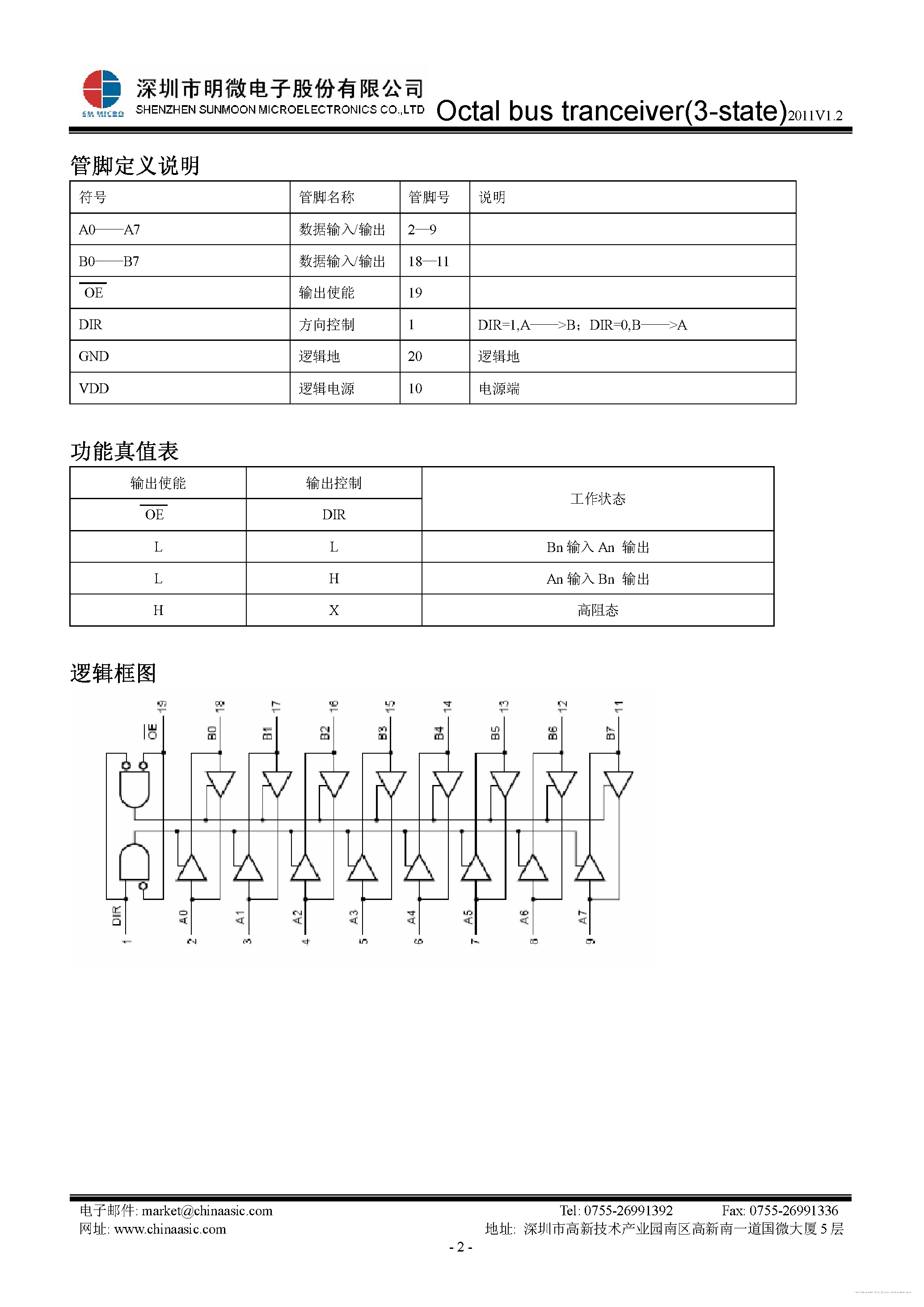
SM74HC245-

Name:SM74HC245
Producer:Sunmoon
Download datasheet:
Description:
Others with the same file: SM74HC245
Datasheet SM74HC245 - page 1
Datasheet SM74HC245 - page 2