RadioRadar - Datasheets, service manuals, circuits, electronics, components, CAD
Sitemap
Russian version
You read:

Datasheet search engine for Electronic Components and Semiconductors.

 
Datasheets

Datasheets search archive of electronic components

For search electronic components datasheets (documentation) use the search form or sortcuts for quick datasheet search. Our base has over 1 000 000 downloadable pdf datasheets. If you don't find necessary datasheet, please send feedback to project administrator. We hope, what our electronic components datasheets and documentation archive help you find necessary documentation.
More 1 000 000 datasheetsexample: LM317

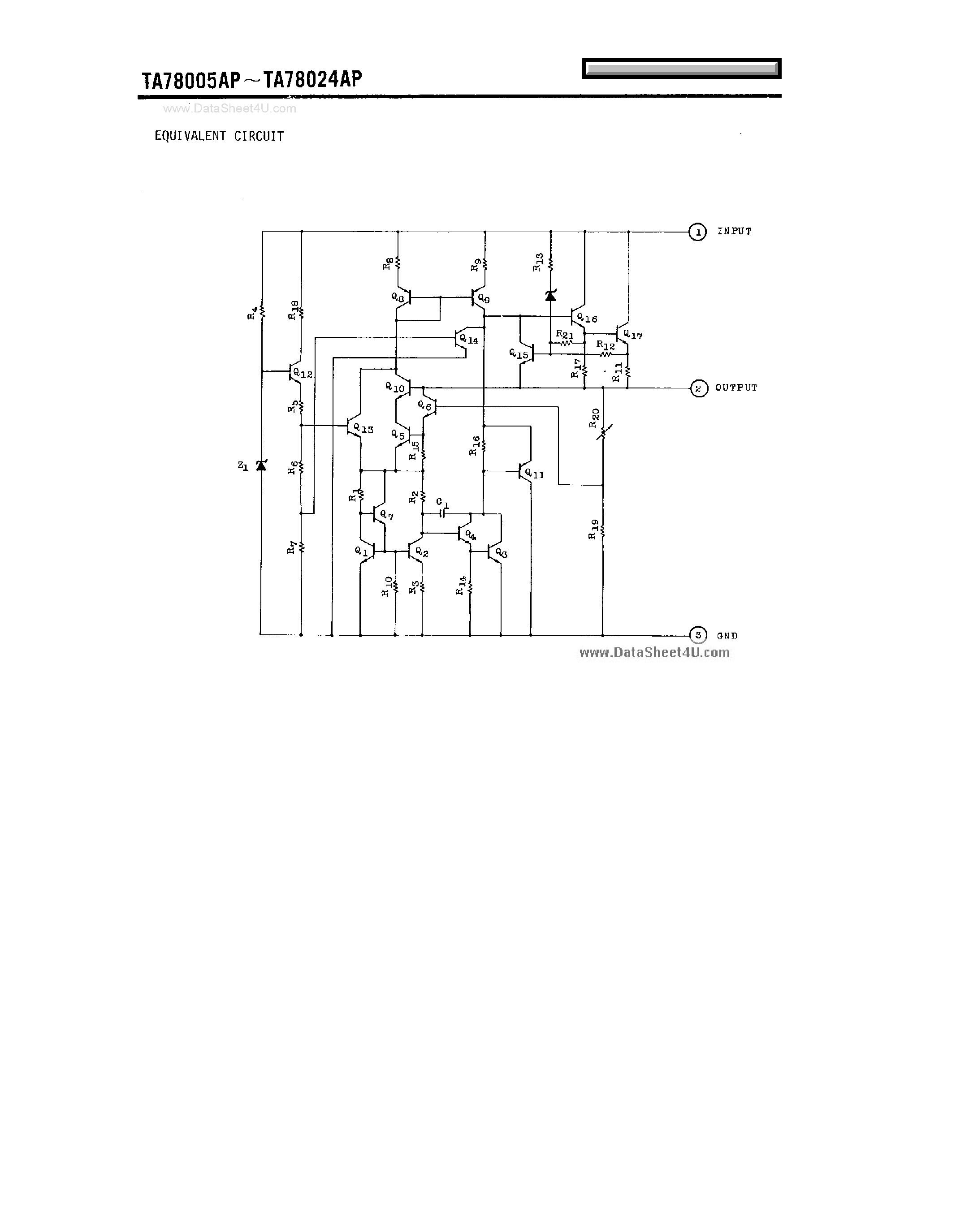
TA78005AP-(TA78005AP - TA78024AP) 3-Terminal Positive Voltage Regulators

Name:TA78005AP
Producer:Toshiba
Download datasheet:
Description:(TA78005AP - TA78024AP) 3-Terminal Positive Voltage Regulators
Others with the same file: TA78005AP | TA78006AP
TA78008AP | TA78009AP
TA78010AP | TA78012AP
TA78015AP | TA78018AP
TA78020AP | TA78024AP
Datasheet TA78005AP - (TA78005AP - TA78024AP) 3-Terminal Positive Voltage Regulators page 1
Datasheet TA78005AP - (TA78005AP - TA78024AP) 3-Terminal Positive Voltage Regulators page 2