If you feel like replacing the VHF-FM radio in your car with something more modern offering DAB+ reception too, you'll discover that combination receivers have two separate antenna inputs. That's because two individual antennas are required. But this RF combiner makes it possible to connect both inputs to one standard car antenna.
I began to pay attention to this remarkable type of filter when I considered replacing the feeble VHF radio in our car with a more modern set including DAB+ reception. Fortunately our car was old enough to be still fitted with a DIN slot (standardized on many European automobiles), making the change-out relatively problem-free; DIN-compliant radios are still available. A DAB+ car radio does of course have two antenna inputs, one for VHF (FM) and a separate one for DAB+. The one for VHF connects to a normal car antenna, whilst some DAB+ radios are provided with a glass-mounting antenna in case the car is not pre-equipped for digital radio (which was our situation). This front windshield (windscreen) antenna is not an advantage visually of course and moreover it requires making a hole in the dashboard for the antenna cable. I wanted to avoid unpleasant discussions with my wife in any case.
If you wish to use an off-the-shelf antenna, you must first establish whether it will receive signals at all in the DAB+ region; this is because some active antennas have a built-in lowpass filter. The simplest way to find out is to connect it to a spectrum analyzer (Figure 1), otherwise test it with a DAB+ receiver. As is well known, the VHF (FM) band covers from 88 to 108 MHz, whilst DAB in Band III goes from 174 up to 230 MHz. L-Band in the region of 1.5 GHz (used for DAB in some territories) is irrelevant for broadcast reception in vehicles.

Figure 1. Image of the DAB+ spectrum at 178 MHz, Channel 5c.
The available signal needs to be split for the two antenna inputs. In the simplest case you just connect two cables in parallel. This of course upsets the impedance matching, leading to signal reflection and in some cases to (partial) loss of signal. A passive splitter (consisting of three resistors) avoids this mismatch for sure but brings with it additional attenuation, which you seldom want. An RF transformer is another option for sharing the signal.
First trials
You could, however, achieve the desired separation also by combining a lowpass and a highpass filter with suitable frequency characteristics.
To test this out I began by measuring two commercial filters. Figure 2 shows the frequency responses of the filters, each measured separately with a network analyzer. The frequencies illustrated are not appropriate for separating VHF and DAB+ but both filters are commendably flat regarding the passband region.

Figure 2. Lowpass filter SLP-150+ and highpass SHP-250+ by Mini-Circuits, each swept independently with a network analyzer.
If you connect both filters in parallel using a T-adapter, there is a strong mutual influence on the frequency response (Figure 3). After this I experimented further dividing the signal with a resistive power splitter and additional 6 dB attenuators after the power splitter. Although the mutual influence is reduced, it's still not elegant. And there is additional attenuation of 3 or 6 dB. The low-pass filter also shows a falling frequency response. This is not an optimal solution then.

Figure 3. Both filters are connected in parallel here by T-adapter. This creates a strong mutual influence on the frequency response.
Diplexer software
A diplexer could offer a solution here. This employs a combination of lowpass and highpass filters (or bandpass filter/ band rejection filter). In other words a frequency divider for radio frequency use.
Both filters are matched to each other in such a way that they can (and must) be driven in parallel by the source. For calculation there is the 'Diplexer Design' software by James L. Tonne [1]. This program allows you to select between lowpass/highpass and bandpass/bandstop variants. The following description covers only the lowpass/highpass version.
On the Design page of this program (Figure 4) you can define the characteristics of the diplexer. The 'Order' is a measurement of the complexity, and hence outlay (the number of components), and the abruptness of the filtering achievable. 'Crossover freq' indicates the point of intersection of the two filters. In this VHF/DAB+ example it is roughly in the middle between the highest VHF frequency (108 MHz) and the lowest DAB+ frequency (174 MHz). The crossover frequency can be fine-tuned to the extent to make the attenuation of the unwanted band in each filter more or less equal. You can also attempt to replace 'awkward' (i.e. not made commercially) coil values calculated with readily available ones.

Figure 4. Design page of the Diplexer Design program.
The lowpass in the upper section begins always with a series inductance. When calculating an individual filter you can select whether you want to start with the series inductance (T-struc-ture) or a shunt capacitor (Pi-structure). Here this is not an option. Correspondingly the highpass always begins with a series capacitor.
'Passband ripple' indicates the amplitude of the periodic variation in the passband region, as in a Chebyshev filter. The greater the ripple, the sharper the filter and vice versa. 'System Z' indicates the impedance, in our example 50 ohms. When you press the 'Plot' button, you reach the next screen-grab (Figure 5).

Figure 5. Plot page of the Diplexer Design program.
You can change the order, ripple and crossover frequency again at this stage and observe the effects directly. You can set the presentation style using 'Plot Options' and at 'Markers' superimpose markers.
Next we use Simetrix to simulate the diplexer we designed and compare it with a Chebyshev lowpass filter.
A practical design
Following this work, I developed a PCB using EAGLE. Awkward coil and capacitor values were handled using available values wired in parallel and series. It is possible to connect capacitors in parallel and install them side by side without any problems. Connecting coils in series is another matter. The two magnetic fields can interact, creating a transformer (albeit a very bad one), and the effective inductance value is not the desired sum of the two values. Accordingly the coils were offset by 90 degrees and, as far as the SMD layout would permit, separated from one another by distance.
The maximum order is 7. By omitting the capacitors and coils (substituting wire links) you can, however, also achieve every deeper order. The coils are available in 0603 packages.
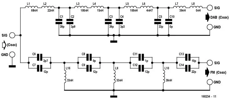
The schematic of the practical circuit is shown in Figure 6, with the associated PCB in Figure 7. This PCB fits in a small plastic box and can be screwed in place (Figure 8). The input and output cables are soldered direct to the PCB. On its upper side there is an area of groundplane between the two filters; the underside is entirely groundplane.

Figure 6. Schematic of the passive frequency splitter for FM/DAB+.

Figure 7. EAGLE layout for the circuit in Figure 6.

Figure 8. Prototype of the diplexer in its plastic housing.
The resulting measurements in Figure 9 corroborate this design within the scope of the component tolerances. At approximately 45 dB attenuation the lowpass goes into 'saturation'. Although definitely undesirable, that's not functionally significant.

Figure 9. Frequency curve of the diplexer with markers.
Active version
As the transmit power of DAB+ transmitters is rather modest in comparison with analog VHF stations, I searched for an appropriate preamplifier and struck rich with the MAX2630 from Maxim.
As shown in the datasheet [2], it comes in a 4-pin SAT143 package. The only extra circuitry, besides the bypass capacitor for the supply voltage, is one capacitor each at the input and output. Since it fits perfectly on a scrap of perfboard, no PCB had to be developed for testing. Its gain is around 15 dB and the noise figure is 4. The measured frequency response runs in an almost straight line up to 250 MHz (and evidently carries on much further).
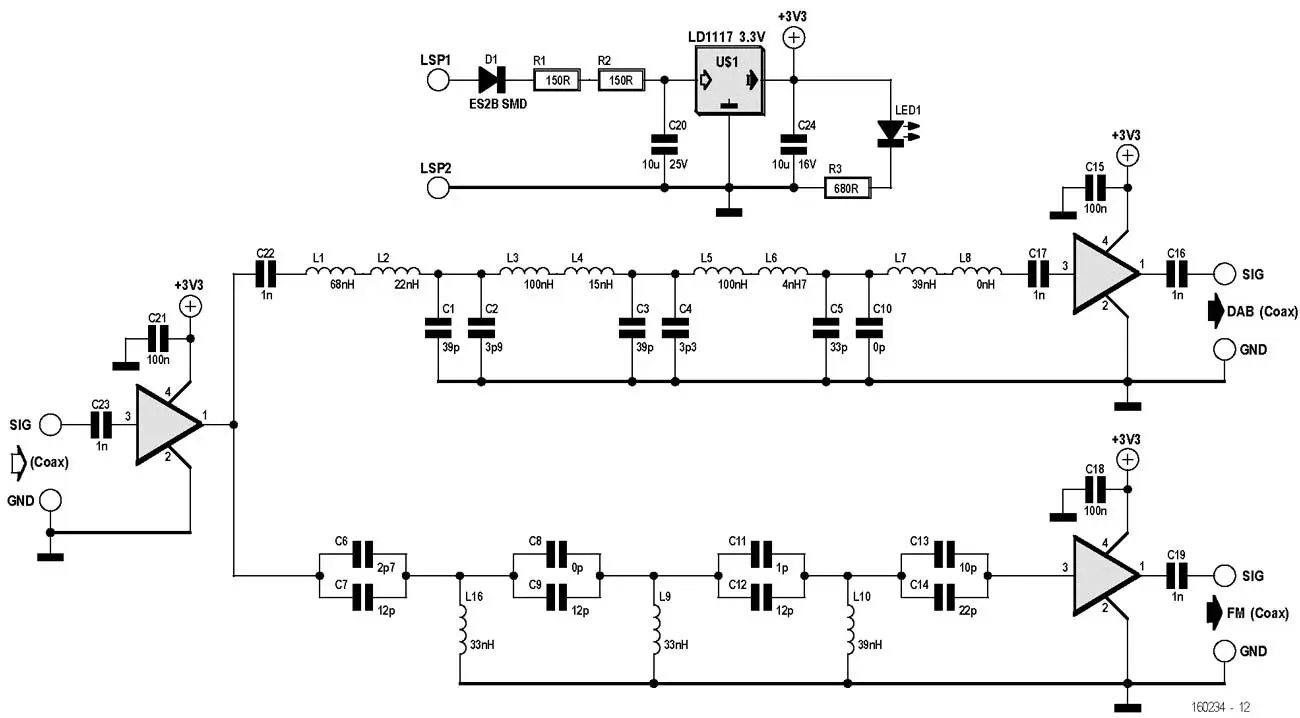
Encouraged by these results I developed an active diplexer: see Figure 10. The input and the two outputs are each fitted with a MAX2630.
Figure 10. Schematic of the active diplexer.
The amplifier on the input probably makes sense only if a passive antenna is installed in the car. With the higher level from an active antenna, this could be too much of a good thing. You can then you can bridge the input and output of the amplifier with a wire link or an SMD zero-ohm resistor. The same applies on the FM output if the receiver is being overdriven. However, the amplifier on the DAB+ output probably does make sense in most cases.

Figure 11. PCB layout for the active diplexer.
The power is supplied by a 3.3-V voltage regulator, with each amplifier drawing about 7 mA. The series diode at the input prevents damage from incorrect polarity; the two resistors should reduce the thermal power dissipated by the regulator. The 12 V can be tapped off the car radio at the output provided for powering an active antenna. The PCB of the active diplexer (Figure 11) fits in a diecast aluminum box from Hammond (type 1550WQ).
Web Links
[1] www.tonnesoftware.com/diplexer.html
[2] https://datasheets.maximintegrated.com/en/ds/MAX2630-MAX2633.pdf
Author: Alfred Rosenkranzer (Germany)

