Многие современные автомобили оснащены электронной системой зажигания с компьютерным блоком управления подачей и впрыском топлива. Один из важных для правильной работы блока управления параметров - октановое число бензина. При его несоответствии стандартному двигатель не сможет работать в оптимальном режиме, нарушится процесс управления впрыском топлива вплоть до аварийной потери мощности. Поэтому наличие простого и доступного для всех автолюбителей устройства контроля октанового числа бензина, заливаемого в топливный бак, сегодня весьма актуально.
Известно множество различных способов измерения октанового числа бензина [1], на основе которых освоен выпуск октаномеров. Например, широко применяемый в России прибор ZX101C фирмы Zeltex использует метод измерения октанового числа, основанный на поглощении бензином инфракрасного излучения в диапазоне 800...1100 нм. Запатентованная оптическая схема прибора содержит 14 светофильтров, в результате чего образуются 14 отсчётов спектра поглощения в указанном диапазоне. Далее на основе калибровочной модели вычисляется октановое число.
Выпускается также лабораторный анализатор ХХ-440, предназначенный для экспресс-анализа октанового числа бензина. Он прост в использовании и имеет высокую надёжность благодаря сложнейшим современным технологиям и запатентованным техническим решениям, применённым при его создании. После каждого включения прибор самотестируется для достижения максимальной точности. Результаты измерения отображаются на дисплее и могут быть распечатаны на встроенном принтере с указанием номера пробы, даты и времени проведения испытаний. Но стоимость такого прибора измеряется десятками тысяч долларов США. Создать аналогичные октаномеры в домашних условиях весьма затруднительно даже очень опытному радиолюбителю.
Для создания малогабаритного и дешёвого прибора оперативного контроля качества топлива можно воспользоваться ультразвуковым методом определения октанового числа бензина [2], в основе которого лежит измерение скорости распространения ультразвука в бензине. На основе этого метода отечественной промышленностью уже выпускаются октаномеры АС-98, SHATOX SX-150, ОКТАН-ИМ и др.
Рассматриваемый ниже октаномер не претендует на высокую точность определения октанового числа бензина по сравнению с заявленной точностью промышленных приборов, но тем не менее позволяет отличить хороший бензин от плохого. Это немаловажно для автолюбителя, так как качество бензина на многих АЗС, к сожалению, не соответствует нормам. К тому же такой октаномер прост в изготовлении, требует минимального налаживания, в нём использована дешёвая элементная база.

Рис. 1. Блок-схема ультразвукового октаномера
Блок-схема ультразвукового октаномера показана на рис. 1. На выходе генератора одиночного импульса формируется импульс (1), который передатчик переносит на резонансную частоту излучателя ультразвука (2). У наиболее распространённых ныне выпускаемых ультразвуковых излучателей эта частота равна 40, 200 или 400 кГц [3]. Импульс излучается в бензобак автомобиля. На противоположной стороне бензобака ультразвуковой приёмник принимает этот импульс (3), а селективный детектор превращает его в импульс постоянного тока (4), задержанный относительно импульса (1) на время распространения ультразвука в бензине. Это время равно
Δt = L / V,
где L - расстояние между излучателем и приёмником ультразвука; V - скорость распространения ультразвука в анализируемом бензине. По фронтам излучённого и принятого импульсов формируется импульс (5), длительность которого равна Δt. Измерив её и зная расстояние между излучателем и приёмником, можно вычислить скорость V и по ней оценить октановое число бензина. Для измерения длительности импульс заполняют следующими с известным периодом счётными импульсами и подсчитывают их число. Затем это число сравнивают с эталонными константами для разных марок бензина, и по результатам сравнения, выводимым на светодиодный индикатор, делают вывод о марке и качестве бензина.
Значения скорости распространения ультразвука при различной температуре в бензинах, используемых в настоящее время в автомобильных двигателях и в воздухе, приведены в табл. 1.
Таблица 1
Температура, °С | Среда | ||||
АИ-80 | АИ-92 | АИ-95 | АИ-98 | Воздух | |
-20 | 1329 | 1376 | 1374 | 1380 | 319 |
-10 | 1283 | 1320 | 1327 | 1335 | 325 |
0 | 1238 | 1273 | 1281 | 1291 | 331 |
10 | 1 189 | 1226 | 1235 | 1242 | 337 |
20 | 1 141 | 1179 | 1188 | 1196 | 343 |
30 | 1095 | 1132 | 1142 | 1151 | 349 |
Так как скорость распространения ультразвука в бензине существенно зависит от температуры, измерительную установку оснащают термостатом, встроив в бак с бензином датчик температуры и нагреватель. Это существенно повышает точность измерения, особенно в зимнее время.
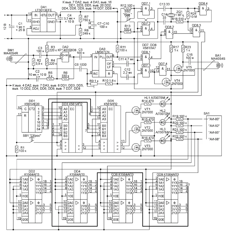
Принципиальная схема октаномера, работающего по описанному принципу, представлена на рис. 2. Передатчик и селективный детектор ультразвукового сигнала построены на базе микросхемы тонального декодера LM567 (DA2). Эта микросхема представляет собой синхронный детектор, опорный генератор которого охвачен петлёй ФАПЧ. Генератор можно настроить на любую частоту F от 100 Гц до 500 кГц, выбрав соответствующие параметры элементов C6, R9 и R10:
F = 1/(1,1·C6·(R9+R10)).
Поскольку в приборе используются ультразвуковые преобразователи MA40S4R (ВМ1) и MA40S4S (ВА1) с резонансной частотой 40 кГц [3], то и частота генератора должна быть такой же. За счёт использования одного и того же генератора для формирования излучаемого импульса и детектирования принятого обеспечивается устойчивая настройка приёмника на сигнал передатчика.

Рис. 2. Принципиальная схема октаномера
Кварцевый генератор на логическом элементе DD8.4 формирует счётные импульсы частотой 1 МГц, заполняющие с помощью элемента DD8.3 импульс разности излучённого и принятого сигналов, образующийся на выходе элемента dD8. 1. Таким образом, число импульсов, прошедших через элемент DD8.3, равно длительности прохождения ультразвуком мерного отрезка в бензине, выраженной в микросекундах. Для бензина разных марок при температуре 20 оС и длине мерного отрезка 1 м это число (N) указано в табл. 2.
Таблица 2
Бензин | N | N mod 128 |
АИ-80 | 876 | 108 |
АИ-Э2 | 848 | 80 |
АИ-95 | 842 | 74 |
АИ-98 | 836 | 68 |
Импульсы подсчитывает счётчик DD1. Поскольку используются только семь его разрядов, в которых может содержаться число не более 127, в процессе счёта они многократно переполняются и по его завершении в них находится остаток от деления числа подсчитанных импульсов на 128 (N mod 128) . Эти остатки также указаны в табл. 2. Поскольку разница между максимально и минимально возможными значениями остатков числа импульсов не превышает 127, неоднозначности отсчёта при анализе состояния только семи разрядов счётчика не возникает.
Число с выходов счётчика поступает на один из входов цифрового компаратора на микросхемах DD3 и DD5. На второй вход компаратора с помощью переключателя SA1 поочерёдно подают числа, соответствующие эталонной длительности задержки для четырёх марок бензина. Эти числа устанавливаются на входах буферных элементов DD2, DD4, DD6 и DD9 в инверсном двоичном коде, поскольку эти элементы - инвертирующие. Поскольку выходы этих элементов имеют три состояния, их можно объединить в общую шину, что и сделано в октанометре.
При другой длине мерного отрезка (длине бензобака) образцовые числа N изменяются пропорционально, затем берутся остатки от их деления на 128.
Приступая к измерению октанового числа бензина, следует установить переключатель SA1 в положение "АИ-80". Затем обнулить счётчик нажатием на кнопку SB1 и, нажав на кнопку SB2, произвести измерение. Если октановое число бензина меньше эталонного для бензина этой марки, то включится красный светодиод HL3. Если оно равно эталонному, включится жёлтый светодиод HL2. Если больше, то будет включён зелёный светодиод HL1. В последнем случае следует последовательно переводить переключатель SA1 в положения, соответствующие большим октановым числам, продолжая наблюдать за светодиодами.
Налаживание прибора сводится к установке частоты 40 кГц на выводе 5 микросхемы DA3 с помощью подстро-ечного резистора R9. Если использовать более высокочастотные ультразвуковые преобразователи на 100 или 200 кГц, то частоту генератора необходимо соответственно увеличить. Однако следует иметь в виду, что с повышением частоты ультразвука его затухание в бензине растёт. Поэтому размеры бака, в котором производятся измерения, придётся уменьшить, а это увеличит погрешность прибора.
Цифровые микросхемы, используемые в октаномере, можно заменить их импортными аналогами серий 4000 и 74НС. Вместо стабилизатора напряжения LT3013EFE подойдёт любой линейный стабилизатор с регулируемым или фиксированным выходным напряжением 5 В и максимальным током нагрузки не менее 100 мА. Поскольку на стабилизаторе рассеивается мощность около 0,7 Вт, его нужно снабдить теплоотводом.
Схема термостата показана на рис. 3. Он построен на специализированной микросхеме термостата LM56BIM (DA1), которая имеет встроенный датчик температуры и источник образцового напряжения 1,25 В (вывод 1). Температуру включения и выключения нагревателя задают значениями напряжения соответственно на входах UTL (вывод 3) и UTH (вывод 2), которые должны быть равны [4]:
UTL = 0,0062·TL + 0,395
UTH = 0,0062·TH + 0,395,
где TL и ТH - заданные значения температуры соответственно включения и выключения нагревателя, °C.

Рис. 3. Схема термостата
Эти напряжения получают из образцового напряжения Uref (вывод 1) с помощью резистивного делителя напряжения R1-R3. Задавшись значением RΣ=R1+R2+R3, сопротивления этих резисторов можно рассчитать по формулам:
R2 = UTL· RΣ / 1,25
R1 = (UTH· RΣ / 1,25) - R2
R3 = RΣ - R1 - R2
Указанные на схеме номиналы резисторов R1-R3 обеспечивают температуру включения нагревателя около 18 оС, а температуру его выключения около 26 оС. Если температура бензина меньше 18 оС, то светится светодиод HL2 и включается нагревательный элемент EK1. Если температура выше 26 оС, то нагреватель выключается, но включается светодиод HL1. Следовательно, когда включён любой из светодиодов, производить измерение октанового числа бензина не стоит.
Для правильного измерения температуры бензина корпус микросхемы LM56BIM должен иметь хороший тепловой контакт с бензобаком. Для подогрева бензобака использованы самоклеющиеся нагревательные фолии [5].
Литература
1. Способы измерения октанового числа в топливе. - URL: http://www.oktis.ru/press/ sposoby-izmereniya-oktanovogo-chisla-v-toplive/ (02.11.14).
2. Пащенко В. М., Чуклов В. С., Ван-цов В. И., Колосов А. А. Способ определения октанового числа автомобильных бензинов. Патент RU 2189039 C2. - URL: http:// bd.patent.su/2189000-2189999/pat/ servl/servletf315.html (23.10.14).
3. Ultrasonic Sensor. Application Маnual. - URL: http://www.symmetron.ru/suppliers/ murata/files/pdf/murata/ultrasonic-sen-sors.pdf (23.10.14)
4. LM56 Dual Output Low Power Thermostat. - URL: http://www.ti.com/lit/ds/symlink/ lm56.pdf (23.10.14).
5. Самоклеящиеся нагревательные фолии 12 VDC. - URL: http://dip8.ru/files/pdf/ fg12v.pdf (23.10.14).
Автор: А. Корнев, г. Одесса, Украина