Описываемый здесь предоконечный усилитель предназначен для работы в мощных ламповых УМЗЧ с триодными выходными каскадами, построенными по двухтактной схеме и работающими в классах АВ1 и В1.
При конструировании мощных ламповых усилителей звуковой частоты на триодах, работающих в классах усиления АВ1 и В1 приходится сталкиваться с непростой задачей обеспечения необходимого размаха напряжения сигнала (Uпик-пик) на управляющих сетках выходных ламп. Связано это с тем, что для мощных триодов при работе в вышеуказанных режимах требуется высокое напряжение смещения. Например, в двухтактном выходном каскаде на триодах 6С33С при анодном напряжении 250...270 В и токе покоя 110...150 мА потребуется напряжение смещения 110...140 В в зависимости от имеющегося комплекта ламп (триоды 6С33С имеют весьма значительный разброс анодных характеристик). В этом случае предоконечный усилитель должен обеспечить размах напряжения насеткахвыходныхламп соответственно 220...280 В. В двухтактном выходном каскаде на триодах ГМ-70 при анодном напряжении 1400...1600 В и токе покоя 50...75 мА потребуется напряжение смещения 180...200 В. При таком напряжении смещения предоконечный усилитель должен обеспечить размах напряжения сигнала на сетках оконечных ламп уже 360...400 В! И это с учётом сопротивления и ёмкости сеточных цепей выходных ламп, на которые нагружен предоконечный усилитель.
Одним из распространённых решений этой задачи является применение межкаскадного повышающего трансформатора, который к тому же является и фазоинвертором. Но изготовление высококачественного межкаскадного трансформатора - дело очень трудоёмкое и непростое. Поскольку этот трансформатор работает в сравнительно высокоомных цепях, его паразитные параметры сильно влияют на амплитудно-частотную характеристику. Покупка же готового высококачественного трансформатора обойдётся очень дорого. К тому же номенклатура подобных трансформаторов, выпускаемых некоторыми фирмами, весьма ограничена из-за невысокого спроса.
В качестве альтернативы предлагаю схему предоконечного усилителя (рис. 1), которая при соответствующих анодных напряжениях обеспечивает необходимую "раскачку" мощных двухтактных выходных каскадов на триодах. Предоконечный усилитель собран на двойных триодах 6Н8С и при напряжении анодного питания 500 В обеспечивает на выходе два противофазных напряжения сигнала Uпик-пик = 300 В, а в случае необходимости, при максимальном для таких ламп напряжении анодного питания 600 В, обеспечит на выходе размах напряжения сигнала до 400 В.

Рис. 1. Схема предоконечного усилителя
"Как же так? Вы что, с ума сошли?! 6Н8С и 600 В анодного напряжения!" - воскликнет пытливый читатель. Не пугайтесь. Объясняю: в большинстве изданий типа "Справочник радиолюбителя", "Справочник по радиолампам", "Электронные приборы", а также на многочисленных интернет-ресурсах для лампы 6Н8С действительно указано максимальное анодное напряжение 330 В. И только в очень редких случаях добавлено слово "постоянное". В официальных же справочниках Госстандарта указано, что 330 В - это постоянное, долговременное напряжение на аноде этой лампы. Под сигналом же оно может меняться и достигать 660 В на пиках сигнала. Таким образом, в статическом режиме правильно рассчитанного резистивного каскада напряжение на анодах ламп не превысит 330 В при напряжении источника анодного питания +600 В. Единственно, что необходимо отметить, такой каскад должен обязательно иметь задержку включения анодного напряжения после включения напряжения накала.
Входной каскад усилителя собран на двойном триоде VL1, половины которого включены каскодом. При таком включении первый каскад имеет усиление, равное 60. Резисторы R6 и R7 образуют цепь автоматического формирования напряжения смещения нижнего по схеме триода каскода. Резисторы R8 и R10 задают напряжение на сетке верхнего триода каскода, а конденсаторы С4 и С5 являются блокировочными для сигнала. Резистор R7 - подстроечный, им устанавливают режим входного каскада, нагрузкой которого служит резистор R5. Резистор R1 служит для утечки обратного тока управляющей сетки, а резистор R4 необходим для предотвращения возможного паразитного самовозбуждения. Напряжение питания входного каскадаснижается до 400 В резистором R9 за счёт тока потребления лампой VL1. Этот резистор совместно с конденсаторами С1-С3 образует сглаживающий фильтр для питания входного каскада. Резисторы R2, R3 выравнивают напряжение на конденсаторах С2, С3.
Второй каскад предоконечного усилителя, выполняющий также функцию фазоинвертора, собран на двух двойных триодах VL2 и VL3 и представляет собой дифференциальный усилитель с источником тока в катодной цепи. Коэффициент усиления драйверного каскада - 8. Для снижения внутреннего сопротивления ламп VL2 и VL3 пары триодов соединены параллельно. Сигнал через межкаскадный конденсатор С6 подаётся на сетки триодов VL2. На сетки триодов VL3 с подстроечного резистора R21 подаётся сигнал обратной связи. В качестве источника стабильного тока используется полевой транзистор VT1, а резистор R15, помимо увеличения сопротивления источника тока, служит для разгрузки транзистора по мощности. Поскольку в качестве напряжения питания источника тока обычно используют напряжение источника смещения для мощных ламп, которое достигает 100 В и более, на транзисторе рассеивается значительная мощность. Чтобы не устанавливать теплоотвод большой площади, значительную часть мощности можно рассеивать на резисторе в стоковой цепи транзистора.
Резистор R14 задаёт ток стабилитрона VD1, который обеспечивает фиксированное напряжение на затворе транзистора источника тока, а подстроечным резистором R20 регулируют этот ток, определяющий режим работы дифференциального усилителя. Диапазон регулировки тока задаёт резистор R19. Нагрузками триодов дифференциального усилителя служат резисторы R11, R12 и R16, R17, а R13 и R18 - резисторы утечки для сеток триодов дифференциального усилителя. Конденсатор С8 - блокировочный.
Для устранения фона переменного тока от подогревателей катодов в цепи накала резисторами R24 и R25 образована искусственная средняя точка, соединённая по переменному току конденсатором С11 с общим проводом. Делителем на резисторах R22 и R23 цепь накала смещена относительно "нуля" на +60 В. Общий провод цепи от искусственной средней точки и цепи её смещения необходимо соединить с общим проводом усилителя в "нулевой" точке блока питания. При мостовой схеме выпрямителя это будет минусовый вывод моста, а при двухполупериодной со средней точкой - средняя точка анодной обмотки сетевого трансформатора.
Номиналы элементов и значения напряжений на приведённой схеме указаны для анодного питания +500 В. При этом максимальное напряжение сигнала на противофазных выходах предоконечного усилителя (Uпик-пик) составляет 300 В.
Налаживание заключается в установлении статических режимов каскадов усилителя. Лампы VL2 и VL3 необходимо подобрать в пару по одинаковому коэффициенту усиления (при параллельном соединении обеих половин). Резистором R7 необходимо установить напряжение 1,2 В на выводе 6 VL1. Резистором R20 устанавливают напряжение 270 В на анодах VL2 и VL3. Величину обратной связи устанавливают в зависимости от схемы выходного каскада, применяемых в нём ламп и необходимого коэффициента демпфирования АС. В большинстве случаев при выходных каскадах на триодах глубину обратной связи устанавливают около 6 дБ. Каскад обеспечивает полное выходное напряжение при уровне сигнала на входе иэфф, равном 500 мВ.
При необходимости большего напряжения на выходе предоконечного каскада анодное питание можно повысить до +600 В, чтобы максимальное напряжение сигнала на противофазных выходах (Uпик-пик) достигало 400 В. Номиналы некоторых резисторов усилителя при этом напряжении питания следующие: R9 - 22 кОм, R15 - 10 кОм (4 Вт), R20- 150, R22 - 270 кОм, R23 - 2 кОм. Конденсаторы С9, С10 - на номинальное напряжение 800 В. Напряжение, выставляемое резистором R20 на анодах VL2 и VL3, - 330 В. Остальные номиналы и напряжения остаются без изменений. Сопротивления резисторов R15 и R20 взяты из условия, что минусовое напряжение питания источника тока равно -230 В. При необходимости такого уровня "раскачки" выходного каскада оно, очевидно, будет никак не меньше. Резистор R15 можно составить из двух резисторов по 20 кОм (по 2 Вт), соединённых параллельно.
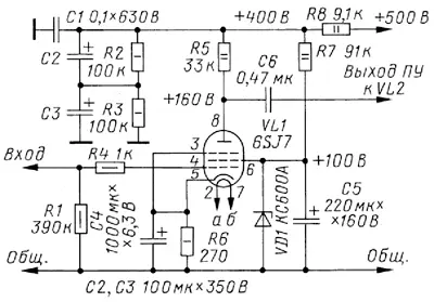
В первом каскаде вместо двойного триода можно применить пентод, как показано на рис. 2. Наиболее подходящим пентодом с октальным цоколем для предварительного усиления звуковой частоты является пентод 6Ж8. Однако в "открытом" исполнении усилителя далеко не всем нравятся лампы с металлическим баллоном. В этом случае можно применить импортный пентод 6SJ7-GT. Он является практически аналогом отечественного пентода 6Ж8, но имеет стеклянный баллон.

Рис. 2. Применение пентода
Большинство элементов в катодной, сеточной и анодной цепях каскада, а также в цепи питания имеют те же назначения, что и в каскодной схеме с двойным триодом. Для стабилизации напряжения на экранной сетке пентода применён стабилитрон VD1. Резистор R7 задаёт ток стабилитрона, а конденсатор С5 является блокировочным. Сопротивление резистора R8 указано для напряжения питания +500 В. В случае питания предоконечного усилителя напряжением +600 В номинал резистора R8 должен быть 18 кОм.
Автор: О. Разин, г. Москва