Эта простая в повторении приставка совместно с мультиметром серии 83х, имеющим максимальный предел измерения активных сопротивлений 2 МОм, позволяет напрямую измерять сопротивления резисторов и высокоомных цепей до 20 МОм. Дополнительный источник питания для приставки не требуется.
Известно, что недорогие и популярные среди радиолюбителей мультиметры серии 83х без дополнительных узлов или вычислений не позволяют измерять активное сопротивление более 2 МОм. Предлагаемая приставка расширяет пределы измерения до 20 МОм. Значение измеренного сопротивления отображается на дисплее мультиметра. Как и в других разработанных автором приставках, питание (+3 В) на неё поступает от внутреннего стабилизатора микросхемы АЦП мультиметра.
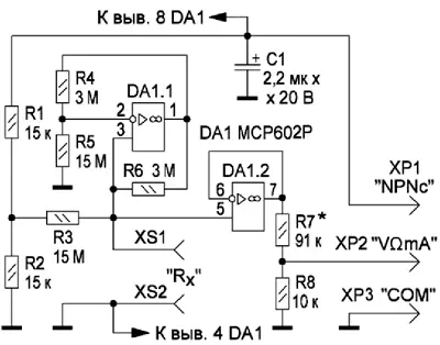
Схема приставки приведена на рис. 1. На ОУ DA1.1 и резисторах R3-R6 собран источник тока (ИТ) по схеме, известной в радиотехнической литературе как ИТ Хауленда (Howland). Автор уже применял такой узел в своей более ранней разработке [1]. Расчёт его выходного тока производят исходя из следующих условий: R3 = R5, R4 = R6 для удобства их последующей подборки; ток через резистор R6 равен алгебраической сумме токов через резистор R3 и измеряемый резистор Rx входные токи ОУ DA1 пренебрежимо малы. ОУ охвачен глубокой ООС по постоянному току через делитель R4R5, поэтому на его обоих входах (инвертирующем и неинвертирующем) устанавливаются равные напряжения, если выходное напряжение меньше максимального при заданном напряжении питания. В этом случае выходной ток ИТ (Iвых) будет равен: Iвых = UR2/R3, где UR2 - напряжение на выходе резистивного делителя R1R2 (т. е. на резисторе R2). Это напряжение служит для ИТ образцовым, поскольку сопротивление резистора R2 существенно меньше сопротивления резистора R3.

Рис. 1. Схема приставки
Выходной ток ИТ выбран равным 0,1 мкА, и его вполне достаточно для измерения сопротивления резисторов до 20 МОм, поскольку падение напряжения на нём при этом не превысит 2 В, что меньше напряжения питания приставки (3 В). С указанными на схеме сопротивлениями резисторов R3-R6 ОУ DA1.1 гарантированно работает в линейном режиме, обеспечивая высокую стабильность и постоянство выходного тока ИТ, протекающего через измеряемый резистор Rx, а значит, и высокую линейность зависимости падения напряжения на измеряемом резисторе или цепи. Это напряжение поступает на вход буферного усилителя, выполненном на ОУ DA1.2 (входное сопротивление - не менее 1 ГОм) с единичным коэффициентом усиления по напряжению. Для сопряжения с мультиметром служит резистивный делитель напряжения R7R8, который уменьшает напряжение на выходе ОУ DA1.2 в десять раз. С выхода делителя оно поступает на вход "VΩmA" мультиметра для последующего измерения.
Ток потребления приставки практически равен току потребления микросхемы DA1. Погрешность измерения в интервале от 2 до 19,99 МОм - не более 3 %.
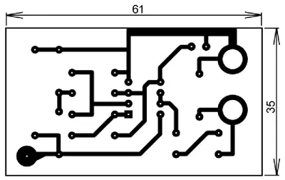
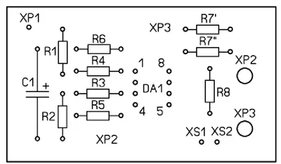
Приставка собрана на плате из фольгированного с одной стороны стеклотекстолита, её чертёж показан на рис. 2, расположение на ней элементов - на рис. 3. ОУ MCP602 можно заменить отечественными ОУ КР1446УД4А (в корпусе DIP8) [2]. При замене на другой ОУ Rail-to-Rail следует учитывать, что его входы должны быть выполнены на полевых транзисторах (входное сопротивление - не менее 1 ГОм), минимальное напряжение питания - не более 3 В и ток потребления (на корпус) - не более 3 мА. Для уменьшения погрешности при измерении сопротивлений менее 2 МОм напряжение смещения нуля не должно превышать 1...2 мВ. Блокировочный конденсатор С1 - танталовый К53-1, резисторы - МЛТ, С2-33, высокоомные - КИМ. Пары резисторов R3 и R5, R4 и R6 следует отобрать с помощью мультиметра с отклонением сопротивления не более 1 % в каждой паре. При этом отклонение сопротивления от номинального на точность измерения не влияет - важно их равенство. Сопротивления в каждой паре можно уменьшить до 1,5 МОм и 300 кОм соответственно. При этом напряжение на резисторе R2 необходимо уменьшить исходя из равенства UR2(B) = 0,1xR3 (МОм). Например, если R3 = R5 = 1,6 МОм, R4 = R6 = 330 кОм, то R1 = 27 кОм, R2 = 1,6 кОм. Штырь ХР1 - подходящий от разъёма или отрезок лужёного провода подходящего диаметра. Отверстие под него в плате сверлят "по месту" после установки штырей ХР2, ХР3. Штыри ХР2 и ХР3 - от щупов для мультиметра. Входные гнёзда XS1, XS2 - клеммник винтовой ED350V-02P фирмы DINKLE или подобный.

Рис. 2. Чертёж платы из фольгированного с одной стороны стеклотекстолита

Рис. 3. Расположение элементов приставки на плате
На фотографии (рис. 4) показана подключённая к мультиметру приставка при измерении резистора КИМ-0,125 с номинальным сопротивлением 15 МОм и допустимым отклонением от номинала ±10 %.

Рис. 4. Подключённая к мультиметру приставка
При работе с приставкой переключатель рода работ мультиметра устанавливают в положение измерения постоянного напряжения на пределе "200mV". Перед калибровкой во избежание выхода из строя внутреннего стабилизатора +3 В АЦП приставку сначала подключают к автономному источнику питания напряжением 3 В (можно использовать два гальванических элемента по 1,5 В, соединенных последовательно) и измеряют потребляемый ток, который не должен превышать 3 мА, а затем подключают к мультиметру. Далее проводят калибровку, подключив к гнёздам XS1, XS2 "Rx" резистор сопротивлением несколько мегаом с заведомо измеренным сопротивлением или классом точности не хуже 1 %. Подборкой резистора R7 добиваются нужных показаний на индикаторе. Показания с учётом запятой делят на десять. Обратите внимание, что для облегчения калибровки резистор R7 на плате составлен из двух, соединённых последовательно. На рис. 3 они обозначены как R7' и R7".
Литература
1. Глибин С. LC-метр - приставка к мультиметру. - Радио, 2014, № 8, с. 21-24.
2. КР(КФ)1446УДхх операционные усилители. - URL: http://www.qrz.ru/reference/ micro/datasheet/1446ud. pdf (16.03.15).
Автор: С. Глибин, г. Москва