Сборку устройства следует начать с меньшей платы (её чертёж на рис. 4 в масштабе 2:1), на схеме рис. 2 находящиеся на ней детали обведены штрих-пунктирной рамкой. После установки всех деталей подключают к контактам разъёма XP1 источник напряжения 12 В. На контакт 9 нужно подать +12 В, а контакты 1-4 соединить с общим проводом. Затем замкнуть контакты 9 и 10, должен засветиться светодиод. На коллекторе VT1 установится напряжение около 11 В, на выводе 14 DA1 появится напряжение 5 В, на выводе 4 - не более 0,5 В, а на выводах 9, 10 - меандр с амплитудой 11 В. При отсутствии осциллографа наличие импульсов на выходах 9, 10 определяется цифровым мультиметром как постоянное напряжение 5...6 В.

Рис. 4. Чертёж меньшей платы
Затем собирают большую плату (рис. 5, 6), устанавливая все детали, кроме микросхем УМ DA2, DA3. Также необходимо установить проволочные (в изоляции) перемычки. Транзисторы желательно запаять на одинаковой высоте, это облегчит их крепёж. Так как спаренные диоды в корпусе ТО-220 с общим анодом дефицитны, на плате предусмотрены места для их замены диодами в корпусе DO-27.

Рис. 5. Чертёж большей платы

Рис. 6. Чертёж большей платы (сбор деталей)
После соединения плат с помощью разъёма и подачи на обозначенные площадки напряжения 12 В с блока питания и сигнала включения ДУ, на конденсаторах С20 и С21 должно появиться напряжение +25 и -25 В соответственно, а на эмиттере VT3 - около +8 В относительно средней точки выходной обмотки трансформатора. При этом детали преобразователя не должны нагреваться, а потребляемый ток не должен превышать 0,3 А. После проверки ПН впаивают микросхемы DA2, DA3.
Неиспользуемые выводы микросхем укорачивают на 3...4 мм. Важно установить микросхемы строго перпендикулярно плате, иначе они не будут прилегать к корпусу всей плоскостью и могут перегреться. Для уменьшения влияния наводок на цепи усилителя около выводов питания микросхем добавлены дополнительные конденсаторы С26, С28 (С30, С32) ёмкостью 470 мкФ с низким импедансом (low ESR). Для уменьшения наводок дорожки от выводов питания предварительного каскада и выходного каскада TDA7293 соединяются в местах пайки выводов этих конденсаторов.
Затем в плату впаивают провода для подключения внешних разъёмов. Для разъёма питания (клеммный блок DG58C-A-2P13 от Degson Electronics) необходим провод сечением не менее 2 мм2. Отрезок длиной в 50...70 мм впаивают в плату. Аналогично впаивают кабели соединения платы с разъёмами RCA (XS3.1, XS3.2). Для этого используют любой мягкий кабель. Таким же обра зом впаивают провода к выходному разъёму Х4 (клеммный блок DG58H-A-04P-13 от Degson Electronics). Сечение выходных проводов должно быть не менее 0,5 мм2. Места подпайки проводов нужно укрепить термоклеем. Для провода сигнала включения ДУ в боковой крышке просверлено отверстие диаметром 2 мм, через которое выведен провод длиной около 20 см. Для фиксации на нём желательно завязать узел изнутри корпуса УМ.
Далее плату вставляют в паз корпуса и размечают отверстия под винты крепления транзисторов и микросхем. Отверстия делают сверлом диаметром 3,6 мм, потом их раз-зенковывают для установки винтов "впотай". Мощные ПТ, диоды и выходные микросхемы УМ крепят к корпусу (фото на рис. 7) винтами М3 через изолирующие прокладки из слюды с использованием изолирующих же вставок для винтов. Прокладки под микросхемы необходимо обязательно промазать термопастой, например КПТ-8.

Рис. 7. Монтаж платы с деталями
Затем на пластиковые стенки корпуса устанавливают выходные разъёмы X4 и к ним подключают соответствующие провода от печатной платы (фото на рис. 8). После этого подключают сигнальные кабели к разъёмам на панели усилителя (фото на рис. 9) и ещё раз проверяют работу системы в целом; если всё в норме, желательно проклеить термоклеем провода на выходных разъёмах и разъём XP/S1, габаритные конденсаторы и трансформатор, так как они будут работать в условиях вибраций. Затем собирают корпус полностью.

Рис. 8. Монтаж платы с деталями

Рис. 9. Подключение сигнальных кабелей
Перед установкой в автомобиль желателен прогон усилителя в течение нескольких десятков часов для проверки его надёжности.
Подключение питания непосредственно в автомобиле необходимо производить проводами сечением не менее 2,5 мм2 как можно меньшей длины (рис. 10). Подключать их нужно к клеммам аккумулятора через плавкий предохранитель на 15...20 А, к усилителю вести оба провода от плюсовой и минусовой клемм. Часто из-за некачественной проводки в автомобиле во избежание помех приходится проводить провода от аккумулятора и к магнитоле.

Рис. 10. Подключение питания
Из-за малого размера корпуса (площадь теплоотвода около 400 мм2) во время работы УМ нагревается до 40...50 оС. Это нормальная температура для усилительной аппаратуры, если при монтаже устройства в салоне предусмотреть возможность циркуляции воздуха.
При реальной эксплуатации в автомобиле можно отметить значительное улучшение звучания системы и удобство размещения. Даже при длительной работе на максимуме мощности для АС Focal polyglass V1 температура корпуса УМ не превышает 60 оС. Естественно, ждать от такого усилителя чудес не приходится, но однозначно можно утверждать, что он "переиграет" большинство поделок нижнего ценового диапазона, сохраняя характеристики микросхем TDA7293.
Некоторые параметры УМ проверены с помощью компьютерной программы Right Mark Audio Analyzer 6.0 (RMAA). На выходной мощности 15 Вт при напряжении питания 12,6 В гармонические искажения в каналах равны 0,045 и 0,019 %, а интермодуляционные искажения - 0,024 и 0,026 %. Отношение сигнал/шум - около 90 дБ. Вопреки распространённому на форумах Интернета мнению инвертирующее включение микросхемы (в правом канале) показало худший результат по измеренным параметрам. Использование типовой схемы из справочной документации на микросхему [2] оказалось лучшим вариантом.
Возможные замены: микросхема ПН TL494 имеет аналоги - ЮА7500, MB3759, UPC494, IR3M02, KP1114EУ4. Вместо IRF3205 можно установить любые современные полевые n-канальные транзисторы, например, IRFZ44, IRF540, BUZ111S, STP80NF06, IRF1405 на напряжение более 50 В, причём допустимо применить только одну пару транзисторов. Транзисторы ВС817 можно заменить 2N5550S, MMBT100, MMBT2222, 2SD1484, а транзистор BC807 - 2STR2160, BCX17, MMBT591, PMBT2907. Транзистор BCX51 заменяем BCX52, BCX53, 2SB1027, 2SB1313, SB1123U. При необходимости подбор типов транзисторов можно провести по справочнику [3]. Две диодные сборки VD7, VD8, рассчитанные на постоянный ток не менее 3 А и напряжение более 80 В, можно заменить четырьмя диодами FR302-FR304, UF5404, RGP25G.
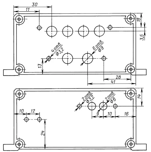
На рис. 11 показаны чертежи разметки передней и задней панелей блока УМ для применённых автором элементов и узлов коммутации.

Рис. 11. Чертежи разметки передней и задней панелей блока УМ для элементов и узлов коммутации
Литература
2. Datasheet TDA7293. - <http://www. datasheetcatalog.com/datasheets_pdf/ T/D/A/7/TDA7293.shtml>.
3. Биполярные транзисторы. Типовые характеристики. Справочник. - <http:// alltransistors. com/ru/>.
Автор: Ю. Игнатьев, г. Ивано-Франковск, Украина