Приставка совместно с цифровым мультиметром серий М-83х, DT-83x позволяет проводить измерения малых активных сопротивлений с дискретностью 0,001 Ом. Как и предыдущие приставки, разработанные автором, она питается от внутреннего стабилизатора АЦП мультиметра.
Известно, что мультиметры серий М-83х, DT-83x обладают малой погрешностью измерения напряжения постоянного тока. Причём эту погрешность всегда можно минимизировать, откалибровав прибор подстройкой образцового напряжения (100 мВ). Поэтому, по мнению автора, разработка и повторение приставок для мультиметра, преобразующих ту или иную измеряемую величину в постоянное напряжение на его входе "VΩmA", могут представлять интерес для определённой части радиолюбителей как с финансовой точки зрения, так и с творческой. При доступности элементной базы и её стоимости из таких приставок можно собрать неплохой измерительный комплекс для домашней лаборатории, не прибегая к покупке дорогих измерительных приборов, причём зачастую с погрешностью измерений, приближающейся к погрешности самого мультиметра. Очередная такая приставка - миллиомметр - представлена ниже. Она позволяет измерять малые активные сопротивления резисторов, что особенно важно при их самостоятельном изготовлении из отрезков проводов с высоким удельным сопротивлением, например, для различных шунтов.
Основные технические характеристики
Интервал измерения, Ом ..............0,001...1,999
Погрешность измерения сопротивления в интервале 0,2...1,999 Ом, %, не более * ..........................2
Напряжение питания, В ............3
Ток потребления, мА, не более .......................2,5
__________
* Погрешность измерения тщательно налаженного устройства в указанном выше интервале практически сводится к погрешности мультиметра в режиме измерения постоянного напряжения на пределе 200 мВ через 5...10 мин после включения приставки при замкнутых измерительных зажимах.
Существуют два простых способа измерения низкоомных резисторов. Первый - подавать через измеряемый резистор небольшой ток (единицы мА) с последующим усилением падения напряжения на измеряемом резисторе. Однако это потребует применения в усилителе постоянного тока дорогостоящих и не всем доступных прецизионных ОУ с малым напряжением смещения нуля и его уходом от изменения температуры. Второй - более простой и менее затратный - подавать больший ток (например, 100 мА) и непосредственно измерять падение напряжения на резисторе. В случае наличия соответствующего источника постоянного тока (ИТ) так и поступают. На первый взгляд, при питании миллиомметра от АЦП мультиметра такой возможности нет. Но существует ещё и импульсный метод, когда ток от ИТ для измерения подают короткими во времени импульсами по отношению к их периоду. При этом средний ток измерения, как известно, снижается пропорционально скважности импульсной последовательности.
Этот метод, как и в некоторых предыдущих разработках, например [1, 2], использован для измерения малых сопротивлений.
Схема приставки приведена на рис. 1. Рассмотрим работу приставки при подключённом к зажимам ХТ3, ХТ4 измеряемом резисторе Rx.

Рис. 1. Схема приставки
На логическом элементе DD1.1 - триггере Шмитта (ТШ), элементах VD1, C1, R1, R2 собран генератор импульсов. Период повторения импульсов - 150...160 мкс, пауза - 3...4 мкс. При указанном на схеме включении диода VD1 генератор потребляет минимальный ток, что связано с особенностью разного потребления тока ТШ при его переходе из состояния логического нуля в логическую единицу и обратно [3]. Когда напряжение на входе уменьшается от высокого уровня к низкому (на выходе уровень логического нуля), сквозной ток через выходные транзисторы ТШ в 2...4 раза больше, чем в обратном случае. Эта особенность, по наблюдениям автора, проявляется во всех ТШ буферизированной логики КМОП. Поэтому, если время разрядки конденсатора С1 сократить введением цепи VD1R2, средний ток потребления генератором импульсов при питании 3 В для серии 74НС будет равен 0,2 мА вместо 0,5...0,8 мА. Элементы DD1.2 и DD1.3 - инверторы, на выходе которых длительность импульсов равна 3...4 мкс, а пауза - 150...160 мкс. Они включены параллельно для повышения нагрузочной способности.
На транзисторе VT1 собран источник тока. Диод VD2 - термокомпенсирующий. Ток ИТ задан равным 100 мА. При таком токе на резисторе сопротивлением 2 Ом падение напряжения равно 200 мВ, что соответствует пределу измерения в мультиметре "200 mV". ИТ задаёт ток для измерения только при появлении паузы на выходе генератора импульсов на DD1.1, когда резистор R4 на время 3...4 мкс через этот выход подключён к общему проводу. "Ускоряющий" конденсатор С2 уменьшает время переключения транзистора VT1 для получения на измеряемом резисторе Rx прямоугольных импульсов. Инвертированные импульсы с выходов элементов DD1.2, DD1.3 поступают на затвор полевого транзистора VT2, включённого как синхронный детектор. На время действия импульса ток от ИТ проходит через измеряемый резистор, создавая на нём падение напряжения, которое через открытый транзистор VT2 синхронного детектора поступает на "запоминающий" конденсатор С4, заряжая его до падения напряжения на резисторе. Напряжение с конденсатора через клеммы XP2, XP3 поступает на вход "VΩmA" для измерения. По окончании импульса оба транзистора закрываются на время 150...160 мкс до появления следующего. Сглаживающий конденсатор С3 ёмкостью 220 мкФ устраняет в линии питания импульсный характер тока потребления приставкой, поддерживая его на уровне около 2,5 мА для встроенного стабилизатора напряжения +3 В АЦП мультиметра. Этот ток нетрудно определить, учитывая, что скважность импульсов на выходе инверторов DD1.2, DD1.3 равна 40...50 (100 мА/ (40...50)).
Узел на полевом транзисторе VT3 и элементах R8, C5 служит для ограничения тока зарядки конденсатора С3 от стабилизатора напряжения АЦП на уровне не более 3 мА с момента подачи питания в течение 5 с. При подаче питания напряжение на конденсаторе С5 начинает расти за счёт протекания зарядного тока через резистор R8. Когда оно достигнет порогового для транзистора VT3, последний начинает плавно открываться, обеспечивая ток зарядки конденсатора С3 на безопасном для стабилизатора АЦП уровне. Резистор R7 и диод VD3 обеспечивают разрядку конденсатора С5 после отключения питания.
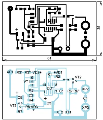
Приставка собрана на плате из фольгированного с одной стороны стеклотекстолита. Чертёж печатной платы и расположение на ней элементов показаны на рис. 2. Фотография собранной приставки представлена на рис. 3.

Рис. 2. Чертёж печатной платы и расположение на ней элементов

Рис. 3. Фотография собранной приставки
Конденсаторы, резисторы и диоды - поверхностно монтируемые. Конденсаторы С1, С2, С4 - керамические типоразмера 1206, С3, С5 - танталовые типоразмеров С и В. Все резисторы - 1206. Немного подробнее следует сказать о транзисторе 2SA1286 (VT1) [4]. Он заменим, например, 2SA1282, 2SA1282А с коэффициентом передачи тока h21Э не менее 500 (дополнительный индекс G) [5]. Возможна замена и на другие аналогичные с меньшим h21Э (до 300), при этом сопротивление резистора R4 следует уменьшить до 1,8...2 кОм. Главное - проверить в документации или экспериментально, чтобы пологая часть выходной характеристики транзистора при токе коллектора Iк 100 мА начиналась с напряжения Uкэ не более 0,5 В. В противном случае на указанную погрешность измерения рассчитывать не придётся - она может быть существенно больше. Полевой транзистор IRLML2402 (VT2) заменим, например, FDV303N, а IRLML6302 (VT3) - BSS84. При иной замене следует учесть, что пороговое напряжение транзисторов, сопротивление открытого канала и входная ёмкость (Ciss) должны быть сопоставимы заменяемым.
Штырь ХР1 "NPNc" - подходящий от разъёма или отрезок лужёного провода подходящего диаметра. Отверстие под него в плате сверлят "по месту" после установки штырей ХР2, ХР3. Штыри ХР2 "VΩmA" и ХР3 "СОМ" - от щупов для мультиметра. Неразъёмные соединения XT 1, XT2 - лужёные пустотелые медные заклёпки, пропаянные с предназначенными для них контактными площадками на печатной плате. В заклёпки вставлены и пропаяны облуженные концы гибкого провода МГШВ сечением 0,5...0,75 мм2, заканчивающиеся зажимами XT3, XT4 типа "крокодил". Длина каждого провода - 10...12 см. Нижние внутренние поверхности "пасти" зажимов облуживают. Концы проводов, идущих к ним, облуживают, затем протаскивают в нижние "пасти" зажимов и припаивают. Припой следует нанести с излишком, который затем опиливают надфилем до уровня зубьев "крокодила", как показано на фотографии рис. 4.

Рис. 4. Зажимы с припоем
Приставка требует налаживания. При работе с ней переключатель рода работ мультиметра устанавливают в положение измерения постоянного напряжения на пределе "200 mV". Показания с учётом высвечиваемой запятой следует делить на 100. Перед подключением приставки к мультиметру следует проконтролировать потребляемый ею ток от другого источника питания напряжением 3 В, имеющего защиту по току, чтобы не вывести из строя встроенный маломощный стабилизатор напряжения питания АЦП в случае неисправности какого-либо элемента или случайного замыкания токоведущих дорожек платы.
Подключите приставку к мультиметру и замкните зажимы XT3, XT4, "закусив" их "пасти" с напаянными площадками друг на друга. Дайте установиться тепловому режиму транзистора VT1 в течение 5...10 мин. Несмотря на то что корпус транзистора холодный на ощупь, кристалл внутри корпуса даже от коротких импульсов тока 100 мА за это время нагреется и его температура стабилизируется. Для облегчения налаживания резисторы R3 и R6 на плате составлены из двух, соединённых параллельно. На рис. 2 они обозначены как R3’, R3” и R6’, R6”. Через 5...10 мин подберите резистор R6’ так, чтобы показания индикатора мультиметра оказались в интервале 0.+0,5 мВ, а затем подбором дополнительного резистора R6” большего сопротивления установите "чистый" ноль (±0 мВ). Далее, подключив к зажимам XT3, XT4 заведомо измеренный резистор Rx, например, 1 Ом, резисторами R3’ и R3” установите соответствующие показания на индикаторе мультиметра. Для уменьшения погрешности измерений указанные операции следует повторить до получения нужного результата. На рис. 5 показана фотография приставки с мультиметром при измерении проволочного резистора С5-16МВ мощностью 2 Вт с номинальным сопротивлением 0,33 Ом и допуском ±5 %.

Рис. 5. фотография приставки с мультиметром
При изменении печатной платы свободные входы элементов микросхемы DD1 следует соединить с плюсовой линией питания или с общим проводом.
Чертёж печатной платы в формате Sprint LayOut 5.0 можно скачать здесь.
Литература
1. Глибин С. Измеритель ЭПС - приставка к мультиметру. - Радио, 2011, № 8, с. 19, 20.
2. Глибин С. Замена микросхемы 74АС132 в измерителе ЭПС. - Радио, 2013, № 8, с. 24.
3. 74HC14, 74HCT14. Hex inverting Schmitt trigger. - URL: http://www.nxp.com/ documents/data_sheet/74HC_HCT14.pdf (6.04.15).
4. 2SA1286. - URL: http://pdf.datasheetcatalog.com/datasheets2/14/ 147003_1.pdf (6.04.15).
5. 2SA1282, 2SA1282A. - URL: http://pdf. datasheetcatalog.com/datasheets2/16/ 163185_2.pdf (6.04.15).
Автор: С. Глибин, г. Москва