Основываясь на собственном опыте, автор излагает основные принципы построения индивидуальных накопительных систем водоснабжения и описывает разработанный им блок управления такой системой, отвечающий, по его мнению, требованиям по её надёжности и безопасности эксплуатации.
Обойтись без воды в современном загородном доме, фермерском хозяйстве или на дачном участке просто невозможно. В отдалённых местах централизованное водоснабжение нецелесообразно, а источником воды служит скважина, колодец или даже открытый водоём. Последний вариант крайне нежелателен ввиду возможности загрязнения водоёма и распространения загрязнителя по всей системе водоснабжения. Можно брать воду из колодца, но когда его нет, остаётся только пробурить скважину.
Чем дальше территория от города, тем чаще случаются перебои с подачей электроэнергии, поэтому предпочтительны системы водоснабжения с накопительным баком, запаса воды в котором достаточно на некоторый период времени. Самые простые системы водоснабжения, примером которых может служить [1], пригодны для использования только под присмотром.
В продаже имеются насосные станции различной производительности, но цены на станции с большим запасом воды в накопительном баке впечатляют. Поэтому самостоятельное изготовление системы водоснабжения накопительного типа позволяет сэкономить значительную сумму денег.
Продумывая конструкцию системы водоснабжения, содержащей источник воды, насос, трубы подвода и разбора воды, накопительный бак для неё, зная место установки системы и температурные условия, в которых ей предстоит работать, можно представить возможные режимы работы, предвидеть аварийные ситуации и, исходя из этого, определить требования к системе в целом и её блоку управления в частности.
Эксплуатация системы водоснабжения должна быть безопасной, изготовление, монтаж, обслуживание и управление - простыми, а блок управления и датчики - надёжными. Система должна быть способна безотказно работать годами, а блок управления - выявлять аварийные ситуации, сигнализировать о них и не допускать их развития.
Самые простые из всех возможных систем управления водоснабжением те, что оснащены электродными датчиками наличия воды и её уровня в накопительном баке. Их изготовление не требует большого объёма слесарных работ. Электроды легко снять для промывки бака и других профилактических работ, по завершении которых их легко установить обратно. Подобная конструкция описана в [2].
Однако известно, что нержавеющая сталь электродов и накопительного бака содержит, кроме железа, легирующие добавки - никель, марганец, хром и другие металлы. Попадая в питьевую воду, а с ней в организм, они негативно влияют на здоровье. Поэтому при изготовлении блока управления, работающего с электродными датчиками уровня, нельзя обходить вниманием биологическую безопасность. Нужно минимизировать происходящие на электродах электрохимические процессы и электролиз воды. Для этого приложенное к электродам напряжение должно быть низким и подаваться кратковременными импульсами.
Приступая к разработке системы водоснабжения, следует учитывать особенности водяных насосов. По принципу действия их можно отнести к двум основным типам: вибрационные и центробежные. Интенсивно работающие в скважине вибрационные насосы вызывают повреждения резиновых или пластмассовых водопроводных шлангов за счёт их трения об обсадную трубу. Если через повреждённый шланг вода перестанет поступать в систему, насос станет работать непрерывно, пока не выйдет из строя, либо не будет выключен автоматикой или человеком. В таких случаях приходится срочно устранять неисправность, что особенно трудоёмко и неприятно зимой.
Возможно и ухудшение качества воды частицами протирающегося шланга, особенно если он резиновый. Если алюминиевый корпус насоса касается стальной обсадной трубы, возникает контактная разность потенциалов, приводящая к электрохимической коррозии стали трубы и алюминия корпуса. Всё может закончиться проникновением воды к обмотке насоса и её повреждением.
Замечено, что использование насоса в алюминиевом корпусе заметно ухудшает вкус воды даже при полиэтиленовых обсадных трубах. А особенно это заметно при обсадных трубах из чёрной или нержавеющей стали. Если такая вода используется для питья и приготовления пищи, происходит постепенное отравление организма растворёнными в ней алюминием, железом и легирующими металлами. Лучшее решение этой проблемы - применение пластмассовой обсадной трубы и центробежного погружного насоса в корпусе из пластмассы или нержавеющей стали.
После замены насоса с алюминиевом корпусом на насос в корпусе из нержавеющей стали улучшение вкуса воды ощущается уже через сутки. Поэтому применяемые в системах питьевого водоснабжения погружные насосы не должны иметь корпусов и других соприкасающихся с водой деталей из алюминия или его сплавов с магнием.
Первое требование к блоку управления системой водоснабжения - поддерживать заданный уровень воды в накопительном баке. Второе требование - он не должен допускать работу насоса при пониженном или повышенном более чем на 10 % напряжении в питающей электросети. Для управления насосом предпочтительно использовать электромагнитное реле или пускатель с нормально разомкнутыми контактами. Это гарантирует выключение насоса при типовых неисправностях блока управления или отсутствии напряжения в электросети.
Блок управления должен обязательно отключить насос при повреждении труб, идущих от насоса к накопительному баку. Это предотвратит неограниченную по времени работу насоса, сопровождающуюся заливкой водой близлежащих строений и территории. Блок должен выключать насос, прекращая заполнение накопительного бака и при протечках трубопроводов распределения воды. Одновременно должна быть перекрыта подача в них воды из накопительного бака. Для выполнения этих требований необходимо иметь датчики потока поступающей в бак воды и датчики влажности в местах возможных протечек. И наконец, блок управления не должен допускать перелива воды из накопительного бака, поэтому необходим датчик предельного уровня воды в нём.
Практика работы самодельной системы водоснабжения в автоматическом режиме десятилетиями показывает, что ни одно из описанных требований нельзя считать лишним. Говоря об опыте эксплуатации блоков управления насосами, описанных в [3], следует сказать, что раз в год они нуждались в чистке контактов. Блок управления насосом с герконами требовал вмешательства раз в два-три года.
Предлагаемый вниманию читателей сравнительно простой блок управления системой водоснабжения накопительного типа был сконструирован исходя из перечисленных выше требований. Схема этого блока изображена на рис. 1. Простота и надёжность его работы обеспечена применением в качестве пороговых элементов и электронных ключей микросхем параллельных стабилизаторов напряжения TL431ILP.

Рис. 1. Схема блока управления системой водоснабжения накопительного типа
Питается блок управления от сети переменного тока напряжением 230 В, включают его кнопочным выключателем SB1. С помощью трансформатора T1, диодного моста VD1 и сглаживающего конденсатора C1 из вторичного переменного напряжения 8,5 В получено постоянное напряжение (12 В при номинальном напряжении в сети). Оно поступает на узел контроля напряжения, собранный на микросхемах DA1, DA2, DA4. Идея этого узла найдена в [4].
Кроме того, выпрямленное напряжение через контакты кнопки SB3 и нормально замкнутые контакты реле K1.3 поступает на узел, собранный на транзисторах VT2 и VT3 согласно рекомендациям, имеющимся в [5]. Он генерирует импульсы амплитудой 12 В, длительность которых задана ёмкостью конденсатора C4 и сопротивлением резистора R15, а период следования - ёмкостью того же конденсатора и сопротивлением резистора R14.
Импульсы питают узел, собранный на микросхемах DA3 и DA5, транзисторе VT1 и реле K1 и K2. К этому узлу подключены электроды датчиков уровня Е1-Е3 и потока Е4, а также датчики влажности. Напряжение между электродами датчиков Е1-Е4 и корпусом накопительного бака - около 12 В, причём оно импульсное и приложено к электродам только во время определения уровня воды в баке.
Состояние микросхемы DA5 в течение импульса зависит от наличия и сопротивления воды между датчиком нижнего уровня (электродом Е2) и корпусом бака. Если воды в накопительном баке нет или её уровень ниже электрода Е2, микросхема DA5 открывается (замыкает свою цепь анод-катод) и включает реле K2. Контакты K2.1 и K2.2 подают напряжение сети на водяной насос M1. Контакты K2.3, замкнувшись, останавливают генерацию импульсов. Напряжение на коллекторе транзистора VT3 становится постоянным (около 12 В). Контакты K2.4 отключают электрод Е2.
После наполнения бака и замыкания водой электрода E1 (датчика верхнего уровня) и корпуса бака происходит выключение микросхемы DA5 и реле K2. Насос M1 останавливается, подача воды в бак прекращается.
Узлы, собранные на микросхемах DA1, DA2, DA4 и на микросхеме DA3, транзисторе VT1 и реле K1, предназначены для отключения насоса M1 в аварийных ситуациях, сигнализации об этом и удержания блока управления в режиме "авария". Индикаторами рабочего и аварийного режимов служат соответственно светодиоды HL1 и HL2. Насос выключается, прекращая подачу воды в накопительный бак, в следующих аварийных ситуациях.
Во-первых, при выходе напряжения питающей сети за пределы допуска (±10% номинального значения). Для этого непрерывно контролируется текущее значение нестабилизированного выпрямленного напряжения на конденсаторе C1, пропорционального напряжению в сети. Микросхема DA1 закрывается, а DA2 открывается, когда это напряжение ниже нижнего порога, установленного подстроечным резистором R4. Микросхема DA4 открывается при превышении выпрямленным напряжением верхнего порога, установленного подстроечным резистором R13. В обоих случаях срабатывает и самоблокируется K1 - реле аварийного отключения и сигнализации об аварии.
Второй аварийный режим возникает при неисправности насоса или в случае, когда насос работает, но вода в бак не поступает по причине, например, её отсутствия в источнике или повреждения трубопровода. Когда струя поступающей в бак воды, в которой находится электрод Е4, электрически не соединяет его с корпусом бака, происходит зарядка конденсатора C2. По достижении напряжением на конденсаторе порогового напряжения микросхемы DA3 она открывается. Срабатывает реле аварии K1. Конденсатор C2 и резисторы R7, R8 создают задержку включения аварийного режима. Она необходима, чтобы при исправной системе вода успела после включения насоса заполнить идущую в бак трубу, поступила в бак и попала на электрод E4.
Следующий аварийный режим возникает при повреждении труб расхода воды или угрозе её перелива из бака. Определяется он с помощью датчиков влажности и электрода предельного уровня Е3, а включается транзистором VT1, микросхемой DA3 и реле K1.
В любом аварийном режиме контакты реле K1.3 отключают генератор импульсов от напряжения питания 12 В, предотвращая этим подачу напряжения на насос. Одновременно контакты K1.4 блокируют реле K1 в сработавшем состоянии, а контакты K1.1 и K1.2 подают напряжение на обмотку электромагнитного клапана Y1. При этом нормально открытый клапан Y1 закрывается, прекращая подачу воды из бака в трубу расхода.
Восстановить подачу воды из накопительного бака можно выключением и последующим (после устранения аварии) включением блока управления кнопочным выключателем SB1, а перекрыть подачу воды из бака в рабочем режиме - кнопочным выключателем SB2. Замыкание его контактов приведёт к закрыванию электрогидроклапана Y1 и прекращению подачи воды в трубу расхода.
Если блок управления на время устранения аварии не выключался, то после её устранения можно нажатием на кнопку SB3 снять блокировку и включить блок управления в работу. Кнопочный выключатель SB4 позволяет включить насос и подать воду в накопительный бак и при выключенном блоке управления.
Подбор элементов конструкции лучше начинать с комплекта реле и трансформатора питания. Реле должны иметь по четыре группы контактов. Плавкие вставки FU2 и FU3 выбирают согласно инструкции по эксплуатации насоса.
Автор применил реле K1 - РЭК78/4 5 А 12 В DC МЭК, реле K2 - РЭК77/4 10 А 12 В DC МЭК. Их параметры приведены в [6]. Оба реле размещены в корпусе блока управления. Они установлены в предназначенные для них розетки РРМ77/4 и PPM78/4. Если указанные реле найти не удалось, то подбирают другие с рабочим напряжением катушек 12 В и четырьмя группами контактов на переключение. Контакты реле K2 должны быть рассчитаны на коммутацию тока, превышающего пусковой ток двигателя насоса M1 или его утроенный рабочий ток.
Понижающий сетевой трансформатор T1 должен иметь вторичную обмотку напряжением 8,5 В (без нагрузки). Чтобы оно не "просаживалось" при срабатывании реле K1 или K2, мощность трансформатора должна быть в 15...20 раз больше суммарной, потребляемой катушками реле. Обычно 50...100 Вт достаточно. Применять стабилизированный источник напряжения 12 В нельзя, так как по значению этого напряжения блок управления контролирует напряжение в сети.
Допустимо использовать реле с катушками на 24 В и трансформатор с вторичным напряжением 17 В. При такой замене оксидные конденсаторы на 25 В нужно заменить конденсаторами на 35 или 50 В. Методика налаживания блока не меняется. Если напряжение на вторичной обмотке трансформатора заметно больше 8,5 или 17 В, то между контактом 1 кнопки SB3 и контактом 10 реле K1 следует установить дополнительный интегральный стабилизатор напряжения 7812 или 7824 и питать его выходным напряжением 12 или 24 В генератор импульсов.
Транзистор ГТ402Г допускается заменить на ГТ403Б-ГТ403Д или другим средней мощности транзистором структуры p-n-p. Предпочтительны германиевые транзисторы или кремниевые с малым напряжением насыщения икэ. Транзисторы КТ3102Е и КТ3107К заменяют подобными маломощными транзисторами соответствующей структуры. Вместо диодного моста КВР206 подойдут, например, LT416, PBL405. Диоды 1N4148 можно заменить любыми другими с допустимым прямым током не меньше текущего через обмотки реле и обратным напряжением больше рабочего напряжения их обмоток.
Электрогидроклапан Y1, который устанавливают на патрубке отбора воды из накопительного бака, должен быть нормально открытым, срабатывать от переменного напряжения 230 В и подходить по присоединительным размерам к используемым для отбора воды трубам.
Если рабочий ток катушек реле превышает 0,1 А, интегральные стабилизаторы DA3 и DA5 следует заменить полевыми транзисторами, например BUZ11. При этом методика налаживания блока управления сохранится, но следует учитывать опасность статического электричества для полевых транзисторов.
Электроды-датчики изготавливают из нержавеющей проволоки диаметром 2...5 мм или из полосы нержавеющей стали толщиной 0,5...1 мм и шириной 6...10 мм. Можно, например, использовать стальные несущие жилы, извлечённые из многожильных алюминиевых проводов. Электроды укрепляют на общей пластине из водостойкого изоляционного материала. Подключать к ним соединительные провода следует за пределами бака ввиду высокой влажности в нём. Электрод датчика потока Е4 закрепляют так, чтобы на него попадала струя поступающей в бак воды. Электрод датчика предельного уровня Е3 располагают ниже подводящего воду патрубка, но обязательно выше электрода датчика верхнего уровня Е1.
Датчиками влажности служат участки сдвоенного медного провода, очищенные от изоляции на длине 50 мм и расположенные с шагом 100...500 мм по длине провода. Этот провод прокладывают так, чтобы оголённые участки располагались в местах, куда вода может стекать при переполнении бака или из неплотных стыков в водопроводной арматуре.
Собрать блок управления можно в любом корпусе из изоляционного материала. Например, в корпусе от неисправного источника бесперебойного питания, от которого можно использовать и трансформатор, если он остался исправным. В корпусе устанавливают контактную колодку XT 1 для подключения проводов, идущих к датчикам.
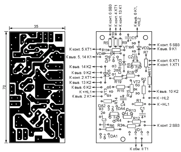
Печатная плата, на которой находятся почти все элементы блока, изображена на рис. 2. Монтировать их на плату лучше поэтапно с проверкой и налаживанием каждого собранного узла. Начинают работу с выпрямителя и узла контроля напряжения, далее монтируют генератор импульсов и проверяют их наличие. Затем собирают узел управления насосом на микросхеме DA5 и реле K2 и проверяют его работу. Последним собирают узел контроля аварийных ситуаций на транзисторе VT1 и микросхеме DA3 и проверяют его работу. После этого можно устанавливать в корпус выключатели, контактную колодку, трансформатор, реле, плату и соединять их между собой. Чтобы монтаж был безошибочным, требуется внимательность.

Рис. 2. Печатная плата и элементы блока
Налаживание собранного блока управления начинают с проверки постоянного напряжения на конденсаторе C1 и наличия импульсов на коллекторе транзистора VT3. Опытным путём определяют продолжительность слива воды из бака от электрода Е1 до электрода Е2. Затем устанавливают такой же продолжительность паузы между импульсами, уменьшая или увеличивая ёмкость конденсатора C4 и сопротивление резистора R14. Для указанных на схеме номиналов длительность импульса - около 5 с, а паузы между импульсами - 1 мин.
Налаживание заканчивают установкой верхнего и нижнего порогов в узле контроля сетевого напряжения. Для этого удобно применить лабораторный регулируемый автотрансформатор (ЛАТР). Работу выполняют в следующем порядке. Электрод датчика потока Е4 соединяют перемычкой с общим проводом блока (контактами 1 и 6 колодки XT1). Выводы контактов реле K2.4 также соединяют перемычкой. Движок подстроечного резистора R4 устанавливают в верхнее, а движок подстроечного резистора R13 - в нижнее по схеме положение. С помощью ЛАТР устанавливают подаваемое на первичную обмотку трансформатора T1 напряжение равным 230 В. Не торопясь, снижают напряжение на этой обмотке, устанавливая его равным 207 В. Движок подстроечного резистора R4 медленно перемещают вниз (по схеме), пока не сработает реле K1. Увеличивают до 230 В напряжение, снимаемое с ЛАТР, и нажатием на кнопку SB3 отменяют режим "Авария". Теперь с помощью ЛАТР повышают напряжение до 253 В. Сделав это, движок под-строечного резистора R13 медленно перемещают вверх (по схеме), вновь добиваясь срабатывания реле K1. Выключив питание блока, снимают перемычку, соединяющую электрод Е4 с общим проводом.
Далее проверяют работу датчика потока Е4. Для этого отключают насос и отсоединяют электроды Е1 и Е2 от управляющего входа микросхемы DA5. Через 20...40 с после включения блока в сеть реле K1 должно сработать. Затем блок выключают, снимают перемычку с контактов К2.4 и подключают датчики Е1 и Е2. После этого проверяют работу датчика влажности, прикладывая влажную ткань к оголённым участкам его проводов.
При обустройстве системы водоснабжения следует учитывать температурный фактор. Трубы, подводящие воду от источника, должны быть прямыми и иметь постоянный уклон 20...30 мм на метр длины в сторону источника воды. Это исключит замерзание воды в трубах, поскольку после остановки центробежного насоса она стечёт через насос обратно в источник. Накопительный бак должен быть установлен выше всех потребителей в отапливаемом помещении или на чердаке (где теплоизолирован вместе с дымоходом).
Блок управления системой водоснабжения устанавливают в любом удобном месте. Может оказаться полезной замена светодиода HL2 пьезоизлучателем звука с встроенным генератором, например КРЕ-842. В этом случае резистор R2 рекомендуется заменить любым выключателем, чтобы иметь возможность отключать звуковой сигнал аварии.
Литература
1. Субботин А. Блок управления садовым электронасосом. - Радио, 1984, № 1, с. 30, 31.
2. Калинский А. Автоматическое управление электронасосом: Сб.: "В помощь радиолюбителю", вып. 103, с. 3-10. - М.: ДОСААФ, 1989.
3. Муратов М. Автоматизация водоснабжения индивидуального дома. - Радио, 2005, № 11, с. 36, 37.
4. Шрайбер Г. 300 схем источников питания. - М.: ДМК, 2000.
5. Горошков Б. И. Радиоэлектронные устройства. - М.: Радио и связь, 1984.
6. Реле промежуточные модульной серии. - URL: http://www.elec.ru/files/2010/ 11/19/Tehnicheskoe-opisanie-rele-promezhutochnyh.pdf (20.04.15).
Автор: М. Муратов, г. Уфа