Листая журналы "Радио" прошлых лет, всегда можно почерпнуть идею для новой конструкции. В данном случае источником идеи послужила статья [1] под рубрикой "За рубежом". Описываемый прибор выполняет аналогичную функцию и предназначен для быстрой проверки наиболее распространённых гальванических элементов питания бытовой аппаратуры.
Испытатель измеряет остаточную ёмкость гальванического элемента питания на момент измерения в процентах от номинальной. Ёмкость элемента - это количество электричества, которое он может отдать в нагрузку. При разрядке неизменным током I её значение в ампер-часах равно разрядному току, умноженному на длительность разрядки элемента до заранее оговорённого минимального напряжения. При разрядке на постоянное сопротивление нагрузки ток с течением времени снижается вследствие уменьшения напряжения элемента. В этом случае ёмкость элемента рассчитывают по формуле

где t - продолжительность разрядки; i(t) - разрядный ток, изменяющийся в процессе разрядки; Rн - сопротивление нагрузки; U - напряжение элемента, изменяющееся в процессе разрядки; Uср - напряжение элемента, усреднённое за время разрядки.
На рис. 1 приведена экспериментально снятая кривая разрядки щелочного элемента "Energizer" типоразмера AA на резистор сопротивлением 15 Ом. На рис. 2 - полученная путём графического интегрирования этой кривой зависимость остаточной ёмкости элемента от его напряжения. Ёмкость свежего неразряженного элемента получилась равной 2 А·ч.

Рис. 1. Кривая разрядки щелочного элемента "Energizer" типоразмера AA на резистор сопротивлением 15 Ом

Рис. 2. Зависимость остаточной ёмкости элемента от его напряжения
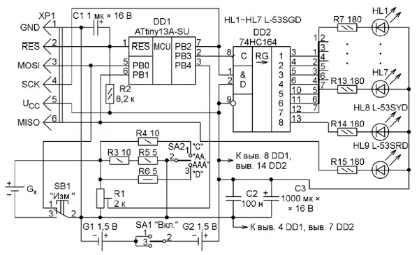
Схема испытателя изображена на рис. 3. Он измеряет с помощью встроенного в микроконтроллер DD1 (ATtiny 13A-SU) АЦП напряжение на проверяемом элементе питания Gx при его нагрузке резистором, выбранным переключателем SA2. Измеренное значение сравнивается с константами, записанными в памяти микроконтроллера, программный блок сравнения включает определённое число светодиодов на линейной шкале индикатора ёмкости элемента.

Рис. 3. Схема испытателя
Этот индикатор состоит из семи светодиодов зелёного и одного светодиода жёлтого цветов свечения. Число включённых светодиодов пропорционально ёмкости элемента: 100% - включены все светодиоды HL1-HL8, 0 % - включён только один жёлтый светодиод HL8.
Если напряжение элемента менее 1 В, включается красный светодиод HL9. Это свидетельствует, что проверяемый элемент питания не пригоден для дальнейшего использования.
При проверке производятся десять измерений напряжения элемента с паузами между ними 0,2 с. Затем программа вычисляет среднее значение результата, которое и сравнивает с хранящимися в памяти константами. Для правильных показаний прибора делитель напряжения на подстроечном резисторе R1 должен быть отрегулирован так, чтобы напряжение на его подвижном контакте (на входе АЦП микроконтроллера) было равно 1 В при напряжении на проверяемом элементе 1,5 В.
Сдвиговый регистр 74HC164 (DD2) коммутирует светодиоды HL1-HL8 индикатора, красный светодиод HL9 подключён к выходу PB1 микроконтроллера. При включении питания все светодиоды вспыхивают на 2 с, после их гашения прибор готов к работе. Кнопка SB1 служит для запуска подпрограммы измерения и подключает отрицательный вывод проверяемого элемента к общему проводу. На время измерения (до появления на индикаторе значения ёмкости проверяемого элемента) кнопку необходимо удерживать нажатой. Переключатель SA2 на три положения служит для выбора резистора, задающего ток нагрузки в зависимости от типоразмера проверяемого элемента питания. Начальные токи разрядки следующие: AA, AAA - 100 мА, C - 250 мА, D - 400 мА.
Подстроечным резистором R1 калибруют прибор. Порядок действий при этом следующий. К испытателю подключают свежий гальванический элемент Gx напряжением 1,5 В. При переключателе SA2 в положении "АA, AAA" и нажатой кнопке SB1 вращением движка подстроечного резистора R1 на входе PB4 микроконтроллера устанавливают напряжение 1 В относительно вывода 4 микроконтроллера.
В исходном состоянии кнопки SB1 контакт 3 разъёма XP1 соединён с общим проводом, что при программировании микроконтроллера вызывает сбой или выход из строя программатора. Во избежание этого на время программирования необходимо отключить провод от контакта 1 кнопки SB1 или удерживать эту кнопку нажатой, пока программирование не будет завершено.
Как показала практика, светодиод HL9, подключённый через резистор R15 к контакту 6 разъёма XP1, на правильную работу программатора STK500 не влияет.
Питается испытатель от двух гальванических элементов G1 и G2 типоразмера AA. Выключатель питания SA1 имеет три положения (два из них "Вкл.") и включён между элементами питания. Вполне допустимо использование другого источника питания со стабилизированным напряжением до 5 В и обычным выключателем.
Печатная плата испытателя изображена на рис. 4, а расположение элементов на ней - на рис. 5. Плата рассчитана на размещение в корпусе от зарядного устройства "Varta". В предусмотренные в ней прямоугольные отверстия впаивают контактные лепестки, которые при установке платы в корпус соединяют её цепи с находящимися на штатных установочных местах корпуса элементами питания G1, G2 и проверяемым элементом Gx. Для проверки элементов большего размера в верхней части корпуса установлена контактная колодка. Внешний вид собранного прибора показан на рис. 6.

Рис. 4. Печатная плата испытателя

Рис. 5. Расположение элементов на плате испытателя

Рис. 6. Внешний вид собранного испытателя
Резисторы R2 и R7-R15 - типоразмера 1206 для поверхностного монтажа, R3-R5 - мощностью 0,25 Вт, R6 - мощностью 0,5 Вт для навесного монтажа. Подстроечный резистор R1- многооборотный.
Оксидные конденсаторы можно использовать любого типа. Конденсатор C2 - керамический КМ-6 или аналогичный импортный. Вместо дискретных светодиодов HL1-HL9 можно применить готовую линейную светодиодную шкалу, например, DC-7G3HWA. Разъём XP1 - вилка PLD-6.
Для повышения достоверности результата рекомендуется проверять элементы при сопротивлении нагрузки, близком к тому, с которым его предполагается эксплуатировать в дальнейшем. Ещё большей точности можно достичь, если предусмотреть в программе несколько блоков констант, с которыми будет сравниваться напряжение элемента в зависимости от его типа.
При программировании микроконтроллера его разряды конфигурации для работы от внутреннего тактового генератора частотой 4,8 МГц должны быть установлены следующим образом:
CKSEL = 01;
SUT = 10;
CKDIV8 = 1.
При разработке программного обеспечения использован файл 16121572.asm - программная реализация интерфейса SPI для модели AT90S1200 из книги [2].
Программу микроконтроллера можно скачать здесь.
Литература
1. Тестер для элементов питания ("За рубежом"). - Радио, 1991, № 6, с. 86.
2. Трамперт В. AVR-RISC микроконтроллеры. - Киев: "МК-Пресс", 2006.
Автор: Н. Салимов, г. Ревда Свердловской обл.