При экспериментах с компактной активной акустической системой (АС) "Genius SP-P110" было выяснено, что установленные в неё динамические головки способны на более качественное звучание, чем может обеспечить встроенный в неё двухканальный УМЗЧ. Эта АС относится к низшей ценовой категории, поэтому неудивительно, что производитель сэкономил на всём, на чём только можно было сэкономить. Поэтому с целью повышения качества звучания и повышения надёжности было решено доработать это устройство.
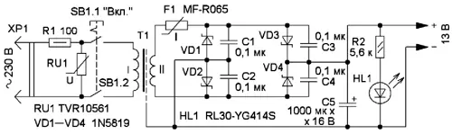
В первую очередь был изготовлен новый блок питания, схема которого показана на рис. 1. Старый, сильно гревшийся трансформатор с габаритной мощностью около 2 Вт удалён. Взамен него установлен более мощный и надёжный трансформатор ТС-БП-22 (от кассетной магнитолы советского производства). Сетевое напряжение 230 В поступает на первичную обмотку трансформатора T1 через замкнутые контакты выключателя SB1 и резистор R1, который выполняет защитную функцию. Варистор RU1 совместно с резистором R1 защищает трансформатор от превышения сетевого напряжения.

Рис. 1. Схема блока питания
С вторичной обмотки трансформатора T1 переменное напряжение 9...10 В через самовосстанавливаю-щийся предохранитель F1 поступает на мостовой выпрямитель, собранный на диодах VD1-VD4. Конденсатор C5 сглаживает пульсации выпрямленного напряжения, светодиод HL1 сигнализирует о наличии выходного напряжения. Межобмоточный экран и корпус трансформатора электрически соединены с минусовым проводом блока питания. Большинство элементов блока питания размещены на монтажной плате из нефольгированного текстолита размерами 30x60 мм (рис. 2). Применён проводной монтаж. Резистор R1 и варистор RU1 распаяны на контактах выключателя.

Рис. 2. Элементы блока на монтажной плате
УМЗЧ в АС SP-P110 собран на интегральной микросхеме TEA2025B, которая способна развивать мощность до 2,3 Вт в каждом канале. Вариант усилителя, реализованный производителем АС на этой микросхеме, развивал выходную мощность не более 0,2 Вт, а низкие звуковые частоты практически не прослушивались. Ещё одним неприятным бонусом была низкая чувствительность усилителя, недостаточная для воспроизведения фонограмм с карманных MP3-плейеров.
Поскольку микросхема TEA2025B способна на большее, было решено не изготавливать новый усилитель, а доработать имеющийся. Схема этого варианта УМЗЧ показана на рис. 3. Использована нумерация элементов, указанная на плате, обозначения дополнительно установленных элементов начинаются с префикса 1 . Конденсатор C12 (1000 мкФ) был заменён конденсатором большей ёмкости (2200 мкФ), C4 и C10 были заменены конденсаторами ёмкостью 470 мкФ (были по 220 мкФ). Аналогично конденсаторы C1 и С6 (0,22 мкФ) заменены конденсаторами ёмкостью 0,47 мкФ. Сопротивления резисторов R2 и R5 уменьшены до 100 Ом вместо 680 Ом, что увеличило коэффициент усиления УМЗЧ. Резистор R7 (560 Ом) заменён резистором сопротивлением 5,6 кОм.

Рис. 3. Схема доработанного УМЗЧ
Были переделаны и входные цепи УМЗЧ. Раньше входное напряжение поступало напрямую на регулятор громкости VR1, а после доработки - через RC-фильтры на элементах 1R12, 1С14и 1R13, 1C15, что защищает УМЗЧ от высокочастотных наводок. До доработки на выходе УМЗЧ динамические головки автоматически отключались при вставленном штекере головных телефонов, теперь их можно отключить с помощью кнопки SW1. Кроме того, сигнал на головные телефоны стал поступать через токоограничивающие резисторы 1R17, 1R18. Были установлены дополнительные блокировочные керамические конденсаторы 1C20, 1C21, 1C22. Выходная мощность доработанного УМЗЧ с новым источником питания - около 0,6 Вт в каждом канале.
Устройство было дополнительно оснащено стабилизатором напряжения +5 В, которое выводится на USB-гнездо 1XS1. К этому гнезду можно подключать различные мобильные устройства для их питания или зарядки встроенных аккумуляторных батарей. Стабилизатор собран на интегральной микросхеме 1DA2, резистор 1R15 уменьшает рассеиваемую микросхемой мощность. Стабилитрон 1VD2 защищает подключённую нагрузку от повышенного напряжения.
Поскольку в некоторых мобильных мультимедийных аппаратах общий вывод для подключения головных телефонов имеет электрический потенциал относительно общего минусового провода питания, для предотвращения повреждения таких устройств и обеспечения их работоспособности в разрыв общего провода УМЗЧ включены элементы 1R11, 1C13, 1R14.
В блоке питания можно применить диоды Шотки 1 N5819, MBRS140T3, MBR150, MBR340, BYV10-40, SB140. Диод 1N4003 можно заменить любым из серий 1 N4001-1 N4007, КД243, КД247. Светодиод может быть любого цвета свечения повышенной яркости. Варистор TVR10561 можно заменить варистором FNR-10K471, FNR-14K471, FNR-20K471, MYG20-471. Резистор R1 - импортный невозгораемый или Р1-7. Выключатель питания - кнопочный или клавишный, рассчитанный на коммутацию напряжения 230 В переменного тока, например, JPW-2104, RS-201-8C. Все неполярные конденсаторы - керамические импортные, оксидный - К50-35 или импортный. Взамен трансформатора ТС-БП-22 подойдёт унифицированный ТП-112-3.
В УМЗЧ применены резисторы С2-23 или импортные, оксидные и неполярные (керамические), конденсаторы - также импортные. Элементы стабилизатора напряжения установлены на дополнительной монтажной плате размерами 45x45 мм. Микросхема КА7805 установлена на дюралюминиевый теп-лоотвод размерами 68x40x2 мм, её можно заменить любой из серий 7805, 78M05. Доработанная плата УМЗЧ показана на рис. 4. На интегральной микросхеме U1 прикреплён дополнительный П-образный латунный теплоотвод площадью поверхности около 8 см2. Изначально тепло от этой микросхемы отводилось с помощью печатных проводников на печатной плате.

Рис. 4. Доработанная плата УМЗЧ
Размещение узлов в корпусах колонок показано на рис. 5. В одной колонке размещён блок питания с выключателем и индикаторным светодиодом, в другой - УМЗЧ с регулятором громкости, гнездо для подключения головных телефонов и выключатель динамических головок. Между собой колонки соединены четырёхпроводным мягким кабелем. По двум проводам поступает напряжение питания, по другим двум - сигнал с выхода УМЗЧ.

Рис. 5. Размещение узлов в корпусах колонок
Доработка УМЗЧ обеспечила улучшение качества звучания АС, он имеет более высокую чувствительность, а сама АС оснащена USB-портом. В результате звучание АС оказалось лучше, чем у компактных "кухонных" ЖК-телевизо-ров, ноутбуков, планшетов, других мобильных устройств. Были также намерения заменить безымянные динамические головки мощностью 1 Вт другими, мощностью 3...8 Вт, имеющими такие же габаритные размеры. К моему удивлению, "фирменные" динамические головки, изъятые из кинескопных (диагональ 51, 54 см) телевизоров, звучали заметно хуже.
Аналогично можно доработать и другие компьютерные активные АС, поскольку часто бывает так, что их производители с целью экономии не реализовывают заложенные в динамические головки и интегральные УМЗЧ потенциал.
При изготовлении нового блока питания надо строго выполнять правила техники безопасности, изложенные в статье "Осторожно! Электрический ток!" ("Радио", 2015, № 5, с. 54).
Автор: А. Бутов, с. Курба Ярославской обл.