Автор предлагает конструкцию термометра с двумя выносными датчиками, который позволяет измерять температуру независимо в двух точках. Информация выводится на ЖКИ.
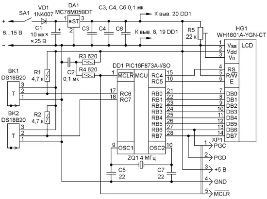
Занимаясь разработкой силовой электроники, в частности импульсных источников питания, неизбежно сталкиваешься с необходимостью измерения температуры корпусов силовых транзисторов, микросхем и других элементов. Для этих целей обычно используют стандартный мультиметр с термопарой, например, Mastech MY64 и ему подобные. Но здесь можно столкнуться с рядом проблем. Во-первых, как показала практика, обычная биметаллическая термопара недолговечна, часто возникает обрыв в месте соединения (пайки) датчика и проводов, особенно при частом использовании. Во-вторых, датчик термопары необходимо изолировать при измерении температуры находящегося под напряжением теплоотвода или транзистора. В-третьих, часто возникает необходимость измерять температуру сразу на двух элементах устройства, например, на обоих транзисторах полумостового генератора. Так и возникла идея собрать прибор, избавленный от этих недостатков. Схема двухзонного термометра приведена на рис. 1.

Рис. 1. Схема двухзонного термометра
Основные технические характеристики
Напряжение питания, В.........6...15
Интервал измеряемой температуры, оС ...........-50...+125
Разрешение отображения температуры, оС ..............0,1
Основа термометра - микроконтроллер PIC16F873A-I/SO. В качестве термодатчиков применены распространённые цифровые датчики DS18B20. Датчики ВК1 и ВК2 подключены к разным портам микроконтроллера, что позволило использовать упрощённую процедуру их опроса. Датчики опрашиваются поочерёдно с интервалом около 1 с. Точность измерения применённых значения температуры программно округляются до 0,1 оС. Информация отображается на однострочном знакосинтезирующем ЖКИ. Подстроечным резистором R5 регулирует контрастность ЖКИ. Разъём ХР1 предназначен для подключения программатора. Обратите внимание, что расположение его контактов не совпадает со стандартной цоколёвкой программатора PicKit.
Термометр собран на плате из фольгированного с двух сторон стеклотекстолита толщиной 2 мм.

Рис. 2. Чертёж платы

Рис. 3. Расположение деталей
Её чертёж показан на рис. 2, а расположение деталей - на рис. 3. Плата термометра разработана под стандартный пластмассовый корпус для радиолюбительских конструкций раз-верхней крышке корпуса необходимо вырезать прямоугольное отверстие под экран ЖКИ, а в боковых стенках - под выключатель и провода термодатчиков. Фотографии собранной платы приведены на рис. 4 и рис. 5. На датчики следует надеть термоусаживаемые трубки, желательно разного цвета. Внешний вид готового устройства показан на рис. 6. Правильно собранное устройство начинает работать сразу и в налаживании не нуждается. В качестве ЖКИ подойдёт любой аналогичный однострочный шестнадцатисимвольный подходящих габаритов на основе процессора HD44780.

Рис. 4. Плата в сборе

Рис. 5. Плата в сборе

Рис. 6. Внешний вид готового устройства
Программу и прошивку микроконтроллера можно скачать здесь.
Автор: В. Лазарев, г. Вязьма Смоленской обл.