ЖК мониторы практически вытеснили мониторы на основе ЭЛТ. Несмотря на значительные преимущества первых, такие как энергопотребление, качество изображения, габариты и т.д., у ЖК мониторов есть и недостатки.
Один из них - достаточно сложный ремонт, который в сервисных центрах выполняется на уровне замены плат, модулей. Но что делать, если необходимого для замены модуля нет в наличии (в продаже)? В этом материале автор описывает схемотехнику блока питания IP-35155A, который используется во многих современных ЖК мониторах SAMSUNG. Надеемся, что материал поможет провести диагностику этого узла, определить дефектные элементы и восстановить работоспособность блока питания и монитора в целом.
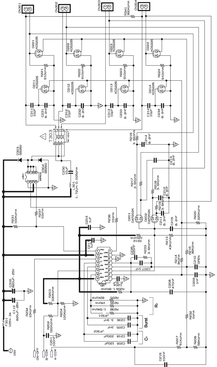
Плата блока питания с обозначением IP-35155A по спецификации SAMSUNG используется во многих современных 17-, 19- и 20-дюймовых моделях ЖК мониторов SAMSUNG, например в моделях "Samsung SyncMaster 731BF/932B/ 940BF/943BX/961GW/204B". Внешний вид электромонтажной платы IP-35155A приведен на рис. 1.

Рис. 1. Внешний вид электромонтажной платы IP-35155A
Функционально эту плату можно разделить на два узла: источник питания, от которого питаются плата графического контроллера (скалера) и ЖК панель, и DC/AC-конвертор (далее - инвертор) питания электролюминесцентных ламп подсветки (CCFL-ламп). Рассмотрим схемотехнику этих узлов более подробно.
Источник питания
Источник питания (см. принципиальную схему на рис. 2) вырабатывает постоянные стабилизированные напряжения 15 и 5,1 В для питания узлов монитора. Основа этого источника - ШИМ контроллер IC101 типа FSDM0465R фирмы Fairchild Semiconductor. Микросхема выполнена по технологии энергосберегающей технологии FPSTM и включает в себя полевой транзистор, выполненный по технологии SenseFET, и ШИМ контроллер с управлением по току, что позволяет снизить потребление в режиме ожидания и электромагнитное излучение (ЭМИ), а также сократить число внешних элементов. Особенности этой микросхемы:

Рис. 2. Принципиальная схема источника питания
Назначение выводов микросхемы FSDM0465R приведено в табл. 1.
Таблица 1. Назначение выводов микросхемы FSDM0465R
Номер вывода | Обозначение | Назначение |
| 1 | Drain | Сток мощного транзистора SenseFET. Подключается через обмотку импульсного трансформатора к выходу сетевого выпрямителя |
2 | GND | Общий |
3 | VCC | Напряжение питания микросхемы 12 В |
4 | VFB | Напряжение обратной связи. Инверсный вход ШИМ компаратора. В стандартном включении сюда подключается коллектор транзистора оптрона цепи обратной связи и фильтрующий конденсатор (вторым выводом к "земле"). Если уровень на выводе превышает 6 В, срабатывает схема OLP и ШИМ выключается |
5 | NC | Не используется |
6 | VSTR | Напряжение питания схемы старта - источника тока, которым заряжается внешний конденсатор, подключенный к выводу VCC . При достижении на нем уровня 12 В внутренний источник тока выключается |
Архитектура микросхемы приведена на рис. 3. Напряжение питания микросхемы составляет 11...18 В (уровень OVP=20 В), она работает на фиксированной частоте 66 кГ ц. После запуска от сетевого выпрямителя через цепь R04-R06, подключенную к выв. 4, микросхема питается от обмотки 1-2 импульсного трансформатора Т101 и выпрямителя D103 C107. Цепь обратной связи по напряжению из элементов IC102, PC101, контролирующая вторичное напряжение 5,1 В, формирует напряжение обратной связи на входе компаратора (выв. 4). При увеличении напряжения на управляющем выводе IC102 ток через светодиод оптрона PC101 растет, что приводит к уменьшению управляющего напряжения на выв. 4 IC101 и к уменьшению рабочего цикла схемы. И наоборот, уменьшение напряжения на управляющем выводе IC102 приводит к увеличению рабочего цикла. В результате происходит стабилизация вторичных напряжений 15 и 5,1 В.

Рис. 3. Архитектура микросхемы FSDM0465R
Пиковое значение тока через транзистор SenseFET ограничено на заданном уровне и контролируется по выв. 4. При напряжении на этом выводе более 2,5 В напряжение на входе внутреннего компаратора фиксируется, таким образом, рабочий цикл схемы не изменяется.
Узел гашения переднего фронта сигнала (LEB) в составе микросхемы блокирует ШИМ в момент времени, когда SenseFET полностью открыт и возможны импульсные выбросы в сигнале, что привело бы к нарушению цикла обратной связи.
Схема защиты от перегрузки OLP имеет задержку на включение для того, чтобы отличить переходные процессы в схеме от перегрузки в выходных цепях. В момент перегрузки напряжение на выходе источника уменьшается, что приводит в возрастанию напряжения на выв. 4 IC101. На уровне 2,5 В срабатывает схема ограничения пикового значения через силовой ключ (см. выше) и вход внутреннего компаратора отключается от выв. 4. В этот момент конденсатор C01 заряжается током 3,5 мА от внутреннего источника IC101. При достижении уровня 6 В (при С01=39 нФ время задержки равно 35...40 мс) срабатывает компаратор схемы OLP и ШИМ блокируется до момента снятия перегрузки.
Режим энергосбережения Burst Mode включается, когда энергопотребление в нагрузке уменьшается до уровня 0,5 Вт. При этом напряжение на входе обратной связи микросхемы (выв. 4) уменьшается до уровня 0,5 В. В этот момент ШИМ выключается до момента, когда напряжение превысит уровень 0,5 В. После включения ШИМ и достижения напряжения на выв. 4 уровня 0,7 В и отсутствии номинальной нагрузки на источник процесс повторяется.
Выводы питания (выв. 3) и обратной связи (выв. 4) микросхемы IC101 защищены диодами Зенера ZD101(102) (1 Вт, 47 В, 5,5 мА).
Основные параметры встроенного силового транзистора SenseFET:
VD=650 В, IDM=9 А, ID=2,2 A, RDS=2 Ом при VGS=10 В и ID=2,5 А.
Диагностика неисправностей источника питания
Если монитор не включается и индикатор на передней панели не светится, скорее всего, это связано с неисправностью ИП. Для того чтобы в этом убедиться, измеряют напряжение 15 В на выходе источника - контакте 2 разъема CN2. Если напряжение равно нулю, отключают ТВ от сети и проверяют омметром сетевой предохранитель F101. Если он перегорел, проводят осмотр элементов платы на наличие обгоревших корпусов, разъемов, вздутия корпусов электролитических конденсаторов. Подозрительные элементы выпаивают и проверяют омметром исправность.
Как правило, причиной перегорания F101 служат следующие элементы: SenseFET-транзистор в составе IC101 (выв. 2 - исток, выв. 1 - сток), диодный мост D101, конденсаторы сетевого фильтра С102-С105, элементы демпфера D102, C106. Все эти элементы проверяют вначале визуально (обгорание, вздутие корпуса), а затем омметром на короткое замыкание, неисправные заменяют. Электролитические конденсаторы желательно проверить измерителем ESR (эквивалентное последовательное сопротивление) на отсутствие утечки.
Если сетевой предохранитель исправен, проверяют на обрыв цепь от сетевого разъема до входа диодного моста, и от выхода моста до выв. 1 IC101. При отсутствии обрыва в цепи подают питание на ИП и контролируют сигнал на выв. 1 - импульсы фиксированной частоты размахом не менее 300 В.
Если импульсов нет, проверяют цепь запуска микросхемы (резисторы R04-R06 на обрыв), цепь питания в рабочем режиме (обмотку 1-2 Т101, D103, R07, C107, ZD102). Если импульсы на выв. 1 IC101 появляются и сразу же пропадают проверяют вторичные цепи источника на отсутствие короткого замыкания (см. описание защиты OLP), исправность элементов в цепи обратной связи. По наличию и уровню напряжения на выв. 4 можно судить о режиме работы источника (см. описание).
Для ускорения процесса диагностики источника, в первую очередь, проверяют все электролитические конденсаторы измерителем ESR и силовые диоды в первичной и вторичной цепях. Затем отключают выход источника от нагрузки - отстыковывают разъем CN2 и подают на источник питание. Он должен работать в энергосберегающем режиме Burst Mode (см. описание). Если этого не происходит проверяют элементы в цепи обратной связи, внешние элементы IC101 и сам контроллер.
Если источник работает в режиме Burst Mode, подключают его к нагрузке и проверяют работоспособность в этом режиме. При наличии перегрузки во вторичных цепях (контролируют напряжение на конденсаторе С01, см. описание) определяют причину и устраняют.
Контроллер FSDM0465R выпускается в двух исполнениях корпуса: DIP6 и TO-220F-6L. На схеме (рис. 2) приведена цоколевка микросхемы в DIP-исполнении (цифрами в кружках), а в исполнении TO-220F-6L (цифры указаны на корпусе). Микросхему FSDM0465R можно заменить на следующие типы: FSDM0565RB (60 Вт), FSDM07652RB (70 Вт), FSDM12652RB (90 Вт). Они отличаются более высокой выходной мощностью источника, который можно изготовить на их основе (указана в скобках для питающей сети 85...265 В).
Инвертор питания CCFL-ламп подсветки
Принципиальная схема этого узла приведена на рис. 4. Он выполнен по схеме несимметричного по-лумостового преобразователя. Нагрузкой полумоста на полевых транзисторах различной проводимости в составе сборки U301 служит первичная обмотка импульсного трансформатора T303. Транзисторы управляются драйвером U201 типа SEM2005 фирмы SAMSUNG. Этот драйвер формирует противофазные сигналы для управления МОП транзисторами.

Рис. 4. Принципиальная электрическая схема инвертора питания CCFL-ламп подсветки в 15-дюймовой модели
Назначение выводов микросхемы SEM2005 приведено в табл. 2, а ее архитектура представлена на рис. 5. Микросхема включается сигналом ON-OFF с контакта 9 CN2 (рис. 2), формируемым микроконтроллером монитора. Напряжение более 2 В на выв. 11 - включение микросхемы, а менее 1 В - выключение. Диапазон питающих напряжений микросхемы - 7,5...24 В (выв. 10). Выходные сигналы на выв. 8 и 9 размахом 10...11 В появляются при условии VSTD>0,3 В и VOLP<1,5 В. Время поджига ламп определяется номиналом C204, который заряжается в этот момент от внутреннего источника тока (25 мА). Во время поджига ШИМ работает на повышенной (относительно рабочей) частоте (около 68 кГц) для формирования повышенного напряжения поджига ламп. В рабочем режиме частота ШИМ составляет примерно 44 кГ ц (эти значения приведены для номиналов СТ=120 пФ и RT= 68 кОм).

Рис. 5. Архитектура микросхемы SEM2005
Таблица 2. Назначение выводов микросхемы SEM2005
Номер вывода | Обозначение | Вход/выход (I/O) | Назначение |
1 | SDT | I | Конденсатор таймера выключения ШИМ |
2 | OVP | I | Вход схемы защиты от превышения напряжения |
3 | OLP | I | Вход схемы защиты от обрыва CCFL-ламп |
4 | FB | I | Инверсный вход усилителя сигнала ошибки |
5 | ERO | O | Выход усилителя сигнала ошибки |
6 | SGND | I/O | Сигнальная "земля" |
7 | PGND | I/O | Силовая "земля" |
8 | NOUT | O | Выход управления транзистором N-MOSFET |
9 | POUT | 0 | Выход управления транзистором P-MOSFET |
10 | VCC | I | Напряжение питания |
11 | EN | I | Вход включения/выключения микросхемы |
12 | CT | I/O | Внешний конденсатор генератора рабочей частоты |
13 | BCT | I/O | Внешний конденсатор НЧ генератора управления яркостью |
14 | BDIM | I | Вход сигнала управления яркостью |
15 | RT | I | Внешний резистор генератора рабочей частоты |
16 | VREF | 0 | Выход опорного напряжения 5 В/10 мА |
Каждая из вторичных обмоток Т303 нагружена на две последовательно включенные CCFL-лампы. C резисторов R221-R224, включенных последовательно с лампами, снимаются напряжения обратной связи и через развязывающие диоды и фильтр R215 C209 подаются на вход обратной связи FB (выв. 4). Напряжение на этом входе может находиться в пределах 2,1...2,5 В. Напряжение с резисторов R221-R224 также используется для контроля состояния (обрыва) ламп. Через соответствующие цепи оно через развязывающие диоды поступает на вход OLP (выв. 3).
С конденсаторных делителей С311 С231, С312 С232, С313 С233, С314 С234, включенных параллельно лампам, снимаются сигналы для контроля напряжений на лампах и подаются на вход защиты OVP (выв. 2). Микросхема имеет следующие пороги срабатывания узлов защиты: VOLP<1,5 В, VOVP>2,5 В.
Выходное напряжение инвертора (или яркость подсветки) можно регулировать двумя способами:
- по входу обратной связи FB (выв. 4). Сигнал регулировки A-DIM от микроконтроллера монитора через делитель подается на вход микросхемы, суммируясь с напряжением обратной связи с выхода инвертора;
- по входу BDIM (выв. 14). В составе микросхемы имеется НЧ генератор, его частота определяется номиналом конденсаторов С205, С236 (примерно 330 Гц при значении 5,5 нФ). Сигнал ШИМ модулируется низкочастотным сигналом, в результате выходные сигналы микросхемы представляют собой пачки ШИМ импульсов, и, контролируя НЧ генератор, можно изменять яркость подсветки.
Приведем основные электрические параметры транзисторов в составе сборки U301:
N-канал: VDS = 30 В, ID = 7,7 A (VGS= 10 В), RDS(ON) < 24/42 мОм (VGS = 10/4,5 В);
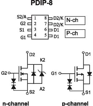
P-канал: VDS = -30 В, ID = -6,2 A (VGS = -10 В) RDS(ON) < 39/56 мОм (VGS = -10/4,5 В). Цоколевка AOP610 приведена на рис. 6.

Рис. 6. Расположение выводов сборки
Диагностика неисправностей инвертора
При отсутствии подсветки в первую очередь проводят визуальный осмотр платы на наличие обгоревших участков, особенно во вторичных цепях - в месте разъемов, через которые к ней подключаются лампы. Довольно часто из-за плохого качества разъема контакт нарушается, и инвертор переключается в режим защиты (см. описание). Проверяют электролитические конденсаторы на отсутствие вздутий корпуса и резисторы - на отсутствие гари на корпусе.
Если визуальный осмотр ничего не дал, на инвертор подают питающее напряжение и с помощью осциллографа (необходимо использовать внешний щуп-делитель с высоким входным сопротивлением) проверяют наличие выходного напряжения на лампах. Если оно равно нулю, проверяют цепь питания инвертора: подачу 15 В (предохранитель F301 в этой цепи). Как правило, предохранитель сгорает по причине неисправности силовых ключей в составе сборки U301. Их легко диагностировать с помощью омметра.
Если 15 В на схему поступает и короткого замыкания нет, проверяют наличие питания и управляющих сигналов(включение, уровень яркости) на микросхеме U201. Косвенным признаком исправности контроллера является наличие сигнала частотой 50...60 кГц на выв. 12 и частотой около 300 Гц на выв. 13. Кроме того, на выв. 16 должно быть опорное напряжение 5 В.
Если внутренние генераторы микросхемы работают, а в момент включения ТВ на выходах контроллера появляются и пропадают ШИМ сигналы размахом около 10 В, скорее всего, срабатывает защита. Контролируют уровни напряжений на входах OVP и OLP (см. описание). Если такие сигналы на входах микросхемы присутствуют, необходимо выяснить причину срабатывания защиты и устранить.
В случае, когда после включения лампы вспыхивают и сразу же гаснут, для диагностики неисправной лампы можно применить метод сравнения. Осциллограф поочередно подключают к "холодному" выводу каждой лампы и в момент включения контролируют сигнал: его форма не важна, важно отличие сигнала от других. Например, на трех лампах уровень сигнала 3 В, а на одной 1.2 В. Если в цепи лампы обрыв, на экране осциллографа в этом случае будут помехи ("мусор").
В каждом из двух выходных каналов лампы включены последовательно, значит в случае дефекта (обрыва) одной из ламп не будет работать весь канал. В этом случае неисправную лампу можно заменить эквивалентом - керамическим конденсатором номиналом 270 пФ (для 17-дюймовых мониторов) или 470 пФ (для 19-дюймовых мониторов) с рабочим напряжением не менее 1,5 кВ.
Типовая неисправность такого инвертора - короткое замыкание одной из вторичных обмоток трансформатора (см. рис. 7). Если такой трансформатор найти не удалось, можно решить проблему следующим образом. Скальпелем аккуратно удаляют остатки обмотки, а с обратной стороны платы обрезают дорожки, к которым подключены выводы обмотки. На плате необходимо выпаять (или обрезать дорожки) катоды диодов диодных сборок соответствующего канала. Например, для неисправной обмотки 3-4 Т303 это катоды правых (по схеме) диодов сборок D211, D221, D212, D222, а сборку D201 необходимо выпаять целиком. Для равномерной подсветки подключают к исправному каналу одну верхнюю и одну нижнюю лампы.

Рис. 7. Типовая неисправность инвертора IP-35155A - короткое замыкание высоковольтной обмотки трансформатора
В случае если подсветка работает нестабильно (яркость самопроизвольно изменяется), это может быть связано со стабильностью входного сигнала управления яркостью (B-DIM или A-DIM), а также неисправностью элементов время-задающей цепи генератора (см. описание). Элементы цепи проверяют заменой. Если результата нет - заменяют контроллер.
Литература и интернет-источники
1. Samsung Electro-Mechanics. Specification IP-35155A (P).
2. Samsung Electro-Mechanics. Halfbridge invertet driver IC SEM2005.
3. Fairchild Semiconductor FSDM0465RB. Green Mode Fairchild Power Switch (FPSTM).
4. http://monitor.net.ru/forum/.
Автор: Николай Елагин (г. Зеленоград)
Источник: Ремонт и сервис