Для выравнивания давления в нестабильных системах водоснабжения нередко используют насос подкачки, особенно это важно для работы газового водонагревателя, требующего для работы автоматики давления воды не менее 0,1 МПа (1 кгс/см2 или примерно 750 мм рт. ст.). Большое распространение получили недорогие насосы X15G-15 (китайского производства), они с успехом справляются со своими функциями. В комплект входит датчик движения воды, состоящий из геркона, резистора и симистора (рис. 1). Защита от сетевых помех, к сожалению, не предусмотрена. Если не сработал датчик движения (а для того чтобы он сработал, необходимо давление не менее 0,1 МПа), предусмотрено ручное включение. В итоге при эксплуатации, если вы вручную включили насос и, закрыв кран, не выключили его, насос очень быстро сгорает (такое чаще всего случается у детей и домохозяек). Кроме того, по сети приходят такие помехи, что симистор может открыться и остаться в этом состоянии, а поскольку краны закрыты, насос также сгорает (что у меня и произошло). Наконец, даже когда всё в порядке, насос зачастую работает зря, так как давление в водо-сети иногда повышается до того значения, за которое мы платим, и нужды в подкачке нет, а электросчётчик тем не менее крутится...

Рис. 1. Схема насоаса
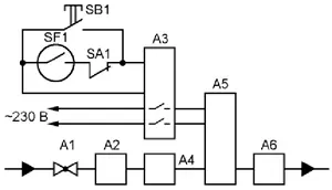
От всех этих недостатков свободно предлагаемое устройство управления насосом подкачки воды. Совмещённая структурная схема водопровода в доме (от ввода до потребителей - раковины, ванны, сливного бачка и т. п.) показана на рис. 2. Здесь A1 - кран, А2 - фильтр очистки воды, А3 - устройство управления насосом, А4 - доработанный манометр (его контакты - SA1), А5 - насос, А6 - датчик движения воды (его состояние передаёт геркон SF1), SB1 - кнопка ручного пуска насоса. Чёрными треугольниками показано направление движения воды.

Рис. 2. Совмещённая структурная схема водопровода в доме
Манометр, подвергшийся доработке, - стандартный на 6 атм. На фото (рис. 3) он показан со снятыми крышкой и стрелкой. Доработка заключалась во введении в него микропереключателя 4 с рычагом 3 и подбору его положения относительно механизма манометра. Микропереключатель закреплён двумя винтами на небольшой поворотной пластине из стеклотекстолита, закреплённой, в свою очередь, винтом 2 на плате 5. Положение микропереключателя относительно кулачка 1 подобрано (при ослабленном креплении поворотной пластины винтом 2) таким образом, чтобы при давлении 0,1 МПа (1 атм.) кулачок переводил микропереключатель в выключенное состояние и в дальнейшем (при повышении давления) скользил по его рычагу 3, не изменяя состояния контактов.

Рис. 3. Манометр, подвергшийся доработке
Механизм доработанного манометра смонтирован на стеклотекстолитовой плате 5 и помещён в стандартную (размерами100х100х50 мм) электрическую коробку ТУСО для открытой проводки, в дне которой проделано отверстие для кнопки ручного пуска SB1. Все элементы устройства изготовлены из пластика и других неэлектропроводных материалов, сам манометр вкручен в тройник после очистного фильтра А2. Вместо манометра можно использовать СДУ (сигнализатор давления универсальный), но шкалы у него нет.
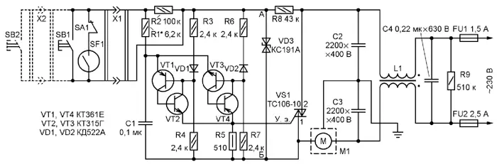
Принципиальная схема устройства, представляющего собой, по сути, электронный выключатель с фазоимпульсным управлением симистором и стандартным сетевым фильтром, изображена на рис. 4. Электродвигатель насоса M1 подключён к сети не непосредственно, а через электронный ключ, функции которого выполняет симистор ТС106-10 (VS1). При положительной полуволне сетевого напряжения его работой управляет аналог однопереходного транзистора, собранный на транзисторах VT1, VT2, а при отрицательной - такое же устройство на транзисторах VT3, VT4. При положительной полуволне двуханодный стабилитрон VD3 создаёт питающее напряжение, плюс которого находится в точке А, а минус - в точке Б. По этой причине диод VD2 закрыт, ток через делитель напряжения R6R7 не течёт и транзисторы VT3, VT4 закрыты. В то же время благодаря цепи R1C1 при замкнутых контактах манометра (SA1), датчика воды (SF1) или нажатой кнопке SB1 (SB2) напряжение на конденсаторе С1 в самом начале полуволны быстро превосходит напряжение в средней точке делителя R3R4 и открывается однопереходный транзистор VT1VT2. При этом конденсатор разряжается через управляющий переход симистора VS1, он открывается и через двухобмоточный дроссель L1 подключает электродвигатель насоса к сети. В следующий полупериод сетевого напряжения полярность напряжения на стабилитроне VD3 меняется на обратную, открывается однопереходный транзистор VT3VT4, конденсатор С1 вновь разряжается через управляющий переход и т. д.

Рис. 4. Принципиальная схема устройства
Если немного понизить (на 7...10 В) переменное напряжение питания насоса, достаточно увеличить сопротивление резистора R1, т. е. изменить постоянную времени цепи (R1+R2)C1 - электродвигатель насоса работает мягче и тише, на производительности это не сказывается. Потребляемый устройством ток не превышает 5 мА.
Симистор ТС106 (гр. 3, 4 и выше) выбран ввиду малых размеров и именно по данной схеме включения открывается в обоих направлениях устойчиво и надёжно. Тем не менее резисторы делителей напряжения надо подобрать с небольшим (желательно 5%-ным) допускаемым отклонением от номинала. Теплоотвод для симистора не требуется. Вместо ТС106-10 можно применить отечественный КУ208В или подходяший импортный. Диоды VD1, VD2 - любые выпрямительные малой мощности. При отсутствии двуханодного стабилитрона (VD3) можно включить встречно-последовательно два стабилитрона с одинаковым напряжением стабилизации. Конденсатор С1 - КМ, МБМ, КЛС, С2, С3 - БМТ-2, С4 - плёночный К73-17 с номинальным напряжением не менее 630 В. Двухобмоточный дроссель L1 намотан на ферритовом (2000НМ1) кольце типоразмера 24x14x10 и содержит 2x20 витков провода ПЭВ-2 0,8.
Детали устройства смонтированы на небольшой (40x30 мм) плате из стеклотекстолита. После монтажа и проверки на работоспособность она помещена в спичечный коробок и залита эпоксидной смолой с добавлением двух капель ди-бутилфталата. Установлена она вместе с сетевым фильтром (он смонтирован в отдельной коробке ТУСО) вблизи насоса.
При монтаже корпус насоса необходимо соединить с точкой соединения выводов конденсаторов С2, С3 и клеммы заземления. Если кнопки SB1, SB2 размещены на большом удалении от платы устройства, для соединений следует использовать экранированный провод, оплётку которого также необходимо подключить к клемме заземления.
При желании ещё одну кнопку ручного пуска (на схеме - SB2) можно смонтировать на кухне, подключив её через подходящий разъём X2 параллельно кнопке SB1. Поскольку детали устройства гальванически связаны с электросетью, корпус дополнительной кнопки должен быть изготовлен из изоляционного материала.
В работе устройства возможны следующие режимы.
Режим 1. Кран закрыт, датчик движения воды выключен (геркон SF1 разомкнут), контакты манометра замкнуты, устройство выключено, насос выключен.
Режим 2. Кран открыт, давление в водопроводе нормальное (3 кгс/см2), контакты манометра (SA1) разомкнуты, контакты датчика движения (SF1) замкнуты, устройство выключено, насос выключен.
Режим 3. Давление воды упало и стало менее 1 кгс/см2, но более 0,1 кгс/см2. Контакты манометра (SA1) и датчика движения (SF1) замкнуты, устройство включено, насос включён и поддерживает во включённом состоянии датчик движения воды независимо от дальнейшего понижения давления на вводе. Если давление поднялось и стало выше 1 кгс/см2, устройство переходит в режим 2, а при закрывании крана или прекращении подачи воды выключается.
Режим 4. Давления недостаточно для включения датчика движения воды (SF1 разомкнут), контакты SA1 манометра замкнуты, устройство выключено, насос выключен. Для пуска воды необходимо нажать на кнопку SB1 или SB2 на 4.7 с. Если вода в системе есть, то устройство включит насос и перейдёт в режим 3. Если же вода не течёт, проверьте наличие её в системе водоснабжения, удерживать кнопку нажатой дольше, чем указано, нельзя - это приведёт к порче деталей насоса.
Режим 5. Если по какой-либо причине прекратилась подача воды, а насос работал в автоматическом режиме, контакты SA1 манометра остаются замкнутыми, но размыкается геркон SF1 датчика движения воды и устройство выключает насос, т. е. система переходит в режим 4.
Автор: К. Степанов, г. Таганрог