В последнее время коротковолновики часто выезжают в различные экспедиции по родному краю и берут с собой любительскую радиостанцию. Причём в предполагаемых местах работы далеко не всегда имеются деревья для установки простых проволочных антенн, а вести с собой антенные мачты - это заметная дополнительная весовая нагрузка. Мурманские радиолюбители разработали простую антенну, для установки которой используется рыболовное удилище.
Зта трёхдиапазонная "дельта" была разработана для выездной работы. От предыдущей однодиапазонной версии, описанной в [1], она также отличается большей высотой подвеса и способом установки.
Собственно антенна (рис. 1) - это вписанные друг в друга диапазонные треугольники с питанием по коаксиальному кабелю с волновым сопротивлением 50 Ом, подключаемому в один из катетов. У треугольника антенны диапазона 20 метров периметр равен 21,6 м, а точка питания у него удалена от его вершины на расстояние 5,31 м. У треугольника антенны диапазона 15 метров периметр равен 14,4 м, а точка питания удалена от его вершины на расстояние 3,54 м. У треугольника антенны диапазона 10 метров периметр равен 10,7 м, а точка питания удалена от его вершины на расстояние 2,63 м. Расстояния между треугольниками при монтаже антенны указаны на рис. 1.

Рис. 1. Чертёж антенны
Полотна антенн выполнены из монтажного одножильного провода сечением 0,5 мм2 в ПВХ-изоляции. Концы полотен с помощью напаянных наконечников и болтов М4 прикреплены к стеклотекстолитовым пластинам (рис. 2) с установленными на них разъёмами PL-239 для подключения коаксиальных кабелей питания. Углы полотен связаны между собой рыболовным капроновым шнуром марки "Danline" диаметром 3 мм, стойким к растяжению и ультрафиолету. Чтобы форма антенны оставалась неизменной, после примерки на земле в углах крепления завязаны "мёртвые" узлы.

Рис. 2. Стеклотекстолитовые пластины с установленными на них разъёмами PL-239
Мачтой антенны служит рыболовное удилище длиной 9 м из стеклопластика. Наверху мачты закреплено текстолитовое кольцо, к которому, в свою очередь, с помощью заводных колец из рыболовного магазина крепится блок для троса и карабины для двух оттяжек. Капроновый шнур, которым связаны вершины всех треугольников, пропущен через блок, и его нижний конец крепится к штативу-треноге. Нижние углы треугольников также растягиваются шнуром и закрепляются за ветви кустов или колышки для туристической палатки.
После подъёма на мачту и растяжки полотна антенны проводится настройка в резонанс всех трёх антенн. Длину треугольников антенн надо изначально взять несколько большей, чем приведено в начале статьи, так как отрезать излишек проще, чем припаять недостающее. КСВ антенн - не более двух-трёх в зависимости от диапазона. В процессе настройки также выяснилось, что резонансные частоты антенн зависят от подстилающей поверхности. На берегу солёного моря он стремится вниз, а на гранитной сопке - вверх. Например, для диапазона 20 метров изменение частоты резонанса составило более ±250 кГц (13860... 14380 кГц) при расчётной частоте 14120 кГц! Встроенный в трансивер антенный тюнер, конечно, без труда с этим справлялся.
Основной проблемой при разработке этой антенны была система коммутации треугольников. Переключатель (например, ручной механический) на три положения может быть расположен и в шэке, но тогда надо тянуть к антенне три кабеля. А это лишний вес в экспедиции! К тому же для рамочных антенн требуется переключать не только центральные проводники, но и оплётки. Выбегать из палатки и переключать разъёмы у единственного кабеля тоже не выход, да и потеря времени. Подходящие промышленные коммутаторы мне не попадались, и выход виделся один - самому сконструировать и изготовить переключатель под свою конкретную задачу!
С требованиями к нему я определился сразу: кнопочный, квазисенсорный с блокировкой и взаимовыключением. Для пульта управления переключателем приглянулся корпус от старого dial-up модема. Его светодиоды сменили назначение - они теперь индицируют не только включение коммутатора, но и подключённую в данный момент антенну.
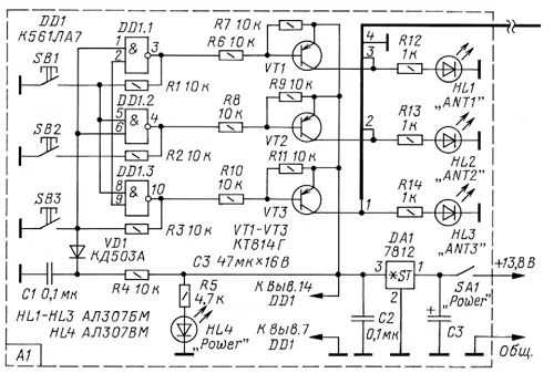
За основу коммутатора была взята схема трёхстабильного триггера на микросхеме DD1, описанного в [2], дополненная транзисторными ключами VT1-VT3 и стабилизатором напряжения питания на микросхеме DA1 (рис. 3).

Рис. 3. Схема трёхстабильного триггера
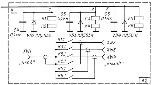
Релейный блок коммутации антенн (рис. 4) выполнен в отдельном корпусе, который спаян из фольгированного с двух сторон стеклотекстолита и оклеен декоративной плёнкой (рис. 5). Управляющий кабель - витая пара 4x2 для компьютерных вычислительных сетей UTP-5e длиной около 15 м. Для предотвращения наводок и ложных срабатываний на один из концов кабеля надета ферритовая трубка от сигнального кабеля компьютерного монитора. Катушки реле с той же целью зашунтированы конденсаторами. Реле К1 - К6 - 882N-1СР-S (китайской фирмы SONG CHUAN) на рабочее напряжение 5 В с одной группой нормально разомкнутых контактов. Вся конструкция рассчитана на питание от автомобильного аккумулятора или блока питания трансивера.

Рис. 4. Схема релейного блока коммутации антенн

Рис. 5. Смонтированный релейный блок коммутации антенн
В отличие от предыдущей конструкции [1], где для фиксации основания мачты антенны использовался наезд колесом автомобиля на крепёжную площадку, здесь был использован штатив-тренога, что исключило "автозависимость" антенны.
Штатив изготовлен из сантехнической ПВХ-трубы длиной 150 см с внутренним диаметром 50 мм и пробкой в раструбе, двухраструбной муфты, а также старых дюралюминиевых лыжных палок. В раструбе муфты просверлены три отверстия под 120о и установлены мебельные петли. Выступающие с внутренней стороны винты петель сточены напильником. Лыжные палки со стороны рукояток отпилены на необходимую длину, затем этой же стороной надеты на шарнир петли и зачеканены керном. Для фиксации муфты в развёрнутом положении треноги в ней и трубе просверлены соосно сквозные отверстия диаметром 5 мм, в которые вставляется гвоздь "сотка". К этому же гвоздю крепится фал, которым поднимается вся конструкция из треугольников.
Оттяжки из пропиленового шнура намотаны на мотовильце, изготовленное из отрезка ПВХ-кабель-канала сечением 15x25 мм. В него помещается весь капроновый шнур-оттяжка и не путается. Каждая нога штатива усилена дополнительной направляющей. Конструкция треноги представлена на фотографии (рис. 6).

Рис. 6. Конструкция треноги
Порядок установки антенны такой. Сначала раздвигают треногу, потом мачту, предварительно надев на неё текстолитовое кольцо с заводными кольцами, к которым крепятся карабины с капроновыми шнурами оттяжек и блок. Пропускают фал через блок и поднимают антенну. Коллеги держат оттяжки. Подняв треугольники, расправляют их, помощник один угол натягивает, отходя от мачты, я - синхронно другой, крепим или заглубляем колышки. Подключаем кабели, ослабляя и натягивая оттяжки, равняем по вертикали мачту, чтобы сильно не гнулась в сторону. Время полного развёртывания занимает не более получаса.
С этой антенной были предприняты несколько поездок по местам боёв времён Великой Отечественной войны на Кольском полуострове, по островам Баренцева и Белого морей.
Литература
1. Иноземцев Д. Походная "дельта" на 14 МГц. - Радио, 2014, № 12, с. 55, 56.
2. Бирюков С. А. Цифровые устройства на МОП-интегральных микросхемах. - М.: Радио и связь, 1990. 128 с.; ил (Массовая радиобиблиотека, вып. 1132).
Автор: Дмитрий Иноземцев (UA1ZKI), г. Мурманск