Одним из российских предприятий выпущен сверхъяркий светодиод КИПД 140 в различных исполнениях - монохромном и с белым излучением. Монохромные светодиоды выпустились синего, красного, желтого и зеленого цветов. Технические характеристики светодиодов белого света приведены в таблице 1. Данные светодиоды без оптического концентратора излучают свет в угле 120 градусов. Диапазон рабочих температур - от -40 до +70°С.
Таблица 1. Технические характеристики светодиодов КИПД 140
Исполнение | Группа | Цветовая температура, °К | Рабочий ток, мА | Прямое падение напряжения, В | Световой поток, лм |
КИПД140А-120-1Б-1,2 | U | 4500...5000 | 350 | 4,0 | 80 |
V | 5000...5650 | ||||
W | 5650...6300 | ||||
X | 6300...7000 | ||||
Y | 7000...10000 | ||||
КИПД140А-120-2Б-1,2 | U | 4500...5000 | 700 | 120 | |
V | 5000...5650 | ||||
W | 5650...6300 | ||||
X | 6300...7000 | ||||
Y | 7000...10000 |
Средняя светоотдача этих светодиодов составляет 57 лм/Вт для исполнений на ток 350 мА и 42 лм/Вт - для исполнения на ток 700 мА.
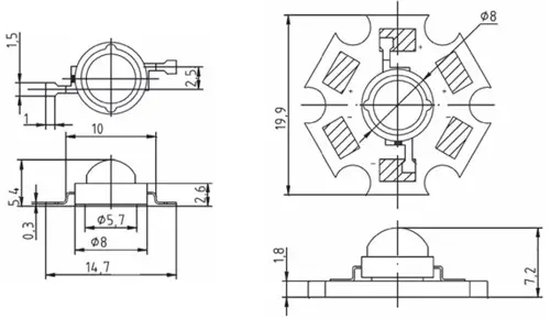
На рис. 1а представлен внешний вид исполнения Emitter, предназначенного для монтажа на печатную плату, а на рисунке 1б - внешний вид исполнения Star, укомплектованного теплопроводящей печатной подложкой. Конструктивные размеры КИПД 140 исполнений Emitter и Star приведены на рис. 2а и 2б соответственно.

Рис. 1. Внешний вид светодиодов КИПД 140: а - исполнение Emitter, б - исполнение Star

Рис. 2. Конструктивные размеры светодиодов КИПД 140: а - исполнение Emitter, б - исполнение Star
Выпустилась также вторичная оптика для применения со светодиодами исполнения Star. Она позволяет сформировать излучение в углах 5, 10, 20, 30, 45, 65 и 15x60 градусов. Внешний вид вторичной оптики представлен на рис. 3.

Рис. 3. Вторичная оптика для светодиодов КИПД 140 исполнения Star
Интерес для потребителей также могут представлять светодиодные модули типа МПС, выпускаемые этим же производителем.
Конструктивно все модули серии МПС представляют собой печатную плату (круглой, квадратной или прямоугольной формы, в зависимости оттипономинала) на алюминиевом основании, которая подключается посредством пайки к драйверу светодиодов, обеспечивающему стабильный ток. В основе модулей лежат все те же светодиоды типа КИПД 140 (монохромные или белого света). Из модулей МПС можно формировать излучающую матрицу. Производители не рекомендуют эксплуатировать модули МПС в условиях повышенной влажности и агрессивных сред, в противном случае требуется их установка в защитные корпуса (светильники) с герметизацией. Допускается применение вторичной оптики в соответствии с рис. 3.
В таблице 2 приведены основные типономиналы модулей МПС белого света, а на рис. 4 показан внешний вид исполнений.
Таблица 2. Типономиналы модулей МПС
Типономинал модуля МПС | Рабочий ток, мА | Световой поток, лм | Прямое падение напряжения, В | Количество в модуле, шт | Габаритные размеры, мм |
МПС-В50-04Б-01 | 350 | 340 | 13,5 | 4 | 50x50 |
МПС-В50-04Б-03 | 700 | 500 | 14,5 | ||
МПС-К47-03Б-01 | 350 | 260 | 10,5 | 3 | ø 47 |
МПС-К47-03Б-03 | 700 | 380 | 11,0 | ||
МПС-К55-03Б-01 | 350 | 260 | 10,5 | 3 | ø 55 |
МПС-К55-03Б-03 | 700 | 380 | 11,0 | ||
МПС-К80-06Б-01 | 350 | 500 | 20,5 | 6 | ø 80 |
МПС-К80-06Б-03 | 700 | 650 | 21,5 | ||
МПС-К100-09Б-01 | 350 | 750 | - | 9 | ø 100 |
МПС-К100-09Б-03 | 700 | 1100 | - | ||
МПС-Л25/100-03Б-01 | 350 | 260 | 10,5 | 3 | 100x25 |
МПС-Л25/100-03Б-03 | 700 | 380 | 11,0 | ||
МПС-Л30/155-06Б-01 | 350 | 500 | - | 6 | 155x30 |
МПС-Л30/155-06Б-03 | 700 | 750 | - | ||
МПС-Л30/285-08Б-01 | 350 | 650 | - | 8 | 285x30 |
МПС-Л30/285-08Б-03 | 700 | 1000 | - |

Рис. 4. Исполнения светодиодных модулей МПС: а - МПС-В50, б - МПС-К47, в - МПС-К55, г - МПС-К80, д - МПС-К100, и - МПС-Л25-100, к - МПС-Л30/155, л - МПС-Л30/285
К модулям круглого исполнения платы в комплекте может поставляться групповая вторичная оптика (рис. 5) типов spot (угол излучения ±4°), medium (угол излучения ±14°) и wide (угол излучения ±23°). Такая оптика потребуется при разработке остронаправленных осветительных приборов.

Рис. 5. Групповая вторичная оптика: а - spot (угол излучения ±4°), б - medium (угол излучения ±14°), в - wide (угол излучения ±23°)
Серийный выпуск светодиодов КИПД 140 белого света открыл широкие возможности для производства готовых осветительных приборов. Такие приборы тоже выпустились тем же производителем и предназначены для замены традиционных светильников энергосберегающими. Эти светильники, по сравнению с традиционными, обладают сниженным до 10 раз энергопотреблением, при этом их средний срок службы составляет около 100 тысяч часов (12 лет непрерывной работы). Дополнительные преимущества светильников: отсутствие необходимости технического обслуживания, высокая механическая стойкость вследствие отсутствия хрупких стеклянных колб и нитей накала, низкий пусковой ток, отсутствие вредных для глаз низкочастотных пульсаций, очень хорошая цветопередача (Ra составляет 80...85).
В качестве примера приведем некоторые исполнения светильников со светодиодными светоизлучающими элементами.
Светильник "Спектр 100" (CCO-Б-220-005 УХЛ1) показан на рис. 6. Он обеспечивает световой поток не менее 10000 лм при потребляемой мощности 130 Вт и питании от сети переменного тока 220 В/50 Гц. Габаритные размеры корпуса светильника - 1240x180x110 мм, масса - 10 кг. Светильник применяется в системах наружного освещения.

Рис. 6. Светильник "Спектр 100"
Светильник "СП-56" показан на рис. 7. Он заменяет классический прожекторный светильник с галогенной лампой мощностью 100 Вт и создает световой поток не менее 850 лм, потребляемая мощность - не более 15 Вт при питающем напряжении 220 В/50 Гц. Габаритные размеры светильника - 185x150x120 мм, масса - 1,5 кг.

Рис. 7. Светильник "СП-56"
Светильник "Армстронг 1" (ССП-А-220-001) для освещения внутренних помещений показан на рис. 8. Он создает световой поток не менее 4000 лм, потребляемая мощность не более 32 Вт. Габаритные размеры корпуса - 595x595x70 мм, масса - 4 кг.

Рис. 8. Светильник "Армстронг 1"
Светильник "СП-54" предназначен для освещения лестничных площадок, переходов, тамбуров, различных небольших помещений. Внешний его вид приведен на рис. 9. Светильник создает световой поток не менее 700 лм при потреблении не более 10 Вт. Габаритные размеры - 320x110x48 мм, масса - 0,5 кг Кроме этого, в Росии освоен выпуск цокольных светодиодных ламп взамен ламп накаливания с винтовым цоколем типа Е27 и Е14.

Рис. 9. Светильник "СП-54"
Автор: Борис Семенов (г. Санкт-Петербург)
Источник: Ремонт и сервис