Автор предлагает варианты узлов высококачественных усилителей мощности с распространёнными интегральными микросхемами УМЗЧ (LM1875, LM3886 и TDA7293) в многоканальной усилительной структуре с применением высокоскоростных ОУ. Это позволило получить качественные характеристики усилителей, как и в сложных конструкциях на корпусных биполярных и полевых транзисторах.
В этой статье продолжена тема многоканальных усилительных структур (МКУС), в которых реализованы по максимуму определённые критерии отрицательной обратной связи (ООС). В целом она представляет собой логическое продолжение предыдущей публикации [1]. Здесь мы рассмотрим несколько версий "выносного" усилителя мощности (ВУМ) на основе мощных интегральных ОУ и специфику их применения в УМЗЧ с высокой линейностью амплитудной характеристики.
Как уже отмечалось в предыдущей публикации, параметры самой ООС в усилителях должны быть высокими и базироваться на предельных значениях критериев, только в этом случае ООС может подавить искажения усилителей до исчезающе малых значений. Однако в подавляющем большинстве усилителей весьма плохо реализованы эти предельные критерии ООС.
В усилителях на основе мощных интегральных ОУ выполнение этих критериев работы ООС наиболее проблематично. Причина - применение многокаскадных транзисторных структур и ограничение полосы частот каскадов, охватываемых обратной связью. Как следствие, в УМЗЧ на основе мощных интегральных ОУ время реакции петли ООС (ВРП ООС) получается весьма заметным, приводящим к многократному расширению спектра гармоник. Также весьма большим получается и коэффициент деления по петле ООС, который задаёт коэффициент передачи усилителя. Это существенно снижает точность и эффективность работы системы автоматического регулирования в таких усилителях.
Большое ВРП ООС в этих усилителях приводит к низким перегрузочным характеристикам самого УМЗЧ, причём в различные моменты периода сигнала это время может изменяться. Соответственно, и перегрузочные характеристики в разные моменты сигнала могут сильно различаться. Заметный негативный вклад в нестабильность ВРП ООС вносит несимметрия плеч выходного каскада мощного ОУ.
Следует отметить, что сама идея получения высококачественного усиления при однокристальном решении достаточно проблематична. Мощные импульсы тока и напряжения плохо соседствуют с малосигнальным входным каскадом, от которого и зависит точность выходного напряжения.
У большинства мощных интегральных ОУ исключена возможность применения стопроцентной ООС на ВЧ. Эта их особенность, даже при наличии внешних ВЧ-структур и одновременно низких перегрузочных характеристиках и весьма большом ВРП ООС, делает подобные усилители плохо управляемыми. Подача мощного ВЧ-импульса от управляющей ВЧ-структуры на вход мощного интегрального ОУ приводит к перегрузке его входного каскада, что эквивалентно блокированию ООС и ведёт к её выключению, со всеми вытекающими отсюда последствиями.
Однако возможно техническое решение, когда сигнал уже сформирован другим маломощным усилителем с соответствующими АЧХ и ФЧХ, который работает со своей стопроцентной ООС на ВЧ. Мощный интегральный ОУ лишь дополнительно усиливает (масштабирует) входной сигнал. В этом случае управляющая ВЧ-структура (главный канал [2]) в весьма небольших пределах "уточняет" сигнал на входе мощного интегрального ОУ. Другими словами, корректирующий сигнал, поступивший от внешней управляющей ВЧ-структуры на вход мощного интегрального ОУ, приходит существенно ослабленным.
При таком техническом решении ООС не может эффективно корректировать сигнал на выходе мощного интегрального ОУ и полностью устранить его недостатки. Это обусловлено глубинными проблемами самих мощных интегральных ОУ. Однако в этом варианте, если ООС не прерывается, возможна работа подобных усилителей в том случае, когда управляющая ВЧ-структура дополнительно корректирует мощный выходной сигнал.
Очень важно отметить, что полученный таким образом усилитель может обладать достаточно высокими параметрами ООС, т. е. иметь крайне малое ВРП ООС и допускать стопроцентную ООС на ВЧ. Подобный усилитель может быть применён как один из вариантов ВУМ для УМЗЧ, опубликованного ранее в [1]. Примером такого усилителя может служить схема, показанная на рис. 1.

Рис. 1. Схема усилителя
Структурная схема усилителя, обозначим его как ВУМ3, состоит из главного канала на ОУ 5DA1, дополнительного корректирующего ВЧ-усилителя на ОУ 5DA4, мощного канала усиления на ОУ 5DA2 и 5DA3 (LM1875). Сумматор на выходе ВУМ3 объединяет сигналы, поступающие от ОУ 5DA1, 5DA3, 5DA4. В качестве главного канала применён радиочастотный ОУ [3, 4]. Это позволяет получить крайне малое время реакции петли ООС и её работу в широкой полосе частот (до 200 МГц). Сам усилитель ВУМ3 охвачен стопроцентной ООС на ВЧ.
Стрелки на рисунках указывают направление следования сигнала, причём маломощный сигнал показан одиночной стрелкой, а мощный - двойной. Внутренний выход усилителя ВУМ3 обозначен на схеме как контрольная точка (КТ1) с утолщением. Нумерация элементов в этом усилителе начинается с дополнительного цифрового префикса5. Здесь отметим, что и в ранее опубликованных схемах блоков ВУМ1 и ВУМ2 (рис. 6 и 7 в [1]) есть префикс в нумерации элементов - соответственно 3 и 4. Отсутствие префикса в нумерации элементов означает, что эти элементы находятся в блоке прецизионного усилителя сигналов (ПУС) (см. рис. 5 в [1]).
Принцип работы ВУМ3 аналогичен работе блоков ВУМ1 и ВУМ2 (рис. 6, 7 в [1]). Главный канал (ОУ 5DA1) осуществляет замыкание петли ООС блока ВУМ3 через элементы 5C4 и 5C5, 5R5. Сигнал с выхода ОУ 5DA1 через элементы 5C4 и 5C5, 5R5 поступает на выход ВУМ3 в точку КТ1. Далее через цепь ООС из элементов 5C3 и 5R7 сигнал возвращается на вход ОУ 5DA1; этим замыкается петля ООС на ВЧ (выше 50 МГц).
Одновременно сигнал с выхода ОУ 5DA1 приходит и на вход корректирующего ВЧ-усилителя (до 100 МГц) средней мощности на ОУ 5DA4, где резисторы 5R18, 5R19 задают его коэффициент передачи. Соответственно, главный канал на ОУ 5DA1 с помощью ОУ 5DA4 корректирует сигнал на выходе ВУМ3. То есть с выхода ОУ 5DA4 через катушку индуктивности 5L2 сигнал поступает на выход ВУМ3 в точку КТ1; этим замыкается петля ООС в полосе частот 200 кГц...50 МГц.
С выхода ОУ 5DA1 сигнал поступает также и на вход мощного ОУ 5DA3. Усилитель на ОУ 5DA2 формирует из входного сигнал с соответствующей АФЧХ и также подаёт его на вход мощного ОУ 5DA3. Сумматор-делитель 5R9-5R12 объединяет сигналы, поступившие от этих ОУ, и подаёт его на вход мощного ОУ 5DA3. Мощный усилитель на ОУ 5DA3 охвачен своей местной ООС, резисторы (5R14/5R15+ 1 = 11) задают его коэффициент передачи. С выхода ОУ 5DA3 через катушку 5L1 мощный низкочастотный (звуковой) сигнал поступает на выход ВУМ3 в точку КТ 1; этим замыкается петля ООС на НЧ (ниже 200 кГц).
Основная часть сигнала на выходе мощного ОУ 5DA3 состоит в основном из сигнала, поступившего с выхода ОУ 5DA2. Общий коэффициент передачи в тракте мощного канала усиления на ОУ 5DA2 и ОУ 5DA3, с учётом уменьшения сигнала в сумматоре-делителе на резисторах 5R9-5R12, должен быть равен 5R7 / 5R6 = 5. То есть (5R2/5R1) х (1/(1 + + (5R10 / ((5R11 х 5R12) / (5R11 + + 5R12))))) х (5R14/5R15 + 1) = 5R7 /5R6.
Главный канал на ОУ 5DA1 уточняет в очень небольших пределах сигнал на входе мощного ОУ 5DA3 (5R11"5R10). Это связано с необходимостью иметь в сумматоре-делителе на 5R9-5R12 достаточно большой коэффициент деления (ослабления) сигнала, который приходит с выхода ОУ 5DA1. В целом этот коэффициент деления приблизительно равен коэффициенту деления по петле ООС (он же и коэффициент передачи) мощного ОУ5DA3, 5R14/5R15+ 1 = 11. То есть 5R11 / ((5R10 х 5R12) / (5R10 + + 5R12)) = 5R14/ 5R15.
Это означает, что суммарный коэффициент передачи тракта (от выхода Оу 5DA1 до выхода мощного ОУ 5DA3) меньше или равен 1. А коэффициент передачи тракта от выхода ОУ 5DA1 до выхода корректирующего ВЧ-усилителя на ОУ 5DA4 равен 2,5. Соответственно, главный канал на ОУ 5DA1 обладает приоритетом (2,5 > 1) и может эффективно корректировать (уточнять) сигнал на выходе ВУМ3 (в точке КТ1), особенно в области частот, где качество усиления ОУ 5DA3 крайне низкое.
Однако это верно только в том случае, если усилитель работает в линейном режиме. Если же усилитель работает в режиме возбуждения или ограничения, то это эквивалентно резкому увеличению усиления (Ку " 1) в тракте мощного канала усиления. Как следствие, главный канал на ОУ 5DA1 не будет обладать существенным приоритетом и не сможет эффективно корректировать (уточнять) сигнал на выходе ВУМ3.
Приоритет главного канала на замыкание петли ООС во многом зависит от коэффициента передачи усилителя на ОУ 5DA4 (5R18 / 5R19 + 1 = 2,5). Понятно, что чем больше коэффициент передачи, ёмкость конденсаторов 5C6 и 5C7 и меньше сопротивление резистора 5R20, тем лучше и эффективней главный канал может корректировать (уточнять) сигнал на выходе ВУМ3. Но это увеличивает выходное напряжение и ток, что, в свою очередь, требует существенного увеличения выходной мощности ОУ.
Совершенно ясно и то, что при наличии достаточно высоких технических характеристик мощного ОУ 5DA3 можно было бы здесь вообще обойтись без дополнительного корректирующего ВЧ-усилителя, как, например, в ВУМ1 и ВУМ2 (рис. 6, 7 в [1]).
Итак, мы получили усилитель, который обладает достаточно высокими параметрами ООС: он имеет крайне малое ВРП ООС и работает под управлением стопроцентной ООС на ВЧ. Одновременно с этим в усилителе отсутствует стопроцентная ООС на звуковых частотах, а прецизионность ООС явно низкая, что обусловлено большим уровнем сигнала на выходе ОУ 5DA1, и общий запас усиления в петле ООС относительно мал.
Крайне малое ВРП ООС при стопроцентной ООС на ВЧ позволяет применить подобный усилитель как один из вариантов внешнего усилителя мощности (ВУМ3), т. е. как мощный усилительный канал в УМЗЧ ([1], рис. 5). В нём главный канал на ОУ DA3 замыкает петлю ООС на ВЧ, контролируя сигнал на выходе УМЗЧ, в точке КТ2, и одновременно управляет блоком ВУМ3. Прецизионный усилитель на ОУ DA4 окончательно формирует (уточняет) выходной сигнал УМЗЧ (в точке КТ2) исходя из критерия своей прецизионной стопроцентной (как на ВЧ, так и на НЧ) общей ООС.
Каждый из ОУ DA4, DA3 и 5DA1 "стабилизирует" сигнал в точке подключения своей ООС, обладая усилением в 70 дБ на частоте 20 кГц. Соответственно, общий коэффициент усиления в петлях ООС, с учётом трёх радиочастотных ОУ и мощного интегрального ОУ 5DA3, составит 3 х 70 + 40 = 250 дБ.
Усилители в блоках ПУС (рис. 5 в [1]) и ВУМ3 должны иметь идентичные коэффициенты передачи, причём с учётом усиления предварительного усилителя общее усиление должно быть равно Кус УМЗЧ. Соответственно, для блока ВУМ3 получаем (R17 / ((R15 х R16) / (R15 + R16))) х (5R7 / (R31 + 5R6)) = КусУМЗЧ = R33 / 2R10. В этих формулах отношение R17 / ((R15 х R16) / (R15 + + R16)) задаёт коэффициент передачи (усиление) предварительного усилителя (ОУ DA1 и ОУ DA2) в блоке ПУС.
Частоты среза петли ООС (блок ВУМ3) и ООС (блок ПУС) должны быть равны, т. е. R33·C17 = R30·C16 = 5R7·5C3 = 5R2·5C1. Соответственно, частота среза УМЗЧ Fсреза = 1 / (2π·R33·C17) = 100 кГц.
Подложка (Thermal pad) микросхемы THS6012 [5] корректирующего усилителя на ОУ 5DA4 должна быть припаяна к плате или к теплоотводу. В качестве альтернативы усилителя на THS6012 (ОУ 5DA4) допустимо применить ОУ AD815, обладающий сходными техническими характеристиками.
Как и в предыдущих версиях выносных усилителей мощности ВУМ1 и ВУМ2 (рис. 6, 7 в [1]), усилитель ВУМ3 имеет два входа: основной вход (инвертирующий) и уточняющий вход (неинвертирующий). Однако на схеме имеются как бы три входа: от одного источника с выхода DA2 (рис. 5 в [1]) подаётся идентичный сигнал на левые выводы резисторов 5R1 и 5R6 через разные дополнительные резисторы R31 и R32.
Безусловно, усилитель, схема которого представлена на рис. 1, может работать и без дополнительной управляющей структуры в виде блока ПУС. В этом случае сигнал следует подать в точку соединения левых выводов резисторов 5R1 и 5R6 (Вход 1). Левый вывод резистора 5R3 (Вход 2) при этом следует соединить с ОП3.
Мощный интегральный ОУ 5DA3 включён по типовой схеме (стандартного) масштабирующего усилителя. Соответственно, в этом качестве вместо LM1875 [6] могут быть применены и другие мощные ОУ, как интегральные, так и транзисторные. Здесь весьма важно, чтобы усилитель обладал высоким быстродействием, т. е. обладал малым ВРП ООС и корректно работал при малом коэффициенте деления в петле ООС.
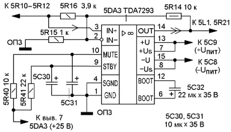
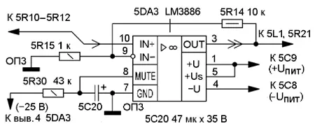
На рис. 2 и 3 приведены схемы мощных интегральных ОУ (микросхемы LM3886 [7] и TDA7293 [8]) с учётом их дополнительных цепей. Эти микросхемы более мощные и допускают большее напряжение питания при нагрузке сопротивлением 4 Ом. В схеме с TDA7293 имеется дополнительный резистор 5R16, который включён между входами микросхемы, этим снижается внутрипетлевое усиление. Цепь местной ООС 5R/ 5R15) во всех трёх вариантах идентична. В этой статье в новых вариантах узла ВУМ3 позиционные обозначения элементов, использованные только в заменяемых узлах ВУМ1, ВУМ2, пропущены.
![Схема мощных интегральных ОУ (микросхемы LM3886 [7] и TDA7293 [8]) Схема мощных интегральных ОУ (микросхемы LM3886 [7] и TDA7293 [8])](/storage/files/Image/radiofan/power_supply/mkus_amplifiers_integrated_circuits/pic2.webp)
Рис. 2. Схема мощных интегральных ОУ (микросхемы LM3886 [7] и TDA7293 [8])
![Схема мощных интегральных ОУ (микросхемы LM3886 [7] и TDA7293 [8]) Схема мощных интегральных ОУ (микросхемы LM3886 [7] и TDA7293 [8])](/storage/files/Image/radiofan/power_supply/mkus_amplifiers_integrated_circuits/pic3.webp)
Рис. 3. Схема мощных интегральных ОУ (микросхемы LM3886 [7] и TDA7293 [8])
К сожалению, многие массовые мощные интегральные микросхемы УМЗЧ подделывают просто в гигантских масштабах. Например, у меня из трёх микросхем TDA2050 с разной маркировкой две отказались должным образом работать при Кус = 10. Это не позволяет рекомендовать микросхему для такого УМЗЧ, хотя её применение не исключается.
В некоторых микросхемах с маркировкой LM1875 обнаружился просто сказочный дефект. Входной импульсный сигнал переводит ОУ в триггерный режим с появлением на выходе ОУ напряжения питания. Ну, и далее - несколько "приятных" моментов, связанных с этим.
Понятно, что качественная маркировка, например лазерная, не является стопроцентной гарантией качественных характеристик и панацеей, но вселяет некоторую надежду. Здесь также следует отметить, что микросхемы LM3886 и TDA7293 подделывают намного меньше из-за их специфичного корпуса.
В качестве двухполярного источника питания +/-9 В может быть применён любой достаточно качественный источник питания. Элементы фильтров питания (см. рис. 1) показаны как бы отдельно и расположены справа от основной схемы. В реальности конденсаторы 5C12 - 5C17 расположены в непосредственной близости от соответствующих ОУ. Это же относится и к конденсаторам 5C8 - 5C11.
Двухполярное напряжение питания мощного выходного каскада может быть в пределах +/-20...30 В. Выходная мощность усилителя при этом составит 40...80 Вт соответственно. Рекомендуемые значения напряжения питания при нагрузке сопротивлением 4 Ом для LM1875, LM3886 и TDA7293 соответственно равны +/-20 В, +/-26 В и +/-28 В (см. рис. 1).
Все катушки индуктивности в блоках ПУС и ВУМ (L1; L2; L3; 3L1; 4L1; 5L1) идентичны, их описание и конструкция описаны в [1]. Катушка индуктивности 5L2 служит для увеличения выходного сопротивления корректирующего ВЧ-усилителя на ОУ 5DA4 на частотах выше 10 МГц. В простейшем случае её может заменить ферритовая бусина, надетая на перемычку.
Результаты измерений собранных УМЗЧ с универсальной МКУС представлены осциллограммами на рис. 4-11, полученными на основе скринов (фото) с осциллографа OWON DS7102V. Сокращённые обозначения в названии конкретного графического файла характеризуют соответствующий режим измерений. Так, МК13 - версия усилителя; обозначение LM1875, LM3886, TDA7293 указывает на тип микросхемы в выходном каскаде измеряемого усилителя; обозначения PUS или BUM характеризуют измерения в блоке ПУС или вУм. Обозначения SIN или MEAN соответствуют режиму измерений с синусоидальным сигналом (20 кГц) или сигналом типа меандр (50 кГц). Обозначения RX или R4 в конце файла указывают режим измерений УМЗЧ без нагрузки (RX) или с подключённой нагрузкой сопротивлением 4 Ом (R4).

Рис. 4. Осциллограммы результатов измерений собранных УМЗЧ с универсальной МКУС

Рис. 5. Осциллограммы результатов измерений собранных УМЗЧ с универсальной МКУС

Рис. 6. Осциллограммы результатов измерений собранных УМЗЧ с универсальной МКУС

Рис. 7. Осциллограммы результатов измерений собранных УМЗЧ с универсальной МКУС

Рис. 8. Осциллограммы результатов измерений собранных УМЗЧ с универсальной МКУС

Рис. 9. Осциллограммы результатов измерений собранных УМЗЧ с универсальной МКУС

Рис. 10. Осциллограммы результатов измерений собранных УМЗЧ с универсальной МКУС

Рис. 11. Осциллограммы результатов измерений собранных УМЗЧ с универсальной МКУС
Следует отметить, что для лучшего отображения при измерениях с сигналом типа меандр один из лучей (синеголубой) смещён на одно деление вперёд (влево), а его параметры указаны в левом верхнем углу. В общем случае методика измерений почти идентична приведённой в [1]. Соответственно, весьма удобно сравнить показанные осциллограммы с аналогичными из [1], причём наиболее информативны осциллограммы с сигналом меандр, которые здесь и представлены.
Заметим, что уровень сигнала на выходе главного канала ВУМ3 (ОУ 5DA1) существенно больше уровня сигнала на выходе главного канала ВУМ1 (ОУ 3DA1) и на выходе главного канала ВУМ2 (ОУ 4DA1). Это свидетельствует о том, что качество работы выходных каскадов усилителей на основе мощных интегральных ОУ в целом ниже по отношению к качеству работы выходных каскадов усилителей, собранных на дискретной элементной базе [1].
Сигнал на выходе главного канала ВУМ3 (ОУ 5DA1) характеризует качество сигнала в точке КТ1 (см. осциллограммы жёлтого цвета в файлах MK13-LM1875-BUM-MEAN-R4, MK13-LM1875-BUM-MEAN-RX - рис. 4, 5). На этих осциллограммах явно присутствуют артефакты (искажения на сигнале минусовой полярности), которые свидетельствуют о неточности работы выходного каскада микросхемы. Осциллограммы для микросхем LM3886, TDA7293 оказались весьмаблизкими по форме, поэтому здесь показаны лишь для одной из них.
Сигнал на выходе главного канала ПУС (ОУ DA3) характеризует качество сигнала в точке КТ1 (см. осциллограммы голубого цвета в этих же файлах). Уровень сигнала на выходе ОУ DA3 намного меньше уровня сигнала на выходе ОУ 5DA1, и при этом он более линеен. Это означает, что сигнал на выходе УМЗЧ (в точке КТ2) обладает намного большей линейностью по отношению к сигналу в точке КТ1. Важно отметить, что уровень сигнала на выходе прецизионного усилителя на ОУ DA4 весьма мал (на всех осциллограммах с обозначением PUS) и не зависит от режима измерений.
Таким образом, можно сделать обобщающий вывод, что в УМЗЧ на основе многоканальных, многоядерных усилительных структур со стопроцентной гиперглубокой ООС качественные характеристики мощного выходного каскада не играют ключевой роли в характеристиках самого УМЗЧ. Варианты усилителя с данной структурой, но с другими мощными выходными каскадами, могут быть весьма разнообразными и неожиданными. Об этом в следующей статье.
Полный комплект файлов осциллограмм для УМЗЧ с МКУС на микро-cxeMaxLM1875, LM3886, TDA7293 можно скачать здесь.
Литература
1. Литаврин А. МКУС в УМЗЧ с биполярными и полевыми транзисторами (универсальная структура). - Радио, 2015, № 10, с. 12-16; №11,с. 7-9.
2. Литаврин А. МКУС в УМЗЧ с гиперглубокой ООС. - Радио, 2013, № 9, с. 8-12; № 10, с. 15-19; №11, с. 8-10.
3. AD8055. - URL: http://www.analog. com/static/imported-files/d ata_sheets/ AD8055_8056.pdf (2.10.15).
4. AD8065. - URL: http://www.analog. com/static/imported-files/data_sheets/ AD8065_8066.pdf (2.10.15).
5. THS6012. - URL: http://www.ti.com/ lit/ds/symlink/ths6012.pdf (11.12.15).
6. LM1875. - URL: http://www.ti.com/lit/ ds/symlink/lm1875.pdf (11.12.15).
7. LM3886. - URL: http://www.ti.com/lit/ ds/symlink/lm3886.pdf (11.12.15).
8. TDA7293. - URL: http://www.st.com/ web/en/resource/technical/document/ datasheet/CD00001887.pdf (11.12.15).
Автор: А. Литаврин, г. Березовский Кемеровской обл.