Вниманию читателей предлагается маршрутный компьютер на микроконтроллере PIC16F876A с внешним датчиком тока, предназначенный для электровелосипеда. На своём дисплее он отображает как параметры движения, так и напряжение аккумуляторной батареи, потребляемые от неё ток, мощность и расход электроэнергии. Устройство выполнено на доступной элементной базе и несложно в повторении.
Для контроля режима работы электровелосипедов используют различные измерительные приборы. Электрические параметры измеряют анализаторами мощности [1, 2], параметры движения контролируют различными электронными велокомпьютерами [3] и даже механическими спидометрами [4]. Существуют даже специальные дисплеи для электровелосипедов [5], показывающие все необходимые параметры, но имеющие высокую стоимость.
Исходя из этого, я разработал маршрутный компьютер для электровелосипеда на микроконтроллере PIC16F876A с внешним датчиком тока.
Основные технические характеристики
Скорость, км/ч...............0...99 (0,5)
Средняя скорость, км/ч............0...99 (0,1)
Полный пробег, км............0...9999,9 (0,1)
Дневной пробег, км ............0...99,9 (0,1)
Затраченная электроэнергия, Вт·ч .............0...99999 (1)
Удельные затраты электроэнергии, Втч/км ........0...99999 (0,1) Заряженность аккумуляторной батареи, % ........0...100 (10)
Напряжение аккумуляторной батареи, В............25...75 (0,1)
Ток нагрузки, А............0...20 (0,1)
Мощность нагрузки, Вт ...........0...10465 (1)
В скобках указана дискретность отображения соответствующего параметра. Текущее время маршрутный компьютер показывает с дискретностью 1 мин.
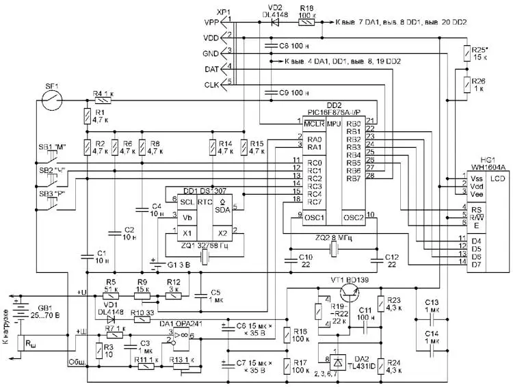
Схема маршрутного компьютера показана на рис. 1. Микроконтроллер DD2 (PIC16F876A-I/P) работает от генератора, стабилизированного кварцевым резонатором ZQ2 частотой 8 МГц. Для программирования микроконтроллера предусмотрен разъём ХР1. Я подключал к нему программатор PICkit2. Программа микроконтроллера была разработана в графической среде Flowcode [6].

Рис. 1. Схема маршрутного компьютера
Измерения напряжения и тока производят с помощью внутреннего 10-разрядного АЦП микроконтроллера. При измерении напряжения сигнал с делителя напряжения R5R9R12 поступает на аналоговый вход AN0 (RA0) микроконтроллера.
При измерении тока падение напряжения на датчике тока Rш усиливает операционный усилитель ОРА241 (DA1). С выхода ОУ усиленный сигнал приходит на аналоговый вход AN1 (RA1) микроконтроллера. Коэффициент усиления устанавливают подстроечным резистором R13 в цепи обратной связи Оу Вместо ОРА241 может быть применён практически любой одинарный rail-to-rail ОУ в корпусе SO-8, например, ОРА340 или TS507. Мощность и расход электроэнергии программа вычисляет исходя из измеренных значений тока и напряжения.
В качестве выносного датчика тока использован стандартный измерительный шунт 75ШИСВ.2-0.5-15 с падением напряжения 75 мВ при токе 15 А. В качестве замены можно использовать любой стандартный шунт с сопротивлением 5...10 мОм или аналогичный самодельный [7].
Питается маршрутный компьютер от линейного стабилизатора напряжения, образованного регулирующим транзистором VT1 и микросхемой TL431ID (DA2). В цепи питания установлена цепь VD1R10C6C7, снижающая помехи, создаваемые работающим электродвигателем. Резисторы R16 и R17 обеспечивают равномерное распределение напряжения между конденсаторами C6 и C7. Максимальное допустимое входное напряжение (напряжение аккумуляторной батареи) зависит от допустимого напряжения коллектор-эмиттер транзистора VT1, его допустимой рассеиваемой мощности, качества теплоотвода и мощности, выделяющейся на резисторах R19-R22. При указанных на схеме элементах стабилизатора напряжение аккумуляторной батареи не должно превышать 75 В. Однако на индикатор прибор способен вывести значения до 102,3 В.
Маршрутный компьютер выполнен на односторонней печатной плате из стеклотекстолита толщиной 1,5 мм. Чертёж печатных проводников платы и расположение элементов на ней приведены на рис. 2 и рис. 3. На рис. 4 показан его внешний вид.

Рис. 2. Чертёж печатных проводников платы

Рис. 3. Расположение элементов на плате

Рис. 4. Внешний вид маршрутного компьютера
С лицевой стороны платы установлены микроконтроллер PIC16F876A, кварцевый резонатор ZQ2, микросхема часов реального времени DS1307, под-строечные резисторы, транзистор VT1, разъём ХР1 (угловая штыревая колодка PLS-5R) и колодка PLS-14 для подключения индикатора HG1. В монтажные отверстия индикатора HG1 впаивают ответную часть разъёма - гнездовую колодку PBS-14. Литиевый элемент питания G1 CR2032 напряжением 3 В установлен в держатель BH-642. Все остальные элементы монтируют со стороны печатных проводников.
Кварцевый резонатор ZQ1 (32768 Гц) цилиндрической формы впаивают в отверстия со стороны печатных проводников рядом с выводами 1 и 2 микросхемы DD1. Верхнюю часть его корпуса припаивают к соединённому с общим проводом участку фольги. Плату маршрутного компьютера крепят к плате ЖКИ на двух металлических стойках высотой 10...12 мм с помощью винтов М3.
Применены резисторы и конденсаторы типоразмера 120б для поверхностного монтажа. Конденсаторы С6 и С7 - оксидные танталовые для поверхностного монтажа в корпусе типоразмера Е. Заменить их можно другими конденсаторами такого же размера ёмкостью 6,8...22 мкФ на напряжение 35 В. Остальные конденсаторы - керамические типоразмера 1206 или 0805.
Заменой n-p-n транзистора BD139 в стабилизаторе напряжения может служить другой транзистор той же структуры в корпусе ТО-126 с допустимым напряжением коллектор-эмиттер более 80 В, например, BD179, MJE182 2N5192, BF469, КТ817Г. Под корпус транзистора подкладывают полоску тонкой листовой меди или алюминия площадью приблизительно 6 см2, служащую теплоотводом. Транзистор крепят к плате винтом М3 с гайкой.
Для уменьшения погрешности измерения шунт Rш, следует располагать как можно ближе к минусовому выводу аккумуляторной батареи. Все подклю чения к маршрутному компьютеру могут быть сделаны проводами небольшого сечения. Для подключения к маршрутному компьютеру геркона SF1 (датчика пути), шунта Rш, и аккумуляторной батареи GB1 использован не показанный на схеме разъём РС7ТВ, установленный на корпусе маршрутного компьютера. Геркон взят от вышедшего из строя электронного велокомпьютера.
Индикация параметров в маршрутном компьютере выводится на четырёхстрочный ЖКИ WH1604A с напряжением питания 5 В без подсветки. Её отсутствие объясняется большим током, потребляемым подсветкой (220 мА), который привёл бы к перегреву транзистора VT1.
На ЖКИ выводятся одновременно семь параметров: напряжение, ток, количество израсходованной электроэнергии, текущее время, скорость, общий пробег и удельные затраты электрической энергии с момента включения маршрутного компьютера (см. рис. 4).
Значение скорости выводится на экран с помощью псевдографики. Это позволило довести высоту цифры до двух строк, что значительно облегчило считывание скорости с экрана.
Управляют маршрутным компьютером с помощью кнопок SB1 "М" (установка минут), SB2 "Ч" (установка часов) и SB3 "Р" (режим индикации). При последовательных нажатиях на кнопку SB3 в правом нижнем углу экрана вместо удельных затрат электрической энергии (рис. 5,а) выводятся средняя скорость (рис. 5,б), дневной пробег (рис. 5,в), заряженность аккумуляторной батареи (рис. 5,г) или мощность, потребляемая электродвигателем (рис. 5,д).

Рис. 5. Индикация параметров в маршрутном компьютере
При удержании кнопки SB3 нажатой более 5 с программа входит в режим установки длины окружности колеса (рис. 5,е). При дальнейшем удержании этой кнопки происходит изменение длины окружности колеса шагами по 1 см в пределах от 201 до 215 см (колесо 26 дюймов). При первоначальном включении устройства длина окружности колеса установлена равной 210 см. Через 5 с после отпускания кнопки SB3 происходит выход из режима установки длины окружности колеса с записью установленного значения в EEPROM микроконтроллера.
При программировании микроконтроллера необходимо записать нули в первые пять ячеек EEPROM (рис. 6) для установки нулевого исходного значения пройденного расстояния. Если этого не сделать, пробег будет равен 1525,7 км.

Рис. 6. Программирование микроконтроллера
Пройденное расстояние программа сохраняет в EEPROM микроконтроллера через 3 с после остановки электровелосипеда. Для индикации момента записи в правом верхнем углу ЖКИ на 0,3 с появляется символ "звёздочка". При выключении питания программа обнуляет значения удельных затрат электрической энергии, средней скорости и дневного пробега.
Для налаживания прибора вместо аккумуляторной батареи можно использовать лабораторный источник питания с выходным напряжением 25...50 В и допустимым током нагрузки не менее 5 А. В качестве эквивалента нагрузки можно применить мощный проволочный резистор сопротивлением 5...10 Ом.
Налаживают прибор в следующем порядке. Сначала калибруют его вольтметр. Для этого подают на прибор напряжение от аккумуляторной батареи или от лабораторного источника питания, контролируя его точным цифровым вольтметром. Изменением сопротивления подстроечного резистора R9 добиваются одинаковых показаний образцового вольтметра и налаживаемого прибора.
Затем калибруют измеритель тока. Последовательно с нагрузкой включают точный цифровой амперметр. Подав напряжение питания, изменением сопротивления подстроечного резистора R13 добиваются одинаковых показаний образцового амперметра и налаживаемого прибора.
При необходимости подборкой резистора R25 устанавливают оптимальную контрастность изображения на индикаторе.
Маршрутный компьютер может быть установлен в любой подходящий по размерам пластмассовый или металлический корпус.
Файл печатной платы маршрутного компьютера в формате Sprint Layout 5.0 и программа микроконтроллера можно найти здесь.
Литература
1. Ваттметр и анализатор мощности Turnigy 130A. - URL: http://www.hobbyking. com/hobbyking/store/uploads/ 242601761X977727X9.pdf (23.12.15).
2. Ваттметр / анализатор мощности для электровелосипеда в "ВольтБайкс". - URL: http://bikes-n-parts.ru/kupit/voltbikes. ru/vattmetr_analizator_moshchnosti_ dlia_elektrovelosipeda (23.12.15).
3. Велокомпьютеры. - URL: http:// www.sportmaster.ru/catalog/velosport/ aksessuary/velokompyutery/ (23.12.15).
4. Спидометр для велосипеда механический. - URL: http://www.32spokes.ru/ blog/test-drive/2543.html (01.02.16).
5. Дисплеи XOFO для электровелосипедов. - URL: http://li-force.ru/catalog/lcd_led_display_ xofo.html (23.12.15).
6. Сайт русскоязычной поддержки программы Flowcode. - URL: http://flowcode. info/ (23.12.15).
7. Нефедьев А. Ваттметр-счётчик электроэнергии для электровелосипеда. - Радио, 2015, № 9, с. 44, 45.
Автор: А. Нефедьев, г. Волгоград