Автор уже много лет профессионально занимается конструированием и производством эксклюзивных акустических систем. В этой статье он рассказывает о конструкции трёхполосного стереокомплекта АС, где установлены высококачественные динамические головки известных зарубежных производителей. В кроссовере применены также высококачественные компоненты, улучшающие верность воспроизведения музыкальных записей различных жанров.
Эта акустическая система была одним из экспонатов выставки "Российский Hi-End 2015", где вызвала интерес многих посетителей и заслужила высокие оценки специалистов и любителей при демонстрационных прослушиваниях.
Проект этой акустической системы (АС) был начат давно, но доделать первую пару удалось только к 15-й выставке "Российский Hi-End" в ноябре 2015 г. Недавно была сделана вторая пара с небольшими изменениями: упрощён корпус и немного изменён кроссовер по результатам прослушивания и измерений.
В АС применены динамические головки: высокочастотная Morel ET338-104 [1], среднечастотная Scan-Speak 15M/ 4531K00 [2] и низкочастотная SEAS H1215 [3].
ВЧ-головка израильской фирмы с мягким куполом отличается очень мощной магнитной системой и малыми нелинейными искажениями. Несмотря на наличие магнитной жидкости в зазоре, она обладает динамичным звучанием и хорошо передаёт звучание медных и ударных инструментов.
СЧ-головка диаметром 15 см датской фирмы Scan-Speak в серии Reve-lator стала одной из лучших среди СЧ-головок всех производителей. Её подвижная система отличается большим линейным ходом (именно для СЧ-головки) и допускает относительно низкую частоту разделения. Нелинейные искажения в рабочей полосе частот очень малы: магнитная система имеет два линеаризующих медных кольца. Бумажный диффузор имеет специальные надрезы, обеспечивающие более ровную АЧХ в конце поршневого режима.
НЧ-головки диаметром 18см (6,5 дюйма) норвежской фирмы SEAS - обычные с бумажным диффузором, пропитанным с наружной стороны. Пропитка обеспечивает ровный спад АЧХ выше рабочей полосы частот. В каждой АС установлены две таких головки в общем объёме. Акустическое оформление - с фазоинвертором (ФИ).
Две головки размером 6,5 дюйма имеют площадь диффузора немного больше, чем одна восьмидюймовая головка. Также у H1215 область поршневого режима простирается до частоты 800 Гц, а у головки размером 8 дюймов той же фирмы поршневой режим заканчивается на частотах выше 600 Гц. У H1215 параметр ускорения Bl/Mms = 496, а у восьмидюймовой головки он обычно не превышает 350.
Требуемый объём для НЧ-головок и частоту настройки ФИ можно оценить в программе на Exel (freeware) Unibox (автор - датчанин Kristian Kougaard), заложив в неё параметры головок из перечня характеристик (datasheet). Эта простая и удобная программа позволяет учесть многие параметры головок, различные конфигурации и рассчитать различные оформления. При расчётах нужно учитывать предположительное активное сопротивление катушки фильтра НЧ-звена.
Для двух H1215, соединённых параллельно, расчёты показывают оптимальный объём примерно 32 л, а при диаметре трубы фазоинвертора 66 и длине 116 мм частота настройки ФИ - около 43 Гц. Эти размеры соответствуют размерам готового фазоинвертора AH-4 китайского производства. Впоследствии труба ФИ была обрезана до длины 100 мм. Реальная частота настройки стала около 44 Гц.
В прототипе АС НЧ-головки были установлены каждая в свой отсек, что дало возможность корректно провести измерения.
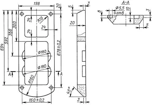
Чертежи корпуса и его деталей (рамка для ткани - гриль) показаны на рис. 1 и 2.

Рис. 1. Чертежи корпуса и его деталей

Рис. 2. Чертежи корпуса и его деталей
Корпус выполнен из материала MDF (иногда применяют транслит МДФ - мелкодисперсионная фракция из древесины). Передняя панель и основание имеют толщину 25 мм, остальные панели - 16 и 20 мм. Корпус отделан шпоном и крепится к съёмному основанию, покрашенному в чёрный цвет. АС рекомендуется устанавливать на шипы, для чего в основании предусмотрены стальные втулки с резьбой.
Когда акустическая система проектируется с нуля, могут понадобиться макетные корпуса для отработки конструкции, но в этом случае (к выставке) было решено заказать сразу чистовой корпус в шпоне.
Наклонная перегородка между отсеками СЧ и НЧ в Ас сделана для частичного подавления вертикальной стоячей волны в корпусе и для уменьшения объёма отсека СЧ. При горизонтальной перегородке этот отсек получался слишком большим, а для получения необходимого объёма отсека нЧ приходилось увеличивать общую высоту АС, которая и так была больше метра (1052 мм без шипов). Отсек СЧ заполнен синтепоном более чем на 50 %, но пространство около СЧ-головки свободно от синтепона.
Фильтр акустической системы нельзя рассчитать корректно, не имея измеренных АЧХ по звуковому давлению и импедансу каждой головки, установленной в корпус.
Для акустических измерений необходим измерительный комплекс. В простейшем виде - это микрофон, звуковая карта компьютера и компьютерная программа для электроакустических расчётов. Я пользуюсь измерительным комплексом LMS американской фирмы LINEARX. Он не выпускается в настоящее время, но очень удобен для измерений и позволяет измерять АЧХ в неподготовленном помещении. Комплекс включает в себя микрофон, плату для компьютера и программное обеспечение.
Существуют и другие средства измерений, например, Clio итальянской фирмы Audiomatica SRL или MLSSA Однако для любительских измерений подобные системы очень дороги.
Более простым средством является программа LoudSpeaker LAB 3 шведского автора, но она не бесплатная. Программа позволяет использовать звуковую карту компьютера с подходящим для этих целей микрофоном.
Законченным и относительно недорогим решением является ATB PC PRO немецкой фирмы Kirchner. Несмотря на немного примитивную реализацию эта компьютерная программа позволяет проводить измерения, достаточные для изготовления качественных АС.
На рис. 3 показаны АЧХ динамических головок, измеренные по звуковому давлению, а на рис. 4 - характеристики их импеданса. АЧХ измерены с расстояния 0,5 м по оси излучения соответствующих головок. Пунктирная линия - для ВЧ-головки, штрихпунк-тирная - для СЧ-головки, сплошная - для НЧ-головки.

Рис. 3. АЧХ динамических головок, измеренные по звуковому давлению

Рис. 4. Характеристики импеданса динамических головок
АЧХ по звуковому давлению сглажены для удобства применения. Система не тарирована для измерения абсолютного значения звукового давления, поэтому графики не соответствуют заявленной чувствительности головок. Уровень сигнала выбирается исходя из удобства измерений так, чтобы не мешали шумы системы и не было больших искажений.
После измерений графики экспортируются в программу-симулятор, которая позволяет смоделировать АЧХ и другие параметры системы с учётом фильтра. Программа также позволяет рассчитать элементы фильтров кроссовера и оптимизировать АЧХ. Я пользуюсь программой LspCAD 5.25 автора Ingemar Johansson. Она является достаточно мощной, но не очень сложной в освоении. Существует более поздняя версия, но она недостаточно удобна.
Есть ещё очень мощная программа LEAP того же LINEARX, что производил LMS. Она более совершенна, но тяжела в использовании.
Готовый результат моделирования представлен на рис. 5. Верхний график - суммарная АЧХ на оси ВЧ-головки в бесконечности (толстая линия) и АЧХ головок со своими фильтрами (тонкие линии). АЧХ нельзя назвать ровной, но это не критично, так как симулятор показывает более ровную АЧХ на оси на 5 град. выше оси ВЧ-головки. Нижний график - характеристика импеданса АС и головок с соответствующими фильтрами.

Рис. 5. Результат моделирования
Схема фильтров кроссовера для одного канала АС показана на рис. 6.

Рис. 6. Схема фильтров кроссовера для одного канала АС
В кроссовере на НЧ использован фильтр первого порядка (катушка индуктивности L4). Полоса СЧ также обрезана сверху и снизу фильтром первого порядка (C2 и L2). Для полосы ВЧ применён фильтр второго порядка (dL1).
Акустический и электрический порядки спада фильтров обычно не совпадают, так как в полосе задержания фильтра АЧХ головок имеют собственные неравномерности. Поэтому реальные спады вблизи частот разделения в полосах НЧ и близки к первому, в полосах СЧ сверху и ВЧ - ближе к третьему из-за собственных спадов АЧХ головок, которые добавляются к спаду, обеспечиваемому электрическим фильтром.
В АС все головки подключены син-фазно. Обычно басовые головки не удаётся свести фильтром первого порядка и без переполюсовки - чаще применяется второй порядок. Здесь это удалось ценой большей неравномерности суммарной АЧХ. Низкий порядок фильтров означает более широкие области совместной работы головок и лепестковые диаграммы направленности в вертикальной плоскости с узкими центральными лепестками. Но АС с фильтрами низких порядков звучит более естественно, слитно и живо.
Цепь R6C5 совместно с катушкой L4 образуют фильтр-пробку, вырезающий небольшой выброс на АЧХ басовых головок, который слышен, если не принять специальных мер. Одновременно эта цепь немного уменьшает наклон АЧХ выше частоты разделения, поэтому, чтобы скомпенсировать это уменьшение наклона, введена цепь R7C6.
Контур L5C7 (как режектор) устраняет подъём в импедансе басового звена на частотах около 75 Гц. Это нужно для устранения пика на АЧХ громкоговорителя, который маскирует нижний бас. Это явление называется "накачкой", термин предложен С. Д. Батем. Большинство производителей АС не учитывают это явление, хотя существуют проекты АС, где применяется подобная цепь, выравнивающая импеданс.
В кроссовере применены полипропиленовые конденсаторы, причём С1 и С2 - Mundorf Supreme (дорогие, чёрного цвета - см. фото далее). Цена конденсаторов С2, СЗ (сборки из четырёх штук) соизмерима с ценой СЧ-головки, но в хорошем тракте разница в звучании АС с такими конденсаторами заметна. Для экономии его можно заменить другим - Mundorf МСар (белого цвета). Можно использовать частично Supreme, а частично MCap (как С4). Конденсатор С7 - неполярный оксидный (Mundorf Bipolar).
Катушки - обычные из обмоточного провода, кроме L2 (Mundorf CFC16), которая намотана ленточным обмоточным (JBSPL проводом. Диаметры провода для катушек L1 и L3 (Mundorf L100) - 1 мм, для L4 (Mundorf L140) - 1,4 мм, для L5 (Mundorf L71) - 0,71 мм (сопротивление около 4,5 Ом). Катушка L5 может быть на ферромагнитном сердечнике, и её сопротивление может отличаться, в этом случае сумма сопротивления катушки L5 и дополнительного резистора (на схеме не показан) должна быть приблизительно равна 4,5 Ом. Резисторы в кроссовере - металлооксидные (Mundorf MResist MOX).
На фото рис. 7 кроссовер показан в сборе. Детали монтируют на выводах навесным монтажом и крепят термоклеем к панели из МДФ, фанеры или другого материала толщиной 3...6 мм. Фильтры собраны на двух панелях: вместе для СЧ-ВЧ и отдельно - для НЧ. Панель фильтра НЧ крепится к боковой стенке АС в отсеке нижней НЧ-головки, а панель фильтров для СЧ и ВЧ головок - к боковой стенке в отсеке верхней НЧ-головки. Отверстия, через которые проходят провода от фильтров к СЧ- и ВЧ-головкам, должны быть загерметизированы пластилином.

Рис. 7. Кроссовер в сборе
Посмотрим, какие реальные импеданс и АЧХ обеспечивает данный кроссовер.
На рис. 8 показана АЧХ АС в комнате, снятая с расстояния 1 м по оси ВЧ-головки. Видно, что она похожа на продукт моделирования (см. рис. 4), но оказалась более ровной, чем предсказывал симулятор. Такое часто бывает из-за того, что динамические головки по умолчанию при моделировании и измерениях считаются минимальнофазовыми, а в реальности, за пределами поршневого режима, это может не выполняться.

Рис. 8. АЧХ АС
Поэтому сразу смоделировать "правильный" фильтр не получится. Требуются изменения в фильтрах и дополнительные измерения и прослушивания.
Реально АЧХ (сглаженная в треть октавы) укладывается в отклонение ±3 дБ, если не обращать внимания на АЧХ ниже 300 Гц, где заметно влияет помещение.
В частности, из-за интерференции прямого от АС и отражённого от пола сигналов у микрофона фиксируется спад АЧХ в области около 200 Гц. При удалении от АС этот эффект нивелируется. Локальные максимумы на частотах 34 и 60 Гц обусловлены стоячими волнами, которые воспринимает микрофон в данной точке (на 34 Гц - между стенами, на 60 Гц - между полом и потолком). Максимум в области 140 Гц возник из-за отражения от близко стоящей мебели.
Учитывая незначительное сглаживание характеристики, результат - вполне достойный.
На рис. 9 показана частотная характеристика импеданса АС. Она практически совпадает с рассчитанной при моделировании. Небольшой пик на 180 Гц - неподавленная вертикальная стоячая волна в отсеке НЧ. Метки на 100 Гц и 1 кГц генерируются программно, в реальности их нет.

Рис. 9. Частотная характеристика импеданса АС
Видно, что импеданс в рабочей области частот не падает ниже 3,3 Ом и не превосходит 7,2 Ом (кроме низкочастотного горба фазоинвертора). Систему можно считать номинально четырёхомной, и она может использоваться с ламповым усилителем, так как имеет довольно ровный импеданс и достаточно высокую чувствительность.
Технические характеристики АС
Номинальное сопротивление, Ом ........................ 4
Рекомендуемая мощность усилителя, Вт..............25...70
Чувствительность при 2,83 В, дБ ...........................88
Полоса воспроизводимых частот при неравномерности ±3 дБ, Гц.........40...20000
На фото рис. 10 показан первый стереокомплект АС (корпуса по краям стенда), изготовленный и представленный на выставке "Российский Hi-End" в 2015 г. По мнению многих посетителей, при средней стоимости комплектующих и изготовления качество отделки корпусов достаточно высокое, а звучание АС оценено как сбалансированное и естественное на многих музыкальных жанрах, хотя, нужно признать, фонограммами "тяжёлого металла" или "рока" автор там не располагал...

Рис. 10. Стереокомплект АС
Литература
1. Morel ET338-104. - URL: http://www. morelhifi.com/product/et-338-104/(21.04.16).
2. Scan-Speak 15M/4531K00. - URL: http:// www.scan-speak.d k/datasheet/pdf/ 15m-4531k00.pdf (21.04.16).
3. SEAS H1215 CA18RNX. - URL: http:// www.seas.no/index. php?option=com_conte nt&view = article&id = 340:h1215-08-ca18rnx&catid=44&Itemid=461 (21.04.16).
Автор: Г. Крылов, г. Москва