Для питания многих радиолюбительских конструкций используются автономные источники питания, например аккумуляторы. Во избежание бесполезной разрядки источника необходимо вовремя выключать питание устройства. Однако иногда об этом забывают, поэтому в некоторых случаях имеет смысл дополнить конструкцию таймером, который отключит питание устройства, если владелец об этом забыл.
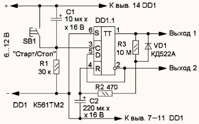
Если требуемое время работы устройства не превышает 10...15 мин, вполне подойдёт несложный таймер, описание которого представлено ниже. Им управляют одной кнопкой, а для его изготовления понадобится всего одна микросхема. Схема таймера показана на рисунке. Он собран по несколько изменённой схеме формирователя импульсов на D-триггере, описание которого приведено в статье Алексеева С. Формирователи и генераторы на микросхемах структуры КМОП. - Радио, 1985, № 8, с. 31-35.

Схема таймера
В исходном состоянии на входе С D-триггера (вывод 3) и на его прямом выходе (вывод 1, Выход 1 ) присутствует низкий логический уровень. Время-задающий конденсатор С2 разряжен. В этом режиме потребляемый устройством ток не превышает нескольких микроампер.
При кратковременном нажатии на кнопку SB1 D-триггер переключается в единичное состояние на прямом выходе и начинается зарядка конденсатора С2 через резисторы R2 и R3. Конденсатор С1 устраняет влияние дребезга контактов кнопки. Когда конденсатор С2 зарядится до напряжения, соответствующего высокому логическому уровню, D-триггер обнулится и устройство вернётся в исходное состояние. При этом конденсатор С2 быстро разрядится через токоограничивающий резистор R2 и диод VD1. При указанных на схеме номиналах элементов R3 и С2 время выдержки таймера - около 10 мин. Выключить таймер раньше этого времени можно повторным нажатием на кнопку SB1.
С помощью этого таймера лучше всего управлять ключом на полевом транзисторе. При этом можно использовать сигнал как с прямого, так и с инверсного выхода триггера. В зависимости от тока, потребляемого нагрузкой, для её коммутации питания можно применить мощный (IRF540, IRF640, IRFS34, IRFZ44 и аналогичные) или маломощный (серии КП505, BS170, 2N7000, 2N7002) полевой переключательный транзистор с изолированным затвором и каналом n-типа (или p-типа). Транзистор с n-каналом подключают следующим образом. Исток - к минусу источника питания, затвор - к выводу 1 микросхемы DD1, сток - к минусовой линии питания нагрузки. Плюс источника питания подключают к плюсовой линии питания нагрузки.
Применены импортные оксидные конденсаторы, причём С2 желательно использовать танталовый и, возможно, на большее номинальное напряжение, в этом случае ток утечки будет меньше, а время выдержки - стабильнее. Резисторы - МЛТ, С2-23, резистор R3 можно составить из нескольких, соединённых последовательно. Кнопка - любая малогабаритная с самовозвратом. При напряжении питания 9 В можно применить микросхему К176ТМ2, при напряжении 3...6 В - микросхему 74НС74. В последнем случае для коммутации надо применить полевой транзистор с малым напряжением открывания, например, серии IRL2505.
Автор: Е. Герасимов, станица Выселки Краснодарского края