Идея предлагаемого решения была изложена в [1]. Суть его - в подключении максимального числа контактных датчиков (герконов, кнопок) к микроконтроллеру с использованием минимального числа его выводов. Реализована эта идея с помощью универсального таймера КР1441ВИ1. Время-задающая RC-цепь таймера составлена из конденсатора и набора резисторов, соединённых последовательно с каждой кнопкой. Определённой замкнутой кнопке соответствует своя частота следования генерируемых таймером импульсов, которую и измеряет микроконтроллер [2].
Оригинальный вариант имеет два существенных недостатка. Один из них - использование двух входов микроконтроллера. На один из них поданы генерируемые импульсы. Второй служит для определения факта замыкания кнопки, хотя это легко может быть сделано программно, за счёт чего этот вход микроконтроллера можно использовать для других целей. Другой недостаток - измерение частоты, а не периода повторения импульсов. Вследствие этого для получения линейной зависимости частоты от номеракнопки использовано большое число времязадающих резисторов разных номиналов.

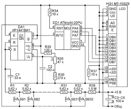
Рис. 1. Схема конструкции
Предлагаемое техническое решение, схема которого показана на рис. 1, свободно от этих недостатков. Таймер КР1441ВИ1 структуры КМОП (аналог LMC555) работает в автоколебательном режиме со скважностью импульсов 2 [3]. В этом режиме период повторения импульсов равен
T = 2·ln2·C·R,
где C и R - соответственно ёмкость и сопротивление элементов времязадающей цепи. При C = C1 и R = R1·N, состоящем из N (по числу кнопок) одинаковых резисторов сопротивлением R1, соединённых последовательно, период T равен:
T≈1,39·C1·R1·N
Он получается пропорциональным числу резисторов между конденсатором C1 и первой замкнутой кнопкой SB1 - SB32 и легко может быть измерен микроконтроллером. Как и в первоисточнике, при одновременном замыкании нескольких кнопок та, что имеет меньший номер, обладает приоритетом.
Резистор R38 необходим для поддержания генерации импульсов, когда все кнопки разомкнуты. Подстроечным резистором R35 устанавливают нужное для правильного определения номера нажатой кнопки соотношение периода колебаний таймера и длительности измерительного интервала, формируемого микроконтроллером.
Демонстрационная программа микроконтроллера по прерыванию IRQ0 измеряет длительность периода T, переводит его в номер кнопки и выводит наЖКИ MT-16S2S [4]. Связь микроконтроллера с ЖКИ организована по трёхпроводному последовательному интерфейсу. Вводом и выводом информации заняты всего четыре вывода микроконт-роллера, остальные могут быть применены для других целей.
Для измерения периода использован восьмиразрядный таймер-счётчик 0 микроконтроллера. По нарастающему перепаду уровня на входе запроса прерывания IRQ0 программа считывает длительность измеренного периода и обнуляет счётный регистр. Для повышения точности измерения обнуляется и предделитель счётчика. Поскольку предделитель всех таймеров-счётчиков в микроконтроллерах серии ATtiny общий, это может влиять на длительность временных интервалов, формируемых таймером-счётчиком 1 в случае его использования с предделителем, отличным от единицы. При разомкнутых контактах всех кнопок происходит переполнение счётчика, измеряющего период. По соответствующему прерыванию и определяется разомкнутое состояние.
Максимальное число распознаваемых кнопок зависит от нестабильности интервалов времени, формируемых таймером и микроконтроллером. При тактировании микроконтроллера от внутреннего RC-генератора и применении во времязадающей RC-цепи таймера плёночного конденсатора с малым ТКЕ, резисторов с малым ТКС и отклонением от номинала не более 1 % число кнопок может достигать 12-16. При более точной подборке резисторов удалось распознавать 32 кнопки. Ещё больше увеличить их число может позволить стабилизация частоты тактового генератора микроконтроллера кварцевым резонатором.
В макете устройства применены импортный плёночный конденсатор C1 (аналог К73-17) и резисторы R1 - R32 для поверхностного монтажа CR1206-FX-5621ELF сопротивлением 5,62 кОм ±1 %. Из 50 резисторов с одной ленты отобраны 32 штуки с разницей максимального и минимального сопротивления не более 20 Ом. Для уменьшения влияния на период колебаний зависимости выходного напряжения таймера DA1 от числа подключённых резисторов R1-R32 резисторы с меньшим сопротивлением имеют меньшие позиционные номера, а выходы таймера 3 и 7 соединены вместе.
Подстроечный резистор R35 должен быть многооборотным, например, СП5-3 или подобным. Подстройку выполняют следующим образом. Замыкают кнопку с позиционным номером на единицу меньше максимального (в данном случае SB31) и находят два положения движка подстроечного резистора R35, соответствующих изменению показаний ЖКИ с 31 на 32 и с 31 на 30. Устанавливают движок в среднее между найденными положение.

Рис. 2. Проверка устройства и отладка программы микроконтроллера
Проверка устройства и отладка программы микроконтроллера выполнена на макете, изображённом на рис. 2. Байты конфигурации микроконтроллера были запрограммированы следующим образом: младший - 0xBF, старший - 0xD4, дополнительный - 0xFF. Поскольку нужного числа кнопок для макета не нашлось, пришлось вместо них использовать переключатель ПП7-4ЛВ. Резисторы для поверхностного монтажа напаяны непосредственно на платы переключателя. При подобранных резисторах в комнатных условиях номера замкнутых контактов переключателя определялись правильно, хотя микроконтроллер работал от внутреннего RC-генератора.
Программу микроконтроллера можно скачать здесь.
Литература
1. 2-Wire Keypad Interface Using a 555 Timer. - URL: http://www.radiolocman.com/ shem/schematics.html?di = 88598 (12.07.16).
2. Евстифеев А. В. Микроконтроллеры AVR семейства Tiny - М.: "ДОДЭКА-XXl", 2007.
3. LMC555 CMOS Timer. - URL: http:// pdf1 .alldatasheet.com/datasheet-pdf/ view/9100/NSC/LMC555CN.html (12.07.16).
4. MT-16S2S. Жидкокристаллический индикатор буквенно-цифровой 2 строки по 16 символов. - URL: http://www.melt.com.ru/ docs/MT-16S2S.pdf (12.07.16).
Автор: С. Иванов, г. Москва