Напряжение питания радиолюбительских устройств с годами становится всё меньше и меньше. Кроме того, широкое распространение получили различные устройства на микроконтроллерах и цифровых микросхемах, напряжение питания которых тоже неуклонно снижается, и напряжение 5 В уже кажется большим. Но построение устройств с таким напряжением питания иногда приводит к затруднениям. В частности, если необходимо коммутировать сетевое напряжение, в некоторых случаях целесообразно применить электромагнитное реле. Но реле с номинальным напряжением 3...5 В встречаются гораздо реже, чем с напряжением 12 В. В то же время известно, что ток (и соответственно напряжение), при котором реле отпускает, в несколько раз меньше тока (напряжения) срабатывания. Кроме того, реле в большинстве случаев уверенно срабатывают при напряжении на 20...40% меньше номинального. Если поставить вопрос немного по-другому, то надо заставить реле сработать при пониженном напряжении, при котором оно будет надёжно удерживать контакты в замкнутом (или разомкнутом) состоянии. Кроме того, питание реле пониженным напряжением существенно повышает экономичность всего устройства.
Схем устройств, обеспечивающих срабатывание реле при пониженном напряжении, много в различных печатных источниках [1, 2], в том числе и запатентованых [3], а также и на просторах Интернета [4, 5]. Аналогичные устройства применяют и для уменьшения времени срабатывания реле при питании их номинальным напряжением [6]. Принцип работы большинства таких устройств основан на том, что в них применён накопительный конденсатор, который в момент коммутации подключается последовательно с источником питания, в результате чего суммарное напряжение удваивается и реле надёжно срабатывает. После разрядки конденсатора реле питается примерно вдвое меньшим напряжением, соответственно потребляя меньший ток.
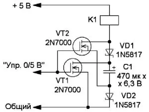
Схема ещё одного варианта такого устройства показана на рис. 1. С его помощью можно запитать реле напряжением, примерно вдвое меньшим номинального, или при номинальном напряжении питания включить последовательно не одно, а два реле. Для коммутации здесь применены полевые транзисторы, поэтому в качестве источника управляющего сигнала можно применить маломощный узел (микроконтроллер, логическую микросхему и т. д.), не обеспечивающий требуемого для коммутации реле тока. После подачи питающего напряжения через обмотку реле и диоды конденсатор С1 заряжается практически до напряжения питания. Происходит это быстро, поскольку сопротивление обмотки реле, как правило, невелико. Само реле, как правило, не срабатывает. После подачи сигнала управления оба транзистора открываются. При этом плюсовой вывод конденсатора С1 оказывается соединён с общим проводом, а минусо-вый - с обмоткой реле. К обмотке будет приложено напряжение около 10 В, и реле сработает. После разрядки конденсатора реле будет питаться напряжением чуть меньше 5 В.

Рис. 1. Схем устройства, обеспечивающего срабатывание реле при пониженном напряжении
В качестве примера было испытано реле MZP A 001 46. По паспорту у него минимальное напряжение питания - 8,99, максимальное - 22,5 В, его один переключающий контакт рассчитан на коммутацию нагрузки с сетевым питанием, сопротивление обмотки - 450 Ом. Реальные измерения показали, что это реле срабатывает при напряжении около 6,5 В, а отпускает при 1,5 В.
Ёмкость конденсатора должна быть достаточной для срабатывания реле. Согласно паспорту, время срабатывания указанного реле при номинальном напряжении питания - не более 10 мс, а постоянная времени обмотки реле совместно с конденсатором - около 200 мс. Это обеспечит его уверенное срабатывание. Диод, который обычно устанавливают параллельно катушке реле, защищающий коммутирующий элемент (в данном случае полевой транзистор) от ЭДС самоиндукции при прекращении тока через обмотку, в данном случае не нужен. Когда транзисторы закрываются, возникающий при этом в обмотке ток через диоды будет заряжать конденсатор. Применены диоды Шотки, поскольку падение на них меньше, чем на обычных кремниевых. Все элементы можно разместить на плате основного устройства или на отдельной односторонней плате, чертёж которой показан на рис. 2, а внешний вид - на рис. 3. В этом устройстве реле уверенно срабатывало при снижении напряжения до 4,2 В.

Рис. 2. Чертёж платы устройства

Рис. 3. Внешний вид платы устройства
Если напряжение питания основного устройства 3...3,3 В, совместно с ним можно применить реле с номинальным напряжением 5 В. Была проверена работоспособность малогабаритного реле EA2-5NJ, у которого две группы контактов на переключение, сопротивление обмотки - 180 Ом, а максимальное коммутируемое переменное напряжение - 250 В. Реле срабатывало при напряжении 3,6 В, а отпускало при 0,7 В.
Если применить элементы для поверхностного монтажа (рис. 4), размеры устройства будут отличаться от габаритных размеров реле незначительно. Для указанных на схеме элементов (конденсатор - танталовый для поверхностного монтажа типоразмера D). Возможный чертёж печатной платы показан на рис. 5. В этом устройстве реле надёжно срабатывало при напряжении питания 2,5 В. В устройстве желательно применить транзисторы с напряжением открывания не более 1,5...2 В. Но следует учесть, что особенность этого реле - J определённая полярность на пряжения питания, подаваемого на обмотку. Если её не соблюдать, реле работать не будет.

Рис. 4. Схема устройства

Рис. 5. Чертёж платы устройства
Не следует также забывать о защите полевых транзисторов от пробоя статическим электричеством. Для этого на период транспортировки или хранения вход соединяют с общим проводом отрезком неизолированного провода. И, конечно же, надо предварительно проверить, при каких напряжениях реле срабатывает и отпускает. Кроме того, при пониженном напряжении (вблизи напряжения отпускания) усилие, прикладываемое к контактам реле, уменьшается, что может привести к увеличению переходного сопротивления контактной группы.
Литература
1. Прокопцев Ю. Включение реле при пониженном напряжении. - Радио, 1971, № 1, с. 43.
2. Graiam R. Схема включения реле пониженным напряжением. - Elektor Electronics, July 1999, p.88.
3. Устройство для включения реле при пониженном напряжении питания. Авторское свидетельство СССР № 1501188, кл. H 01 H 47/32, 1982.
4. How to use 24V-relay with 12V-Vcc. - URL: http://www.intio.or.jp/jf 10zl/24vr. htm (23.08.16).
5. How to drive 24 volts relay with 8 volts battery. - URL: http://www.intio.or.jp/jf10zl/ 8vrelay.htm (23.08.16).
6. За рубежом. Уменьшение времени срабатывания реле. - Радио, 2007, № 1, с. 72.
Автор: И. Нечаев, г. Москва