Конденсатор C6, ёмкость которого во много раз больше ёмкости антенны, не принимаем во внимание. Его задача - отсечь постоянное напряжение питания генератора от антенны, что непонятно почему не было сделано Р. Мугом. Но в некоторых случаях этот конденсатор может быть использован для некоторого дополнительного выравнивания мензуры.
Согласно строгой теории [2], частоты "горбов" АЧХ при равенстве резонансных частот контуров f1 = f2 = f и коэффициенте связи между ними
равны

При k<<1 расчёт расстояния горбов от центральной частоты упрощается:
ΔF1 ≈ ΔF2 ≈ f·k/2.
С появлением программ моделирования, одна из которых - LTspice - полностью бесплатна, появилась хорошая возможность "погонять" модель разрабатываемого устройства при разных параметрах её элементов и посмотреть, как они влияют на итоговые характеристики.
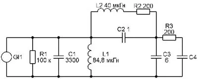
Схема модели связанных контуров перестраиваемого генератора показана на рис. 6. Здесь GI1 - источник испытательного тока (имитирует коллекторную цепь транзистора VT1); R1, C1, L1 - соответственно эквивалентное резонансное сопротивление, ёмкость и индуктивность контура генератора; С2, R2, R3 - паразитные параметры индуктивных и ёмкостных элементов; С3 - ёмкость антенны; С4 - наведённая рукой ёмкость, которая в процессе моделирования принимала значения 0; 0,01; 0,02; 0,04; 0,1; 0,2; 0,4; 0;8; 1,6; 5; 20 и 100 пФ.

Рис. 6. Схема модели связанных контуров перестраиваемого генератора
Полученные в результате моделирования АЧХ исследуемой цепи изображены на рис. 7. Красная кривая соответствует случаю, когда рука и тело исполнителя находятся далеко от антенны (С4=0), а резонансные частоты контуров L1C1 и L2C2C3 совпадают. На этой частоте АЧХ имеет глубокий провал. Одинаковость высоты пиков и нулевой фазовый сдвиг на этих частотах (на рисунке не показан) создают неоднозначные условия для генерации - возможны перескоки частоты с одного пика на другой.

Рис. 7. АЧХ исследуемой цепи
По мере приближения руки к антенне (увеличения C4) частота обоих пиков понижается, но до определённого предела. Этот крайний случай иллюстрируют практически совпадающие белая и серая кривые, полученные соответственно при С4=20 пФ и С4=100 пФ. Так что ни при каких обстоятельствах, даже при касании антенны рукой, частота генератора не опустится ниже определённого значения. В результате шаг нот вблизи антенны выравняется и даже возникнет "перегиб" в сторону понижения чувствительности. По этой причине катушки индуктивности L2 (см. рис. 6) и L1 (см. рис. 3) получили название линеаризующих или выравнивающих.
Нужно отметить, что описанное явление присуще всем терменвоксам, где явно или неявно присутствуют два колебательных контура - [3], [4], и даже ранним моделям Л. Д. Королёва [5]. Отличительные признаки этого - большая ёмкость контурного конденсатора (тысяча и более пикофарад) и большая индуктивность добавочных катушек. Судя по скудным описаниям (особенно в части налаживания), авторы не знали принципов работы таких цепей и действовали наугад, что приводило к плохой повторяемости и породило неприязнь к подобного рода схемам.
Генератор канала громкости собран на транзисторах VT5 и VT7, аналогичен генераторам канала высоты тона, за исключением цепи положительной обратной связи, состоящей из ёмкостного делителя напряжения из конденсаторов C22 и C23, одновременно образующих и ёмкость колебательного контура. Делитель ослабляет влияние антенной цепи на частоту генератора. Эта частота выбрана такой, что в исходном состоянии (рука далеко от антенны) переменное напряжение на катушке L2 максимально (резонанс антенного контура). Напряжение, снимаемое с части катушки, в сумме с гораздо меньшим возбуждающим напряжением выпрямляет диод VD2, затем усиливает ступень на DA1. 1. Далее оно воздействует на коэффициент передачи управляемого усилителя, выполненного на второй половине этой микросхемы - DA1.2.
Применённая микросхема LM13700 (DA1) - сдвоенный преобразователь напряжения в ток. Коэффициенты преобразования задают независимо друг от друга токи, втекающие в управляющие входы (выводы 1 и 16). Току 1 мА соответствует крутизна преобразования около 10 мА/В, с его уменьшением она падает. Из особенностей микросхемы следует отметить двухполярное питание, дифференциальные входы, наличие линеаризующих диодов на входах. В её составе имеется дополнительная пара эмиттерных повторителей для построения выходных буферов и согласования с нагрузкой.
По мере приближения руки происходит расстройка контура, состоящего из антенны WA2 и катушки L2. Выпрямленное диодом VD2 отрицательное напряжение уменьшается по абсолютной величине, вызывая снижение напряжения на выходе усилителя DA1.1 от +12 В до -12 В, что полностью закрывает управляемый усилитель DA1.2. Цепь отрицательной обратной связи VD3R8 определяет ход зависимости в ближней (рабочей) зоне антенны.
Встроенные в микросхему линеаризующие диоды использованы в управляемом усилителе для изменения формы сигнала. Для этого на вход 2 микросхемы подан с переменного резистора R16 небольшой ток смещения. Резисторы R15 и R24 задают такое положение рабочей точки усилителя, при котором происходят несимметричное искажение сигнала и его обогащение приятными на слух чётными гармониками.
Эмиттерный повторитель DA1.3 умощняет выход регулируемого усилителя, а делитель напряжения R42R43 приводит амплитуду звукового сигнала к стандартному для линейного выхода уровню. Переключателем SA1 звук можно выключить, если музыканту нужно отойти от инструмента. В [1] для этого была придумана хитрость - на антенну громкости просто набрасывали звуковой кабель.
Стабилизатор питания оставлен без изменений за исключением того, что к диодам VD1 и VD4 входные напряжения подведены индивидуально. Это обеспечивает возможность работы от двухполярного источника +/-(15...20) В, в том числе от аккумуляторных батарей. При питании от дешёвого сетевого адаптера, представляющего собой трансформатор со вторичным напряжением ~13...15 В (как это было задумано в [1]), контакты 1 и 4 ответной части разъёма XS1 необходимо соединить вместе.
На разъём XS1 выведен и звуковой сигнал, что позволяет соединять терменвокс с УМЗЧ и источником питания единым кабелем. Обратите внимание, что назначение контактов разъёма отличается от использованного в [1].
Ещё в стабилизатор добавлены дополнительные конденсаторы C2 и C15, снижающие мультипликативные помехи, возникающие в результате изменения проводимости диодов VD1 и VD4 с частотой 50 Гц в случае питания терменвокса переменным напряжением. Выключатель питания исключён за ненадобностью - необходимая стабильность инструмента может быть обеспечена только при условии, что он постоянно включён.
Для защиты от разрядов статического электричества введены разрядники Z1 и Z2, представляющие собой неоновые лампы с напряжением зажигания 50...90 В. Из опыта эксплуатации выяснилось, что самый чувствительный элемент, который чаще других выходит из строя, - диод VD2. Более эффективно работают разрядники, подключаемые непосредственно к антеннам (учтите, что при работе там действует высокое переменное напряжение), но они вносят дополнительную ёмкость. Но ещё более эффективную защиту дают обычные трубки из изоляционных материалов, надетые на антенны.
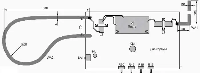
Почти все компоненты терменвокса расположены на односторонней печатной плате размерами 84x40 мм из фольгированного стеклотекстолита. Её чертёж показан на рис. 8. Плата рассчитана на установку постоянных резисторов и конденсаторов для поверхностного монтажа. Микросхему DA1 целесообразно установить в панель. Корпусы оксидных конденсаторов C12, C29 и C30, расположенные в ряд, служат экраном между генераторами.

Рис. 8. Чертёж печатной платы
Все соединения антенных катушек и органов управления с платой выполнены одиночными, двойными и четверными парами штырь-гнездо. Для многопроводных соединений использованы плоские кабели.
Катушки L3-L5 - современные миниатюрные с ферритовым магнитопроводом в форме гантели с навёрнутой снаружи регулировочной чашкой. Такие катушки можно снять с платы ненужного AM-приёмника. В моём случае по интервалу изменения индуктивности подошла только одна катушка, остальные были разобраны и перемотаны вручную (около 50 витков эмалированного провода диаметром около 0,1 мм). Для контроля интервала регулирования (50...100 мкГн) подойдёт любой измеритель индуктивности.
Имейте в виду, что в корпусе катушки может располагаться контурный конденсатор, который следует аккуратно удалить. Также обратите внимание, что более крупные катушки и иное расположение выводов потребуют корректировки печатной платы.
Катушки L1 и L2 - самодельные, без магнитопроводов. Их параметры приведены в таблице. При наличии даже самого простого намоточного станка изготовить эти катушки не так уж трудно. Намотка самой большой из них у меня заняла 36 минут (засекал специально). Лакированный провод диаметром около 0,1 мм можно найти, разобрав какой-нибудь маломощный сетевой трансформатор или реле.
Таблица
Параметр | Катушка | |
L1 | L2 | |
Диаметр каркаса (внутр. диаметр обмотки), мм | 11,5 | |
Диаметр провода, мм | 0,1 | |
Длина обмотки, мм | 44 | 29 |
Число витков | 3204 | 1340+ +340 |
Число секций | 12 | 8 |
Толщина обмотки, мм | ≈1,5 | |
Индуктивность, мГн | 26,3 | 10,7 |
Сопротивление постоянному току, Ом | 340 | 180 |
Частота собственного резонанса, кГц | 740 | 980 |
Эквивалентная параллельная ёмкость, пФ | 1,8 | 2,5 |
В самом простом случае нужно взять жёсткую трубку или стержень из изоляционного материала с наружным диаметром 11...12 мм и на заданной длине намотать требуемое число витков. Область намотки должна плавно перемещаться от одного конца катушки к другому (допускается делать небольшие возвратно-поступательные движения для лучшего закрепления витков). Но ни в коем случае не следует наматывать провод слоями или "внавал" сразу по всей длине катушки.
Лучший вариант - использование секционированного каркаса, который можно подобрать готовый или склеить (выточить) самостоятельно. Секционирование позволяет гарантированно распределить обмотку равномерно по длине и повысить этим собственную резонансную частоту катушки. Она должна превышать рабочую частоту генератора, лучше - в несколько раз, чтобы не принимать её во внимание при расчётах. В рассматриваемом случае этот предел очень близок, поэтому потребовалось немного уменьшить индуктивность (что, впрочем, полезно, так как приходится наматывать меньше витков). Низкая собственная резонансная частота катушки приводит к снижению чувствительности инструмента, а очень низкая - вообще к невозможности правильной работы устройства.
Число секций катушки и толщина перегородок между ними (уменьшать последнюю крайне желательно) не критичны. На индуктивность при заданном числе витков влияет в основном длина обмотки (расстояние между её крайними витками). Для антенн меньшего размера (и с меньшей ёмкостью) при сохранении тех же рабочих частот индуктивности катушек потребуется увеличить.
Типы остальных компонентов не критичны. Подойдут практически любые современные транзисторы общего применения соответствующей структуры, желательно с малой ёмкостью коллектор-база и рабочим напряжением не ниже 30 В. Интегральные стабилизаторы DA2 и DA3 - любые маломощные на напряжение 12 В соответствующей полярности, желательно с малым допустимым падением напряжения. На назначение их выводов обратите особое внимание, так как возможны варианты. Контурные конденсаторы C5, C17, C22, C23 - с минимальными температурными коэффициентами ёмкости, а диод VD2 - маломощный быстродействующий для поверхностного монтажа с большим запасом по обратному напряжению. Для переменных резисторов желательна линейная зависимость сопротивления от угла поворота.
Эскиз конструкции терменвокса (вид сверху со снятой крышкой), а также размеры антенн показаны на рис. 9.

Рис. 9. Эскиз конструкции терменвокса
Корпус инструмента должен быть выполнен из диэлектрика. Допускается использовать дерево (фанеру) и небольшие металлические детали (например, панели с органами управления), удалённые от обеих антенн. Антенны могут быть изготовлены из любого провода или металлических трубок, но из-за привязанности настройки к геометрии они при сборке (если антенны съёмные) должны воспроизводить свои первоначальные размеры и положения. В связи с этим антенну высоты тона не следует делать телескопической.
Катушки L1 и L2 желательно установить в непосредственной близости от антенн, чтобы уменьшить долю ёмкости соединяющих проводников в общей ёмкости антенны. В [1] было сделано наоборот - ёмкость проводника искусственно увеличена подкладыванием под него соединённого с общим проводом куска фольги. Этим была снижена чувствительность, а путём перемещения проводника относительно фольги можно было производить дополнительную настройку.
Оси катушек L1 и L2 должны быть перпендикулярны и пересекаться в центре катушки L2. Это нужно для минимизации магнитной связи между катушками. Провода и прочие металлические части располагайте подальше от антенн и катушек, чтобы уменьшить их влияние на настройку и для большего охвата музыканта электрическим полем. Гибкие провода лучше зафиксировать каплями клея, который не даст им менять своё положение в процессе эксплуатации, из-за чего может "поплыть" настройка.
На нижней стенке (дне) корпуса расположены разъём XS1 и узел крепления поддерживающей инструмент стойки (треноги). В крышке корпуса напротив катушек L3-L5 просверлите три отверстия под отвёртку для финальной настройки терменвокса с уже установленной верхней крышкой. Способы крепления элементов целиком зависят от имеющихся возможностей. Плату и катушки (последние прижаты планками из нефольгированного стеклотекстолита) я закрепил металлическими винтами М3, ввёрнутыми в текстолитовые стойки, предварительно вклеенные в корпус.
Фотоснимок инструмента со снятой верхней крышкой приведён на рис. 10. Угол наклона его плоскости относительно горизонта - около 30о. Антенна управления громкостью сделана раскладной (установлена на шарнирах), а антенна высоты тона - съёмной. Это удобно для транспортировки. Металлические части антенн, проходящие сквозь деревянные стенки корпуса, закреплены эпоксидным клеем, служащим также дополнительным изолятором. Толщина клеевого шва - около 1 мм.

Рис. 10. Фотоснимок инструмента со снятой верхней крышкой
Внутри инструмента я дополнительно установил плату усилителя для головных телефонов. Здесь он не рассматривается и может быть выполнен по любой схеме. На переднюю стенку выведены его регулятор громкости и соответствующее гнездо. Пользу этого оценят, в первую очередь, окружающие и соседи.
Налаживание терменвокса состоит из двух стадий - проверки работоспособности узлов (включая контроль пределов регулирования частоты генераторов) и точной настройки. Потребуется осциллограф по возможности со щупом, имеющим малую входную ёмкость (например, с делителем напряжения 1:10, который можно сделать самостоятельно).
Проверку работоспособности проводят без антенн и антенных катушек. Первое включение производите без микросхемы DA1. Сначала подайте на плату питание +/-(15...20) В. На выходах интегральных стабилизаторов DA2 и DA3 должно появиться напряжение соответственно -12 В и +12 В. Поочерёдно подключая щуп осциллографа к катушкам L3-L5 ("холодный" входной провод осциллографа подключают к общему проводу), проверьте наличие на них синусоидального напряжения размахом не менее 24 В и "средней линией" чуть ниже +12 В.
Убедитесь, что с помощью подстроечников катушек удаётся менять частоты генераторов от 280 до 380 кГц (образцового и перестраиваемого) и от 430 до 580 кГц (генератора канала управления громкостью). Также убедитесь, что переменными резисторами R49 и R50 можно перестраивать соответствующие генераторы более чем на 2 кГц (на экране осциллографа, не имеющего функции измерения частоты, это едва заметно).
Установив близкими частоты образцового и перестраиваемого генераторов, проверьте, что форма звукового сигнала в контрольной точке XT2 близка к показанной на рис. 5. Попытки получить нулевые биения будут затруднены из-за высокой чувствительности генераторов к малейшим движениям подстроечников. После этого, установив произвольно частоту биений в интервале от 100 Гц до 5 кГц, переходите к проверке канала управления громкостью (работоспособности микросхемы DA1).
Подавая на контрольную точку XT 1 отрицательное напряжение от 0 до -12 В (например, с движка переменного резистора R49, который временно используйте для этой цели), наблюдайте за ростом напряжения в контрольной точке XT3 или на контакте 5 разъёма XS1 от -11,5 В до 0 В и выше. Рост должен начинаться не сразу, а только после того, как испытательное напряжение достигнет -4 В (или около того). Если напряжение начинает расти слишком поздно и не доходит до положительных значений, можно попробовать увеличить номинал резистора R3 с 1 до 1,5...2 МОм. Так проверяют работоспособность усилителя DA1.1.
Усилитель DA1.2 должен обеспечивать прохождение звукового сигнала с вывода 2 на вывод 5 или его ослабление в зависимости от того, какой ток втекает в вывод 1. Если напряжение на контрольной точке XT3 близко к -11,5 В, то управляющий ток нулевой, усилитель должен быть полностью закрыт. По мере роста напряжения до нуля и выше усилитель открывается. На его выходе должен появиться звуковой сигнал. Движки переменных резисторов R15 и R16 для этой проверки должны быть установлены в правые по схеме положения.
Для быстрой проверки работоспособности, а также для принудительного открывания управляемого усилителя, что удобно для последующей настройки, можно соединять контрольную точку XT3 с общим проводом ("токовый" выход усилителя позволяет это делать безболезненно).
И наконец, проверьте действие регулировок формы сигнала. При исходных (правых по схеме) положениях движков переменных резисторов R15 и R16 сигнал со смесителя должен поступать на выход инструмента почти в неизменном виде. Перевод движка переменного резистора R15 в левое по схеме положение должен приводить к округлению верхней части сигнала ("приплюснутости" вершин), а такой же перевод движка R16 - к приближению формы сигнала к прямоугольной . Если движок переменного резистора R16 установлен в левое по схеме положение, то скважность этого псев-допрямоугольного сигнала можно регулировать переменным резистором R15 от 2 до довольно большого значения.
К точной настройке отнеситесь внимательно, она определяет все игровые качества инструмента. Её цель - подогнать частоты генераторов под получившиеся характеристики антенн и антенных катушек. Вот здесь-то и понадобится широкий интервал перестройки генераторов.
Оперировать придётся подстроечни-ками катушек L3-L5. При вращении их по часовой стрелке на катушки надвигаются ферритовые чашки, их индуктивность растёт, а частота генераторов понижается. Использовать отвёртку с немагнитным жалом особого смысла нет, на частоту генераторов всё равно оказывают влияние руки. Очерёдность настройки каналов управления громкостью и высотой тона значения не имеет.
Подключите антенные цепи, полностью соберите инструмент и закройте верхнюю крышку. Установите его в рабочее положение на микрофонную стойку или треногу. Освободите от посторонних предметов пространство в радиусе около метра от антенн. Движки переменных резисторов R49 и R50 поставьте в среднее положение.
Цель настройки генератора канала управления громкостью - установка его частоты равной частоте резонанса антенной цепи. Грубую настройку можно произвести по максимальному размаху сигнала на экране осциллографа, щуп которого закреплён недалеко от антенны WA2. Максимума добиваются вращением подстроечника катушки L5. Если обнаружить резонанс не удаётся, это означает, что он лежит за пределами области перестройки частоты генератора. Это исправляют изменением геометрических размеров антенны либо изменением индуктивности катушки L2 - введением внутрь её небольшого ферритового магнитопрово-да (частота резонанса понижается) или уменьшением числа витков (частота резонанса растёт).
Далее следите за резонансом, контролируя напряжение на гнезде 5 разъёма XS1. По мере приближения к резонансу оно будет расти от -11,5 В до нуля и выше. Если к терменвоксу подключён УМЗЧ, то одновременно в его громкоговорителе будет слышен звуковой тон увеличивающейся громкости. Если теперь поднести к антенне WA2 руку, громкость должна уменьшиться, а напряжение в контрольной точке вернуться к-11,5 В.
Сделав несколько пробных попыток, рекомендуется немного не дойти до резонанса со стороны высоких частот и остановиться, когда контрольное напряжение пересечёт нулевую отметку. В этом случае приближение руки к антенне на расстояние 5...7 см должно вызывать полное заглушение инструмента, а зона регулирования будет иметь комфортную протяжённость.
В канале высоты тона первым настраивают перестраиваемый генератор. Цель та же - обнаружить резонанс антенной цепи. Именно при такой настройке обеспечивается получение максимальной чувствительности инструмента и линейности его мензуры. Частоту генератора следует затем установить немного выше для большей стабильности (вспомните про двухгор-бость АЧХ и перескоки частоты).
Трудностей здесь две: дистанционно контролировать резонанс и определить, на "правильном" ли пике АЧХ работает генератор. Один из предлагавшихся способов заключён во временном ослаблении связи антенной цепи с генератором посредством резистора сопротивлением 100...200 кОм (при ослаблении связи горбы совмещаются). Для этого в устройстве предусмотрены резистор R2 и перемычка S1, которую снимают при настройке. Освободившийся от перемычки верхний по схеме штырь используют для контроля напряжения. Поиск резонанса ведут по минимуму (!) напряжения на входе антенной цепи.
Начало настройки со стороны высоких частот (подстроечник катушки L3 вывернут) гарантирует начальную генерацию на "правильном" пике. Найдя резонанс, следует отойти от него в сторону повышения частоты (немного вывернуть подстроечник), что должно обеспечить отсутствие скачков частоты генератора во всём диапазоне инструмента.
Недостаток описанного способа состоит во влиянии ёмкости кабеля и измерителя напряжения на настройку, а также в неопределённости выбора значения "отхода" от резонансной частоты.
К точке разделения можно и не подключаться, а поднести щуп осциллографа к антенне WA1 на расстояние, при котором на фоне шума и помех хорошо виден сигнал настраиваемого генератора. При этом антенну WA2 следует временно снять или соединить с общим проводом, чтобы она не создавала дополнительных наводок. Поиск резонанса в этом случае ведут по максимуму напряжения. Перемычку S1 после настройки не забудьте вернуть на своё место.
И наконец, третий вариант настройки (без манипуляций в антенных цепях) аналогичен варианту с поднесением щупа, но сначала следует выполнить грубую настройку по росту напряжения, а затем точную - по скачку частоты. На экране осциллографа скачок проявляется как небольшое, но резкое изменение амплитуды сигнала в процессе плавного прохождения через область резонанса. Скачок можно контролировать на слух, если подстраивать образцовый генератор так, чтобы частота биений всегда оставалась в звуковом диапазоне. Канал управления громкостью принудительно включите перемычкой между гнёздами 2 и 5 разъёма XS1.
Если максимум напряжения найти не удаётся, это означает (как и в случае с каналом управления громкостью), что резонансная частота антенной цепи лежит за пределами интервала перестройки генератора. В области максимума напряжения должны фиксироваться два скачка частоты. Один - при перестройке генератора в сторону понижения его частоты, когда подстроечник ввинчивают. Он соответствует переходу частоты генерации на "неправильный" пик АЧХ. Другой скачок происходит при понижении частоты и возврате обратно на "правильный" пик. Здесь и нужно остановиться, пройдя даже немного далее для создания запаса устойчивости. Но это не означает, что достигнута идеальная настройка. На практике можно вывернуть под-строечник слишком сильно, в результате чего диапазон инструмента сузится, а музыкальная шкала получится более растянутой. Всё это определяется предпочтениями музыканта.
Последним настраивают образцовый генератор. При среднем положении движка переменного резистора R49 нужно добиться биений, близких к нулевым. Из-за остроты настройки сделать это довольно трудно, поэтому остановитесь на десятках герц,
остальное "вытянет" переменный резистор.
Поупражнявшись в настройке, можно быстро обнаружить, что она нарушается, если убрать руки из зоны регулирования. Переменными резисторами R49 и R50 можно исправить ситуацию, но потребуется, скорее всего, сделать несколько попыток.
В последующем при изменении температуры, окружающей обстановки, начального положения музыканта регулировка должна осуществляться только переменными резисторами R50 (установка максимальной громкости при отведённой руке) и R49 (установка нулевых биений при отведённой руке).
Итак, создание идеального терменвокса - задача не такая тривиальная, как кажется на первый взгляд. В частности, при изучении вопроса о собственной ёмкости катушек индуктивности можно вскрыть целый пласт заблуждений. Также до сих пор не проработан вопрос о модели взаимодействия рук и тела музыканта с антенной, а вывод функциональных зависимостей находится на уровне фразы "представим, что человек - это проводящая сфера.".
Для себя я сделал такие выводы:
1. Ферритовые магнитопроводы не следует применять, когда счёт идёт на единицы герц. Они вносят самую существенную составляющую в температурный дрейф частоты LC-контура.
2. Магнитная проницаемость фер-ритовых магнитопроводов зависит от внешних магнитных полей. Например, поднесённый магнит сбивает настройку, а близкорасположенный сетевой трансформатор модулирует индуктивность с частотой сети.
3. Для катушек не следует применять стальные экраны, поскольку они хранят историю намагничиваний, а возврат к первоначальной магнитной обстановке не гарантирует сохранения настройки. Например, магнит поднесли и убрали, а настройка изменилась навсегда.
4. Терменвокс по схеме Р. Муга [1] - пожалуй, лучшее, что придумано на сегодняшний день, хотя он и сложен в настройке. Вследствие п. 1-3 он нуждается в катушках без магнитопрово-дов, если только не будут придуманы сверхстабильные ферриты.
5. Терменвокс, на мой взгляд, достойно дополняет ряд классических музыкальных инструментов, поскольку на нём, как это ни странно, всё-таки нужно уметь играть, а также периодически настраивать и даже "лечить" от таких виолончельных болезней, как "волчий тон" (имеющий аналогичную природу).
Литература
2. Асеев П. Б. Колебательные цепи. - М.: Государственное издательство литературы по вопросам связи и радио, 1955.
3. Симонов И., Шиванов А. Терменвокс. - Радио, 1964, № 10, с. 36, 37.
4. Бондаренко Е. Терменвокс на транзисторах. - Радио, 1965, № 10, с. 33.
5. Королёв Л. И снова терменвокс. - Радио, 1972, № 9, с. 17-19.
Автор: И. Мамонтов, г. Электросталь Московской обл.