В корпусе "Selga-405" автор собрал УКВ-радиоприёмник с питанием от сети, использовав некоторые детали от исходного аппарата.
В прошлом веке отечественная промышленность выпускала большое число моделей носимых радиоприёмников с батарейным питанием, имеющих ДВ, СВ и реже КВ-диапазоны. Сегодня эти диапазоны практически пусты - часть радиостанций перекочевала из эфира в Интернет, часть закрылась. По этой причине сохранившиеся экземпляры таких радиоприёмников стали бесполезны. В то же время радиовещательные УКВ-диапазоны пока ещё "живы", поэтому подобные радиоприёмники можно переделать для работы наУКВ.
Один из возможных способов показан на примере отечественного радиоприёмника "Selga-405" выпуска 1984 г Из нескольких доступных схемных решений выбор пал на вариант с отечественной микросхемой КР174ХА34. Эта микросхема представляет собой ЧМ-тракт с низкой ПЧ для приёма и обработки сигналов с частотной модуляцией УКВ-диапазона [1, 2]. В 1990-е годы автор собрал на этой микросхеме, а также других аналогичных с низкой ПЧ КС1066ХА1, К142ХА42 около 20 радиоприёмников. Эти микросхемы отличаются высокой надёжностью - ни одного выхода из строя, высокой чувствительностью, простотой схемы включения, а также во всех изготовленных приёмниках не было замечено описанного в [3] негативного эффекта.
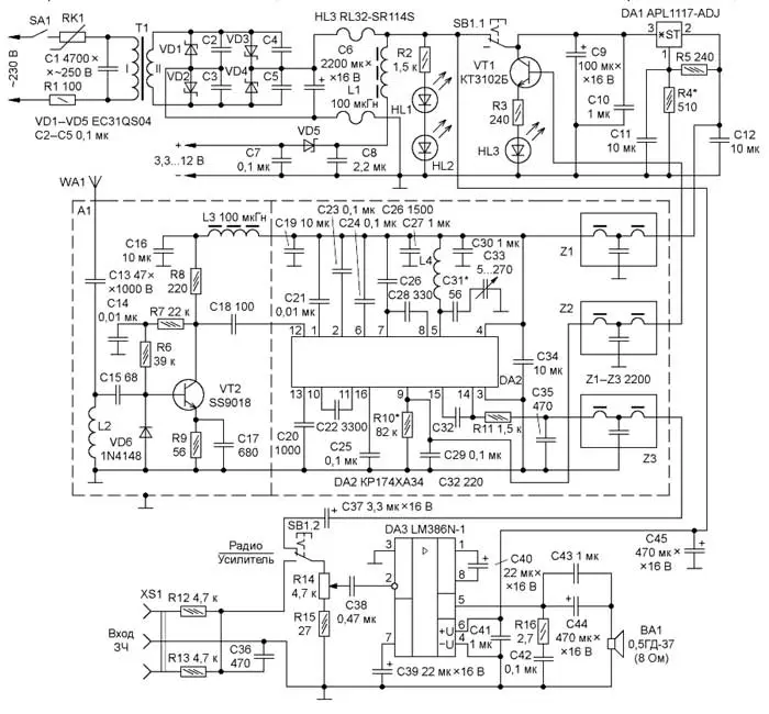
Схема УКВ-радиоприёмника показана на рис. 1. От исходного устройства остались корпус, переменный конденсатор с верньерным устройством, переменный резистор регулятора громкости, монтажная плата и динамическая головка. УКВ-радиосигнал с телескопической антенны WA1 через разделительные конденсаторы C13, C15 поступает на УВЧ, собранный на высокочастотном малошумящем транзисторе VT2 по схеме с общим эмиттером. Диод VD6 защищает этот транзистор от повреждения. Напряжение смещения на базу VT2 поступает с вывода коллектора этого транзистора через резисторы R6, R7. Конденсатор C14 предотвращает образование ООС по ВЧ, повышая усиление этого каскада на высоких частотах. Нагрузкой транзистора служит резистор R8. Питается каскад УВЧ напряжением около 4,1 В через фильтр L3C16.

Рис. 1. Схема УКВ-радиоприёмника
Усиленный ВЧ-сигнал через разделительный конденсатор C18 поступает на вход микросхемы DA2 (вывод 12). На радиостанции приёмник настраивают с помощью переменного конденсатора C33, который перестраивает рабочую частоту колебательного контура. Конденсатор C31 - растягивающий. Параметры колебательного контура выбраны так, чтобы охватить диапазон частот 63...110 МГц. Немного расширенный диапазон принимаемых частот выбран для того, чтобы при старении элементов, сильных изменениях окружающей температуры радиостанции, находящиеся на краях диапазона, не оказались DA1 APL1117-ADJ за "бортом". НЧ-сигнал звуковой частоты с выхода DA2 (вывод 14) через фильтры R11C35, Z3, разделительный конденсатор C37 и замкнутые контакты переключателя SB1.2 поступает на регулятор громкости - переменный резистор R14. С вывода 9 DA2 снимается напряжение для управления светодиодным индикатором уровня сигнала настройки на радиостанцию. Это напряжение через фильтр С29Z2 поступает на эмиттерный повторитель VT1. При точной настройке нарадиостанцию и высоком уровне сигнала светодиод гаснет.
УКВ-модуль A1 собран на отдельной печатной плате из фольгированного с двух сторон стеклотекстолита размерами 65x28 мм толщиной 2 мм. Модуль экранирован лужёной жестью, УВЧ на транзисторе VT1 экранирован от микросхемы DA2. Переменный конденсатор также экранирован. Нижний слой фольги также используется как экран. С общим проводом верхнего слоя нижний слой фольги связан 15 перемычками, равномерно распределёнными по плате. На верхнем слое фольги проводники вырезаны ручной фрезой под имеющиеся детали (рис. 2).

Рис. 2. Плата с элементами
УКВ-модуль получает питание около 4,1 В через фильтр Z1 от стабилизатора напряжения DA1 и сохраняет работоспособность при снижении напряжения питания до 1,9 В. Поскольку настройка нарадиостанции осуществляется переменным конденсатором, из-за изменения напряжения питания она не сбивается. Аналогичный модуль был использован при переделке радиоприёмников "Selga-404", "Юность КП-101", "Сигнал РП-204" и для модернизации радиоприёмника "Россия РП-303", а также, с некоторыми изменениями, в других конструкциях.
Усилитель звуковой частоты собран на интегральной микросхеме DA3 (LM386N-1). Резистор R15 исключает работу в режиме нулевой громкости, уменьшая вероятность того, что радиоприёмник будет работать, когда в нём нет необходимости. Нагрузкой усилителя DA3 служит динамическая головка BA1, подключённая к выходу микросхемы через разделительный конденсатор C44. Демпфирующая цепь R16C42 предотвращает самовозбуждение микросхемы DA3 на ультразвуковых частотах.
Поскольку многие мобильные цифровые устройства имеют плохое качество звучания, их желательно подключать к внешнему УЗЧ. С этой целью новый радиоприёмник оснащён гнездом XS1. Переключателем SB1 выбирают режим работы "Радио"/"Усилитель". Резисторы R12, R13 суммируют стереосигнал в монофонический, конденсатор C36 препятствует поступлению на вход УЗЧ радиочастот. Чувствительности УЗЧ достаточно, чтобы работать с любым цифровым мультимедийным аппаратом.
Сегодня не принято "ходить" с такими радиоприёмниками, поэтому автономное питание в устройстве не предусмотрено. Но при необходимости можно подключить внешний источник автономного питания напряжением 3,3...12 В, например [4-6]. Диод Шотки VD5 защищает устройство от переполюсовки напряжения питания. Вместо батареи гальванических элементов или аккумуляторов в корпус приёмника встроен сетевой блок питания. Напряжение сети 230 В поступает на первичную обмотку понижающего трансформатора T1 через замкнутые контакты выключателя SA1, предохранительный резистор R1 и терморезистор RK1 с положительным температурным коэффициентом сопротивления, работающий как высоковольтный самовосстанавливающийся предохранитель. В случае увеличения тока через первичную обмотку трансформатора, например, при аномально высоком напряжении сети, терморезистор разогревается, его сопротивление увеличивается с 20...30 Ом до десятков и даже сотен килоом, что предотвращает повреждение трансформатора. С вторичной обмотки T1 переменное напряжение около 8,5 В поступает на мостовой диодный выпрямитель, собранный на диодах Шотки VD1-VD4. Конденсатор C6 сглаживает пульсации выпрямленного напряжения.
На микросхеме DA1 (APL1117-ADJ) собран стабилизатор напряжения +4,1 В. Выходное напряжение устанавливают подборкой резистора R4 - чем меньше его сопротивление, тем меньше выходное напряжение. Светодиоды HL1, HL2 светят при наличии напряжения питания выше 5 В, они предназначены для подсветки шкалы настройки.
Вид на компоновку узлов в корпусе показан на рис. 3. Клавишный выключатель питания KCD-2011 (SA1) размещён на задней стенке корпуса радиоприёмника рядом с сетевым трансформатором, его можно заменить, например, на MRC-101-6A, KCD1-101. Переключатель SB1 - RS10. Резистор R1, конденсатор C1 и терморезистор RK1 размещены на отдельной плате размерами 35x20 мм. Диоды VD1-VD4, конденсаторы C2-C6 смонтированы на плате размерами 35x24 мм. Резисторы R12, R13, конденсатор C36 и гнездо XS1 установлены на плате размерами 33x18 мм. УКВ-модуль приклеен к основной плате устройства с таким расчётом, чтобы провод от конденсатора C31 к С33 был как можно короче. Узлы УЗЧ и стабилизатора напряжения размещены на основной плате. Монтаж - навесной. Не пренебрегайте корректной разводкой общего провода для цепей питания, сигнальных и высокочастотных.

Рис. 3. Вид на компоновку узлов в корпусе
Вместо микросхемы КР174ХА34 можно применить К174ХА34, КР174ХА34А. К микросхеме LM386N-1 приклеивают медный теплоотвод с площадью охлаждающей поверхности не менее 3 см2. Вместо УЗЧ на этой микросхеме можно собрать другой усилитель, работоспособный при напряжении питания 3...12 В. Вместо микросхемы APL1117-ADJ можно установить любой интегральный стабилизатор серии 1117-ADJ в любом корпусе, кроме сверхминиатюрных, например, LD1117A-ADJ, IL1117A-ADJ. Также подойдёт любой аналогичный стабилизатор с малым падением напряжения в соответствующей схеме включения. Вместо высокочастотного транзистора SS9018 подойдёт любой из серий 2SC1730, 2SC1395, КТ368, КТ399, 2Т399, 2Т372, КТ372,2Т382, КТ382, КТ325,2Т325, КТ355, 2Т355. Транзистор КТ3102Б заменим любым из серий КТ312, КТ315, КТ3102, SS9014, PN2222, BC547, BC548. Упомянутые в вариантах замен транзисторы имеют отличия в цоколёвке.
Вместо диодов Шотки EC31QS04 можно установить SB140, SB150, SB160, 1 N5819, MBRS140T3. Диод 1 N4148 можно заменить на PMLL4148, PMLL4446, PMLL4448, КД503А. Светодиоды HL1, HL2 - сверхъяркие, для поверхностного монтажа, жёлтого цвета свечения (от подсветки кнопок автомагнитолы). Светодиод RL32-SR114S - красного цвета свечения, можно заменить любым непрерывного свечения без встроенных резисторов, желательно с возможно меньшим рабочим напряжением.
Катушка L2 - бескаркасная, содержит 19 витков обмоточного провода диаметром 0,39 мм, намотанного на оправке диаметром 3 мм. Катушка L4 - бескаркасная, содержит шесть витков обмоточного провода диаметром 0,39 мм, намотанного на оправке диаметром 3 мм. Внутрь этой катушки вставлен кусок поролона, который затем пропитан парафином. Также парафином залит конденсатор C31. Дроссель L1 - готовый, промышленного изготовления, намотан на H-образном ферритовом магнитопрово-де, сопротивление обмотки - не более 1 Ом, индуктивность - чем больше, тем лучше. Дроссель L3 - аналогичный, индуктивностью 100...1000 мкГн и сопротивлением обмотки 3...15 Ом.
В узле питания применён трансформатор ТС6-2. Вторичная обмотка перемотана, она содержит 115 витков обмоточного провода диаметром 0,33 мм. Намотка - виток к витку, ни один виток не должен быть перехлёстнут, иначе обмотка не уместится в окне. Вместо такого трансформатора подойдёт, например, унифицированный ТП-112-1. WA1 - поворотная телескопическая антенна длиной 56 см. Отечественная динамическая головка 0,5ГД-37 отличается от подобных такого же размера хорошим качеством звучания и высокой чувствительностью. Можно заменить аналогичной 1ГДШ-6. Корпус динамической головки соединяют с общим проводом.
Как сказано выше, переменный резистор применён штатный, имеющийся в нём выключатель питания не используется. Этот выключатель нельзя применять для коммутации напряжения сети 230 В. Подойдёт любой переменный резистор сопротивлением 4,7- 22 кОм. Терморезистор ZPB53BL200C (RK1) применён от узла размагничивания кинескопа телевизора Funai. Может быть заменён ZPB53BL300C или другим с сопротивлением 20...30 Ом при комнатной температуре, или на полимерный самовосстанавливающийся предохранитель SF250-080. Резистор R1 - импортный невозгораемый или разрывной. Остальные резисторы - любого типа общего применения, в УКВ-модуле желательно использовать поверхностно монтируемые резисторы. Конденсатор C1 - керамический на номинальное напряжение не менее 1000 В постоянного тока или 250 В переменного тока. Конденсатор C38 - малогабаритный плёночный. Оксидные конденсаторы - импортные аналоги К50-68, К53-19. Остальные неполярные постоянные конденсаторы - керамические, на номинальное напряжение не менее 25 В. Конденсатор C31 должен быть с возможно меньшим ТКЕ. Фильтры Z1-Z3 - DST9NC52A222Q55B или DST9HB32E222Q55B - конденсаторы ёмкостью 2200 пФ, на выводы которых надеты ферритовые трубки. Их можно заменить керамическими конденсаторами ёмкостью 2200 пФ.
Налаживание в основном сводится к установке границ диапазона. Подбором ёмкости конденсатора C31 устанавливают нижнюю границу принимаемого УКВ-диапазона. Растягивая и сжимая витки катушки L4, устанавливают верхнюю границу диапазона. Подключив приёмник к внешней УКВ-антенне и настроив его на местную радиостанцию, резистор R10 подбирают, ориентируясь на большее его сопротивление, чтобы светодиод HL3 не светился. На этом настройка устройства закончена.
Радиоприёмник, изготовленный по схеме рис. 1, принимает все местные радиостанции на подключённый в качестве антенны кусок провода длиной 10 см, приём ведётся с расстояния около 30 км от передающей антенны. На максимальной громкости устройство потребляет от сети 230 В ток 16 мА. При питании устройства от внешнего источника постоянного напряжения 6 В потребляемый ток - около 80 мА на максимальной или 20 мА на минимальной громкости в режиме "Радиоприёмник" или 6 мА в режиме "Усилитель" при отсутствии сигнала.
Литература
1. Гвоздев С. Микросхема К174ХА34. - Радио, 1995, № 10, с. 62.
2. Нефёдов А. В. Интегральные микросхемы и их зарубежные аналоги. Серии К143-К174. Т. 2. - М.: "Радиософт", 1999, с. 610-612.
3. Поляков В. О "скрипе" 174XA34. - URL: http://www.radio.ru/support/001 (29.06.16).
4. Бутов А. Портативный аккумуляторный источник питания. - Радио, 2015, № 10, с. 36-38.
5. Бутов А. Преобразователь напряжения 5/9 В для питания радиоприёмников. - Радио, 2013, № 12, с. 24, 25.
6. Бутов А. Автономный блок питания. - Радио, 2012, № 12, с. 21, 22.
Автор: А. Бутов, с. Курба Ярославской обл.