В любительском частотомере, описание которого опубликовано в журнале "Радио", 2016, № 9, с. 47-51, блок управления (БУ) собран с применением микросхемы CD4060B (DD5), не имеющей отечественного аналога. Однако для электронных часов отечественной промышленностью выпускалась доступная до сих пор в продаже микросхема К176ИЕ5, имеющая, как и CD4060B, встроенный логический элемент (инвертор) для построения задающего кварцевого генератора частотой 32768 Гц. Автор предлагает вариант БУ для частотомера с применением этой микросхемы.
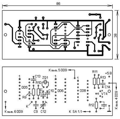
Фрагмент доработанной части схемы БУ приведён на рис. 1, а печатная плата всего доработанного блока с расположением элементов - на рис. 2.

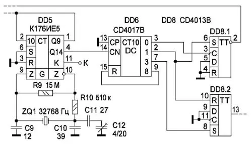
Рис. 1. Фрагмент доработанной части схемы БУ

Рис. 2. Печатная плата всего доработанного блока с расположением элементов
Нумерация всех элементов оставлена без изменений. Далее по тексту следуют ссылки на блоки и позиционные обозначения элементов согласно рис. 1 в указанной выше статье.
С выхода Q9 (вывод 1) микросхемы К176ИЕ5 (DD5), как и в CD4060B, снимается сигнал частотой 64 Гц и обеспечивает напряжением возбуждения ЖКИ HG1. Ввиду отсутствия выходного сигнала с частотой 8 Гц для тактовой частоты использован сигнал с частотой 2 Гц, который формируется на выходе Q14 (вывод 4). Поскольку эта частота в четыре раза меньше, надобность в счётчике-делителе DD7 (CD4017B) отпадает. Но при этом и длительность импульса обнуления, поступающего в блок индикации (БИ), в четыре раза больше - 0,5 с (вместо 0,125 с). Поэтому на экране ЖКИ перед началом отсчёта измеряемой частоты в течение 0,5 с будут видны нули. Предполагаю, что это может кому-то показаться неудобным, но такова плата за замену.
Рассмотрим формирование сигналов БУ с начала цикла, когда счётчик-делитель DD6 устанавливается в нулевое состояние с приходом очередного тактового импульса с выхода Q14 микросхемы DD5. Положительный перепад сигнала с выхода 0 счётчика DD6 поступает на счётный вход С триггера DD8.1. На его инверсном выходе (вывод 2) устанавливается лог. 1 - сигнал обнуления. Он поступает на входы R счётчиков БИ и обнуляет их. Через 0,5 с следующий тактовый импульс вызовет установку лог. 1 на выходе 1 счётчика DD6. Этот сигнал возвращает триггер DD8.1 по входу S в прежнее состояние - сигнал обнуления заканчивается, а триггер DD8.2 по входу R устанавливает в состояние лог. 0 (вывод 13). Коммутатор на транзисторе VT4 начинает пропускать поступающие на его базу через резистор R12 с переключателя SA1.1 импульсы на вход С счётчика DD9 БИ.
Через 1 c на выходе 3 счётчика DD6 от очередного тактового импульса появляется лог. 1, которая переводит триггер DD8.2 по входу S в прежнее состояние. Транзистор VT4 открывается, и поступление импульсов в БИ прекращается. В течение 2,5 с на ЖКИ высвечивается значение измеряемой частоты, а через каждые 0,5 с в счётчике DD6 происходит перемещение сигнала лог. 1 от выхода 3 к выходу 8. Его появление на выходе 8 вызывает обнуление счётчика и начало следующего цикла измерения.
Чертёж печатной платы БУ в форматах Sprint LayOut 5.0 и TIFF можно скачать здесь.
Автор: С. Глибин, г. Москва