Сборочные чертежи, механизм, камерный канал, источник питания
Внешне похожие на свою предшественницу NV-MD9000EN, видеокамеры NV-MD10000GC/GK имеют существенные отличия - в них применен А-механизм (вместо N-механизма) и 3-матричный датчик изображения в составе соответствующего объектива. Электронная часть и элементная база рассматриваемых видеокамер также существенно различаются. Их сервисной особенностью, как и модели NV-MD9000EN, является отсутствие в сервисном руководстве принципиальных схем и чертежей главной и материнской плат, а также перечней элементов этих плат, поскольку производитель считает невозможным их ремонт на компонентном уровне. Для проведения диагностики неисправностей рассматриваемых видеокамер будем ориентироваться на фото внешнего вида плат и другие материалы статьи.
Укрупненная структурная схема видеокамер приведена на рис. 1, в ее состав входят следующие узлы и платы (некоторые платы и узлы на схеме не показаны):
- материнская кросс-плата (MATHER C.B.A., Part No VEP06G00A), ее назначение - соединение главной платы со всеми узлами и платами видеокамер, какие-либо компоненты кроме соединителей и литиевой батареи (находится на обратной стороне) на плате отсутствуют.

Рис. 2. Внешний вид материнской кросс-платы

Рис. 3. Внешний вид главной платы (вид сверху)

Рис. 4. Внешний вид главной платы (вид снизу)
Внешний вид материнской платы, установленной в штатном положении внутри корпуса видеокамеры, показан на рис. 2;
- главная плата (MAIN C.B.A. Part No VEP03G83A), ее внешний вид сверху показан на рис. 3, а вид снизу - на рис. 4. На верхней стороне платы, кроме прочих, установлена микросхема привода двигателями механизма IC2201 типа LB11958 фирмы SANYO. На нижней стороне платы установлена микросхема 6-канального DC/DC-преобразователя напряжения IC1001 типа MB39A121 фирмы FUJITSU;
- плата интерфейсов (AV JACK C.B.A. Part No VEP04890A);
- плата микрофонного интерфейса (MIC JACK C.B.A);
- правая боковая плата (SIDE (R) C.B.A. Part No VEP001K5A);
- плата монитора (MONITOR C.B.A. Part No VEP08344A);
- платы видоискателя (EVF INT C.B.A./EFV C.B.A. Part No VEP02580A/VEP029167A);
- А-механизм, внешний вид механизма в сборе с корпусом показан на рис. 5;
- блок объектива (LENS), внешний вид блока показан на рис. 6;
- блок микрофонов (MIC UNIT).

Рис. 5. Внешний вид А-механизма в сборе с корпусом

Рис. 6. Внешний вид блока объектива
Полный состав плат и узлов видеокамер приведен на сборочных чертежах (см. рис. 7), наименование и номера плат, узлов, а также основных деталей видеокамер, необходимость заказа которых может возникнуть при ремонте, приведены в таблице 1 (за исключением крепежа, пружин, креплений и т.п.). Отдельные сборочные чертежи имеют блок объектива, ЖК дисплея ЛПМ.


Рис. 7. Сборочные чертежи плат и узлов видеокамер
Таблица 1. Наименование и номера плат, узлов, а также основных деталей видеокамер NV-MD10000GC/GK
№ позиции | Part No | Наименование |
10 | VYQ7231 | MECHA FRAME U - корпус механизма |
11 | VYK1Q59 | SIDE CASE (L) 1U - левая боковина корпуса видеокамер |
18 | VYK1Q62 | GRIP COVER (1) U - корпус операторского крепления |
22 | VEE1B79 | ZOOM/PHOTO CABLE - соединительные шлейфы блока объектива |
36 | VWJ1790 | SIDE (R ) FPC - соединительный шлейф |
55 | VYKK1Q70 | CASETTE COVER U - крышка кассетоприемника |
61 | VFC4129 | LENS HOOD U - узел бленды объектива |
66 | VMG1357 | FOCUS RING - кольцо ручной фокусировки |
70 | VWJ1752 | JACK FPC - соединительный шлейф |
71 | VWJ1753 | R FPC - соединительный шлейф |
72 | VWJ1785 | EVR FPC - соединительный шлейф |
73 | VWH1786 | LCD FPC - соединительный шлейф |
74 | VEK0J34 | EVF FPC - соединительный шлейф |
76 | VEE1B80 | FRONT CABLE - соединительные шлейфы |
79 | VWJ1789 | LENS INT. FPC - соединительный шлейф |
80 | VWJ1791 | SIDE (L) INT. FPC - соединительный шлейф |
81 | VWJ1792 | REAR INT. FPC - соединительный шлейф |
82 | VEK0J33 | CCD IN FPC - соединительный шлейф |
85 | VEP03G83A | MAIN PC.B. - главная плата |
86 | VEP06G00A | MOTHER PC.B. - материнская плата |
87 | VEP06G01A | EVR INT PC.B. - плата контрольного разъема |
88 | VEP06G02A | EVR INT 2 PC.B. - плата контрольного разъема 2 |
89 | VEP01970A | BATTERY INT PC.B. - плата батарейного отсека |
90 | VEP04890A | AV JACK PC.B. - плата аудио/видео интерфейса |
91 | VEP06G05A | ZOOM PC.B. - плата трансфокатора |
92 | VEP06F13B | FRONT PC.B. - передняя плата |
93 | VEP06G03A | S/S & POWER PC.B. - плата выключателя питания |
101 | VYK1Q72 | SIDE CASE (R ) 1U - правая боковина корпуса |
118 | VKM6796-1 | EVF CASE TOP - верхняя крышка видоискателя |
119 | VKM6797-2 | EVF CASE BOTTOM - нижняя крышка видоискателя |
120 | VEE1B81 | EVF CABLE - соединительная коса |
125 | VYQ3507 | VIEW ADJ. CASE U - узел регулятора фокусировки видоискателя |
143 | VWJ1767 | EVF FPC - соединительный шлейф |
160 | VYK1Q69 | MIC CASE U - узел микрофонов в сборе |
167 | VWJ1784 | FPC - соединительный шлейф |
177 | VWJ1795 | FPC - соединительный шлейф |
178 | VWJ1753 | FPC - соединительный шлейф |
179 | VEP001K5A | SIDE (R ) PC.B. - правая плата |
180 | VEP001K9A | SIDE (R ) OPERATION PC.B. - плата управления |
181 | VEP02580A | EVF INT PC.B. - плата видоискателя |
182 | VEP029167A | EVF PC.B. - плата видоискателя 2 |
183 | VEP06G06A | HANDLE ZOOM PC.B. - плата трансфокатора |
184 | VEP04889A | MIC JACK PC.B. - плата узла микрофонов |
185 | VEP001L0A | LCD DET PC.B. - плата идентификатора ЖК дисплея |
Сборочный чертеж А-механизма в сервисном руководстве видеокамер приведен в упрощенном виде, для детального изучения особенностей механизма выпущено отдельное сервисное руководство по его регулировке. Следует отметить, что ЛПМ, практически полностью идентичный А-механизму, применяется в ряде цифровых бытовых видеокамер PANASONIC, в частности, в моделях NV-GS6/GS17/GS18/GS21/ GS25/GS28/GS35/GS38 (исполнения EE/GC/E/EB/EF/EG/EP/ EK/GN/GK). Ниже перечислены номера узлов А-механизма по сборочному чертежу, приведенному на рис. 8 (в скобках указаны Part No механизма перечисленных бытовых видеокамер).

Рис. 8. Сборочный чертеж А-механизма, где: 501 Part No VXA8014 (VXA8014) MECHA. CHASSIS - шасси механизма; 501-4 Part No VXR0403 (VXR0403) T REEL U - узел подающего подкатушечника; 503 Part No VXA7932 (VXA7932-1B) CASSETTE UP U - кассето-приемник; 503-1, 503-2 Part No VMB3766 (VMB3766) CASSETTE UP SPRING - пружины; 504 Part No VEG1663 (VEG1663-M) CYLINDER U - БВГ
Сборочный чертеж блока объектива приведен на рис.9. В сервисной документации отсутствует спецификация узла светоделительной призмы, однако имеется принципиальная электрическая схема гибкой платы ПЗС-датчиков изображения (CCD FLEX) и ее чертеж с расположением элементов.

Рис. 9. Сборочный чертеж блока объектива, где: 301 Part No VXQ1358 PRISM U - узел призмы; 303 Part No VDL1646 CRYSTAL OPTICS FILTER - оптический фильтр; 304 Part No VXW0701 LENS U - узел объектива; 304-1 Part No VDW1109 MASTER FLANGE - задняя часть корпуса объектива; 304-2 Part No VXP2431 4TH MOVING FRAME U - узел 4-й подвижной линзы; 304-3 Part No VXQ1309 3RD MOVING FRAME U - узел 3-й подвижной линзы; 304-4 Part No L6HA64NC0002 - узел двигателя фокусировки; 304-5 Part No VXP2434 IRIS U - узел диафрагмы; 304-8 Part No VXP2429 2ND MOVING FRAME U - узел 2-й подвижной линзы; 304-9 Part No VXQ1308 LENS MAIN FRAME U - узел главной линзы; 304-10 Part No L6HA64NC0001 ZOOM MOTOR U - узел двигателя трансфокатора
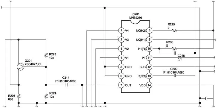
В состав гибкой платы CCD FLEX входят три одинаковых черно-белых ПЗС датчика изображения: IC201 (канал зеленого), IC202 (канал красного) и IC203 (канал синего) типа MN39236 собственного производства. Фрагмент схемы канала зеленого цвета приведен на рис. 10. Выходной разъем РР201 платы подключается к соединителю PS6417 материнской платы (см. рис. 2, 3), далее через разъем FP6416 (материнская плата), FP201 (главная плата см. рис. 4, 6) цепи ПЗС-датчиков соединены с микросхемами HD49340 (см. рис. 4 в центре платы). Измерение напряжений питания и параметров сигналов на ПЗС-датчиках можно проводить на контактах перечисленных разъемов. В таблице 2 приведено назначение контактов разъема PS6417 главной платы.

Рис. 10. Фрагмент принципиальной электрической схемы ПЗС датчиков изображения (канал зеленого цвета)
Таблица 2. Назначение контактов разъема PS6417 главной платы
№ контакта | Обозначение | № контакта | Обозначение |
1 | SIGB | 21 | A GND |
2 | A GND | 22 | SUBR |
3 | 5V B | 23 | H1R |
4 | 5V B | 24 | H2R |
5 | V1B | 25 | V4R |
6 | V3B | 26 | VSR |
7 | 15V | 27 | V2R |
8 | 15V | 28 | V1R |
9 | V4G | 29 | PT |
10 | V3G | 30 | PT |
11 | V2G | 31 | SUBG |
12 | V1G | 32 | H1G |
13 | A GND | 33 | H2G |
14 | SIGG | 34 | - |
15 | A GND | 35 | V4B |
16 | A GND | 36 | V2B |
17 | 5V RG | 37 | SUBB |
18 | 5V RG | 38 | H1B |
19 | A GND | 39 | H2B |
20 | SIGR | 40 | A GND |
Микросхема HD49340 фирмы RENESAS представляет собой 10-разрядный АЦП в сочетании с устройством двойной коррелированной выборки ДКВ (CDS - Correlated Double Sampling) и усилителем с программируемым усилением (PGA - Programmable-Gain Amplifier). ИМС предназначена для использования в видеокамерах с датчиками изображения на ПЗС-матрицах. Микросхема выполнена в корпусе QFP-48, ее основные особенности и параметры:
- напряжение питания 3 В;
- малая потребляемая мощность (120 мВт при частоте дискретизации 36 МГц, 60 мВт при частоте 25 МГц);
- возможность прямого доступа ко входу АЦП;
- подавление НЧ шума от ПЗС матриц с помощью УВХ и ДКВ;
- высокая чувствительность и отношение сигнал/шум за счет использования PGA;
- управление PGA, включение дежурного режима и т. д. через последовательный интерфейс;
- прецизионный 10-разрядный АЦП.

Рис. 11. Структура микросхемы HD49340
Структура микросхемы приведена на рис. 11, в ее состав входят следующие основные узлы: схема двойной коррелированной выборки (CDS); компенсатор смещения выходного напряжения (DC offset compensation circuit); тактовый генератор (Timing generator); усилитель с программируемым усилением (PGA); последовательный интерфейс (Serial interface); формирователь смещения (Bias generator); АЦП (10-bit ADC); выходная схема-защелка (Output latch circuit). Перечислим назначение основных выводов микросхемы:
- 2-11 (D0-D9) - цифровые сигнальные выходы;
- 14, 15, 41 (DVss) - "земля" цифровых узлов;
- 16 (ADCLK) - тактовый вход АЦП;
- 17,18, 43, 44 (DVdd) - напряжение питания цифровых узлов (3 В);
- 20 (ОВР) - вход импульсов оптической блокировки ПЗС (Optical black pulse input);
- 21 (SPBLK) - тактовый вход дискретизации уровня черного;
- 22 (SPSIG) - тактовый вход дискретизации уровня сигнала;
- 25, 26, 35, 45 (AVss) - "земля" аналоговых узлов;
- 27, 33 (AVdd) - напряжение питания аналоговых узлов (3 В);
- 28, 29, 30 (BLKSH, BLKFB, CDSIN) - уровень черного УВХ, уровень черного цепи обратной связи, вход узла CDS;
- 32 (BIAS) - вход узла смещения, соединяется с аналоговым корпусом через резистор 33 кОм;
- 36 (ADCIN) - вход АЦП;
- 37, 38, 39 (VRM, VRT, VRB) - образцовые напряжения 1, 2, 3 соединяются с аналоговой "землей" через конденсаторы 0,1 мкФ;
- 46, 47, 48 (CS, SDATA, SCK) - сигналы последовательного интерфейса.
Пример включения микросхемы HD49340F/HF приведен на рис. 12. Сигнал от ПЗС матрицы подается на выв. 30 микросхемы, сигналы от генератора тактовых импульсов - на выв. 16, 19, 20, 21, 22, сигналы управления - на выв. 46, 47, 48. Для ориентировки при проведении диагностики неисправностей камерных каналов можно использовать материалы статьи автора [1]. Напряжение питания для цифровых и аналоговых узлов микросхемы подается раздельно через ФНЧ (L1 C16 C15 C14 и L2 C21 C22 C10-C12).

Рис. 12. Пример схемы включения микросхемы HD49340F/HF
Основное напряжение питания на главную плату видеокамер от аккумулятора поступает через батарейный терминал (плата BATARY INT PC.B., см. рис. 7). Принципиальная электрическая схема батарейного терминала приведена на рис. 13. Напряжение от аккумулятора по цепи +В через контакты 10-14 разъема FP6751, ВЧ дроссель LB1001 (ферритовый цилиндр на проводе) и предохранитель IP101 (Part No K5H4021A0004) поступает на контакт 1 разъема Р6751 и, далее, через 3-проводный жгут - на главную плату (три провода жгута видны на рис. 4 слева). Номинал предохранителя IP101 в перечне элементов видеокамер не приводится, при необходимости его замены можно ориентироваться на выходные параметры используемого сетевого адаптера VSK0644 - 7,9 В, 9 Вт, расчетный номинал предохранителя в этом случае составит ориентировочно 1,2...1,5 А. Напряжение питания от сетевого адаптера подается через разъем JK6551 и симметричный помехоподавляющий фильтр FL6751 в цепь +В. При подключении разъема сетевого адаптера цепь D переключается от "земли" к цепи +7,9 В через резистор R6751.

Рис. 13. Принципиальная электрическая схема батарейного терминала
Основные напряжения питания для всех плат и узлов видеокамер формирует многофункциональная микросхема MB39A121 (функциональный аналог MB39A123) фирмы Fujitsu, расположение микросхемы на главной плате показано на рис. 4 вверху справа. Микросхема представляет собой 6-канальный преобразователь напряжения с ШИМ и с синхронным выпрямлением, обеспечивает повышающее и понижающее преобразование. Основные области применения: цифровые фото- и видеокамеры, камеры наблюдения и т. д. Микросхемы выпускаются в 48-выводных корпусах BCC-48, LQFP-48 (в рассматриваемых видеокамерах используются микросхемы в корпусе LQFP-48, версия FPT-48P-M26), основные особенности микросхемы MN39A123:
- понижающий преобразователь с синхронным выпрямлением (канал 1);
- понижающий преобразователь, повышающий/понижающий преобразователь типа Zeta (каналы 2, 3, 4);
- повышающий преобразователь типа Sepic (каналы 5, 6);
- преобразователь с отрицательной полярностью (канал 4);
- малое напряжение запуска: 1,7 В (каналы 5, 6);
- входное напряжение питания - 2,5...11 В;
- диапазон частот ШИМ импульсов - 0,2...2 МГц;
- встроенная схема "мягкого" запуска;
- тотемные выходы для внешних полевых транзисторов.
Возможность как понижать, так и повышать напряжение достигается применением дополнительного индуктора в преобразователях Zeta и Sepic, или трансформатора в преобразователях Flyback (обратноходовые).
Структура и типовое включение микросхемы приведены на рис. 14, приведем назначение ее основных выводов:
- FB1, FB2, FB3... - выходы усилителей ошибок соответствующих каналов;
- -INE1, -INE2, -INE3... - инвертирующие входы усилителей ошибок соответствующих каналов;
- CS1, CS2, CS3... - выводы для подключения конденсаторов узлов мягкого старта соответствующих каналов;
- OUT1-1, OUT1-2 - выходы для подключения выходных Р- и N-канальных полевых транзисторов 1-го канала;
- OUT2, OUT3, OUT4 - выходы для подключения выходных Р-канальных полевых транзисторов 2-4-го каналов;
- OUT5, OUT6 - выходы для подключения выходных N-канальных полевых транзисторов 5 и 6 каналов;
- DTC2, DTC3, DTC4... - входы для регулировки времени паузы между переключениями (Dead Time) в каналах 2-6;
- CT, RT - выводы для подключения времязадающих элементов (конденсатора и резистора);
- CTL1, CTL2, CTL3... - входы управления каналов 1-6;
- CTL - вход управления источника питания;
- INS - вход компаратора схемы защиты от коротких замыканий;
- CSCP - вывод для подключения внешнего конденсатора схемы защиты от коротких замыканий;
- VCCO - напряжение питания внешних драйверов на полевых транзисторах (5-11 В);
- VCC - входное напряжение питания (2,5...11 В);
- VREF - выход образцового напряжения (2 В±1%);
- GNDO - силовая "земля";
- GND - "земля".
Приведем некоторые параметры микросхемы, значения которых могут быть востребованы при проведении диагностики неисправностей видеокамер:
- высокое/низкое напряжение VOH/VOL усилителей ошибок (Error Amp 1) 1-го канала (выв. 37), Error Amp 2 (выв. 42), Error Amp 3 (выв. 45), Error Amp 4 (выв. 15), Error Amp 5 (выв. 22), Error Amp 6 (выв. 25) - 1,9 В/40 мВ (типовые значения);
- рекомендуемая частота генератора треугольного напряжения - 1 МГц, реализуется при
СТ=100 пФ, RT=6,8 кОм; генерируемая частота определяется выражением fOSC (кГц)=680000/(СТ (пФ)xRT (кОм);
- выходные блоки (каналы 1-6): входящие и выходящие выходные токи ISOURCE/ISINK= 130/130 мА; RDS(ON)=18 Ом (при IВЫХ= - 15/15 мА);
- потребление в режиме ожидания по цепям ICCS (выв. 48)/ICCSO (выв. 36) - 0/0 мА (типовые значения);
- потребление в рабочем режиме по цепи ICC (выв. 48) - 4,5 мА.
При отсутствии напряжений на выходах каких-либо каналов проверяют исправность соответствующих полевых транзисторов, дросселей и диодов. Для подбора аналогов для замены вышедших из строя элементов можно воспользоваться подробной технической документацией видеокамер более ранних выпусков, не обязательно PANASONIC.
Управление двигателями лентопротяжного механизма видеокамер обеспечивает многофункциональная схема управления, выполненная на базе микросхемы LB11958 фирмы SANYO (расположение микросхемы на главной плате показано на рис. 4 вверху в центре, маркировка 11958). Справочные данные на эту микросхему в свободном доступе отсутствуют, ее функциональным аналогом является микросхема LB11993W (Data Sheet на сайте [2]). В состав микросхемы входят схемы управления двигателями БВГ, ведущего вала и загрузки, а также усилители датчиков вращения подкатушечников, скорости ведущего вала и положения ротора двигателя БВГ Для проведения диагностики неисправностей схем управления механизмом можно измерять ряд сигналов на контактах присоединительных разъемов главной платы, фрагмент схемы соединений видеокамер приведен на рис. 15. С узлами механизма главная плата соединена через разъемы FP2201-FP-2204, FP5001. Назначение большинства функциональных контактов разъемов в основном такое же, как и назначение контактов разъемов FP2201-FP2203, FP5001 видеокамеры "Panasonic-NV-MD9000EN", описанной в предыдущей статье автора.
Все недостающин рисунки можно найти здесь.
Литература и интернет-ресурсы
1. Юрий Петропавловский. "Применяемость и схемы включения ПЗС-сенсоров Sony и Panasonic для видеокамер", Ремонт & Сервис, 2010, №8.
2. www.alldatasheet.com
Автор: Юрий Петропавловский (г. Таганрог)
Источник: Ремонт и сервис