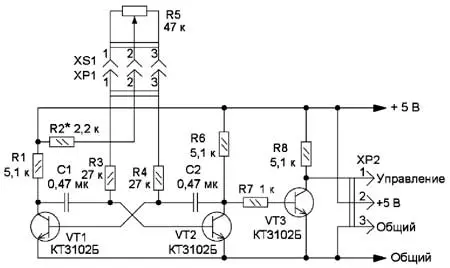
Сервоприводы сейчас активно применяют в робототехнике, автоматике и электронных игрушках. На просторах Интернета есть много различных вариантов схем устройств управления сервоприводами, но большинство из них собраны на микроконтроллерах или других цифровых микросхемах. Схема предлагаемого устройства показана на рис. 1 . Оно не содержит дефицитных деталей и может быть легко собрано начинающими радиолюбителями. Основа устройства - симметричный мультивибратор на транзисторах VТ1 и VТ2. На транзисторе VT3 собран буферный каскад. Частота выходных импульсов - 50 Гц. Их скважность (длительность управляющего импульса), а следовательно, и положение ротора сервопривода изменяют с помощью переменного резистора R5. При указанных на схеме номиналах элементов положение ротора сервопривода примерно соответствует положению движка резистора R5.

Рис. 1. Схема устройства
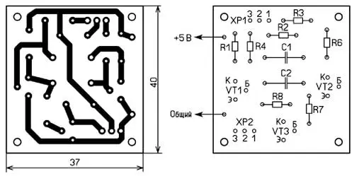
Все элементы, кроме переменного резистора, установлены на односторонней печатной плате, чертёж которой показан на рис. 2. Применены постоянные резисторы МЛТ, С2-23, переменный - СП3-3, СПП-4, СПО, конденсаторы - К10-73, транзисторы - маломощные структуры n-p-n серии КТ315 или КТ3102. Номиналы резисторов и конденсаторов могут отличаться от указанных на схеме на 20 %. На плате предусмотрены разъёмы (их тип может быть любым) для прямого подключения сервопривода (XP2) и переменного резистора (ХР1). Внешний вид смонтированной платы показан на рис. 3.

Рис. 2. Печатная плата и элементы на ней

Рис. 3. Внешний вид смонтированной платы
Для питания следует применить стабилизированный источник напряжения постоянного тока, обеспечивающий нормальную работу сервопривода. Само устройство потребляет ток не более 10 мА. Работоспособность сохраняется при изменении напряжения питания от 3 до 12 В.
Правильно собранное устройство начинает работать сразу. При первом включении устройства подбирают резистор R2 (его сопротивление может находиться в интервале 2...50 кОм) до получения частоты следования выходных импульсов, равной 50 Гц (контролируется частотомером или осциллографом). Эту операцию проводят без подключения сервопривода. При управлении сервоприводом, у которого входное сопротивление управляющего входа более 100 кОм, выходной сигнал можно взять непосредственно с коллектора транзистора VT1, исключив из схемы транзистор VT3 и резисторы R7 и R8.
Автор: А. Бутов, с. Курба Ярославской обл.