Трёхфазные асинхронные двигатели находят широкое применение в промышленности и в быту благодаря своей простоте и надёжности. Отсутствие искрящего и греющегося коллекторнощёточного узла, а также простая конструкция ротора обуславливают долгий срок их эксплуатации, упрощают профилактику и обслуживание. Однако при необходимости регулировать частоту вращения вала такого двигателя возникают сложности. Для этого обычно применяют специальные преобразователи, называемые частотными регуляторами, изменяющие частоту питающего двигатель напряжения. Такие регуляторы нередко позволяют питать трёхфазный двигатель от однофазной сети, что особенно актуально при их применении в быту.
Частотным регуляторам посвящено довольно много статей, например, [1-3]. К сожалению, большинство описанных конструкций не очень подходят для повторения, поскольку они либо слишком сложны [1], либо (как регулятор, описанный в [2]) построены из дорогих деталей, стоимость которых достигает половины стоимости регулятора промышленного изготовления. Дополнительные функции регулятора [2] необходимы далеко не всегда. Поэтому для многих простых применений такой регулятор невыгоден. Устройство, описанное в [3], несложно по схеме, но организовать плавное регулирование частоты вращения с его помощью затруднительно.
Оптимальным для повторения можно считать устройство, описанное в [1], если его немного упростить. Оно построено на дешёвых широко распространённых микросхемах, поэтому нет нужды покупать дорогостоящие микроконтроллеры или специализированные модули. В описываемом в настоящей статье устройстве из [1] оставлен только формирователь импульсов управления. Остальное изменено с целью упрощения.
Как известно, при уменьшении частоты питающего двигатель напряжения необходимо пропорционально снижать и его амплитуду. Проще всего это делать с помощью широтно-импульсной модуляции формируемого напряжения. В [1] для этого использованы отдельный генератор и пять микросхем. Это не очень удобно, поскольку требует применять для управления двигателем сдвоенный переменный резистор и налаживать два генератора, да и число микросхем можно сократить.
Я использовал другой способ реализации широтно-импульсной модуляции, позволяющий упростить устройство и его налаживание. Теперь оно состоит из регулируемого по частоте генератора импульсов постоянной длительности, счётчика-делителя частоты следования импульсов генератора на три, формирователя импульсов управления и оптронов, управляющих силовыми ключами инвертора постоянного напряжения в трёхфазное переменное.
Формирователь импульсов управления делит частоту поступающих на него импульсов на шесть. Излучающие диоды оптронов включены так, что ток через них течёт только в отрезки времени, когда на выходе генератора установлен высокий логический уровень напряжения, а на соответствующем выходе формирователя импульсов управления - низкий. Поэтому каждый полу-период напряжения, подаваемого на обмотку двигателя, состоит из девяти импульсов постоянной длительности, но с регулируемыми паузами между ними. При этом снижение эффективного значения напряжения, подаваемого на обмотки, происходит автоматически по нужному закону за счёт увеличения скважности при понижении его частоты.
Принципиальная схема задающего генератора частотного регулятора, использующего такой принцип, изображена на рис. 1. Он разработан для системы питания осевого вентилятора с трёхфазным двигателем мощностью 0,37 кВт. На триггере Шмитта DD3.4 и транзисторе VT1 построен генератор импульсов. Рассмотрим его работу с момента, когда конденсатор C9 разряжен и на выходе триггера DD3.4 установлен высокий логический уровень, а на выходах параллельно соединённых триггеров DD3.5 и DD3.6 - низкий.

Рис. 1. Принципиальная схема задающего генератора частотного регулятора
Конденсатор C9 начинает заряжаться через резистор R12 и сопротивление сток-исток транзистора VT1, зависящее от напряжения на его затворе. В некоторый момент времени напряжение на конденсаторе превысит верхний порог переключения триггера, уровень на выходе которого станет низким. Далее начнётся разрядка конденсатора C9. После того как напряжение на конденсаторе достигнет нижнего порога переключения триггера, всё повторится сначала.
Длительность импульса низкого уровня на выходе триггера DD3.4 и высокого уровня на выходах триггеров DD3.5 и DD3.6 неизменна и определяется постоянной времени цепи C9R13. А продолжительность пауз между импульсами зависит от напряжения на затворе полевого транзистора VT1, которое устанавливают переменным резистором R3. Чем оно выше, тем меньше сопротивление сток-исток транзистора, следовательно, короче паузы между импульсами и выше частота их следования. При максимальной частоте паузы между импульсами минимальны, поэтому напряжение, подаваемое на обмотки двигателя, близко к напряжению силовых ключей.
При понижении частоты длительность пауз увеличивается, что ведёт к уменьшению среднего значения напряжения на обмотке двигателя.
Переменным резистором R3 и регулируют частоту вращения двигателя, а подстроечным резистором R4 устанавливают её минимальное значение. Резистор R12 определяет минимальную длительность пауз между импульсами.
Такой генератор сложнее, чем в [1], но применён по нескольким причинам. Во-первых, он позволяет получить широкий интервал регулирования частоты при небольшом сопротивлении переменного резистора R3. У большинства переменных резисторов при переходе подвижного контакта с металлического контакта на резистивное покрытие (или наоборот) происходит резкое изменение сопротивления. Причём, чем больше номинальное сопротивление резистора, тем ярче это свойство проявляется. А в обычном генераторе для получения широкого интервала регулирования требуются именно высокоомные переменные резисторы. На практике этот эффект проявляется как резкий рывок вала двигателя и бросок потребляемого им тока при приближении движка переменного резистора к крайнему положению.
Во-вторых, стало возможным реализовать плавный запуск двигателя без существенного усложнения устройства. Это актуально для вентиляторов, особенно центробежных, поскольку момент инерции рабочего колеса у них, как правило, довольно велик, что способствует длительной работе двигателя в пусковом режиме со значительным превышением номинального потребляемого тока.
В-третьих, благодаря тому что частотой генератора управляют изменением постоянного напряжения, при необходимости легко организовать дистанционное регулирование частоты вращения вала двигателя.
Для реализации плавного пуска служат элементы C2, R1, R2, VD1, а также реле K2. В момент включения питания цепь обмотки реле K2 разорвана, излучающие диоды оптронов U1-U6 отключены от генератора импульсов, конденсатор C2 разряжен. В этом состоянии подстроечным резистором R2 устанавливают минимальную частоту следования импульсов генератора, с которой начнётся запуск двигателя. Следует отметить, что минимальная частота зависит в некоторой степени и от положения движка переменного резистора R3.
При нажатии на кнопку SB1 "Пуск" реле K2 своими контактами K2.2 подключит оптроны к генератору. Конденсатор C2 начнёт заряжаться в основном через резистор R2. Напряжение на затворе транзистора, а следовательно, и частота генератора плавно увеличиваются. Подбирая ёмкость конденсатора C2, можно изменять скорость разгона двигателя. Когда частота генератора достигнет значения, установленного переменным резистором R3, диод VD1 закроется. Конденсатор C2, заряжаясь до напряжения питания через резистор R2, на дальнейшую работу генератора не влияет.
При нажатии на кнопку SB2 "Стоп" реле K2 отключает оптроны, а контактами K2.1 разряжает конденсатор C2. Реле K1 управляет узел токовой защиты частотного регулятора. При перегрузке оно размыкает цепь питания обмотки реле K2. Для дополнительной защиты частотный регулятор подключён к сети через автоматический выключатель с током отключения 3 А.
Если плавный пуск и управление частотным регулятором с помощью кнопок не требуются, все элементы, находящиеся на схеме внутри штрих-пунктирной рамки, можно не устанавливать. Вместо участка сток-исток транзистора VT1 следует включить по схеме реостата переменный резистор сопротивлением 100 кОм. Ёмкость конденсатора C9 лучше увеличить до 470 нФ, а сопротивление резисторов R12 и R13 выбрать соответственно
200 Ом и 1,6 кОм. Аноды излучающих диодов оптронов U1-U6 следует соединить с выходами триггеров DD3.5 и DD3.6 напрямую.
С выхода триггера DD3.4 импульсы поступают на вход счётчика DD4, коэффициент деления которого установлен равным трём. Формирователь импульсов управления построен на счётчике DD1, элементах 3ИЛИ-НЕ микросхемы DD2 и триггерах Шмитта DD3.1-DD3.3. Его работа достаточно подробно описана в [1] и [2].
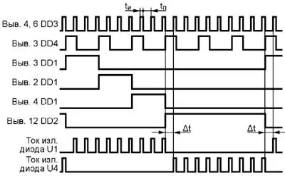
Работу узла управления поясняют временные диаграммы сигналов в некоторых его точках, показанные на рис. 2. В качестве выходных сигналов фазы А показаны токи, протекающие через излучающие диоды оптронов U1 и U4. Поскольку, в отличие от [1], в рассматриваемом устройстве все процессы синхронизированы с частотой генератора, так называемое мёртвое время At между открытыми состояниями разных силовых ключей, равное по длительности паузе между импульсами генератора, обеспечивается автоматически. При указанных на схеме номиналах резистора R12 и конденсатора C9 и максимальной частоте импульсов её длительность - не менее 30 мкс.

Рис. 2. Временные диаграммы сигналов
Полевой транзистор КП501А можно заменить на BSN304 или серии КП505. Вместо микросхемы 74НСТ14 лучше установить один из её функциональных аналогов КР1554ТЛ2, 74АС14, отличающихся повышенной нагрузочной способностью. Применять здесь микросхемы серии К561, а тем более К176 не следует.
Литература
1. Нарыжный В. Источник питания трёхфазного электродвигателя от однофазной сети с регулировкой частоты вращения. - Радио, 2003, № 12, с. 35-37.
2. Галичанин А. Система частотного управления асинхронным двигателем. - Радио, 2016, № 6, с. 35-41.
3. Хиценко В. Три фазы из одной. - Радио, 2015, № 9, с. 42, 43.
Автор: Е. Герасимов, станица Выселки Краснодарского края