Опросы корреспондентов в эфире показывают, что многие коротковолновики до сих пор в повседневной работе используют радиоприёмники Р-250 [1] разных модификаций совместно с самодельными передающими приставками. Однако описанные в радиолюбительской литературе и на сайтах Интернета варианты конструкций передающих приставок к приёмникам Р-250 имеютодин существенный недостаток - у них нет собственного генератора плавного диапазона (ГПД). Отсутствие такого важного узла несколько ограничивает функциональные возможности радиостанции, например, не позволяет при работе на общий вызов обеспечить полноценную расстройку частоты в режиме приёма, а также работать на разнесённых частотах приёма и передачи (в режиме SPLIT).
Предлагаемая автором конструкция автономного высокостабильного гетеродина со встроенным источником питания и цифровой шкалой позволит реализовать вышеперечисленные режимы.
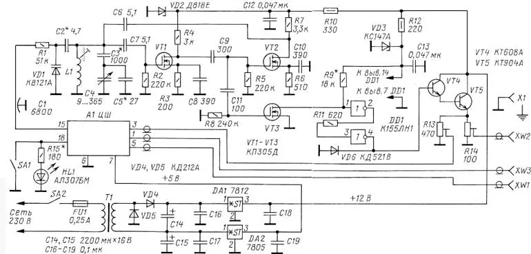
Принципиальная схема устройства приведена на рис. 1. Собственно генератор выполнен на транзисторах VT1, VT2 по схеме с обратной связью через дополнительный усилительный каскад (транзистор VT2). Такой узел, вследствие малой связи транзисторов VT1 и VT2 c колебательным контуром, отличается хорошей стабильностью частоты. Генератор перестраивается конденсатором переменной ёмкости С4 в полосе частот 1700...3750 кГц, что обеспечивает некоторый запас по краям диапазона - минимально необходимая полоса перестройки ГПД для работы передающей приставки с приёмником Р-250 на всех радиолюбительских диапазонах- 1715...3715 кГц. Для питания генератора служит параметрический стабилизатор на стабилитроне VD2 с низким ТКН.

Рис. 1. Принципиальная схема устройства
Элементы контура генератора представлены высококачественной катушкой L1 с медным подстроечником, конденсатором переменной ёмкости С4 с воздушным диэлектриком, конденсаторами С3, С5 укладки полосы частот, а также конденсатором С2 и варикапом VD1 системы ЦАПЧ генератора. ВЧ-напряжение генератора, снимаемое с резистора R5, через конденсатор С11 поступает на буферный каскад, выполненный на транзисторе VT3, и далее на формирователь выходного сигнала ГПД, собранный на микросхеме DD1 и транзисторах VT4, VT5. Формирователь преобразует синусоидальный сигнал генератора в сигнал прямоугольной формы "меандр" с максимальной постоянной амплитудой 2 В во всём диапазоне перестройки ГПД. За счёт применения на выходе формирователя эмиттерного повторителя на составном транзисторе VT4VT5 ГПД обладает хорошей нагрузочной способностью. Амплитуду выходного напряжения на разъёме ХW2 можно регулировать плавно от 0 до 2 В подстроечным резистором R14 в цепи эмиттера транзистора VT5. Подстроечный резистор R13 служит для установки оптимального напряжения гетеродина на входе цифровой шкалы. Формирование сигнала "меандр" на выходе ГПД выбрано из соображений получения постоянной амплитуды напряжения ВЧ во всём диапазоне частот, что способствует получению хорошей АЧХ по рабочим диапазонам передающей приставки, а также применения ключевых смесителей с хорошим подавлением паразитных сигналов.
Если есть необходимость иметь на выходе ГПД сигнал, близкий ксинусоидальному, на выходе устройства следует включить фильтр нижних частот (ФНЧ) с частотой среза 3,7 МГц. При такой частоте среза ФНЧ наибольшие искажения синусоидального сигнала будут наблюдаться в начальном участке диапазона ГПД 1715...1850 кГц, так как вторая гармоника этих сигналов находится в полосе пропускания ФНЧ. Амплитуда полученных сигналов на нагрузке ФНЧ во всей полосе частот (1715...3715 кГц) будет одинакова. Если необходимо улучшить форму сигналов на начальном участке диапазона (1715...1850 кГц), необходимо уменьшить частоту среза ФНЧ до 3,4 МГц, но при этом на частотах выше 3400 кГц будет спад синусоидального напряжения до 3 дБ на частоте 3715 кГц. Однако следует заметить, что сигналы аналоговых гетеродинов приёмников не всегда синусоидальны во всём диапазоне частот, ктомуже могут иметь значительную неравномерность по амплитуде. Поэтому рекомендуемое дополнение ГПД ФНЧ не создаст проблем в работе смесителей. Схема ФНЧ с частотой среза 3,7 МГц представлена на рис. 2.

Рис. 2. Схема ФНЧ с частотой среза 3,7 МГц
В устройстве применена универсальная цифровая шкала (ЦШ), так называемая "макеевская" [2], как наиболее функционально пригодная для данной конструкции. Она имеет три входа, на которые подают напряжение сигналов, формирующих рабочие диапазоны передающей приставки приёмника. Так для отображения истинного значения рабочей частоты передающей приставки на вход XW1 устройства следует подать сигнал от первого гетеродина приёмника Р-250, а на вход XW3 - сигнал, соответствующий частоте третьего гетеродина приёмника, - 215 кГц.
В устройстве предусмотрена автоподстройка частоты (АПЧ) гетеродина, позволяющая реализовать долговременную стабильность. Систему АПЧ можно включить переключателем SA1. В режим стабилизации АПЧ входит примерно через 5 с после её включения, о чём сигнализирует зажигание светодиода HL1 (режим удержания). При вращении ручки настройки генератора система АПЧ автоматически отключается и автоматически включается при прекращении вращения ручки настройки через те же 5 с. Такая работа АПЧ предусмотрена самой конструкцией цифровой шкалы. Если АПЧ выключена, на работу ГПД она не влияет.
Питается устройство от сети переменного тока напряжением 230 В. Встроенный источник питания состоит из трансформатора Т1, выпрямителя, выполненного по схеме удвоения напряжения на элементах VD4, VD5, C14, C15, и двух стабилизаторов постоянного напряжения +12 В (питание гетеродина) и +5 В (питание ЦШ) на микросхемах DA1 и DA2 соответственно. Схема удвоения напряжения в выпрямителе была применена из-за готового трансформатора с одной вторичной обмоткой (10,5 В х 0,8 А). По цепи питания +12 В ток потребления не превышает 100 мА, по цепи +5 В - не более 200 мА. Такая система питания обеспечивает минимум влияния каскадов устройства друг на друга по цепям питания.
Включается устройство выключателем SА2. После 5 мин прогрева гетеродин входит в стабильный режим работы.
Все постоянные резисторы в конструкции - МЛТ, подстроечные - СП4-1а-0,5 Вт. Все постоянные конденсаторы (кроме С1) - керамические КТ, КД, КМ, СГМ; оксидные - К50-35 или аналогичные импортные. КонденсаторС1 - проходной КТП-2. Катушка L1 - от второго гетеродина радиоприёмника Р-250. Согласно технической документации [1], её индуктивность - 37 мкГн. Она намотана на керамическом каркасе проводом ПЭВ-2 0,18 с шагом 0,42 мм и содержит 62 витка. Размеры каркаса в документации не приводятся. Катушка помещена в герметично запаянный экран и имеет подстроечник из красной меди. Если аналогичную катушку достать не удастся, её можно изготовить самостоятельно, контролируя индуктивность с помощью LC-метра или впаивая катушку в генератор и измеряя его частоту. Следует учесть, что для изготовления этой катушки подходит только керамический каркас (ни в коем случае не фторопласт). Подстроечник можно применить латунный, но не ферритовый или карбонильный.
Конденсатор переменной ёмкости С4 - от радиоприёмника ВЭФ-12 (используется одна секция). Можно применить и другой КПЕ, подходящий под вашу конструкцию. Верньер можно применить от радиоприёмника Р-326 или Р-311, соответственно несколько изменив компоновку устройства. Транзисторы КП305Д можно заменить транзисторами КП305В или КП305Ж, а также транзисторами КП306 или КП350, подавая сигналы на первые их затворы, а на вторые затворы подать напряжение +4,5 В c резистивного делителя, подключённого к стабилитрону VD2 и заблокированного керамическим конденсатором ёмкостью 0,1 мкФ. Не следует забывать, что полевые транзисторы (за исключением транзисторов с установленной внутри них защитой) боятся статики. Поэтому перед монтажом выводы таких транзисторов следует замкнуть между собой, обмотав их надёжно тонким голым лужёным проводом, и после окончания полного монтажа генератора не забыть убрать эти "закоротки".
Микросхему DD1 серии К155 можно заменить микросхемой серий К131, К531, SN74 и т. п. Чем выше граничная частота применяемой микросхемы, тем короче будут фронты и спады импульсов "меандра".
Переключатели SА1, SА2 - любые. Транзисторы VT4, VT5 можно применить КТ603Б и КТ907А соответственно. Варикап КВ121А можно заменить другим варикапом, но с небольшими ёмкостями и с небольшим рабочим напряжением, например, КВ123А, КВ 130А. А вот КВ104 и т. п. здесь не подойдут. Применение варикапа другого типа потребует подбора конденсатора С2 для нормальной работы АПЧ. При установке ЦШ "макеевская" следует руководствоваться её сопроводительной документацией. Возможно применение ЦШ другого типа, даже одновходовой. В таком случае на её вход подаётся диапазонный сигнал передающей приставки (в режиме передачи). Тщательно выполненная конструкция ГПД может обойтись без системы АПЧ.
Внешний вид конструкции ГПД и отдельных её узлов представлен на фотографиях на рис. 3 - рис. 7. Большая часть элементов генератора смонтирована на печатной плате размерами 47х55 мм из фольгированного с одной стороны стеклотекстолита, а выпрямитель и стабилизаторы - на печатной плате размерами 35х59 мм.

Рис. 3. Общий вид ГПД для приставки.

Рис. 4. Основная печатная плата генератора.

Рис. 5. Отсек генератора в приставек

Рис. 6. Отсек блока питания и цифровой шкалы.

Рис. 7. Верньерный механизм КПЕ настройки.
В целом конструкция ГПД достаточно жёсткая, дабы исключить влияние механических и прочих внешних факторов на стабильность частоты. Основой конструкции служит литое шасси коробчатого типа из силумина. Весь монтаж гетеродина выполнен внутри этого шасси. Печатная плата генератора крепится на внутренней боковой стенке. На дне шасси жёстко закреплены катушка L1 в экране и конденсатор переменной ёмкости С4. Около платы генератора внутри на дне шасси установлен транзистор VT5. На задней стенке шасси установлены подстроечные резисторы R13 и R14, а также розетка разъёма XW2. Навесным способом смонтированы конденсаторы С3, С5 и элементы АПЧ C2, VD1, R1.
К передней части этого шасси винтами М3 закреплена лицевая панель, на которой установлены выключатели SА1 и SА2, светодиод HL1. На панели имеются окно для индикаторов ЦШ, закрываемое оргстеклом тёмно-синего цвета толщиной 3,5 мм и размерами 103x39 мм, и отверстие для вывода оси верньеранастройки КПЕ. К задней стенке шасси привинчена задняя панель, на которой расположены розетки разъёмов XW1, XW3, корпус предохранителя FU1, клемма Х1 "заземление" и ввод сетевого провода. Лицевая и задняя панели ГПД дополнительно стянуты по углам дюралевыми стойками квадратного сечения 8x8 мм. КПЕ снабжён червячным верньером с передаточным числом на ось ручки настройки 1:30 (от радиостанции 10РТ-26). Таким образом, при вращении ручки настройки на 30 полных оборотов частота ГПД изменится от 1715 до 3715 кГц. Шасси генератора закрывается листовой дюралюминиевой крышкой толщиной 1,5 мм и шасси блокапитания, который предварительно смонтирован на нём.
Шасси блока питания изготовлено из листового оцинкованного железа толщиной 0,7 мм. Шасси смонтированного блока питания и крышка шасси генератора привинчиваются к коробчатому шасси генератора одними и теми же винтами. К дюралюминиевой крышке шасси генератора крепится ЦШ. На шасси блока питания установлены трансформатор Т1 и плата выпрямителя со стабилизаторами. Микросхемы DA1 и DA2 снабжены П-образ-ными теплоотводами с размерами сторон 16+12+16 мм и высотой 20 мм. В шасси блока питания и крышке шасси генератора необходимо предусмотреть отверстие под винт подстроечника катушки L1. ГПД накрыт П-образным кожухом, изготовленным из листовой стали толщиной 0,7 мм. В этом кожухе и в задней панели корпуса ГПД просверлены вентиляционные отверстия диаметром 6 мм, выполненные "сеткой" в пять рядов. Снизу к корпусу ГПД привинчены ножки. Механическая конструкция ГПД - не догма, её можно изготовить по своему усмотрению. Главные требования к конструкции - максимальная механическая жёсткость и тщательная экранировка узлов.
Для налаживания устройства потребуются мультиметр, осциллограф с полосой пропускания канала вертикального отклонения не менее 5 МГц и частотомер.
Предварительная настройка производится до установки платы генератора в корпус шасси и без подключения транзистора VT5. Ротор конденсатора С4 следует установить в среднее положение, щупы осциллографа и частотомера подключить к выводу 4 микросхемы DD1. Вместо частотомера можно использовать цифровую шкалу. Подать напряжение питания +12 В на плату генератора и посмотреть форму сигнала и частоту. Сигнал должен иметь строго прямоугольную форму "меандр". Добиться нужной формы можно подбором резистора R9. Для этого удобно временно заменить резистор R9 цепью, которая состоит из постоянного резистора 1 кОм и под-строечного резистора с сопротивлением 20 кОм, включённых последовательно. Подстроечным резистором добиваются получения сигнала прямоугольной формы, когда длительность импульсов и пауз одинакова. Вращая ось КПЕ, наблюдаем за изменением частоты и формы сигнала. При перестройке частоты генератора в диапазоне 1715...3715 кГц форма сигнала не должна изменяться. Измеряем полученную сумму сопротивлений регулировочной цепи и устанавливаем на плату постоянный резистор R9 с соответствующим сопротивлением. После этой процедуры плату генератора устанавливаем в корпус и выполняем окончательный и полный монтаж всех цепей, включая VT5, L1 и С4, закреплённых внутри шасси генератора.
Следующий этап - укладка частотного диапазона генератора 1700. 3750 кГц в крайних положениях конденсатора настройки С4 подбором конденсаторов С3 и С5 (подстроечник катушки L1 должен находиться в среднем положении). Когда укладка диапазона завершена, проверяют и настраивают систему ЦАПЧ, если таковая предусматривается. Если ЦАПЧ не будет, то элементы C1, С2, VD1, R1 не нужны. При закрывании шасси ГПД крышкой последует небольшой сдвиг полосы настройки. Подстроечником катушки L1 восстанавливаем первоначальную настройку.
На этом основная настройка ГПД заканчивается, и можно завершить полную сборку устройства.
Используя элементы этой конструкции, можно установить ГПД и непосредственно в передающую приставку. При этом необходимо учесть все конструктивные особенности этого ГПД, за исключением блока питания. Рекомендую для питания ГПД и других генераторов, входящих в передающую приставку, иметь отдельный источник питания, дабы исключить проникновение их сигналов в каскады усиления приставки по цепям питания, с тем, чтобы избежать побочных излучений на выходе передающей приставки.
Чертежи элементов конструкции узлов ГПД и печатной платы гетеродина можно найти здесь.
Литература
1. Радиоприёмник Р-250М2. Техническое описание и инструкция по эксплуатации. - URL: http://cqham.ru/sch.htm (20.03.17).
2. Цифровая шкала "Макеевская". - URL: http://riprnd.ru/goods/Shkala (20.03.17).
Автор: Григорий КСЕНЗ (UR4MU), г. Северодонецк Луганской обл., Украина