Радиолюбители, занимающиеся реставрацией ламповых радиоаппаратов, изготовленных в середине прошлого века, знают, что с каждым годом всё труднее приобрести электронносветовые индикаторы, особенно импортного производства. Предлагаемый имитатор не требует дефицитных и дорогостоящих деталей и позволяет без вмешательства в схему аппарата заменить наиболее распространённые индикаторы 6Е5С и EM4. Выбор для имитации именно этих индикаторов обусловлен также сходством их конструкции и почти одинаковыми размерами кратера и ширмы. Возможна также замена EM1, EM11 и других электронно-световых индикаторов с круглым кратером. Питание - от цепи накала заменяемого индикатора.
Идея замены электронно-световых индикаторов электромеханическими возникла почти сразу за появлением самих электронно-световых индикаторов. Так называемый "ортоскоп", изображённый на рис. 1, появился в 1925 г. В 1947 г. на основе "ортоскопа" был создан индикатор, явно подражавший "магическому глазу" (рис. 2 и рис. 3 ), а в 1949 г. выпустили даже "магнитный глаз" (рис. 4). Однако широкого распространения эти индикаторы не получили.

Рис. 1. "Ортоскоп"

Рис. 2. "Магический глаз"

Рис. 3. "Магический глаз"

Рис. 4. "Магнитный глаз"
Эскиз конструкции предлагаемого оптико-механического индикатора показан на рис. 5. Его основа - бесщёточный, с внешним ротором электродвигатель 10 от компьютерного вентилятора 4010M12S типоразмера 40x40 мм. Удалены лопасти вентилятора и внешний фланец. Спицы статора укорочены так, чтобы они вписались в окружность диаметром 27 мм. К торцу ротора приклеена цилиндрическая шторка 12 с наружным диаметром 8 мм, высотой 7...10 мм и прорезью шириной 0,8...1 мм по образующей. Шторка 12 вращается внутри неподвижного конического экрана 5, её торец прикрыт непрозрачной ширмой 6, внутри которой находится источник света 7 - сверхъяркий светодиод зелёного цвета свечения. Проводники 13, подводящие ток к светодиоду, одновременно служат кронштейнами, крепящими экран 5 и ширму 6. Таким образом, внутренняя поверхность экрана 5 освещена через щель во вращающейся шторке 12, что при непрерывной работе источника света создаёт равномерную засветку этой поверхности. Если в определённые моменты времени источник включать и выключать, на экране станут видны светлые и тёмные секторы.

Рис. 5. Эскиз конструкции оптико-механического индикатора
Внутренняя поверхность экрана 5 окрашена в белый цвет, а его внешняя поверхность и видимые через прозрачный колпак 8 шторка 12, кронштейны-проводники 13 и внутренняя поверхность кожуха 9 - в чёрный цвет. Если применить светодиод повышенной яркости белого свечения, то внутреннюю поверхность экрана 5 нужно сделать зелёной.
Датчик начала отсчёта угла поворота 4 - оптрон с открытым оптическим каналом, реагирующий на белую метку 14, нанесённую на цилиндрическую поверхность ротора электродвигателя 10. Возможно применение и оптрона, реагирующего на нарушение опти-ческой связи между излучающим диодом и фототранзистором (например, от привода гибких дисков). Но в случае его применения на роторе двигателя 10 необходимо закрепить непрозрачный "флажок", перекрывающий при вращении рабочий зазор оптрона. Такая конструкция может выйти за габариты имитируемой лампы, но в любом случае плата 3 с оптроном 4 будут спрятаны за шкалой радиоаппарата. Изменять конструкцию его лицевой панели или подшкальника не потребуется.
К статору электродвигателя 10 приклеена печатная плата 2 с деталями системы управления имитатором, которая противоположным торцом вставлена в цоколь 1, идентичный цоколю заменяемой электронной лампы. На плату, электродвигатель и детали электромеханического формирователя изображения надет и вставлен в цоколь 1 металлический кожух 9, скреплённый с платой 2 резьбовой втулкой 11. Внешнюю поверхность кожуха для имитатора лампы 6Е5С рекомендуется окрасить в серый или серебристый цвет, а для имитатора лампы EM4 - в красный цвет.

Рис. 6. Принципиальная схема основы системы управления
Основа системы управления, принципиальная схема которой показана на рис. 6, - микроконтроллер PIC16F73-I/P (DD1), описание которого можно найти в [1]. Рабочий цикл его программы состоит из четырёх фаз:
- измерения напряжения на "сетке" имитатора;
- измерения длительности оборота ротора двигателя;
- обработки содержимого результата измерения напряжения и регистров таймера-счётчика;
- формирования изображения.
Напряжение измеряется с помощью имеющегося в микроконтроллере DD1 восьмиразрядного АЦП последовательного приближения, тактируемого его собственным RC-генератором [2]. Источником образцового напряжения для АЦП служит стабилитрон VD9. АЦП стартует в начале фазы измерения напряжения и автоматически останавливается по завершении преобразования, о чём сигнализирует установка нуля в разряде GO/DONE регистра ADCON0 микроконтроллера. Обнаружив этот ноль, программа перейдёт к измерению длительности оборота.
Для повышения входного сопротивления имитатора по цепи "сетки" (у лампы оно бесконечно) и согласования интервалов изменения напряжения, подаваемого на "сетку" и приходящего на вход АЦП AN0, применён инвертирующий масштабный усилитель [3] на ОУ DA1. Это позволяет вставлять цоколь XP1 имитатора непосредственно в панель заменяемой лампы без какого-либо вмешательства в схему аппарата. Обратите внимание, что на схеме рис. 6 номера штырей цоколя приведены без скобок для лампы 6Е5С и в скобках для лампы EM4.
Для подсчёта длительности оборота ротора электродвигателя программа разрешает прерывания по перепаду логического уровня на входе INT микроконтроллера DD1, на который поступает импульс с оптрона U1 (поз. 4 на рис. 5), сформированный компаратором напряжения на ОУ DA2. Стабилизатор образцового напряжения для компаратора - диоды VD6 и VD7.
Первый после разрешения прерывания спадающий перепад логического уровня на входе INT запускает 16-разрядный таймер-счётчик 1 микроконтроллера, получающий приращение на единицу в каждом машинном цикле. Следующий перепад логического уровня в том же направлении остановит таймер-счётчик 1. Содержимое его счётного регистра в этот момент равно длительности оборота в машинных циклах.
В процессе счёта разрешено прерывание и по переполнению таймера-счётчика. Оно может произойти при частоте вращения ротора двигателя менее 1920 мин-1, что случается во время его разгона или при высохшей смазке подшипникового узла. Если прерывание произошло, программа включает светодиод красного цвета свечения HL1 и цикл возобновляется. Это означает, что изображение на экране имитатора может быть искажено.
Программная обработка содержимого регистра результата АЦП и регистров таймера-счётчика происходит с учётом того, что поверхность экрана условно разделена на 256 секторов. Программа вычисляет вес единичного сектора в машинных циклах и, в зависимости от результата измерения напряжения, определяет моменты включения и выключения светодиодной подсветки экрана во время следующего оборота ротора двигателя. Для индикатора ЕМ4 она выделяет также группы секторов, имитирующих тени его ножей на экране.
Фаза индикации начинается с первого же спадающего перепада логического уровня на входе INT, произошедшего после обработки содержимого регистров АЦП и таймера-счётчика. В течение начавшегося с этого перепада оборота ротора программа с помощью твердотельного реле U2 включает и выключает светодиод EL1 в ранее вычисленные моменты времени.
Далее начинается новое измерение напряжения и подсчёт числа машинных циклов за один оборот. Внешний вид экрана имитатора индикатора 6Е5С показан на рис. 7, а имитатора индикатора ЕМ4 - на рис. 8.

Рис. 7. Внешний вид экрана имитатора индикатора 6Е5С

Рис. 8. Внешний вид экрана имитатора индикатора ЕМ4
Помимо оптрона KTIR0811S, в качестве датчика положения ротора автором были испытаны пара излучающий диод - сдвоенный фототранзистор от шариковой компьютерной мыши и миниатюрный индукционный датчик положения от привода гибкого диска. Такие замены не потребовали никаких изменений в программе.
Индикатор питается переменным напряжением 6,3 В, исходно предназначенным для нити накала лампы, потребляющей ток около 0,3 А. При использовании в качестве EL1 мощного светодиода ток, потребляемый по цепи 6,3 В, может легко превысить это значение, что приведёт к перегрузке накальной обмотки трансформатора питания приёмника. Обычно это не представляет опасности, поскольку от той же обмотки питаются подогреватели и других ламп аппарата, и относительная перегрузка невелика.
Но если она окажется недопустимой, необходимо заменить оптореле U2 и резистор R17 специализированным драйвером светодиода, имеющим высокий КПД и снабжённым входом управления.
На схеме рис. 6 выводы 7 и 8 цоколя XP1 соединены. Это соответствует тому, как соединена накальная цепь с общим проводом в большинстве радиоаппаратов, использующих индикатор 6Е5С. Однако в некоторых из них с общим проводом (гнездом 8 панели индикатора) соединено гнездо 2, а не 7. Прежде чем вставлять в эту панель имитатор, нужно проверить, какое именно гнездо панели соединено с гнездом 8, и соответственно соединить штыри цоколя. Иначе произойдёт короткое замыкание накальной обмотки трансформатора питания.
Иногда встречаются аппараты (например, приёмник PHILIPS-478), в которых с общим проводом соединён средний вывод накальной обмотки. В этом случае из узла питания имитатора нужно исключить диоды VD2, VD3 и конденсаторы C2, C3 и собрать его по схеме, показанной на рис. 9 (нумерация деталей продолжает начатую на рис. 6), нумерация контактов цоколя соответствует лампе EM4.

Рис. 9. Схема имитатора
В радиоаппаратах с бестрансформатор-ным питанием придётся заменить нить накала индикатора эквивалентным резистором и получить напряжение ~6,3 В для питания имитатора с помощью отдельного понижающего трансформатора.
Почти все детали имитатора установлены на печатной плате (поз. 2 на рис. 5), чертёж которой показан на рис. 10. Изображённый штриховыми линиями выступ размерами 12x22,6 мм в левой по чертежу части платы необходим только для имитатора лампы EM4, он входит внутрь её цоколя. На плате для имитатора лампы 6Е5С этот выступ не нужен, её размеры - 59x26 мм.

Рис. 10. Печатная плата имитатора
Расположение деталей на плате показано на рис. 11. Большинство резисторов установлено перпендикулярно её поверхности. Выводы резистора R5, находящегося на условно нижней стороне платы, припаяны к контактным площадкам для других деталей. Для микроконтроллера DD1 на плате установлена панель, в которую его следует вставлять уже запрограммированным. Если микроконтроллер смонтирован без панели, то программатор можно подключить непосредственно к его выводам, как показано штриховыми линиями на схеме рис. 6.

Рис. 11. Расположение деталей на плате
Электродвигатель М1 прижат к правому по чертежу краю печатной платы и зафиксирован термоклеем. Паз размерами 6x1 мм должен остаться свободным для доступа к подшипнику двигателя для смазки.
Конденсаторы C2, С3, резистор R6, диоды VD2, VD3 и стабилитрон VD4 размещены в свободном пространстве между нижней стороной печатной платы и кожухом. Они закреплены там своими жёсткими выводами и термоклеем. При монтаже следует принять меры, исключающие замыкания этих деталей с печатными проводниками платы и с кожухом.
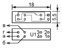
Оптрон U1 установлен на отдельной печатной плате, чертёж которой изображён на рис. 12. Эта плата соединена с основной тремя жёсткими проводами и резистором R1.
Все резисторы - МЛТ или аналогичные импортные указанной на схеме мощности. Оксидные конденсаторы С2, С3 - серии ME-WG фирмы SANYO с диаметром корпуса 10 мм, С4, С5 - К50-35 или импортные. Остальные конденсаторы - керамические.

Рис. 12. Плата оптрона U1
Налаживание сводится к подборке резисторов R4 и R9 такими, чтобы при подаче на штырь "Сетка" цоколя имитатора индикатора 6Е5С постоянного напряжения -7,5 В относительно штыря "Катод" сомкнулись края тёмного сектора на экране, а далее до напряжения -14 В происходил так называемый "перехлёст" [4].
У индикатора EM4 напряжение на сетке может находиться в интервале 0...-20 В [5]. Необходимо убедиться, что края сектора высокой чувствительности смыкаются при напряжении на "сетке" -5 В, а края сектора низкой чувствительности - при напряжении на "сетке" -20 В. Режим "перехлёста" не предусмотрен.
Программы микроконтроллера для двух типов индикаторов и файлы печатных плат в формате Sprint Layout 6.0 можно скачать здесь.
Литература
1. PIC16F7X 28/40-pin, 8-bit CMOS FLASH Microcontrollers. - URL: https://lib.chipdip. ru/204/DOC000204367.pdf (17.04.17).
2. AN546. Using the Analog-to-Digital (A/D) Converter. - URL: http://datasheet-pdf.com/ PDF/AN546-Datasheet-Microchip Technology-617085 (27.04.17).
3. Хоровиц П., Хилл У. Искусство схемотехники. Перевод с англ. Под редакцией Гальперина М. В. - М.: Мир, 1986.
4. Голубев Ю. Л., Жукова Т. В. Электровакуумные приборы. Справочник. - М.: Энергия, 1960.
5. Electronic Tube Handbook. - PHILIPS, 1953.
Автор: Д. Молоков, г. Нижний Тагил Свердловской обл.
Источник: журнал "Радио"