Аккумуляторная электробритва торговой марки Vitek модели VT-1378BK (рис. 1) после приобретения хранилась без использования четыре года, после чего оказалось, что встроенные в неё два Ni-MH аккумулятора пришли в полную негодность. Поскольку автономное использование этой электробритвы не требовалось, было решено переделать её для работы от внешнего источника питания.

Рис. 1. Аккумуляторная электробритва торговой марки Vitek модели VT-1378BK
Чтобы разобрать корпус электробритвы, нужно удалить две резиновые заглушки и вывинтить два винта. Печатную плату, на которой установлены контроллер зарядки, электрон ный выключатель питания электродвигателя и аккумуляторные элементы удаляют. Ис правные элементы можно будет использовать в других кон струкциях. Активное сопротивление обмоток электродвигателя - около 1 Ом. При напряжении питания 2,8 В он потребляет ток около 0,5 А при работе электробритвы и около 0,2...0,3 А в режиме холостого хода.
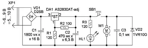
Чтобы эту электробритву можно было подключать к различным источникам питания, в неё был установлен стабилизатор напряжения, от которого и будет питаться электродвигатель. Схема стабилизатора показана на рис. 2. Наличие на входе диодного моста VD1 позволяет подключать бритву как к источнику напряжения постоянного тока 5...10 В, полярность которого не имеет значения, так и к источнику напряжения переменного тока 6...9 В. Конденсатор C1 - блокировочный по цепи питания DA1, он также сглаживает пульсации выпрямленного напряжения. Микросхема DA1 (AS2830AT-adj) представляет собой линейный компенсационный регулируемый стабилизатор напряжения. Его выходное напряжение задают резисторы R1 и R2, а максимальный выходной ток - 3 А. При подаче питающего напряжения светит светодиод HL1. Электродвигатель M1 включается при замкнутых контактах выключателя SB1. При токе 0,5 A минимальное падение напряжения на микросхеме DA1 - 1,1 В. Конденсатор C3 и диод VD2 уменьшают создаваемые коллекторным двигателем бритвы радиопомехи.

Рис. 2. Схема стабилизатора

Рис. 3. Детали бритвы
Можно применить резисторы любого типа. Конденсаторы C1 и С2 - оксидные малогабаритные импортные, ёмкость С1 - 1500...3300, C2 - 470...2200 мкФ. Конденсатор C3 - керамический, он припаян непосредственно к выводам электродвигателя. Диодный мост D2SB можно заменить другим, например, RS201 - RS207, RC201-RC207, D2SBA, G2SB60, GBL06. Вместо диода TVR10G подойдёт любой из серий КД208, КД209, КД243, 1 N4001 - 1N4007, 11DF1-11DF4. Можно применить микросхему в корпусе TO-220, TO-263 или TO-252: AS2830AT-adj, AS2830AU-adj или AS2830AR-adj. Её можно заменить микросхемой из серий AS2850, LT1085, LD1085. В случае установки микросхемы LD1085V28, LD1085D2T28 или LD1085D2M28 резистор R2 не устанавливают, а резистор R1 заменяют проволочной перемычкой. Микросхема установлена на H-образный пластинчатый латунный теплоотвод толщиной 0,8 мм и площадью поверхности 7 см2 (с одной стороны).
Автор: А. Бутов, с. Курба Ярославской обл.