Поводом для разработки и изготовления предлагаемого устройства послужило желание заменить гальванический элемент питания настенных электромеханических часов аккумулятором. Имеющееся в наличии зарядное устройство позволяло заряжать только чётное число аккумуляторов, а нужно было заряжать один Ni-MH аккумулятор типоразмера АА.
При просмотре литературы заинтересовало "Автоматическое зарядное устройство аккумуляторной батареи", описанное Н. Скриндевским в "Радио", 1991, № 12, с. 28-30. Понравилась заложенная в эту конструкцию идея заряжать аккумулятор циклически, чередуя интервалы зарядки с интервалами измерения ЭДС аккумулятора. В результате макетирования и отладки получилось предлагаемое зарядное устройство.
Основные технические характеристики
Напряжение питания, В ............ 5
Ток зарядки, мА .................150
Порог отключения тока зарядки, В.....................1,38
Порог включения тока зарядки, В .......................... 1
Длительность цикла зарядки, с..........................40
Длительность измерения, с.........1
Схема этого устройства изображена на рис. 1. На транзисторе VT2, резисторах R9-R12 и светодиоде HL1 собран источник тока. Им управляет транзистор VT1. Светодиод HL1 имеет две функции: служит источником стабильного напряжения, поступающего на базу транзистора VT2 через резистор R10, и одновременно индикатором зарядки батареи. Резисторы R11 и R12 задают ток зарядки, значение которого в миллиамперах выбрано численно равным номинальной ёмкости аккумулятора G1 в миллиампер-часах. Резистор R9 ограничивает ток через светодиод HL1. Диод VD2 предотвращает разрядку аккумулятора G1 через зарядное устройство в случае отключения источника питания или прекращения подачи электроэнергии.

Рис. 1. Схема устройства
На компараторе напряжения DA1.1, резисторах R1-R6, конденсаторе C1 и диоде VD1 собран генератор последовательности импульсов длительностью 40 с с паузой 1 с. В паузах между импульсами происходит измерение ЭДС аккумулятора.
На время измерения источник тока отключается от заряжаемого аккумулятора. В это время происходит сравнение напряжения на аккумуляторе с образцовым - тем, до которого необходимо зарядить аккумулятор. Диод VD4 препятствует попаданию блокирующего напряжения на движок подстроечного резистора R14.
На компараторе напряжения DA1.2 и резисторах R13-R17 собран триггер Шмитта, который контролирует напряжение на заряжаемом аккумуляторе. Для правильной работы триггера на инвертирующий вход компаратора DA1.2 с выхода компаратора DA1.1 во время зарядки через диод VD3 поступает блокирующее напряжение.
По достижении напряжения на аккумуляторе, заданного подстроечным резистором R14 и приложенного к инвертирующуму входу компаратора DA1.2, на выходе последнего появляется напряжение высокого уровня, которое через диод VD5 поступает на инвертирующий вход компаратора DA1. 1, блокируя работу генератора. На выходе компаратора DA1.1 устанавливается низкий уровень напряжения, транзистор VT1 закрывается, светодиод HL1 гаснет.
Одновременно напряжение высокого уровня с выхода компаратора DA1.2 поступает и на базу транзистора VT3, открывая его, светодиод HL2 включается, сигнализируя о завершении зарядки аккумулятора. Образцовое напряжение на инвертирующем входе компаратора DA1.2 выбрано равным 1,38 В - таким же, как у имеющегося в наличии зарядного устройства промышленного изготовления.
Микросхему LM393N можно заменить на К1401СА3А или другую из многих её аналогов, а транзисторы КТ312В - на аналогичные с другими буквенными индексами или на транзисторы серии КТ315. Заменой транзистора КТ816В может служить КТ814В. Вместо диодов Д223 подойдут Д220 или серии КД522, а вместо КД226А - любой выпрямительный диод с допустимым прямым током не менее 200 мА. При замене светодиодов серии АЛ307 на более современные рекомендуется увеличить номиналы резисторов R9 и R20, чтобы уменьшить до приемлемого уровня яркость их свечения.
Оксидные конденсаторы С1, С2 - импортные или отечественные серий К50-16, К50-35. Конденсаторы С3 и С4 - любые керамические или плёночные. Подстроечный резистор R14 - импортный. Постоянные резисторы - МЛТ-0,125 или аналогичные.
Зарядное устройство собрано в небольшом корпусе от стоматологического наконечника. С открытой крышкой оно показано на рис. 2. Первоначально планировалось расположить держатель аккумулятора (контакты X1 и X2) непосредственно на печатной плате, и плата разработана именно под такое его расположение. В последующем держатель был вклеен в крышку корпуса.

Рис. 2. Зарядное устройство в сборе
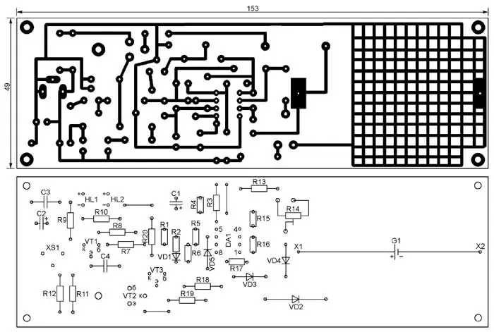
Чертёж печатной платы зарядного устройства изображён на рис. 3. Для микросхемы LM393N на ней установлена панель. Постоянные резисторы установлены как параллельно, так и перпендикулярно поверхности платы. Один из выводов резистора R2 и вывод
катода диода VD1 впаяны в плату, а оставшиеся свободными выводы этих элементов соединены над ней. Вклеенные в крышку корпуса держатель аккумулятора и светодиоды соединены с платой гибкими изолированными монтажными проводами.

Рис. 3. Чертёж печатной платы зарядного устройства
В правильно собранном устройстве необходимо лишь отрегулировать ток зарядки аккумулятора и напряжение отключения зарядки. Перед установкой тока зарядки микросхему DA1 необходимо извлечь из панели, а к контактам X1 и X2 вместо аккумулятора подключить резистор сопротивлением 33 Ом или миниатюрную лампу накаливания МН 6,3-0,3 через мультиметр в режиме измерения постоянного тока с пределом не менее 200 мА. Подборкой резисторов R11, R12 следует установить показания мультиметра равными 150 мА. Но можно установить и другой ток зарядки, в зависимости от ёмкости аккумулятора.
Регулировка напряжения отключения зарядки аккумулятора сводится к установке подстроечным резистором R14 напряжения 1,38 В между гнёздами 2 и 4 панели компаратора. После этого нужно отключить устройство от источника питания и вставить микросхему в панель. Зарядное устройство готово к работе.
Ширина петли гистерезиса триггера на компараторе DA1.2 зависит от отношения сопротивления резисторов R15 и R16. Уменьшение сопротивления резистора R15 увеличивает напряжение включения триггера.
Автор: Г. Косолапов, г. Кирово-Чепецк Кировской обл.