Блок питания (БП) – это устройство или узел, являющийся вторичным источником тока. В большинстве современной техники, используемой в быту, БП требуется для того, чтобы из переменного сетевого электричества получить постоянный ток заданных параметров.
Так, например, БП персонального компьютера формата ATX может выдавать не одно напряжение, а сразу несколько для питания разных узлов (+3.3, +5, +12 В).
В радиотехнике аналогичная ситуация. Параметры питания зависят от типа и вида элементов, используемых в составе схем, и стоящих перед конечным изделием задач.
Ниже рассмотрим простейшие блоки питания, которые можно изготовить своими руками.
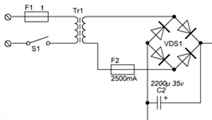
Диодный мост
Проще, наверное, уже некуда. Диодный мост может использоваться в любых схемах для преобразования переменного тока в постоянный, часто служит основой для более сложных схем с фильтрами и т.п.
Выглядит схема так.

F1 и F2 – предохранители.
Tr – трансформатор понижающий. Параметры этого элемента зависят от требуемых выходных параметров схемы. Например, для БП на 12 В можно использовать ТП-30 или универсальный трансформатор ТАН1-220-50. Он имеет выводы на 28, 6,3 и 5 В. Таким образом, необходимо последовательно соединить или две обмотки по 6,3 В (сумма 12,6 В), или одну на 6,3 и одну на 5 В (сумма 11,3 В). Прирост мощности можно получить при параллельном подключении обмоток. В качестве альтернативы можно намотать трансформатор самостоятельно или взять из другого блока питания, подходящего по характеристикам.
C2 – конденсатор, выполняет роль простейшего фильтра.
Принцип работы диодного моста наглядно отображен на картинках ниже.

Тогда на выходе мы получаем следующий график напряжения.

Мостовую схему можно собрать самостоятельно, а можно приобрести готовым элементом в одном корпусе. Например, DB207 (это мост на 2А, с напряжением в цепи до 1000В) или аналоги, лучше всего – рассчитанные на 3 и более Ампер.
При таком количестве радиоэлементов, по большому счету, можно спаять схему даже без печатной платы.
Простой БП на транзисторах
Если вышеуказанную схему немного дополнить и расширить:
то получится схема, аналогичная изображенной ниже.

Для удобства приведем все используемые элементы в одной таблице.
Элемент | Расшифровка | Маркировка/номинал | Кол-во |
F1, F2 | Предохранитель | 2 | |
Tr1 | Трансформатор | ТАН1-220-50 | 1 |
VD1 | Стабилитрон | Д814Д | 1 |
VDS1 | Диодный мост | DB207 | 1 |
VT1 | Биполярный транзистор | КТ315Б | 1 |
VT2, VT4 | Биполярный транзистор | КТ815Б | 2 |
VT3 | Биполярный транзистор | КТ805БМ | 1 |
C1 | Электролитический конденсатор | 100мкФ 25В | 1 |
C2, C4 | Электролитический конденсатор | 2200мкФ 25В | 2 |
R1 | Переменный резистор | 10кОм | |
R2 | Резистор | 0,45Ом | 1 |
R3 | Резистор | 1кОм | 1 |
R4 | Резистор | 100 Ом | 1 |
В качестве примечаний:
1.Переменный резистор R1 и R2 – на схеме использованы проволочные (нихромовые), однако, они могут быть заменены на обычные резисторы.
2.Транзисторы VT2 и VT3 легко заменяются составным, таким как КТ827.
3.Указанные транзисторы (2 и 3) обязательно необходимо вынести на радиатор (будут греться).
С таким количеством элементов логично их расположить на печатной плате.
Компьютерный БП
Питание материнской платы – более ответственный и сложный процесс, и потому схема блока питания намного сложнее.
Типовая схема изображена ниже.

Автор: RadioRadar