Автор предлагает варианты переделки зарядного устройства для сотового телефона в стабилизированный блок питания с регулируемым выходным напряжением или в источник стабильного тока, например, для зарядки аккумуляторов.
Одни из самых многочисленных электронных приборов, которые широко используются в быту, - несомненно, зарядные устройства (ЗУ) для сотовых телефонов. Некоторые из них можно доработать, улучшив параметры или расширив функциональные возможности. Например, превратить ЗУ в стабилизированный блок питания (БП) с регулируемым выходным напряжением или ЗУ со стабильным выходным током.
Это позволит питать от сети различную радиоаппаратуру или заряжать Li-Ion, Ni-Cd, Ni-MH аккумуляторы и батареи.
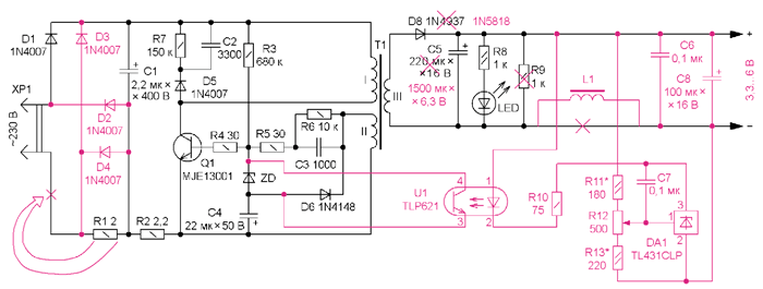
Значительная часть ЗУ для сотовых телефонов собрана на основе однотранзисторного ав-тогенераторного преобразователя напряжения. Один из вариантов схемы такого ЗУ на примере модели ACH-4E приведён на рис. 1. Там же показано, как превратить его в БП с регулируемым выходным напряжением. Обозначения штатных элементов приведены в соответствии с маркировкой на печатной плате.

Рис. 1. Один из вариантов схемы ЗУ на примере модели ACH-4E
Вновь введённые элементы и доработки выделены цветом.
В простых ЗУ, к которым относится дорабатываемое, зачастую применён однополупериодный выпрямитель сетевого напряжения, хотя на плате, в большинстве случаев, есть место для размещения диодного моста. Поэтому на первом этапе доработки установлены недостающие диоды, а резистор R1 с платы удалён (он установлен на месте диода D4) и припаян непосредственно к одному из штырей вилки XP1. Следует отметить, что встречаются ЗУ, в которых отсутствует и сглаживающий конденсатор С1. Если это так, необходимо установить конденсатор ёмкостью 2,2...4,7 мкФ на номинальное напряжение не менее 400 В. Затем конденсатор С5 заменяют другим с большей ёмкостью. В таком варианте доработки ЗУ показаны на рис. 2.

Рис. 2. Доработанное ЗУ
В оригинальном ЗУ в выходном выпрямителе применён диод 1N4937, который заменён диодом Шотки 1N5818, что позволило увеличить выходное напряжение. После такой доработки сняты зависимости выходного напряжения от тока нагрузки, которые показаны синим цветом на рис. 3. Амплитуда пульсаций выходного напряжения с ростом тока нагрузки увеличивается с 50 до 300 мВ. При токе нагрузки более 300 мА появляются пульсации частотой 100 Гц.

Рис. 3. Зависимости выходного напряжения от тока нагрузки
Зависимости показывают, что стабильность выходного напряжения в ЗУ невысока. Обусловлено это тем, что его стабилизация осуществляется косвенно контролем напряжения на обмотке II, а именно, за счёт выпрямления импульсов на обмотке II и подачи закрывающего напряжения через стабилитрон ZD (напряжение стабилизации 5,6...6,2 В) на базу транзистора Q1.
Для повышения стабильности выходного напряжения и возможности его регулировки на втором этапе доработки введена микросхема DA1 (параллельный стабилизатор напряжения). Управление преобразователем и обеспечение гальванической развязки реализованы с помощью транзисторной оптопары U1. Для подавления импульсных помех с частотой автогенератора дополнительно установлен фильтр L1C6C8. Резистор R9 удалён.
Выходное напряжение устанавливают переменным резистором R12. Когда напряжение на управляющем входе микросхемы DA1 (вывод1) превысит 2,5 В, ток через микросхему и, соответственно, через излучающий диод оптопары U1 резко возрастёт. Фототранзистор оптопары откроется, и на затвор базы транзистора Q1 поступит закрывающее напряжение с конденсатора С4. Это приведёт к тому, что скважность импульсов автогенератора уменьшится (или произойдёт срыв генерации). Выходное напряжение перестанет расти и начнёт плавно уменьшаться вследствие разрядки конденсаторов С5 и С8.
Когда напряжение на управляющем входе микросхемы станет менее 2,5 В ток через неё уменьшится и фототранзистор закроется. Скважность импульсов автогенератора возрастёт (или он начнёт работу), и выходное напряжение станет расти. Интервал выходного напряжения, который можно установить резистором R12, - 3,3...6 В. Напряжения менее 3,3 В с учётом падения на излучающем диоде оптопары оказывается недостаточно для нормальной работы микросхемы. Зависимости выходного напряжения (для разных значений) от тока нагрузки доработанного устройства показаны красным цветом на рис. 3. Амплитуда пульсаций выходного напряжения - 20...40 мВ.
Элементы (кроме переменного резистора) второго этапа доработки размещены на односторонней печатной плате из фольгированного стеклотекстолита толщиной 0,5...1 мм, её чертёж показан на рис. 4. Монтаж - со стороны печатных проводников. Можно при-менить постоянные резисторы МЛТ, С2-23, Р1-4, конденсаторы С6, С7 - керамические, С5 - оксидный импортный, он снят с материнской платы персонального компьютера, С8 - оксидный низкопрофильный импортный. Поскольку выходное напряжение приходится устанавливать нечасто, применён не переменный резистор, а подстроечный PVC6A (POC6AP). Это позволило установить его на задней стенке корпуса ЗУ. Дроссель L1 намотан в один слой проводом ПЭВ-2 0,4 на цилиндрическом ферритовом магнитопроводе диаметром 5 мм и длиной 20 мм (от дросселя ИИП компьютера). Можно применить оптопары серии РС817 и аналогичные. Плату с деталями (рис. 5) вставляют в свободное место ЗУ (частично над конденсатором С1), соединения проводят отрезками изолированного провода. Для подстроечного резистора в задней стенке ЗУ делают отверстие соответствующих размеров, в которое его вклеивают. После проверки устройства резистор R12 снабжают шкалой (рис. 6).

Рис. 4. Печатная плата и элеменеты на ней

Рис. 5. Плата с деталями

Рис. 6. Шкала на ЗУ
Второй вариант доработки ЗУ - введение в него стабилизатора(или ограничителя) тока. Это позволит заряжать Li-Ion или Ni-Cd, Ni-MH аккумуляторы и батареи, содержащие до четырёх аккумуляторов. Схема такой доработки показана на рис. 7. С помощью переключателя можно выбрать режимы работы: блок питания или один из двух режимов "ЗУ" с ограничением тока. Конденсатор 220 мкФ (С5) заменён конденсатором ёмкостью 470 мкФ, но на большее напряжение, поскольку в режимах "ЗУ" без нагрузки выходное напряжение может увеличиться до 6...8 В.

Рис. 7. Схема второго варианта доработки ЗУ
В режиме "БП" устройство работает в штатном режиме. При переходе в один из режимов "ЗУ" выходной ток протекает через резистор R10 (или R11). Когда напряжение на нём достигнет 1 В, часть тока начнёт ответвляться в излучающий диод оптопары U1, что приведёт к открыванию фототранзистора. Это приведёт к уменьшению выходного напряжения и стабилизации (ограничению) выходного тока Iвых. Его значение можно определить по приближённым формулам: Iвых = 1 /R10 или Iвых = 1/R11. Подборкой этих резисторов устанавливают желаемое значение тока. Полевой транзистор VT1 ограничивает ток через излучающий диод оптопары и тем самым защищает его от выхода из строя.
Большинство деталей размещают на односторонней печатной плате (рис. 8 и рис. 9) из фольгированного стеклотекстолита толщиной 0,5...1 мм. Полевой транзистор должен быть с начальным током стока не менее 25 мА. Переключатель - любой малогабаритный движковый на одно или два направления и три положения, например SK23D29G, его размещают на задней стенке ЗУ и снабжают шкалой. Если применить переключатель на большее число положений, можно увеличить число номинальных значений тока и расширить тем самым номенклатуру заряжаемых аккумуляторов.

Рис. 8. Печатная плата и элеменеты на ней

Рис. 9. Плата с деталями
Поскольку зарядка осуществляется стабильным током, её следует проводить определённое время, которое зависит от типа и ёмкости заряжаемого аккумулятора или батареи.
Автор: И. Ннчаев, г. Москва