Даже сейчас, когда идёт массовое внедрение микроконтроллеров в сферу промышленной электроники, в эксплуатации находятся много устройств, собранных на логических микросхемах малой и средней степени интеграции. Это, например, старые станки с ЧПУ и подобное оборудование. Устройства управления ими состоят, как правило, из установленных в шкаф печатных плат стандартного размера с разъёмами. Применяется и различное стендовое оборудование в аналогичном конструктивном оформлении.
Проверять и ремонтировать цифровые платы непосредственно в шкафу крайне неудобно. Гораздо комфортней делать это за рабочим столом. Но при этом трудно искусственно имитировать для установленных на платах цифровых микросхем входные сигналы в сочетаниях, подобных реальным.
В предлагаемом устройстве эта задача решена формированием входных сигналов, изменяющихся случайным образом. Согласно этому, на все входы цифрового логического устройства подаются сигналы от отдельных импульсных генераторов. Если эти генераторы не синхронизированы между собой, то рано или поздно на входах проверяемого устройства возникнет такая комбинация логических уровней, которая приведёт к изменению уровней на его выходах. В большинстве случаев это и будет признаком исправности микросхем проверяемого устройства. Естественно, для уточнения места и характера неисправности и её устранения может потребоваться дополнительное оборудование.
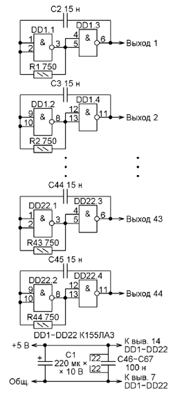
Схема предлагаемого устройства, генерирующего 44 испытательных сигнала, изображена на рисунке. При необходимости сигналов может быть и больше. Их асинхронность обеспечивается отсутствием связей между генераторами и естественным разбросом параметров образующих их элементов. Частота повторения импульсов каждого генератора - около 25 кГц, для работы устройства её точное значение не имеет значения. Напряжение питания 5 В подают от проверяемой платы.

Рис. Схема устройства
Генераторы устройства могут быть реализованы на различных микросхемах. Главное, чтобы логические уровни сигналов на её выходах были совместимы с проверяемой платой. Налаживания не требуется. Обратите внимание, что блокировочные конденсаторы С46-С67 должны были припаяны непосредственно к выводам питания каждой микросхемы устройства. Это необходимо для исключения связи между генераторами по цепям питания.
Предлагаемое устройство было проверено на практике и показало свою эффективность при проверке и ремонте технологического оборудования.
Авторы: А. Разноглядов, Д. Грищенко, г. Екатеринбург