У некоторых распространённых электроинструментов (дрелей, перфораторов, лобзиков, шлифовальных машин) кнопку или клавишу включения можно зафиксировать во включённом положении. Это освобождает от необходимости всё время удерживать её нажатой, выполняя работу большой продолжительности. Но если оставить такой инструмент отключённым от сети, но с зафиксированной в нажатом состоянии кнопкой включения, то при вставлении его сетевой вилки в розетку он немедленно начнёт работать, что может оказаться опасным для находящихся поблизости людей и предметов.
Предлагаю простое устройство, предотвращающее самопроизвольный запуск электроинструмента при таких обстоятельствах. Оно помещено в корпус сетевого удлинителя и может быть использовано для исключения неожиданного запуска не только электроинструментов, но и других устройств, содержащих в цепи сетевого питания индуктивные элементы (трансформаторы, электродвигатели), сопротивление которых постоянному току значительно меньше, чем переменному.
Схема устройства изображена на рис. 1. Подключённый к розетке X1 электроинструмент на ней условно показан в виде кнопочного выключателя с фиксацией SB1 и электродвигателя M1. Само устройство содержит бес-трансформаторный блок сетевого питания с гасящими конденсаторами C1, C2, выпрямителем на диодах VD1, VD2 и со сглаживающим пульсации конденсатором C3. Плавкая вставка FU1 нужна для предотвращения тяжёлых последствий случайного пробоя конденсаторов C1, C2. Через резистор R1 эти конденсаторы разряжаются после отключения устройства от сети. Выходное напряжение выпрямителя ограничено и стабилизировано параллельным стабилизатором на стабилитроне VD3, резисторе R2 и транзисторе VT1.

Рис. 1. Схема устройства
Допустим, электроинструмент с зафиксированной в нажатом состоянии кнопкой SB1 подключён к устройству, на которое напряжение сети ~230 В не подано. В момент подачи этого напряжения потечёт ток через резистор R3, диод VD4, нормально замкнутые контакты реле K1, кнопку SB1 и электродвигатель M1. Однако транзистор VT2 останется закрытым, так как его переход база-эмиттер зашунтирован низким для постоянного тока сопротивлением неработающего двигателя M1. Поэтому ток через обмотку реле K1 не течёт, а сетевое напряжение на розетке X1 отсутствует.
Возвращение кнопки SB1 в разомкнутое состояние разорвёт цепь, шунтировавшую переход транзистора. Он откроется, реле K1 сработает и подаст сетевое напряжение на розетку X1 и подключённый к ней электроинструмент. С этого момента и до отключения устройства блокировки от сети им можно пользоваться как обычно, нажимая и отпуская кнопку включения.
Диоды VD4-VD6 защищают транзистор VT2 от выбросов напряжения на обмотке реле и электродвигателе.
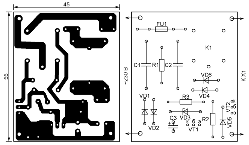
Устройство блокировки собрано на печатной плате, изображённой на рис. 2. В качестве C1 и C2 применены металлоплёночные конденсаторы К73-17 на 630 В. Транзисторы 2N3904 допустимо заменить любыми другими структуры n-p-n с допустимым напряжением коллектор-эмиттер не менее 30 В и максимальным током коллектора не менее 200 мА.

Рис. 2. Печатная плата устройства блокировки
Реле K1 - TRD-12VDC-SC-CL-R с сопротивлением обмотки 400 Ом. Вместо него подойдёт другое реле с обмоткой на 12 В не меньшего указанного выше сопротивления. При меньшем её сопротивлении, возможно, придётся увеличивать ёмкость конденсаторов C1 и C2 пропорционально потребляемому реле в сработавшем состоянии току, а также применить транзисторы VT1 и VT2 большей мощности. Реле должны иметь группу контактов на переключение, рассчитанных на потребляемую электроинструментом мощность.
Возможен и другой вариант устройства блокировки, схема которого показана на рис. 3. Здесь источником питания служит зарядное устройство для сотового телефона U1 с выходным напряжением 5 В. При использовании реле (K1 и K2) TRG1 D-5VDC-S-Z с обмотками на 5 В и сопротивлением 125 Ом ток, потребляемый по цепи 5 В, не превышает 90 мА. Вместо двух реле можно установить одно, но с двумя группами контактов на переключение.

Рис. 3. Схема другого варианта устройства блокировки
Примечание: Для повышения надёжности работы устройства диод VD4 (рис. 1) или VD2 (рис. 3) должен быть диодом Шотки, например 1N5819.
Автор: В. Суров, г. Горно-Алтайск