В статье предложен способ, как из блока питания с фиксированным выходным напряжением сделать регулируемый источник.
В радиолюбительской практике зачастую требуется регулируемый источник питания 3,5...12 В с выходным током до 1,5...2 А. Чтобы не делать такой БП заново, можно доработать уже имеющийся с фиксированным выходным напряжением. В зависимости от схемы БП его доработка может быть очень простой.
Таким блоком оказался БП JTA0302E-E (рис. 1), который представляет собой обратноходовый преобразователь напряжения, собранный на специализированной микросхеме UC3843B и полевом транзисторе STP4NK60ZFP. На входе и выходе БП установлены LC-фильтры, стабилизация выходного напряжения осуществляется с помощью микросхемы TL431AC (параллельный стабилизатор напряжения) и оптопары PC817 (или аналогичной). Согласно заявленным производителем параметрам БП JTA0302E-E при сетевом напряжении 110...240 В обеспечивает выходное стабилизированное напряжение 5 В при токе нагрузки до 2,5 А. На самом деле выходное напряжение без нагрузки было немногим более 5,2 В. Сделано это, видимо, для компенсации падения напряжения на выходном двухпроводном кабеле при максимальном токе нагрузки. Логично предположить, что при напряжении сети 230 ± 5 % В он сможет "выдать" 12 В при токе до 1 А. Небольшая доработка позволит превратить его в регулируемый с выходным напряжением от 3,5 до 10...12 В.

Рис. 1. БП JTA0302E-E
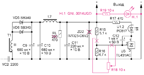
Фрагмент выходной цепи дорабатываемого БП показан на рис. 2. Все доработки и вновь введённые элементы выделены цветом. Обозначения штатных элементов приведены в соответствии с печатной платой, а должены. Особенность оригинального БП - значение выходного напряжения задано с помощью резистивного делителя R15R16 в цепи управляющего входа микросхемы U3. Если в этот делитель ввести переменный резистор (в нашем случае - R18), это позволит плавно регулировать выходное напряжение. В этом случае стабилитрон ZD2 (на напряжение стабилизации 6,2 В) удаляют, резистор RLзаменяют другим, с вдвое большим сопротивлением. Для индикации наличия выходного напряжения установлен светодиод HL1 с токоограничивающим резистором R19. Чтобы свечение светодиода было заметно во всём интервале выходного напряжения, он должен быть с повышенной яркостью свечения.

Рис. 2. Фрагмент выходной цепи дорабатываемого БП
Доработка БП - несложная. Переменный резистор (СП4-1 или аналогичный по размерам) и светодиод устанавливают на задней стенке корпуса БП (рис. 3). Для них просверлены отверстия соответствующего диаметра. Сглаживающий конденсатор С1 (см. рис. 1) на выходе мостового выпрямителя разворачивают на плате в про-тивоположую сторону. Освободившееся место займёт переменный резистор. Резисторы R15 и R16 установлены перпендикулярно плате, поэтому их можно не выпаивать, а просто перекусить по одному выводу, к которым припаивают изолированные провода, соединяющие их с выводами переменного резистора R18. Стабилитрон ZD2 (он расположен рядом с резисторами R15, R16) также можно не выпаивать, а перекусить один из его выводов - в авторском варианте было сделано именно так. В результате с переменным резистором R18 сопротивлением 10 кОм интервал регулировки выходного напряжения получился 3,5...8 В. Если применить резистор R18 с большим сопротивлением, интервал регулировки расширится в обе стороны. При этом нижний предел можно скорректировать подборкой резистора R15, верхний - резистора R16. После проверки и налаживания переменный резистор снабжают шкалой (рис. 3), которую градуируют с помощью вольтметра постоянного тока. Но следует учесть, что минимальный нижний предел - 3,3...3,5 В. Обусловлено это тем, что минимальное падение напряжения на микросхеме U3 - около 2 В, а на излучающем диоде оптопары U1.2 - 1,1...1,2 В.

Рис. 3. Внешний вид доработанного БП
Были проведены испытания доработанного БП для различных выходных напряжений от 3,5 до 10 В. При изменении выходного тока от 0 до 1,5 А (при выходном напряжении до 10 В) и 2,5 А (при напряжении до 5 В) выходное напряжение уменьшалось на несколько милливольт (измерение проводилось непосредственно на выходе БП), амплитуда пульсаций не превысила 15 мВ, а полевой транзистор нагревался умеренно. Однако при установке выходного напряжения менее 3,3 В на выходе наблюдались релаксационные колебания с амплитудой пульсаций около 1 В. Причина этого - недостаточное напряжение на микросхеме U3 и излучающем диоде оптопары U1.2.
Следует учесть, что в выходной цепи БП применены конденсаторы С9-С11 с номинальным напряжением 10 В, поэтому выходное напряжение не должно превышать этого значения, а с учётом падения напряжения на дросселе L2 должно быть даже меньше. Если планируется увеличить верхний предел до 12 В, эти конденсаторы необходимо заменить другими с такой же ёмкостью и большим номинальным напряжением.
Автор: И. Нечаев, г. Москва