Измерению ёмкости и эквивалентного последовательного сопротивления (ЭПС) конденсаторов, установленных на платах, где они соединены с другими радиоэлементами - микросхемами, транзисторами, резисторами, катушками индуктивности, без их демонтажа, посвящено много работ, например, статья А. Сучинского "Приставка к мультиметру для измерения ёмкости конденсаторов" ("Радио", 2012, № 7, с. 18-20). В статье предложено простое устройство, которое вместе с осциллографом или мультиметром позволяет оценивать параметры конденсаторов непосредственно на платах.
На проверяемый конденсатор, не выпаивая его, нужно подать импульсы симметричной прямоугольной формы размахом 0,1...0,3 В от источника с выходным сопротивлением, не менее чем в 10 раз меньшим, чем полное сопротивление на частоте измерения радиоэлементов, подключённых на плате параллельно измеряемому конденсатору. При этом переменное напряжение на конденсаторе будет обратно пропорционально его ёмкости Cx, если выполняется условие

где Ri - выходное сопротивление источника испытательных импульсов; T - период их повторения.
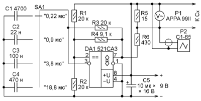
Источник испытательных импульсов с выходным сопротивлением 15 Ом был собран на компараторе напряжения 521СА3 по схеме, изображённой на рис. 1. Их амплитуда без нагрузки - 260 мВ при напряжении питания прибора 9 В и указанных на схеме номиналах элементов. Переключатель SA1 изменяет период повторения генерируемых импульсов. Пределы измерения ёмкости конденсаторов в различных положениях переключателя приведены в таблице. Получить другие пределы можно изменением ёмкости конденсаторов С1-С4.
Таблица
Т, мс | Сх, мкФ |
0,22 | 0,7...8,2 |
0,9 | 2,7...33,4 |
3,8 | 11,5...141,1 |
18,8 | 57,0...698,2 |

Рис. 1. Схема источника испытательных импульсов
Вольтметр P1 (мультиметр APPA 99II в режиме измерения переменного напряжения) показывает напряжение на конденсаторе Cx, а осциллограф P2 (C1-65) позволяет наблюдать форму этого напряжения. Как показала практика, оксидные конденсаторы можно подключать к прибору в любой полярности. На результаты измерения это не влияет.
По вертикальным скачкам осциллограммы в местах переломов наблюдаемой кривой можно судить об ЭПС проверяемого конденсатора. Скачок на 130 мВ (половину амплитуды импульсов без нагрузки) соответствует ЭПС, равному половине выходного сопротивления генератора - 7,5 Ом.
Экспериментально снятая зависимость измеренного мультиметром переменного напряжения на конденсаторе Схот его ёмкости при периоде повторения импульсов 3,8 мс показана на рис. 2. Погрешность измерения ёмкости, вносимая ЭПС конденсатора до 2 Ом, не превышает 5 %.

Рис. 2. Зависимость измеренного мультиметром переменного напряжения на конденсаторе
Масштаб показанных ниже осциллограмм напряжения на выходе генератора - 50 мВ на деление по вертикали и 0,2 мс на деление по горизонтали.
На рис. 3 изображена осциллограмма в отсутствие измеряемого конденсатора. Период повторения импульсов - 0,9 мс, амплитуда - 260 мВ. Осциллограмма, показанная на рис. 4, получена при подключении к импортному оксидному конденсатору ёмкостью 47 мкФ на напряжение 16 В. Здесь хорошо видны скачки напряжения амплитудой 12...13 мВ, что соответствует ЭПС конденсатора около 0,7 Ом.

Рис. 3. Осциллограмма в отсутствие измеряемого конденсатора

Рис. 4. Осциллограмма при подключении к импортному оксидному конденсатору
На рис. 5 показана форма напряжения на танталовом оксидно-полупроводниковом конденсаторе К53-68 ёмкостью 100 мкФ на напряжение 16 В при периоде повторения импульсов 0,9 мс, а на рис. 6 - при периоде их повторения 3,8 мс (в последнем случае масштаб осциллограммы по горизонтали - 1 мс на деление). Этот конденсатор имеет ЭПС около 0,1 Ом, поэтому скачки напряжения едва заметны.

Рис. 5. Форма напряжения на танталовом оксидно-полупроводниковом конденсаторе

Рис. 6. Форма напряжения на танталовом оксидно-полупроводниковом конденсаторе
Были сняты осциллограммы напряжения на конденсаторах К53-1А ёмкостью 6,8 мкФ на напряжение 16 В, изготовленных в 1978 г. Период повторения импульсов на них - 0,22 мс, скорость развёртки - 50 мкс на деление. Все эти конденсаторы сохранили ёмкость. Однако разброс их ЭПС весьма велик: на рис. 7 оно - 0,6 Ом, на рис. 8 - 5,2 Ом, на рис. 9 - 7,4 Ом.

Рис. 7. ЭПС конденсаторов

Рис. 8. ЭПС конденсаторов

Рис. 9. ЭПС конденсаторов
Для измерения параметров конденсаторов, параллельно которым под-ключены элементы с полным сопротивлением менее 100 Ом, необходим источник импульсов с выходным сопротивлением ещё меньше, чем у описанного прибора. Если пойти на уменьшение амплитуды испытательных сов приблизительно до 100 мВ, что ещё достаточно для измерения осциллографом и мультиметром, можно уменьшить сопротивление резистора R5 до 5,1 Ом. Соответственно уменьшится и выходное сопротивление прибора.
Автор: В. Кильдюшев, г. Жуков Калужской обл.