При подключении к мультиметру серий М-83х, DT-83x приставка позволяет измерять ёмкости конденсаторов и ионисторов до 2 Ф. По авторской "традиции"приставка питается напряжением 3 В от внутреннего стабилизатора АЦП мультиметра и не требует его доработки.
В радиолюбительских условиях измерение ёмкости ионисторов (EDLC - Electric Double-Layer Capacitor) - процесс, если несложный для радиолюбителя технически, то сравнительно длительный по времени. Рассмотрим коротко особенности её измерения на примере ионисторов фирмы Panasonic [1]. Ионистор можно представить как большое количество конденсаторов малой ёмкости, включённых параллельно внешним выводам. На рис. 1 представлена упрощённая эквивалентная схема ионистора для цепей постоянного тока. Резисторы R1-RN имеют разное сопротивление. Поэтому при зарядке (или разрядке) ионистора до заданного напряжения требуется время, необходимое для достижения этого значения на всех конденсаторах. Если времени недостаточно, то после отключения зарядного тока часть заряда с быстрее заряжаемых конденсаторов перетечёт в медленнее заряжаемые (при разрядке - наоборот), и напряжение на внешних выводах ионистора после отключения зарядного тока уменьшится.

Рис. 1. Упрощённая эквивалентная схема ионистора для цепей постоянного тока
Как правильно поступить, если вам необходимо измерить ёмкость ионистора? Очевидно, что его нужно медленно зарядить (или, наоборот, разрядить заряженный) от источника напряжения через резистор до заданного значения таким током, при котором все конденсаторы успевают "пропитываться" зарядом, затем зафиксировать время зарядки и вычислить ёмкость по известной формуле для RC-цепи.
Чтобы избежать математических вычислений и измерений времени зарядки вспомогательным часовым устройством [2], процесс измерения лучше возложить на измерительный прибор - фарадометр. Такой прибор можно собрать, используя достаточно простое схемотехническое решение. Понадобятся тактовый генератор импульсов и многоразрядный двоичный счётчик для их счёта. Далее выходные сигналы счётчика, несущие информацию о времени измерения, пропорциональном измеряемой ёмкости, необходимо преобразовать цифроаналоговым преобразователем (ЦаП) в напряжение. Пороговое устройство при зарядке ионистора до заданного значения напряжения выдаст сигнал приостановки счёта импульсов, а вольтметр, подключённый к выходу ЦАП, отобразит информацию о ёмкости. Выбор тактовой частоты, числа разрядов двоичных счётчиков и ЦАП однозначно зададут коэффициент линейного преобразования "ёмкость-напряжение" так, что показания вольтметра будут соответствовать измеренной ёмкости.
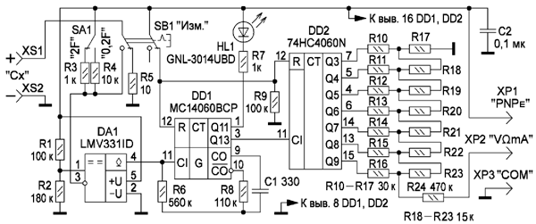
Такой алгоритм измерения реализован в фарадометре, схема которого приведена на рис. 2. Он выполнен в виде приставки к мультиметру, питаемой от его внутреннего стабилизатора, и предназначен для измерения ёмкости как ионисторов, так и оксидных конденсаторов большой ёмкости.

Рис. 2. Схема фарадометра
Основные технические характеристики
Пределы измерения ёмкости, Ф ....................0,2 и 2
Дискретность измерения на пределах, мкФ.............1574,8 и 15748
Погрешность измерения от 0,2 предельного значения и выше, %, не более.............5
Максимальное время измерения, с, не более ...........2000
Напряжение питания, В ............3
Максимальный ток потребления при измерении, мА, не более .....................3,3
Ток потребления в режиме ожидания, мА .................0,3
Следует отметить, что погрешность измерения зависит от дискретности и обратно пропорциональна измеряемой ёмкости на каждом пределе.
Рассмотрим работу прибора при подключении к клеммам XS1, XS2 "Сх" тестируемого ионистора или оксидного конденсатора (далее конденсатор). Процесс измерения ёмкости начнётся с момента нажатия на кнопку с фиксацией SB1 "Изм.". В зависимости от выбранного переключателем SA1 предела измерения "0,2F" или "2F" конденсатор начинает заряжаться от источника питания +3 В через резистор R3 или R4. К конденсатору через замкнутую слева по схеме группу контактов кнопки SB1 подключён инвертирующий вход компаратора DA1 LMV331ID [3]. Его неинвертирующий вход подключён к резистивному делителю R1R2. Делитель задаёт опорное напряжение компаратора + 1,9 В. Такое же напряжение Uc на заряжаемом конденсаторе, в зависимости от установленного переключателем SA1 предела, будет достигнуто через время, равное постоянной времени цепи R3Cx или цепи R40Cx. Согласно выражению для RC-цепи, Uc = 0,63·Uпит, где Uпит - напряжение питания.
До достижения этого напряжения на конденсаторе выходной транзистор компаратора, коллекторный вывод которого (вывод 4) подключён к входу CI (Clock Input) счётчика DD1 MC14060BCP [4], закрыт. Поэтому тактовый генератор, собранный на элементах R6, R8, C1 и двух встроенных в микросхему DD1 инверторах, вырабатывает прямоугольные импульсы с периодом следования 119,2 мкс.
Нажатие на кнопку SB1 приводит также к размыканию правой по схеме группы её контактов. При этом уровень лог. 1 (установки в ноль) на входах R двух последовательно включённых 14разрядных двоичных счётчиков DD1 и DD2 сменяется уровнем лог. 0. Счётчики начинают счёт тактовых импульсов. Для контроля его продолжительности к выходу Q11 счётчика DD1 подключён светодиод HL1. Он вспыхивает с частотой около 2 Гц, сигнализируя о смене состояний счётчика на выходе Q11, а значит, и о наличии процесса измерения.
По достижении на измеряемом конденсаторе напряжения, равного заданному делителем R1R2, выходной транзистор компаратора открывается и уровнем лог. 0 на входе CI счётчика DD1 приостанавливает работу тактового генератора. Измерение закончено, при этом, как уже сказано выше, число импульсов, поступивших с тактового генератора и подсчитанных счётчиками DD1 и DD2, пропорционально ёмкости испытуемого конденсатора. Об окончании измерения сигнализирует светодиод. Он перестаёт мигать и, в зависимости от состояния выхода Q11 счётчика DD1, гаснет или светит постоянно.
К выходам Q3-Q9 счётчика DD2 подключён семиразрядный ЦАП, вы-полненный по схеме резистивной матрицы R-2R на резисторах R10-R23. Напряжение на выходе такого ЦАП пропорционально напряжению в виде двоичного числа, поданному на его входы со счётчика, а значит, ёмкости испытуемого конденсатора. С выхода ЦАП через резистор R24 напряжение поступает на вход мультиметра для измерения и отображения результата на дисплее. Резистор R24 уменьшает напряжение с выхода ЦАП на входе мультиметра в 1,5 раза при входном сопротивлении 1 МОм и положении переключателя рода работ в "DCV 2000m". Номинальное сопротивление резистора (470 кОм) выбрано с учётом шунтирующего влияния входного сопротивления мультиметра на результат измерения.
После окончания процесса измерения ёмкости кнопку SB1 следует вернуть в начальное положение. Это приведёт к установке всех счётчиков в состояние лог. 0, постоянному свечению светодиода и быстрой разрядке испытуемого конденсатора. Разрядка происходит через левые по схеме нормально замкнутые контакты кнопки и низкоомный резистор R5, который ограничивает ток через её контакты.
Чертёж печатной платы и расположение элементов приведены на рис. 3. Компаратор LMV331ID DA1 и резистор R7 - поверхностно монтируемые и расположены со стороны печатных проводников (рис. 4). При замене компаратора другим аналогом следует учесть, что его допустимое синфазное входное напряжение (англ.: Input Common Mode Voltage Range) положительной полярности должно быть не менее напряжения питания за вычетом 1,1 В, т. е. при напряжении питания +3 В - не менее + 1,9 В.

Рис. 3. Чертёж печатной платы и расположение элементов

Рис. 4. Компаратор LMV331ID DA1 и резистор R7 на печатной плате
Автор столкнулся с незапуском при напряжении питания 3 В встроенного генератора в некоторых микросхемах 4060В. При этом все рекомендации по выбору номиналов RC-цепей генератора были соблюдены. Первый инвертор генератора (выводы 10, 11) при напряжении питания 3 В оставался в линейном режиме несмотря на наличие ПОС через конденсатор С1. И только в микросхеме MC14060BCP [4] фирмы ON Semiconductor наблюдался устойчивый запуск генератора. Объяснения, на мой взгляд, давали datasheet-ы от производителей. Только на MC14060Bxx производитель ON Semiconductor указал нижний предел напряжения питания, равный 3 В.
Счётчик DD2 74HC4060N [5] относится к классу высокоскоростной логики, но поскольку счёт импульсов в нём организован последовательным переносом, а напряжение питания снижено до 3 В, сквозные токи, вызванные одновременным переключением счётных триггеров, практически отсутствуют. Поэтому специальных мер для обеспечения устойчивости его работы, связанных с особой трассировкой линий питания на плате и установкой блокировочных конденсаторов, не потребовалось. Этот счётчик можно заменить обычным 4060В. Но поскольку при напряжении питания 3 В выходное сопротивление таких счётчиков - около 1,2 кОм, для сохранения погрешности измерений на приемлемом уровне потребуется увеличить сопротивление резисторов R10-R23 в ЦАП в несколько раз. Рекомендуемые значения сопротивления резисторов R10-R17 и R18-R23: 150 и 75 кОм, 200 и 100 кОм или 300 и 150 кОм соответственно. Сопротивление резистора R24 необходимо будет увеличить до 14 МОм, чтобы общее сопротивление мультиметра с этим резистором стало 15 МОм. Измерение ёмкости при этом следует производить на пределе "DCV 200m".
Применены постоянные резисторы Р1-4, МЛТ, причём резисторы, входящие в ЦАП, надо подобрать с отклонением не более 1 %, конденсаторы - керамические К10-17, КМ, но конденсатор С1 должен быть с малым ТКЕ. Кнопка SB1 с фиксацией - MPS-580D-G (аналог PS580L), переключатель SA1 - движковый серий MSS, MS, IS, например MSS-22D18 (MS-22D16). Штырь ХР1 "PNPE" - от подходящего разъёма. Штыри ХР2 "V^mA" и ХР3 "СОМ" - от измерительных щупов. Гнёзда XS1, XS2 - зажимы "крокодил". Внешний вид приставки показан на рис. 5.

Рис. 5. Внешний вид приставки
Перед подключением к мультиметру, чтобы не вывести его из строя, приставку следует запитать от к внешнего источника питания напряжением 3 В. Измеряют потребляемый ток, который при разомкнутых гнёздах XS1 и XS2 должен быть 0,3...0,4 мА, а уже затем её подключают к мультиметру.
При замене светодиода GNL-3014UBD на другой яркий или сверхъяркий любого цвета свечения следует подборкой резистора R7 задать ток через светодиод в интервале 0,2...0,3 мА.
При калибровке необязательно иметь под рукой конденсатор с заранее измеренной ёмкостью. Достаточно выставить частоту тактового генератора 8389 Гц (или период следования импульсов - 119,2 мкс). Грубо частоту корректируют резистором R8, а плавно - резистором R6. Для сохранения повышенной стабильности частоты генерации от температуры и надёжного запуска желательно выдерживать соотношение 2R8<R6<10R8 [4].
Основное положение переключателя рода работ мультиметра при измерении - "DCV 2000 m". При этом необходимо учитывать, что на пределе 2 Ф показания на дисплее мультиметра соответствуют миллифарадам. На пределе 0,2 Ф показания следует разделить на десять. Прибором можно измерять ёмкость, большую, чем 2 Ф. Так, напри-
мер, при тестировании ёмкости 3 Ф, по окончании измерения, как несложно догадаться, следует к показаниям индикатора в 1 Ф прибавить ещё 2 Ф. Это обусловлено тем, что при измерении ёмкости более 2 Ф счётчик переполняется и начинает счёт с нуля. При этом, конечно, надо зафиксировать факт обнуления счётчика.
Чертежи печатной платы в форматах Sprint LayOut 5.0 и TIFF имеются здесь.
Литература
1. Ионисторы Panasonic: физика, принцип работы, параметры. - URL: http://www.kit-e. ru/assets/files/ pdf/2006_09_ 12.pdf (03.04.18).
2. Нечаев И. Измеритель ёмкости ионисторов и конденсаторов большой ёмкости. - Радио, 2015, № 3, с. 47, 48.
3. LMV331, NCV331, LMV393, LMV339 Single, Dual, Quad General Purpose, Low-voltage Comparators. - URL: https://www.onsemi. com/pub/ Collateral/LMV331-D. PDF (03.04.18).
4. MC14060B 14-Bit Binary Counter and Oscillator. - URL: https://www.onsemi.com/ pub/Collateral/MC14060-D.PDF (03.04.18).
5. 74HC4060; 74HCT4060 14-stage binary ripple counter with oscillator. - URL: http:// www.nesweb.ch/downloads/74HC4060.pdf (03.04.18).
Автор: С. Глибин, г. Москва