Программируемый микроконтроллер Arduino идеально подходит для создания нестандартных устройств. А имеющиеся в избытке готовые модули, расширения и скетчи значительно облегчают задачу.
Однако, всегда находятся проекты, в которых к Arduino необходимо подключить мощный узел или устройство. Микроконтроллер будет отвечать за логику работы, а узел или устройство – выполнять простую работу.
С одной стороны – ничего сложного, с другой – Arduino обеспечивает на выходе только небольшой ток и напряжение (U – не более 5В, I – 40 мА). Значит. Мощную нагрузку нужно подключать через специальный "усилитель". В качестве последнего могут выступать специализированные транзисторы Дарлинтона, биполярные, полевые (мосфеты), реле (механические или на оптопаре) и т.п.
Мы уже подробно рассмотрели основные варианты подключения нагрузки к Ардуино. Здесь же детально осветим вариант с полевым транзистором.
Нагрузка через мосфет к Ардуино - схема
В первую очередь следует определиться с тем, какие устройства или типы нагрузок лучше всего подключать через полевики:
Не стоит через мосфеты подключать "быстрые" приборы (работающие на высоких частотах или часто включаемые/отключаемые) или сеть с переменным током (для этой задачи лучше всего использовать реле).
Во-первых, полевой транзистор будет греться, во-вторых, его реакция определённо "медленная" для ВЧ техники.
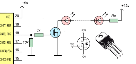
Типовая схема включения нагрузки будет иметь такой вид.

Рис. 1. Типовая схема включения нагрузки
Или такой (для лучшего понимания принципа работы).

Рис. 2. Вариант схемы включения нагрузки
Резистор 3к на затворе – это ограничитель (подстроечное сопротивление). А 10к – это своего рода предохранитель от перехода мосфета в Z-режим (исключается эффект "дребезжания" на малых токах управления).
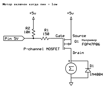
Если нагрузка обладает большой индуктивностью (актуально, например, для двигателей), то следует использовать дополнительный диод (несмотря на то, что в большинстве мосфетов он уже встроен, не помещает дополнительная защита).
Схема принимает следующий вид.

Рис. 3. Схема устройства
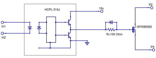
На случай исключения обратного пробоя и выхода из строя платы микроконтроллера, можно реализовать гальванический разрыв цепи через оптрон.
Например, так.

Рис. 4. Гальванический разрыв цепи через оптрон
Если логика работы предполагает быструю реакцию мосфета на сигналы с ШИМ-пина (PWM), то выходной сигнал лучше всего предварительно усилить биполярными транзисторами, например, так.

Рис. 5. Вариант схемы устройства
На случай острой необходимости управления сетью с переменным током 220В с ШИМ-выхода можно воспользоваться следующей схемой.

Рис. 6. Вариант схемы устройства
Она подойдёт на роль "автоматического диммера" с продвинутыми настройками.
При работе с полевыми транзисторами стоит проявлять особую осторожность, они очень боятся статического электричества. Поэтому необходимо предпринять все меры, чтобы снять статический заряд в процессе работ.
Как рассчитать потери мощности на мосфете
Для этого понадобится сопроводительная документация (даташит) к выбранному полевому транзистору. Здесь стоит отметить, что подбирать мосфет необходимо из серий, помеченных как "Logic Level", они разрабатываются специально для работы с микроконтроллерами.
Из даташита необходимо уточнить график зависимости параметров транзистора, например, для IRF630.

Рис. 7. График зависимости параметров транзистора
При напряжении на затворе в 5 Вольт (см. линия в центре с подписью 5V) и токе в цепи (вертикальная ось координат) 5 А, падение напряжения составит около 2В (горизонтальная ось координат).
То есть сопротивление транзистора можно рассчитать по закону Ома как 2/8=0,25 (Ом).
Тогда мощность будет считаться как P=I2R, то есть 52·0,25 = 25·0,25=6,25 Вт.
При силе тока в 8 А потеря мощности будет составлять уже 35 Вт.
Автор: RadioRadar