Мне понравилась оригинальная идея, описанная в статье А. Карпачева "Индикатор напряжения для сетевого удлинителя" ("Радио", 2016, № 12, с. 36). У меня было в наличии несколько таких трёхразрядных семиэлементных индикаторов, невостребованных длительное время, поэтому я решил повторить эту конструкцию, внеся в схему некоторые изменения.
В связи с тем что при работе устройства светоизлучающие элементы индикатора не переключаются, появилась возможность соединить индикаторы не параллельно, а последовательно. Это позволило значительно снизить потребляемый от сети ток и уменьшить ёмкость гасящего конденсатора, что немаловажно для круглосуточно включённого устройства.
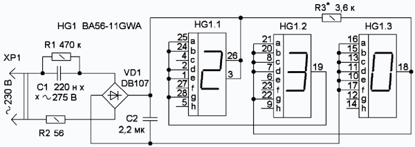
Схема усовершенствованного индикатора напряжения для сетевого удлинителя изображена на рисунке. Ток через последовательно включённые индикаторы - около 14 мА, он задан балластным конденсатором С1. В индикаторах НG1.1 и НG1.2 подключены по пять элементов, а в разряде индикатора НG1.3 - шесть, поэтому для выравнивания токов индикаторы НG1.1 и НG1.2 зашунтированы резистором R3. Подборкой этого резистора можно выравнить яркость свечения разрядов индикатора.

Рис. Схема усовершенствованного индикатора напряжения
Резистор R2 и конденсатор С2 повышают надёжность работы устройства. Резистор R2 при подключении устройства к сети ограничивает амплитуду импульса зарядного тока конденсатора С1. Конденсатор С2 поглощает энергию импульса зарядного тока и подавляет броски напряжения в сети. Резистор R2 также повышает электробезопасность устройства, он перегорает при возможных аварийных ситуациях в устройстве.
Применены постоянные резисторы МЛТ, С2-23, конденсатор С1 - плёночный помехоподавляющий на номинальное переменное напряжение не менее 275 В. Его можно заменить двумя последовательно включёнными конденсаторами К73-17 ёмкостью 0,47 мкФ на напряжение 400 В - это будет надёжнее, чем применение одного конденсатора К73-17 ёмкостью 0,22 мкФ на напряжение 630 В. Конденсатор С2 - импортный керамический или плёночный. О возможной замене семиэлементных индикаторов довольно подробно рассказано в вышеупомянутой статье.
Автор: К. МОРОЗ, г. Белебей, Башкортостан