В этом терменвоксе используется классический (гетеродинный) принцип звукообразования. Но в инструменте только два высокочастотных генератора, а канал громкости работает на частоте, кратной частоте канала высоты тона. Это позволило упростить схему и избавиться от посторонних призвуков. Трудоёмкость изготовления катушек снижена за счёт уменьшения числа витков при переходе на более высокую рабочую частоту.
Название "Paradox" этот терменвокс получил в связи с использованием нетрадиционных технических решений, которые в силу разных причин считались нежизнеспособными. Кроме того, в этой конструкции в качестве управляемого УМЗЧ применена телевизионная микросхема AN5265 вместо популярных микросхем LM13600 или LM13700, используемых в терменвоксе "Etherwave" [1] и его клонах. Это позволило не только отказаться от внешнего УМЗЧ и отдельного усилителя для головных телефонов, но и обойтись однополярным питанием +12 В.
Теперь о принципах, не прижившихся в терменвоксостроении. Сразу подчеркну, что сказанное относится к аналоговым терменвоксам с классическим принципом звукообразования - гетеродинированием в канале высоты тона и возбуждением резонансного контура в канале громкости, начало которым положил и впоследствии им следовал Л. С. Термен.
1. Использование частоты выше 1 МГц.
Генераторы почти всех терменвоксов работают на частоте не более нескольких сотен килогерц. Казалось бы [2], применение более высокой частоты способствует повышению чувствительности инструмента к перемещению руки исполнителя. Вдобавок, на такой частоте требуются катушки меньшей индуктивности и, следовательно, с меньшим числом витков, что снижает их стоимость, расширяет возможность выбора готовых изделий, а при ручном изготовлении снижает его трудоёмкость.
Но на практике высокочастотные терменвоксы получаются менее стабильными, с большим дрейфом "виртуального грифа", а их музыкальная шкала менее линейна.
2. Общий образцовый генератор для каналов высоты тона и громкости.
Это не только упрощает схему тер-менвокса, но и снижает риск появления посторонних призвуков. Призвуки образуются в результате проникновения сигнала генератора канала громкости в основной канал, что и приводит к появлению новых комбинационных частот. Основной путь проникновения - связь между антеннами, устранить которую не удаётся.
Применение общего генератора было даже запатентовано [3], но автор изобретения не учёл, что антенны, работая на одной частоте, становятся чувствительными к положению "противоположной" руки. А это приводит к непредсказуемым эффектам изменения высоты тона и громкости, что очень мешает исполнению музыкального произведения. Не случайно в тер-менвоксах разносят частоты каналов тона и громкости. Это вынужденная мера, призванная заставить каждую антенну реагировать только на "свою" руку.
К сожалению, с единым образцовым генератором общая настройка инструмента усложняется, особенно, если терменвокс имеет так называемую "линеаризующую катушку".
3."Нижнее" по частоте расположение канала громкости.
Считается, что выбор частоты канала громкости ниже частоты канала тона увеличивает вероятность взаимодействия её гармоник с сигналом в канале тона, что приводит к нежелательным комбинационным частотам на выходе инструмента. Кроме того, "нижнее" положение означает необходимость в многовитковой (следовательно, более дорогой) катушке. Поэтому канал громкости принято делать более высокочастотным.
Но и в этом случае может проявиться нежелательный эффект. Хотя прикосновение рукой к антенне тона - редкость (в этом просто нет необходимости), прикосновение к антенне громкости - обычное явление. Чтобы держать паузу, нужно максимально приблизить руку к этой антенне, для чего исполнитель фактически кладёт на неё кисть. К тому же в этом положении его рука отдыхает. Но прикосновение настолько увеличивает ёмкость антенны, что резонансная цепь может оказаться настроенной на частоту канала тона, и на контур канала громкости наведётся ощутимое напряжение. Детектор этого канала, не делая различий между источниками сигнала, приоткроет УМЗЧ, и на выход инструмента поступит звуковой сигнал.
Сделав частоту канала громкости ниже, можно исключить это явление, использование же высокой частоты решает проблему многовитковости. Как же совместить положительные качества обоих вариантов? Рамки статьи не позволяют дать подробный анализ, поэтому приведу лишь ключевые моменты.
Очень важно знать характер зависимости наведённой ёмкости от расстояния между рукой и антенной. Но этот вопрос до сих пор теоретически не проработан, поэтому для исследования зависимости я сделал роботизированный комплекс на базе упрощённой модели руки, двигающейся по дуге. Результаты экспериментов показаны на рис. 1. Исследования проводились с антеннами длиной 20 см (синие линии) и 60 см (красные линии), причём диаметр их проводников в обоих случаях был 20, 12, 7 и 3 мм (сверху вниз в каждой группе графиков). Масштаб по оси наведённой ёмкости C - логарифмический.

Рис. 1. Зависимости наведённой ёмкости от расстояния между рукой и антенной
Результаты получились интересными. При удалении руки от антенны все графики, независимо от длины и диаметра антенны, а также от формы "кисти руки", становятся прямыми линиями, имеющими одинаковый наклон. Меняются только смещение графиков по вертикальной оси и характер зоны перегиба.
Можно показать, что линейная зависимость логарифма ёмкости от расстояния до "руки" означает линейную зависимость от него же высоты тона при условии, что точка нулевых биений находится на бесконечно большом удалении от антенны. Сама природа постаралась создать "идеальную" шкалу, но ценой расположения басовых нот на значительном удалении от антенны. Музыкантам же необходимо иметь все ноты в пределах доступности, не сходя с места. Поэтому нулевые биения обычно устанавливают при руке, отведённой приблизительно на 50 см от антенны. Это приводит к нелинейности характеристики "расстояние-нота" в басовой области, где образуется "сгущение" нот.
На рис. 2 чёрной кривой показан результат моделирования терменвокса Л. С. Королёва [4]. Были использованы следующие параметры: диаметр антенны - 7 мм; длина антенны - 50 см; статическая ёмкость антенны - около 5,8 пФ; индуктивность катушки контура - 115 мГн; дополнительная ёмкость (монтажа и т. п.) - 16 пФ. Это дало частоту перестраиваемого генератора около 100 кГц. Отстройкой генератора фиксированной частоты точка нулевых биений установлена на расстоянии 50 см от антенны. Эффект синхронизации генераторов при сближении генерируемых ими частот не учтён.

Рис. 2. Результат моделирования терменвокса Л. С. Королёва
Вертикальная ось размечена через каждую октаву согласно стандартной нотации MIDI. Горизонтальные линии соответствуют нотам "до" каждой октавы. Линии C0 соответствует частота 16,35 Гц. Нота "ля" первой октавы (A4), имеющая частоту 440 Гц, находится между линиями C4 и C5. Для наглядности на графике принято направление оси расстояния до руки D справа налево, поскольку именно в этом направлении рука удаляется от антенны согласно технике "горизонтальная дуга" при игре на "праворуком" терменвоксе.
Кривая имеет два перегиба. Нижний соответствует приближению руки к точке нулевых биений.
Верхний можно объяснить значительным увеличением ёмкости при приближении руки к антенне. Нижний перегиб можно устранить, если бесконечно удалить точку нулевых биений. Верхний перегиб можно только уменьшить, применяя антенны значительной длины или дающие больший эффект линеаризующие катушки.
Средняя часть графика - область комфортной игры. В связи с широким распространением техники"пальцевых жестов" понятие "равномерный гриф" теперь требует, чтобы одинаковые движения пальцев приводили к одинаковым изменениям тона независимо от того, на каком расстоянии находится рука. Не факт, что именно этому на рис. 2 соответствовала бы прямая линия с наклоном "октава на каждые 8 см длины". Но поскольку вопрос ещё мало изучен, я пока буду придерживаться этого критерия.
Что же произойдёт, если попытаться уменьшить число витков катушки генератора, т. е. увеличить его частоту? Ответ простой: график сместится вверх (красная кривая, соответствующая уменьшению индуктивности до 0,5 мГн). Средняя часть графика теперь соответствует очень высоким звукам, а наиболее употребительные ноты (от C2 до C6) попадают на изгиб характеристики. Другими словами, зона комфортной игры перестаёт соответствовать частотному диапазону (тесситуре) большинства музыкальных произведений.
Не мудрствуя лукаво, конструкторы увеличивают ёмкость контурного конденсатора. Этот случай представлен голубой кривой, соответствующей ёмкости, увеличенной до 130 пФ. Кривая возвратилась на прежнее место, требуется катушка с меньшим числом витков, но ухудшилась стабильность частоты биений. Конечно, относительная температурная стабильность частоты генератора не изменилась, поскольку температурные зависимости характеристик его элементов остались прежними. Однако частота стала в шесть раз выше - 600 кГц вместо исходных 100 кГц. Это даёт в шесть раз больший абсолютный уход частоты. Но ведь именно абсолютная разность частот двух генераторов даёт разностную (звуковую) частоту. К слову сказать, для красной кривой температурная стабильность ещё хуже (в 15 раз по сравнению с исходной), ведь частота генератора выросла со 100 до 1500 кГц.
Чтобы исправить ситуацию, я предлагаю использовать другой способ понижения частоты - с помощью её делителя (зелёная кривая). Здесь возможны два варианта: сначала поделить частоту сигналов каждого генератора и затем подать их на смеситель либо сначала получить сигнал разностной частоты, а потом поделить его частоту. В первом случае потребуются два делителя, во втором необходим преобразователь синусоидального сигнала в прямоугольные импульсы и дополнительные меры по уменьшению "дрожания" их перепадов. Оба варианта при уменьшении числа витков в катушках сохраняют стабильность инструмента неизменной.
Поскольку делители частоты играют роль буферных элементов, первый вариант помогает естественным образом уменьшить паразитную связь между генераторами и этим избежать нежелательных явлений затягивания частоты и синхронизации. Кроме того, двоичные счётчики-делители, имеющие выходы промежуточных ступеней деления, позволяют простым способом разнести частоты каналов тона и громкости. Например, один из промежуточных выходов можно использовать для возбуждения колебательного контура канала громкости.
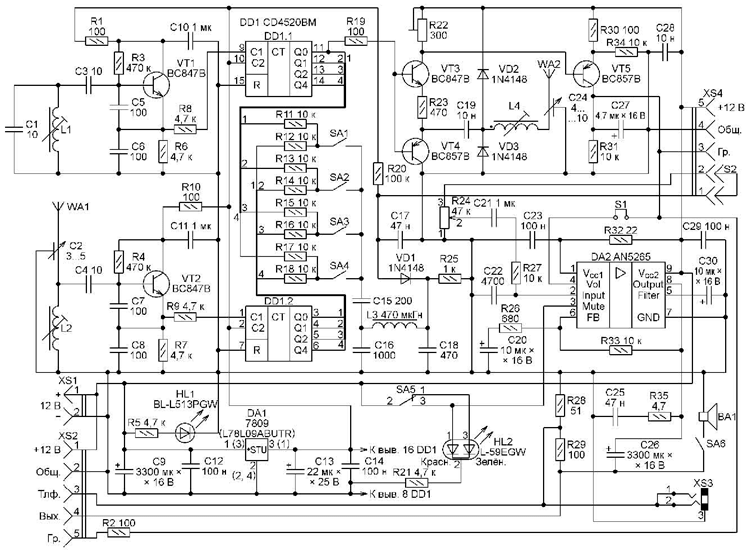
Именно так и построен терменвокс "Paradox", схема которого показана на рис. 3. Генераторы (образцовый и перестраиваемый) выполнены соответственно на транзисторах VT1 и VT2. Они работают на частоте около 1,6 МГц. В их основе лежит так называемая схема Клаппа, отличительная особенность которой - наличие конденсатора C3 (C4) сравнительно малой ёмкости. Это даёт несколько важных преимуществ. Во-первых, ослаблением связи колебательного контура с транзистором достигается более высокая стабильность частоты генератора. Во-вторых, повышается напряжение на антенне WA1, что снижает восприимчивость генератора к неблагоприятной электромагнитной обстановке за счёт повышения соотношения сигнал/помеха.

Рис. 3. Схема терменвокса Paradox
И третье, самое важное преимущество - ёмкость колебательного контура состоит в основном из ёмкости антенны. В рассматриваемом случае к ней добавляется лишь небольшая ёмкость последовательно соединённых конденсаторов C4, C7 и C8 (что в сумме меньше 10 пФ), необходимых для генерации. Конденсатор переменной ёмкости C2 служит для оперативной установки положения точки нулевых биений в зависимости от конкретной обстановки.
Генератор по такой схеме был предложен Эриком Волленом (Eric David Wallin), энтузиастом-разработчиком цифровых узлов для терменвокса, включая многоядерный процессор HIVE, специально предназначенный для использования в качестве чувствительного элемента. У генератора малый потребляемый ток, что обеспечивает незначительный самопрогрев и, следовательно, небольшой температурный уход частоты. Напряжения на выходе генератора достаточно для непосредственной подачи его на вход микросхемы структуры КМОП.
При желании можно поэкспериментировать и с другими генераторами. Например, собранные по схемам Л. Д. Королёва [4, 5] генераторы также удовлетворяют условию минимума ёмкости, вносимой в контур, но построены на полевых транзисторах, у которых больше разброс параметров и склонность к повреждению статическим электричеством. Цепи R1C10 и R10C11 дополнительно развязывают генераторы по питанию.
Канал высоты тона состоит из счётчиков-делителей DD1.1 и DD1.2, сумматора их выходных сигналов на резисторах R11-R18, ФНЧ C16L3C18, смесителя на диоде VD1 и регулятора громкости - переменного резистора R24.
Счётчики понижают частоту в два, четыре, восемь или 16 раз (максимум до 100 кГц). Регистр инструмента можно изменять выключателями SA1-SA4 от сопрано до баса. Независимая фиксация этих выключателей позволяет использовать комбинации их состояния, что расширяет тембровые возможности. Нечто аналогичное, но с использованием перестраиваемого полосового фильтра (или банка фильтров), применялось в некоторых ламповых терменвоксах и в терменвоксах Л. Д. Королёва [6, 7].
О ФНЧ с частотой среза несколько сотен килогерц (элементы C16, L3, C18) следует сказать особо. Он, по существу, определяет качество звучания инструмента. Его задача - отсечь все высшие гармоники сигналов перед их подачей на нелинейный элемент - диод VD1. В рассматриваемом случае это особенно важно, ведь прямоугольные импульсы на выходах счётчиков имеют далеко простирающийся спектр. Гармоники их основной частоты с одинаковыми номерами, взятые попарно, дают разностные частоты, находящиеся в строгом гармоническом соотношении с основным разностным тоном и просто обогащающие его спектр. Но с увеличением номеров сближаются на оси частот и дают биения с частотой, лежащей в слышимом диапазоне, гармоники частот двух генераторов, имеющие неодинаковые номера. И здесь гармонического соответствия уже нет. Результат этого - "пластмассовое" звучание и появление посторонних призвуков. Особенно этим грешат так называемые "цифровые" терменвоксы, смесителями в которых служат логические элементы "И", "ИЛИ", "Исключающее ИЛИ". Отфильтровать негармонические призвуки после такого смесителя принципиально невозможно.
Однако даже подавленные фильтром высшие гармоники всё равно восстанавливаются на нелинейности вольт-ам-перной характеристики диода VD1, но их уровень получается несоизмеримо ниже, чем в исходных импульсных сигналах. Идеальным был бы прецизионный аналоговый перемножитель при строго синусоидальных сигналах на входах. Перемножителем может служить и полупроводниковый диод, работающий на квадратичном участке своей вольт-ам-перной характеристики, но он не идеален. В таком режиме работает диод VD1, который выводят в оптимальную рабочую точку с помощью резистора R20.
Выбор ФНЧ с фиксированной частотой среза около 300 кГц - компромисс, связанный со стремлением упростить конструкцию. При частоте повторения прямоугольных импульсов 100 кГц он пропускает только её первую и третью гармоники (при скважности импульсов 2 вторая гармоника в спектре отсутствует). Если частота импульсов 200, 400 и 800 кГц, через фильтр проходит только первая гармоника (в двух последних случаях - с ослаблением). При желании частоту среза ФНЧ можно выбрать другой или сделать переключаемой.
На рис. 4,а показана осциллограмма сигнала на выходе высокочастотного генератора (резисторе R6 или R7). Масштаб по вертикали - 5 В/дел. Скорость развёртки - 1 мкс/дел. Осциллограммы звуковых сигналов на выходе смесителя при замкнутых по отдельности выключателях SA4, SA3 или SA2 показаны соответственно на рис. 4,б- рис. 4,г. Здесь масштаб по вертикальной оси - 200 мВ/дел. Скорость развёртки - 2,5 мс/дел. Когда замкнут лишь выключатель SA1, амплитуда сигнала ещё меньше, чем на рис. 4,г. Такой сигнал пригоден лишь для добавления слабого призвука. Комбинации положений выключателей дают сигналы более сложной формы.

Рис. 4. Осциллограмма сигнала на выходе высокочастотного генератора
Со смесителя звуковой сигнал поступает на регулятор громкости - переменный резистор R24, а после него на управляемый УМЗЧ DA2. Цепь R27C22 ослабляет высокочастотные составляющие входного сигнала. В разрыве сигнальной цепи стоит разъём XS4, служащий для подключения дополнительных модулей формирования тембра. При их отсутствии контакты 1 и 2 этого разъёма нужно соединить перемычкой S2.
Канал громкости начинается с буферной ступени, выполненной на комплементарных транзисторах VT3 и VT4, образующих двухтактный эмиттерный повторитель. Он возбуждает резонансную цепь из катушки индуктивности L4 и ёмкости антенны WA2, образующих последовательный колебательный контур.
Сигнал возбуждения приходит с вывода 11 счётчика DD1.1. Его частота - 800 кГц (вдвое меньше частоты образцового генератора). На эту частоту и должен быть настроен контур при отведённой руке. Конденсатор C24 предназначен для оперативной настройки антенны под конкретное окружение. Диоды VD2 и VD3 защищают транзисторы от разрядов статического электричества, которые могут возникнуть при касании антенны рукой. Появлению электрического потенциала на теле человека способствуют низкая влажность воздуха, синтетическая одежда и постоянное движение.
При резонансе ток в контуре возрастает, и на катушке L4 возникает значительное напряжение. В классических терменвоксах напряжение снимают с части её витков или с дополнительной обмотки связи - это уменьшает нагрузку на контур и повышает его добротность. Но конструкция катушки при этом усложняется.
Я попробовал обойтись простой катушкой. Для этого в цепь питания буферного каскада добавил низкоомный резистор R22, через который протекает ток "накачки" колебательного контура. Он носит импульсный характер, а его амплитуда тем больше, чем ближе резонансная частота контура к частоте импульсов. Использование двухтактного эмиттерного повторителя позволило увеличить кратность изменения тока "накачки".
Детектор импульсов собран на транзисторе VT5. Импульсы его коллекторного тока, пропорциональные импульсам напряжения на резисторе R22, заряжают конденсатор C27 до некоторого напряжения. Это напряжение изменяется от 12 В (при настроенном в резонанс контуре) до 0 В (при приближённой к антенне WA2 руке). Соотношение сопротивлений резисторов R30 и R31 задаёт коэффициент преобразования, а резистор R34 создаёт небольшое закрывающее напряжение на эмиттере транзистора VT5, которое гарантирует ноль на выходе при малой амплитуде импульсов на резисторе R22.
Из-за непредсказуемой добротности контура номиналы элементов трудно поддаются расчёту и оптимизации. Компьютерное моделирование даёт лишь общее представление о том, в каком направлении двигаться. Поэтому в эмиттерный повторитель добавлен резистор R23, ограничивающий ток "накачки" контура и немного стабилизирующий (уменьшающий) его добротность, а резистор R22 сделан подстроечным.
Микросхему УМЗЧ AN5265(DA2) можно было встретить в некоторых телевизорах с электронно-лучевой трубкой. Применение этой микросхемы позволяет:
- умощнить выход инструмента и подключать к нему не только головные телефоны, но и динамическую головку;
- получить широкие пределы регулирования громкости (микросхема специально предназначена для этого и имеет логарифмическую характеристику регулирования);
- в отличие от такой популярной микросхемы, как LM13600, ей требуется однополярное питание.
Использована типовая схема включения микросхемы AN5265. Соединяя переключателем SA5 её вывод 3 (Mute) с цепью питания +12 В, можно заглушить звуковой тракт.
Я не нашёл в Интернете характеристики регулирования этой микросхемы. По имеющимся справочным данным можно сделать вывод, что на вход Mute можно подавать напряжение от 0 до 12 В, а максимальный коэффициент усиления - до 30 дБ. Пришлось снять характеристику регулирования экспериментально. Она показана на рис. 5. Видно, что область регулирования простирается от 1 до 12 В, имея в самом начале (от 1 до 2 В) более крутой участок. По субъективным ощущениям, управление громкостью инструмента получается достаточно комфортным.

Рис. 5. Характеристика регулирования
Обнаружилась одна неприятная особенность этой микросхемы. При подаче на выводы 1 и 9 напряжения питания от одного и того же источника усиливаемый сигнал искажается, а микросхема сильно нагревается даже без нагрузки. Исследование выявило самовозбуждение микросхемы в такт с усиливаемым сигналом, которое полностью не пропадает даже при отсутствии сигнала на входе. Помогла развязывающая цепь R32C23 (на схеме указаны минимальные номиналы её элементов). Выявлена также большая чувствительность вывода 1 к помехам, поэтому подключение к нему дополнительных потребителей крайне нежелательно.
Микросхема AN5265 довольно широкополосна, поэтому высокочастотные составляющие входного сигнала не только просачиваются на её выход, но и приводят к избыточному нагреву микросхемы. В связи с этим потребовался дополнительный фильтр входного сигнала R27C22.
При работе на головные телефоны температура корпуса микросхемы AN5265 не превышала 45 оС. В этом случае теплоотвод ей не нужен. Если предполагается работать на динамическую головку, потребуется теплоотвод с площадью охлаждающей поверхности не менее 20 см2.
Встроенную динамическую головку BA1 (4 Вт, 8 Ом) можно включить или выключить выключателем SA6. Вместо неё можно подключить внешний громкоговоритель, располагать который лучше на расстоянии 1...2 м сзади исполнителя, на уровне его головы. С этого направления обеспечивается наилучшая чувствительность уха, ведь в силу специфики инструмента исполнитель должен начинать слышать себя раньше, чем публика.
Продолжение следует
Литература
1. Мамонтов И. Терменвокс "Etherway". - Радио, 2016, № 11, с. 37-40.
2. Nachbaur F. On Theremin Sensitivity. - URL:http://www.dogstar.dantimax.dk/ theremin/thersens.htm (06.04.2018).
3. Бондаренко Е. В. Электромузыкальный инструмент типа "Терменвокс". - Авторское свидетельство СССР №349010, опубликовано 23.08.1972 г., бюллетень № 35.
4. Королёв Л. Современный терменвокс. - Радио, 1985, № 2, с. 43-46.
5. Королёв Л. Терменвокс. - Радио, 2005, № 8, с. 48-51; № 9, с. 48-51.
6. Moog R. The Theremin. - Radio & Television News, January 1954, p. 37-39.
7. Королёв Л. И снова терменвокс. - Радио, 1972, № 9, с. 17-19.
Автор: И. Мамонтов, г. Электросталь Московской обл.