Начнём с определения.
ЭПРА (Электронный Пуско Регулирующий Аппарат) – это устройство, предназначенное для поджига газоразрядных ламп и поддержания их в рабочем состоянии.
Соответственно, горение таких ламп без ЭПРА невозможно, а, значит, этот блок имеется во всех светильниках, которые работают с лампами на основе инертных газов, или даже в самих лампах (например, в энергосберегающих неоновых со стандартными цоколями).
Рассмотрение преимуществ и недостатков ламп мы оставим на потом, а сейчас остановимся подробнее на блоке их питания.
Основные компоненты ЭПРА
В составе подавляющего большинства таких устройств имеются:
Однако, в целях экономии (габаритов или конечной стоимости) некоторые производители могут убирать те или иные блоки.
Блоки могут реализовываться из самостоятельных радиоэлементов или на основе специальных микросхем.
Применение
Даже при беглом взгляде на состав ЭРПА становится понятно, что перед нами – готовый импульсный блок питания.
И, например, если светильник больше эксплуатироваться по назначению не будет, то почему бы не использовать из него пускорегулирующий блок в других целях?
Например, можно собрать компактный блок питания светодиодных лент с минимумом дополнительных деталей или зарядное устройство для аккумуляторов.
Переделка ЭПРА из энергосберегающей лампы
Так выглядит обычная люминесцентная лампа с цоколем Е27.

Рис. 1. Люминесцентная лампа с цоколем Е27
А так выглядит её принципиальная схема.

Рис. 2. Принципиальная схема люминесцентной лампы с цоколем Е27
Красным выделены элементы, которые необходимы для запуска колбы (они нам не понадобятся).
Физически блок выглядит так (после разбора лампы).

Рис. 3. Блок лампы с элементами
Практически единственное отличие от ИБП – дроссель L5. Его нужно заменить на трансформатор. Сделать это можно двумя способами:
Здесь сразу необходимо оговориться о мощности такого ИБП.
Примечание. Все элементы схемы для достижения компактности готового изделия подобраны строго под определённые выходные параметры. А значит, без значительной переделки и применения радиаторов / других теплоотводов выходную мощность повысить не получится. Лучше всего, если она останется в пределах исходной мощности лампы!
То есть, если лампа на 15 Вт, то при выходном напряжении в 12 В сила тока на выходе не должна быть выше 1 А (12·1= 12 Вт).
Путь с минимальными трудозатратами - конечно, замена на подходящий.
Перемотка
Штатный дроссель имеет небольшие габариты, что существенно затрудняет перемотку. И даже после переделки впаять его на место вряд ли получится (габариты увеличатся). Хотя при должной сноровке можно-таки разобрать дроссель, изолировать первичную обмотку стеклотканью и намотать 10-20 витков (толщина провода до 0,5 мм отлично подойдёт).
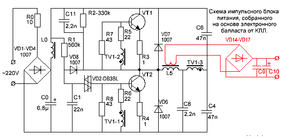
Переделанная схема может иметь вид как на схеме ниже.

Рис. 4. Переделанная схема
Конденсаторы С9 – 0,1 мкФ, С10 – 470 мкФ. Диоды или диодный мост должны быть импульсными.
Дополнительный трансформатор
ЭРПА можно дополнить своим трансформатором. Например, как на схеме ниже.

Рис. 5. Схема дополненная трансформатором
Здесь не обошлось без мелких переделок основной схемы. Был заменён:
Трансформатор можно взять готовый или намотать на основе дросселя из другой лампы, например, большей по мощности.
В качестве основы можно использовать ферритовое кольцо (2000НМ - 28 х 16 х 9мм или больше). В данной схеме использовалось кольцо с диаметрами 40 и 22 мм (внешний/внутренний), толщина – 20 мм. Первичная обмотка – 63 витка (ПЭЛ 0,85 мм2), вторичные – по 12 витков (провод тот же).
На схеме обозначена симметричная намотка вторичных обмоток. Её можно заменить одной, но на выходе должен быть диодный мост (как на первой схеме).
Схема 2 позволяет довести мощность блока питания до 100 Вт.
Больший ток может понадобиться для питания галогеновых ламп или для других задач.
Без подключённой нагрузки включать этот блок питания нельзя! Обратите внимание на показатели рассеиваемой мощности тестовой нагрузки.
Как посчитать витки трансформатора
Это, наверное, ключевой вопрос в переделке.
Алгоритм действий таков:
1.На дроссель необходимо намотать удобное количество витков (10/20/30 и т.п.).
2.Подключить нагрузку (это может быть резистор с рассеиваемой мощностью 30 Вт и больше).
3.Запитать схему и снять измерения на выходе (то есть на нагрузке).
4.Теперь легко понять какое напряжение приходится на 1 виток (имеющееся напряжение делите на количество намотанных витков).
5.Теперь можно рассчитать необходимое вам количество витков (требуемое напряжение делите на "цену" одного витка).
6.Наматываете своё количество витков.
Автор: RadioRadar