Автору довелось ремонтировать подогреватель детского питания, блок управления которого был собран на микроконтроллере на многослойной печатной плате. Напряжение питания присутствовало, но ничего не управлялось, многочисленные светодиоды не светились. Решено было сделать плату управления заново, без микроконтроллера, на доступных элементах.
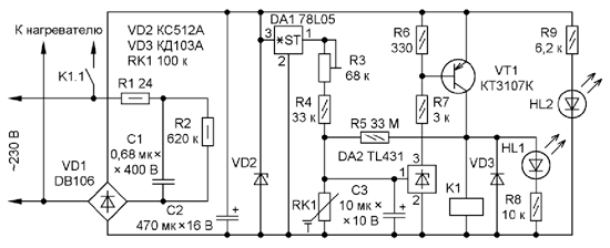
Схема разработанного термостабилизатора приведена на рис. 1. В устройстве использован нагреватель от ремонтируемой конструкции. Источник питания, как и в оригинале, собран по схеме с балластным конденсатором С1. Указанная на схеме ёмкость конденсатора обеспечивает выходной ток 42 мА при номинальном напряжении сети и выходном напряжении 12 В [1]. Светодиод HL2 индицирует наличие питающего напряжения. На схеме не показаны цепи защиты от перегрева, сохранённые от ремонтируемой конструкции.

Рис. 1. Схема термостабилизатора
Датчик температуры RK1 - терморезистор из ремонтируемого устройства с отрицательным температурным коэффициентом и сопротивлением 100 кОм при комнатной температуре и около 50 кОм при температуре 40 оС. Терморезистор питается от стабилизатора напряжения 5 В на микросхеме DA1 через резисторы R3 и R4, конденсатор С3 служит для снижения наводок от сети 230 В.
Несколько нетрадиционен пороговый элемент, собранный на микросхеме TL431 (отечественный аналог - КР142ЕН19А), называемой "регулируемый стабилитрон" [2]. Основное её свойство заключается в том, что при напряжении на входе (вывод 1) менее 2,5 В выходной ток, протекающий через микросхему (через выводы 2 и 3), не превышает 1 мА, а при достижении этого значения резко увеличивается. Ток менее 1 мА создаёт падение напряжения на резисторе R6 менее 330 мВ, которое недостаточно для включения транзистора VT1, открывающегося, как и все кремниевые биполярные транзисторы, при напряжении база-эмиттер в пределах 500...600 мВ.
Если температура датчика RK1 ниже значения, заданного движком подстроечного резистора R3, и его сопротивление больше суммы сопротивлений резисторов R3 и R4, напряжение на выводе 1 DA2 превышает 2,5 В. Ток через микросхему DA2 создаёт на резисторе R6 падение напряжения, достаточное для открывания транзистора VT1. Коллекторный ток VT1 включает реле К1, которое замыкает свои контакты К1.1 и подаёт входное сетевое напряжение на нагреватель. При этом включается светодиод HL1. Резистор R7 ограничивает ток через микросхему DA2 и базу транзистора VT1.
Когда температура датчика превысит заданное значение, его сопротивление уменьшится до значения, меньшего суммы сопротивлений резисторов R3 и R4, транзистор и реле выключатся. Резистор R5 обеспечивает небольшую положительную обратную связь, что создаёт условия для чёткого скачкообразного переключения микросхемы DA2, транзистора и реле.
Таким образом, включением и выключением нагревателя будет поддерживаться постоянная температура в месте установки термодатчика. Подстроечным резистором R3 можно установить температуру стабилизации в пределах 20...50 оС.
В устройстве применены реле SRD-12VDC-SL-C с рабочим напряжением 12 В и сопротивлением обмотки 400 Ом, ультраяркие светодиоды диаметром 3 мм зелёного (HL1) и красного (HL2) свечения. Резисторы R8 и R9 желательно подобрать такого сопротивления (не менее 5,1 кОм), чтобы зрительно яркость свечения светодиодов была примерно одинаковой. Конденсатор С1 - К73-17 на номинальное напряжение 400 В, но лучше здесь применить импортный аналог конденсатора К73-17 на номинальное напряжение 630 В, С2 и С3 - импортные аналоги К50-35. Подстроечный резистор R3 - СП3-19а, резистор R5 - КИМ, остальные - МЛТ, С2-23, С2-33 указанной на схеме мощности. Диодный мост VD1 - любой на номинальное обратное напряжение не менее 50 В и прямой ток не менее 0,5 А. Стабилитрон VD2 - на напряжение 12 В и рассеиваемую мощность не менее 0,5 Вт, диод VD3 - любой кремниевый маломощный. Транзистор VT1 - кремниевый структуры p-n-p с коэффициентом передачи токабазы не менее 50 при коллекторном токе 30 мА. Микросхема 78L05 (DA1) заменима на КР1157ЕН5, TL431 (DA2) - на КР142ЕН19.
Терморезистор RK1 может быть любым с подходящим конструктивным оформлением, отрицательным температурным коэффициентом и при температуре 20 оС иметь сопротивление от 27 до 100 кОм. Соответственно, сумма сопротивлений резисторов R3 и R4 должна быть примерно равна сопротивлению терморезистора при комнатной температуре, а резистора R5 - в 300...500 раз больше. Если термостабилизатор предполагается использовать для других целей, сопротивление каждого из резисторов R3 и R4 должно быть равно примерно 70...80 % от сопротивления терморезистора при стабилизируемой температуре.
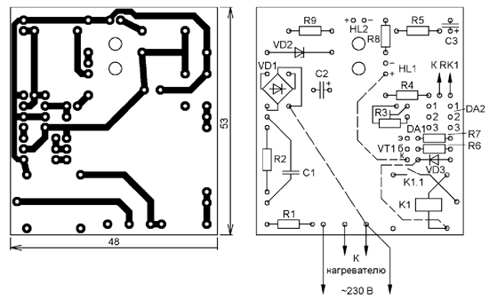
Практически все элементы устройства смонтированы на печатной плате из фольгированного с одной стороны стеклотекстолита толщиной 1,5 мм. Чертёж платы приведён на рис. 2. На плате со стороны печатных проводников необходимо припаять три перемычки из изолированного провода. На виде расположения деталей они показаны штриховыми линиями. Фото собранной платы, установленной на переднюю панель нагревателя, показано на рис. 3. Несколько неравномерная плотность установки радиоэлементов на плате объясняется особенностями конструкции нагревателя.

Рис. 2. Плата устройства и элементы на ней

Рис. 3. Внешний вид собранной платы
Поскольку все цепи устройства гальванически связаны с сетью, проверку собранной платы следует производить от источника постоянного тока, подключив его через миллиамперметр к сетевым контактам платы в произвольной полярности, предварительно замкнув выводы конденсатора С1. Терморезистор RK1 должен иметь комнатную температуру, а движок под-строечного резистора R3 установлен в положение минимального сопротивления. Плавно увеличивая от 10 В напряжение источника питания, необходимо добиться потребляемого тока 40 мА. Реле К1 должно включиться, оба светодиода - светиться.
После этого измеряют напряжение на стабилитроне VD2 и выводе 1 микросхемы DA1, оно должно быть 12±0,5 В и 5±0,25 В соответственно.
Нагревая терморезистор до требуемой стабилизируемой температуры (можно вложить его в согнутую пополам пластиковую трубку и опустить эту трубку в воду с необходимой температурой) и вращая движок подстроечного резистора R3, добиваются выключения реле, что будет заметно по щелчку и погасанию светодиода HL1. Перемещая движок вперёд-назад, устанавливают его в положение, среднее между включением и выключением светодиода.
Далее, сняв перемычку с конденсатора С1 и полностью собрав подогреватель, проверяют его работоспособность при работе от сети.
Литература
1. Бирюков С. Блоки питания с балластным конденсатором. - Схемотехника, 2004, № 6, с. 28, 29.
2. Нечаев И. Необычное применение микросхемы КР142ЕН19А. - Радио, 2003, № 5, с. 53, 54.
Автор: С. Бирюков, г. Москва