Некоторые регулируемые (лабораторные) блоки питания не снабжены встроенными вольтметрами и амперметрами, которые существенно повышают удобство пользования подобными устройствами. Автор предлагает оснастить такие блоки питания встраиваемым вольтметром-амперметром на основе цифрового встраиваемого вольтметра постоянного тока, собранного из конструктора EK-2501.
Не все лабораторные регулируемые блоки питания (БП), находящиеся в эксплуатации у радиолюбителей, оборудованы вольтметром и амперметром. Повысить удобство пользования такими БП можно, если оборудовать их недостающими измерительными приборами. Желательно, чтобы их размеры были небольшими, поскольку габариты БП чаще всего ограничены. Для решения этой задачи можно применить различные модули, которые обеспечивают измерение как напряжения, так и тока. Выбор таких модулей велик, но для подключения большинства из них требуется установка резистивного датчика тока в минусовую линию питания. Но это не всегда возможно или удобно сделать, если речь идёт об уже готовом блоке питания.
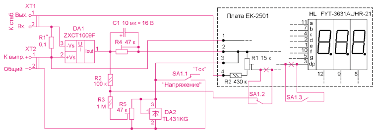
Одним из вариантов может быть применение платы EK-2501 [1] - вольтметра на основе микроконтроллера и трёхразрядного светодиодного индикатора (рис. 1). Проведя небольшую доработку, его можно превратить в переключаемый вольтметр-амперметр. Для этого его следует дополнить активным датчиком тока, который можно собрать на специализированной микросхеме ZXCT1009F [2]. Она предназначена для работы в цепях постоянного тока напряжением 2,5...20 В.

Рис. 1. Плата EK-2501
Схема доработки показана на рис. 2. Все вновь введённые элементы и соединения выделены цветом, нумерация элементов и выводов разъёма вольтметра соответствует маркировке на плате. Вольтметр EK-2501 позволяет измерять напряжение в интервале 0...99,9 В. Поскольку предел измерения всего один, во втором разряде постоянно включена децимальная точка. Этот вольтметр был использован и для измерения потребляемого тока. Чтобы отличить режим измерения тока от режима измерения напряжения, введён выключатель SA1.3, который подключён в разрыв печатного проводника, идущего от микроконтроллера (на схеме не показан) к выводу 3 (dp) индикатора HL. В режиме измерения тока децимальная точка не горит. Максимальный предел измерения тока - 999 мА.

Рис. 2. Схема доработки устройства
Для переключения режимов измерения служит переключатель SA1.2. Он установлен в разрыв печатного проводника, идущего от движка резистора R1 к микроконтроллеру платы EK-2501. В нижнем по схеме положении этого переключателя - режим измерения выходного напряжения стабилизатора БП. Это напряжение поступает на вход вольтметра EK-2501 (контакт 4).
Собственно датчиком тока, как и в [2], служит конструктивный резистор R1, который представляет собой отрезок печатного проводника на плате. Этот датчик включают в плюсовую линию питания между выпрямителем и стабилизатором выходного напряжения регулируемого БП. Падение напряжения на резисторе R1 зависит от протекающего через него тока, а микросхема DA1 преобразует это напряжение в соответствующий ток, создающий измерительное напряжение на резисторе R4, которое и поступает на вольтметр EK-2501, превращая его в данном случае в миллиамперметр. Конденсатор С1 сглаживает выбросы измерительного напряжения при бросках тока.
На микросхеме DA2 собран параллельный стабилизатор напряжения, который включён последовательно с платой EK-2501. Он нужен для формирования стабильного напряжения минусовой полярности (относительного контактов 2 и 3 платы EK-2501), которое используется для компенсации. Дело в том, что миллиамперметр будет показывать и ток, потребляемый стабилизатором напряжения и другими элементами (индикация и т. д.) самого БП. Напряжение, пропорциональное потребляемому току, поступает на вход вольтметра Ek-2501 через резистор R2 и переключатель SA1.2. В эту же точку с резистора R5 через резистор R3 поступает компенсирующее напряжение минусовой полярности. При отсутствии выходного тока БП резистором R5 устанавливают нулевые показания индикатора вольтметра EK-2501. В режиме измерения напряжения стабилизатор на микросхеме DA2 закорочен контактами переключателя SA1.1.
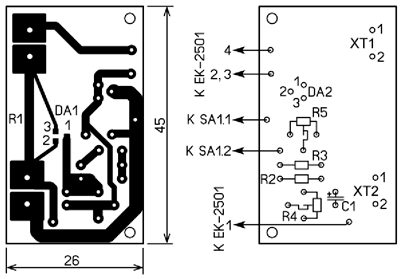
Все дополнительные элементы, кроме переключателя, установлены на печатной плате, чертёж которой показан на рис. 3. Для неё использован фольгированный стеклотекстолит толщиной 1,5 мм с медным слоем толщиной предположительно 35 мкм. В устройстве применены постоянные резисторы С2-23, МЛТ, подстроечные - СП3-19, конденсаторы - К50-35 или импортные. Разъёмы ХТ1, ХТ2 - клеммники KLS2-128-5.00 или другие похожие. Переключатель - любой малогабаритный на два положения и три направления. После сборки и налаживания плату с дополнительными элементами прикрепляют с помощью винтов и стоек к плате вольтметра EK-2501 (рис. 4). Ненужную вилку с платы вольтметра можно выпаять или откусить.

Рис. 3. Чертёж платы и размещение элементов

Рис. 4. Плата с дополнитльными элементами и плата EK-2501
Налаживание проводят с помощью образцового амперметра в режиме измерения тока в следующей последовательности. Предварительно движок резистора R4 устанавливают в правое, а движок резистора R5 - в верхнее по схеме положение. К выходу БП через амперметр подключают нагрузку, через которую протекает ток около 900 мА, и резистором R4 сравнивают показания индикатора EK-2501 и амперметра. Затем нагрузку отключают и резистором R5 устанавливают нулевое напряжение (контролируют вольтметром) в точке соединения резисторов R2 и R3. Вновь подключают нагрузку и повторяют процедуру налаживания. Так необходимо сделать несколько раз. Откалибровать устройство в режиме измерения напряжения можно с помощью подстроечного резистора R1 на плате ЕК-2501 и образцового вольтметра.
Если возникнут проблемы с приобретением переключателя на два положения и три направления, можно применить переключатель на два направления, но придётся изменить схему в соответствии с рис. 5. Транзистор VT1 и резистор R1 размещают на плате вольтметра EK-2501 и закрепляют термоклеем.

Рис. 5. Схема доработки устройства
Интервал выходного напряжения выпрямителя, при котором работает устройство, - 9...20 В. Если удалить стабилизатор на микросхеме DA2, этот интервал увеличится до 6,5...20 В. Установка датчика тока между выходом выпрямителя и входом стабилизатора напряжения обусловлена тем, что нижний предел интервала регулирования выходного напряжения - 0...1 В. Если нижний предел - 5,5 В (но не более 20 В), датчик включают в выходную плюсовую линию, тогда элементы компенсации также не нужны. В этом случае элементы R2, R3, R5, DA2 не устанавливают, вместо резистора R2 и микросхемы DA2 на плате устанавливают перемычки. Переключатель SA1.1 станет ненужным, и его можно использовать на месте SA1.3.
Чертежи печатных платы в формате Sprint-LayOut имеются здесь.
Литература
1. Конструктор EK-2501Kit - цифровой вольтметр постоянного тока. - URL: https:// www.dessy. ru/catalog-pdc241401.html (16.01.19).
2. Нечаев И. Микросхема ZXCT1009F и конструкции на её основе. Часть 1. Измерение большого постоянного и переменного токов. Приставка к мультиметру. - Радио, 2018, № 11 с. 55-59.
Автор: И. Нечаев, г. Москва