Техническое описание
Назначение:
Прибор предназначен для измерения радиоактивности с помощью дозиметра "Сигнал", фиксации места и времени измерения с помощью приёмника GPS, и записи полученной информации в файл с последующим анализа файла на компьютере и построением взаимосвязанных графиков места и радиоактивности.
Состав:
1)Дозиметр "Сигнал" 1992 года выпуска.
2)GPS-приёмник GY-GPS6MU2 с антенной GPS.
3)Обработчик и фиксатор полученных данных на Arduino (см Схема Фиксатор радиации).
4)Flash-память 2 – 4Гб.
5)Power-bank (ПБ) 5в любой, обеспечивающий ток 150ма в течении рабочего времени.
6)Компьютер для просмотра записанного файла.
7)Программное обеспечение для Arduino (DK4_4.ino) и для просмотра созданного файла на копьютере (см. файл txt-koord_graf4-6.exe в архиве ниже).
Рис. 1. Состав устройства
Описание:
Схема “Фиксатор радиации” находится здесь.
Включение прибора осуществляется подключением ПБ, при этом старый файл с именем DOZIM1.TXT будет уничтожен.
Конденсатор по питанию 1000,0х16 установлен, чтобы гасить дребезг контактов подводящих питание при вибрации. (Предполагается проводить измерения при езде на велосипеде.)
Питание дозиметра “Сигнал” осуществляется через преобразователь 5в>9в DC-DC UP XY-016 на котором выставляется на out 9в.

Рис. 2. Плата устройства с элементами
С дозиметра "Сигнал" снимаются два сигнала: импульсы счётчика СМБ-20 (сч. Гейгера) и импульс индикации. Схемы дозиметра "Сигнал" у меня нет, поэтому привожу фото откуда взяты сигналы счётчика Гейгера и индикации насчитанных импульсов. Кроме подключения дозиметра “Сигнал” к “Фиксатору радиации” дозиметр ещё доработан для удобства (что не является обязательным): установлен на крышку светодиод, который засвечивается от импульса счетчика Гейгера и пьезо-пищалка подключёна к выводимому импульсу счетчика Гейгера (1 мс) (звук Сигнала выдаётся при индикации результата, что здесь не нужно). Однако счастливым обладателям дозиметра “Сигнал” вероятнее всего придётся самим искать, куда подключится, ибо таковых несколько модификаций, но везде на пищалку подаётся объединенный сигнал из импульсов счётчика и длительного сигнала индикации, где и нужно потыкаться осциллографом.

Рис. 3. Источники сигналов счётчика Гейгера и индикации насчитанных импульсов
Импульсы с дозиметра подаются на дискретные входы Arduino 2 и 9 через резисторы 2к, так как они 9-ти вольтовые и стабилитрон КС147 для этого же (хотя говорят внутри Arduino стабилитроны на входах есть). Вход 2 организован для приёма коротких импульсов по прерыванию (сч. Гейгера). Вход 9 – обычный дискретный вход (индикация).
Остальные модули имеют стандартное подключение согласно схеме прибора.
Конструкция “Фиксатора радиации” простая: в коробке укреплен модуль для Flash-памяти, чтобы флешку можно было вставлять, на крышке - индикатор LCD1602 и трёх ползунковый переключатель, остальные модули изолированы друг от друга широкими термокембриками и лежат кучей на проводах. Модуль GPS в отдельной коробке и соединён с “Фиксатором радиации” через USB разъём. (Его можно подключать через удлинитель USB.) Всё вместе смотано скотчем.



Рис. 4. Конструкция “Фиксатора радиации”
Flash-память должна быть менее 4гб и отформатирована в FAT.
“Фиксатор радиации” повторяет действия дозиметра "Сигнал", то есть считает приходящие на вход 2 импульсы, при появлении импульса индикации на входе 9 запоминает насчитанное количество импульсов. Число насчитанное в "Сигнале" и в “Фиксаторе радиации” совпадают +- единица.
Одновременно ожидается появление готовности GPS сигнала, с появлением которого происходит запись текущих координат и времени GPS в память Arduino. Затем формируется строка данных для записи во Flash-память и, если включен переключатель п2, происходит запись строки.
Сохранённые параметры индицируются на индикаторе LCD1602 на 4-х экранах, которые включаются переключателями п1-п2.

Рис. 5. Экран 1
Это время и дата от GPS, то есть американского Интернета.
Если включён этот экран, п1, п2 вниз, записи в файл нет.
В остальных положениях п1, п2 идёт запись в файл.

Рис. 6. Экран 2
LAT – широта текущая
LON – долгота текущая

Рис. 7. Экран 3
Imp – число зафиксированных импульсов радиации на текущий момент.
Imp_Z – число запомненных импульсов за интервал времени (~50сек), заданный дозиметром “Сигнал”. (Безопасная радиация – до 40.)

Рис. 8. Экран 4
Т - Температура внутри корпуса “Фиксатор радиации”.
Zap_str – число записанных строк в файл.
Запись (переключатель п1, п2 вверх) надо включать, когда GPS-приём начнёт работать, то есть будут координаты на индикаторе. Обычно не более чем за 2 мин GPS выходит на рабочий режим. Перед тем, как выключить устройство, поставьте переключатели п1 и п2 в положение отключено. После этого можно вытащить Flash-память, вставить ее в картридер, и в компьютер. Если нужно сохранить созданный файл во Flash-памяти, измените его имя (сунув флешку в компьютер), иначе при следующей записи программа заменит его на новый DOZIM1.TXT. Имя файла: DOZIM1.TXT задано в программе Arduino. Если хочется другое, заменяйте его с помощью IDE arduino.exe в программе в двух местах, большими латинскими, не более 8 символов с расширением txt. Переключатель п3 служит для включения подсветки индикатора LCD1602.
Далее обработка записанной информации происходит в компьютере, в программе txt-koord_graf4-6, написанной среде в LabView 8.0. Кому не хочется ставить LabView прилагаю ехе-файл, но к нему надо поставить библиотеку lv80runtime.msi: правая кнопка мышки - установить.
Устанавливать игнорируя все ругательные окна, добраться до конца и перезагрузить.
Я работаю в ОС WindowsXP, в других ОС работу не проверял, думаю что должно работать в любой Windosине.

Рис. 9. Окно программы
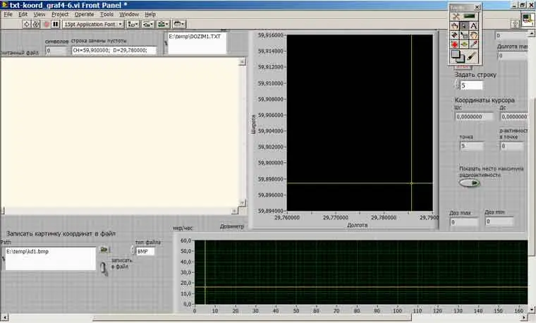
Для работы с файлом запустить программу txt-koord_graf4-6.exe (или txt-koord_graf4-6.vi в среде программирования LabView), и загрузить в неё наш файл изготовленный в Arduino. Для этого надо найти на экране окошко с папочкой “Путь к файлу”, нажать курсором на значок папки, выбрать DOZIM1.TXT. При этом в окне загрузки выведется путь к файлу. В левом верхнем углу есть квадратик со стрелкой, нажав на который мы запускаем программу на исполнение. В результате исполнения на экране заполняются окна.

Рис. 10. Окно исполнения программы
На “Считанный файл” видим строки нашего файла DOZIM1.TXT, в "Дозиметр" появляется график радиоактивности в линии по всему маршруту и в окне "маршрут" точки замеров в координатной плоскости Широты и Долготы, то есть картинка маршрута. Графики снабжены курсорами, которые могут перемещаться по точкам измерения текущим или встать на точку с максимальной радиоактивностью. Положение курсора в окнах увязано с № строки нашего файла и оно задаётся в окне “Задать строку”. Удерживая управление значением этого окна "мы движемся" по маршруту и при этом видим радиоактивность в точках измерения. Можно записать картинку маршрута в файл на компьютере, включив тумблер “Записать в файл” (чтобы в графическом редакторе наложить маршрут на карту, в LabView много возни с подготовкой карты). После записи исполнение программы приостанавливается, как и после нажатия кнопки “Стоп”. Чтобы перемещать курсор по графику, надо снова нажать кнопку со стрелкой.
В одной из поездок с фиксатором радиации сформировался файл с нулевыми координатами.

Рис. 11. Окно исполнения программы
График автоматом подбирает масштаб, что удобно. В результате вся картина была испорчена. Сию проблему решил заменой строк с 0-ми координатами на заданные координаты в окне “строка замены пустоты”, которые недалеко отстоят от остальных координат графика. Пользователь для своих графиком в этой ситуации должен записать в “строка замены пустоты” координаты близкие к своему маршруту, например координаты из нормальной строки.
Итого:
Программное обеспечение в файле ПРО.rar (можно скачать здесь). В нём - для Arduino в папка DK4_4 и программное обеспечение для обработки записанного файла на компьютере: txt-koord_graf4-6.vi – программа LabView; папка с исполнительным файлом txt-koord_graf4-6 и библиотекой lv80runtime.msi.
Данное устройство можно использовать как основу для создания других измерений на больших площадях, например климатических данных, электромагнитного поля, загазованности.
Данная работа предназначена для радиолюбителей и для личного использования.
Автор: Осницкий Николай Викторович, Санкт-Петербург